收藏 分销(赏)

压力管道设计常用标准规范目录.docx

上传人:xrp****65 文档编号:8458354 上传时间:2025-02-14 格式:DOCX 页数:6 大小:18.33KB 下载积分:10 金币
下载 相关 举报
压力管道设计常用标准规范目录.docx_第1页
第1页 / 共6页
压力管道设计常用标准规范目录.docx_第2页
第2页 / 共6页


点击查看更多>>
资源描述
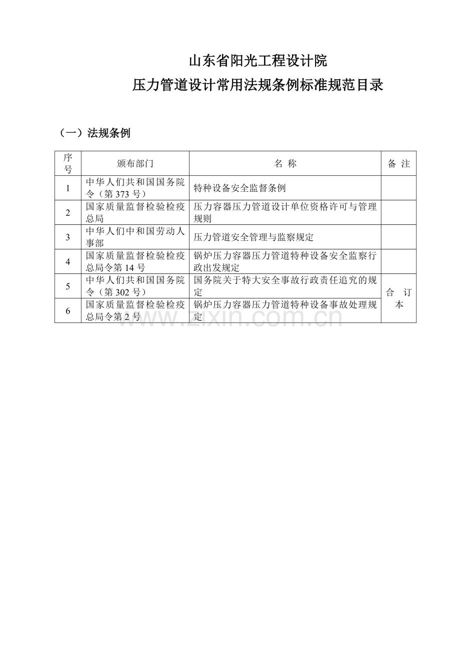
山东省阳光工程设计院 压力管道设计常用法规条例标准规范目录 (一)法规条例 序号 颁布部门 名 称 备 注 1 中华人们共和国国务院令(第373号) 特种设备安全监督条例 2 国家质量监督检验检疫总局 压力容器压力管道设计单位资格许可与管理规则 3 中华人们中和国劳动人事部 压力管道安全管理与监察规定 4 国家质量监督检验检疫总局令第14号 锅炉压力容器压力管道特种设备安全监察行政出发规定 5 中华人们共和国国务院令(第302号) 国务院关于特大安全事故行政责任追究的规定 合订本 6 国家质量监督检验检疫总局令第2号 锅炉压力容器压力管道特种设备事故处理规定 (二)设计标准 序号 标 准 编 号 标 准 规 范 名 称 备 注 1 GB50016-2006 建筑设计防火规范 2 GB50316-2000 工业金属管道设计规范 3 GB50264-97 工业设备及管道绝热工程设计规范 4 GB50032-2003 室外给水排水和燃气热力工程抗震设计规范 5 GB50029-2003 压缩空气站设计规范 6 GB50028-2006 城镇燃气设计规范 7 GB50041-92 锅炉房设计规范 8 GB50265-97 泵站设计规范 9 GB/T20801-2006 压力管道规范 工业管道 10 DL5000-2000 火力发电厂设计技术规程 11 DL/T5054-96 火力发电厂汽水管道设计技术规定 12 DL/T5182-2004 火力发电厂热工自动化设计技术规定 13 DL/T561-95 火力发电厂水汽化学监督导则 14 DL612-1996 电站工业锅炉压力容器监督规程 15 DL/T709-1999 压力钢管安全检测技术规程 16 DL/T712-2000 火力发电厂凝汽器管选材导则 17 DL/T715-2000 火力发电厂金属材料选用导则 18 DL/T716-2000 电站隔膜阀选用导则 19 DL/T776-2000 火力发电厂保温材料技术条件 20 DL/T850-2004 电站配管 21 DL/T5072-1997 火力发电厂保温油漆设计规程 22 CJJ34-2002 城市热力网设计规范 23 CJJ/T88-2000 城镇供热系统安全运行技术规程 24 CJJ/T81-98 城镇直埋供热管道工程技术规范 25 GB/T4272-92 设备及管道保温技术通则 26 GB/T9174-88 设备及管道保温效果的测试与评价 27 GB/T8175-87 设备及管道保温设计导则 28 GB/T11790-1996 设备及管道保冷技术通则 (三)施工标准 序号 标 准 编 号 标 准 规 范 名 称 备 注 1 GB50231-98 机械设备安装工程施工及验收通用规范 2 GB50235-97 工业金属管道工程施工及验收规范 3 GB50236-98 现场设备、工业管道焊接工程施工及验收规范 4 CJJ28-2004 城市供热管网工程施工及验收规范 5 CJJ33-2005 城镇燃气输配工程施工及验收规范 6 GB50273-98 工业锅炉安装工程施工及验收规范 7 GB50184-93 工业金属管道工程质量检验评定标准 8 DL5011-92 电力建设施工及验收技术规范(汽轮机机组篇) 9 DL/T820-2002 电力建设施工及验收技术规范(管道焊接接头超声波检验篇) 10 DL/T869-2004 火力发电厂焊接技术规程 11 DL/T709-2001 火力发电厂异种钢焊接技术规程 12 JGJ82-91 钢结构高强度螺栓连接的设计、施工及验收规程 13 GB3323-2005 钢熔化焊对接接头射线照相和质量分级 14 GB/T5777-96 无缝钢管超声波探伤方法 15 GB/T7735-2004 钢管涡流探伤检验方法 16 GB/T12606-1999 钢管漏磁探伤方法 17 GB50185-93 工业设备及管道绝热工程质量检验评定标准 18 GB8923-88 涂装前钢材表面锈蚀等级和除锈等级 (四)管道器材标准 序号 标 准 编 号 标 准 规 范 名 称 备 注 1 GB150-1998 钢制压力容器 2 GB/T699-1999 优质碳素结构钢 3 GB/T700-2006 碳素结构钢 4 GB/T1220-2007 不锈钢棒 5 GB/T1221-2007 耐热钢棒 6 GB/T1591-94 低合金高强度结构钢 7 GB/T3077-1999 合金结构钢(2000年第1号修改单) 8 GB/T17395-1998 无缝钢管尺寸、外形、重量及允许偏差 9 GB3087-1999 低中压锅炉用无缝钢管 10 GB/T3091-2001 低压流体输送用焊接钢管 11 GB5310-1995 高压锅炉用无缝钢管 12 GB/T9711.1-97 石油天然气工业输送钢管交货技术条件-A级钢管 13 GB/T12771-2000 流体输送用不锈钢焊接钢管 14 GB13296-2007 锅炉、热交换器用不锈钢无缝钢管 15 GB/T13793-92 直缝电焊钢管 16 GB/T14976-2002 流体输送用不锈钢无缝钢管 17 GB/T12459-2005 钢制对焊无缝管件 18 GB/T13401-2005 钢板制对焊管件 19 GB/T14626-93 锻钢制螺纹管件 20 GB/T17185-1997 钢制法兰管件 21 GB/T9112-2000 钢制管法兰类型与参数 22 GB/T17241.3-1998 带颈螺纹铸铁管法兰 23 HG20592-20635-97 钢制管法兰、垫片、紧固件(2001年第1号修改通知单) 24 GB4622.1-2003 缠绕式垫片分类(1996年第1号修改单) 25 GB4622.2-2003 钢制管法兰用缠绕式垫片尺寸系列(1996年第1号修改单) 26 GB/T15601-95 管法兰用金属包覆垫片 27 GB/T12220-89 通用阀门标志 28 GB/T12221-2005 法兰连接金属阀门结构长度 29 GB/T12222-2005 多回转阀门驱动装置的连接 30 GB/T12223-2005 部分回转阀门驱动装置的连接 31 GB/T12224-82005 钢制阀门一般要求 32 GB/T12225-2005 通用阀门 铜合金铸件技术条件 33 GB/T12226-2005 通用阀门 灰铸铁件技术条件 34 GB/T12227-2005 通用阀门 球墨铸铁件技术条件 35 GB/T12228-2005 通用阀门 碳素钢锻件技术条件 36 GB/T12229-2005 通用阀门 碳素钢铸件技术条件 37 GB/T12230-2005 通用阀门 不锈钢铸件技术条件 38 GB/T12232-2005 通用阀门 法兰连接铁制闸阀 39 GB/T12233-2006 通用阀门 铁制截止阀与升降式止回阀 40 GB/T12234-2007 通用阀门 法兰和对焊连接钢制闸阀 41 GB/T12235-2007 通用阀门 法兰连接钢制截止阀和升降式止回阀 42 GB/T12237-2007 通用阀门 法兰和对焊连接钢制球阀 43 GB/T12241-2005 安全阀 一般要求 44 GB/T12242-2005 压力释放装置 性能试验规范 45 GB/T12243-2005 弹簧直接载荷式安全阀 46 GB/T12244-2006 减压阀 一般要求 47 GB/T12245-2006 减压阀 性能试验方法 48 GB/T12246-2006 先导式减压阀 49 GB/T12250-2005 蒸汽疏水阀 术语 标志 结构长度 50 GB/T12251-2005 蒸汽疏水阀 试验方法 51 GB/T13927-92 通用阀门 压力试验 52 GB567-1999 爆破片与爆破片装置 53 GB/T12522-1996 不锈钢波形膨胀节 54 GB/T12777-1999 金属波纹管膨胀节通用技术条件 55 GB/T14525-93 波纹金属软管通用技术条件 56 GB/T10303-2001 膨胀珍珠岩绝热制品 57 GB/T11835-2007 绝热用岩棉、矿渣棉及其制品 58 GB/T13350-2000 绝热用玻璃棉及其制品(含2002年第1号修改单) 59 GB/T41-2000 六角螺母-C级 60 GB/T5780-2000 六角头螺栓-C级 61 GB/T5781-2000 六角头螺栓-全螺纹-C级 62 GB/T5782-2000 六角头螺栓-A级和B级 63 GB/T5783-2000 六角头螺栓全螺纹-细牙 64 GB/T5785-2000 六角头螺栓-细牙-A级和B级 65 GB/T6170-2000 I级六角螺母-A级和B级
展开阅读全文

开通  VIP会员、SVIP会员  优惠大
下载10份以上建议开通VIP会员
下载20份以上建议开通SVIP会员


开通VIP      成为共赢上传

当前位置:首页 > 应用文书 > 其他

移动网页_全站_页脚广告1

关于我们      便捷服务       自信AI       AI导航        抽奖活动

©2010-2025 宁波自信网络信息技术有限公司  版权所有

客服电话:0574-28810668  投诉电话:18658249818

gongan.png浙公网安备33021202000488号   

icp.png浙ICP备2021020529号-1  |  浙B2-20240490  

关注我们 :微信公众号    抖音    微博    LOFTER 

客服