收藏 分销(赏)

汽车冲压工艺工程师岗位分析表.docx

上传人:可**** 文档编号:814643 上传时间:2024-03-25 格式:DOCX 页数:4 大小:26.67KB 下载积分:11 金币
下载 相关 举报
汽车冲压工艺工程师岗位分析表.docx_第1页
第1页 / 共4页
汽车冲压工艺工程师岗位分析表.docx_第2页
第2页 / 共4页


点击查看更多>>
资源描述
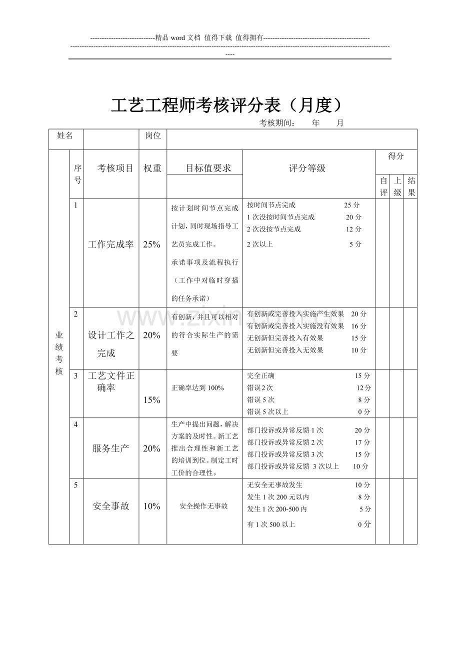
----------------------------精品word文档 值得下载 值得拥有---------------------------------------------- ---------------------------------------------------------------------------------------------------------------------------------------------- 工艺工程师工作分析表 从事岗位名称 工艺工程师 有无兼职 无 上级岗位名称 工艺股长 部门名称 技术质量部 下级岗位 任职资格要求 年龄:25-40岁 性别:男 学历:本科以上学历,机械相关专业 知识要求:熟悉冲压工艺编制流程及相关工艺过程,具有一定的设计能力 能力要求:较强的执行能力、沟通能力 重要性 具体工作 占用时间 1 冲压工艺及其相关的标准文件的编制 50% 2 负责及时处理生产过程中工艺异常问题,每月对现场工艺流程的优化及工艺改进方案进行相关提报 15% 3 负责跟踪新工艺的改进,及时提交验证结果的相关数据 10% 4 对一些相关项目进行设计; 10% 5 服从上级领导工作安排,按时完成工作计划,做好与其他部门的配合工作 10% 6 部门工作现场5S 5% 工艺工程师考核评分表(月度) 考核期间: 年 月 姓名 岗位 业绩考核 序号 考核项目 权重 目标值要求 评分等级 得分 自评 上级 结果 1 工作完成率 25% 按计划时间节点完成计划,同时现场指导工艺员完成工作。 承诺事项及流程执行(工作中对临时穿插的任务承诺) 按时间节点完成 25分 1次没按时间节点完成 20分 2次没按节点完成 12分 2次以上 5分 2 设计工作之完成 20% 有创新,并且可以相对的符合实际生产的需要 有创新或完善投入实施产生效果 20分 有创新或完善投入实施没有效果 16分 无创新但完善投入有效果 15分 无创新但完善投入无效果 10分 3 工艺文件正确率 15% 正确率达到100% 完全正确 15分 错误2次 12分 错误5次 8分 错误5次以上 0分 4 服务生产 20% 生产中提出问题,解决方案的及时性。新工艺推出合理性和新工艺的培训到位。制定工时工价的合理性。 部门投诉或异常反馈1次 20分 部门投诉或异常反馈2次 17分 部门投诉或异常反馈3次 15分 部门投诉或异常反馈 3次以上 10分 5 安全事故 10% 安全操作无事故 无安全无事故发生 10分 发生1次200元以内 8分 发生1次200-500内 5分 有1次500以上 0分 6 现场管理 10% 部门工作现场5S开展和引导,并且实时监督,现场清洁整齐与参考值相符 现场管理到位与参考值相符 10分 检查与参考值偏差3次 8分 检查与参考值偏差5次 4分 检查与参考值偏差5次以上 0分 加权 合计 总分 考核人: 年 月 日 工艺工程师考核数据来源 序号 考核项目 依据 目标值 实际值 数据来源部门/人 记录时间 考核汇总表完成时间 备注 1 工作完成率 工作计划管控表表 0次 主管 即时 每月25日上午10:00前 流程制度检查记录表 企管部 次日上午10:00前 会议记录 工作确认人 即时 2 工艺和工装夹具的优化 有创新,通过不断完善工艺工装工具来提高生产线效率及操作安全,保证总体优化每月成本下降工艺提升节约成本等等 5000 元 生产部财资部 每月 每月25日上午10:00前 3 各部门投诉 部门异常反馈表 1次 各部门 次日上午10:00前 每月25日上午10:00前 4 工艺文件和图纸正确率 主管审核记录 0次 主管 每月 每月25日上午10:00前 5 安全事故 安全操作无事故 0次 财资部 每月 每月25日上午10:00前 6 现场管理 不定期抽查 1次 企管部 每月 每月25日上午10:00前
展开阅读全文

开通  VIP会员、SVIP会员  优惠大
下载10份以上建议开通VIP会员
下载20份以上建议开通SVIP会员


开通VIP      成为共赢上传

当前位置:首页 > 品牌综合 > 技术交底/工艺/施工标准

移动网页_全站_页脚广告1

关于我们      便捷服务       自信AI       AI导航        抽奖活动

©2010-2026 宁波自信网络信息技术有限公司  版权所有

客服电话:0574-28810668  投诉电话:18658249818

gongan.png浙公网安备33021202000488号   

icp.png浙ICP备2021020529号-1  |  浙B2-20240490  

关注我们 :微信公众号    抖音    微博    LOFTER 

客服