收藏 分销(赏)

4万吨天城市污水处理厂工艺初步设计.docx

上传人:可**** 文档编号:814466 上传时间:2024-03-25 格式:DOCX 页数:48 大小:883KB 下载积分:11 金币
下载 相关 举报
4万吨天城市污水处理厂工艺初步设计.docx_第1页
第1页 / 共48页
4万吨天城市污水处理厂工艺初步设计.docx_第2页
第2页 / 共48页


点击查看更多>>
资源描述
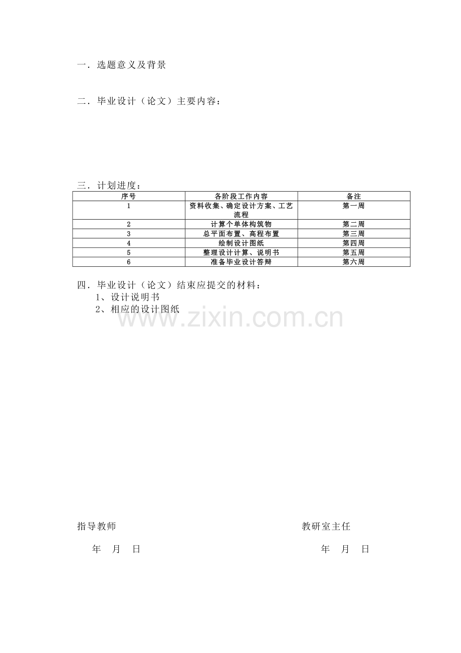
4万吨/天城市污水处理厂工艺初步设计 班级 环境工程技术101 毕业设计(论文)任务书 课题名称 4万吨/天城市污水处理厂工艺初步设计 一.选题意义及背景 二.毕业设计(论文)主要内容: 三.计划进度: 序号 各阶段工作内容 备注 1 资料收集、确定设计方案、工艺流程 第一周 2 计算个单体构筑物 第二周 3 总平面布置、高程布置 第三周 4 绘制设计图纸 第四周 5 整理设计计算、说明书 第五周 6 准备毕业设计答辩 第六周 四.毕业设计(论文)结束应提交的材料: 1、设计说明书 2、相应的设计图纸 指导教师 教研室主任 年 月 日 年 月 日 论文真实性承诺及指导教师声明 学生论文真实性承诺 本人郑重声明:所提交的作品是本人在指导教师的指导下,独立进行研究工作所取得的成果,内容真实可靠,不存在抄袭、造假等学术不端行为。除文中已经注明引用的内容外,本论文不含其他个人或集体已经发表或撰写过的研究成果。对本文的研究做出重要贡献的个人和集体,均已在文中以明确方式标明。如被发现论文中存在抄袭、造假等学术不端行为,本人愿承担本声明的法律责任和一切后果。 毕业生签名: 日 期: 指导教师关于学生论文真实性审核的声明 本人郑重声明:已经对学生论文所涉及的内容进行严格审核,确定其内容均由学生在本人指导下取得,对他人论文及成果的引用已经明确注明,不存在抄袭等学术不端行为。 指导教师签名: 日 期: 摘 要 本次毕业设计的题目为某城市污水处理厂工艺的设计-A2/O工艺。主要任务是完成该污水处理厂的平面布置、各个构筑物的初步设计和一些处理构筑物施工图的设计。 初步设计要完成设计说明书一份、污水处理厂平面布置图一张、污水处理厂工艺流程图一张以及主要构筑物设计图三张;在主要构筑物设计图的设计中,主要是完成生物池、二沉池和接触消毒池的设计。 该污水处理厂工程,规模为12万吨/日。进水水质见下表1: 污水进水水质 单位:mg/L 项目 CODcr BOD5 NH4+-N SS TN0 TP0 含量 270 135 30 135 30 3 表1 本次设计所选择的A2/O工艺,具有良好的脱氮除磷功能。该污水厂的污水处理流程为:污水从粗格栅到污水提升泵房,再从泵房到细格栅,然后到旋流沉砂池,再进入生物池(即A2/O反应池),再从生物池进入二沉池,污水再经过接触消毒池后排入自然水体;污泥处理流程为:旋流沉砂池产生的垃圾直接外运处置,二沉池产生的剩余污泥则运入贮泥池,二沉池的回流污泥则通道管道、污泥回流泵房再次进入A2/O反应池,经过贮泥、加药处理后的污泥,进入污泥浓缩脱水车间,最后外运处理。污水处理厂处理后的出水水质要达到《城镇污水处理厂污染物排放标准》(GB 18918—2002)中的一级b标准。该标准的具体数据如下表2所示: 项目 CODcr BOD5 NH4+-N SS TN0 TP0 含量 60 20 15 20 15 1 表2 关 键 词:A2/O工艺,脱氮除磷,污水处理,污泥 Abstract mainly is the Project CODcr BOD5 NH4+-N SS TN0 TP0 Content 270 135 30 135 30 3 The s T sewage are produced is first order and Project CODcr BOD5 NH4+-N SS TN0 TP0 Content 60 20 15 20 15 1 S 目录 摘 要 5 Abstract 6 第一章 工程类型 3 1.1设计原则 3 1.1.1 城市污水的概论 3 1.1.2 气象资料 4 1.1.3污水排水接纳河流资料: 4 1.2设计任务与要求 4 1.2.1工程规模 4 1.2.2水质 4 第二章 污水处理方案的选择 5 2.1处理工程厂址位置 5 2.1.1厂址选择原则 5 2.1.2城市背景 5 2.1.3污水厂选址 6 2.2污水处理工艺选择与设计方案 6 2.2.1.工艺流程的选择 6 第三章 污水处理构筑物设计计算 7 3.1格栅 7 3.1.1格栅设计说明 7 3.1.2粗格栅设计计算 8 3.1.3提升泵房 11 3.1.4细格栅设计计算 12 3.2沉砂池计算 14 3.2.1沉砂池设计原则 14 3.2.2旋流沉砂池的设计要求 14 3.2.3旋流沉砂池的设计计算 14 3.3初次沉淀池 16 3.3.1平流式沉淀池的设计 16 3.3.2平流式沉淀池的计算图 17 3.3.3平流式沉淀池的计算 17 3.4 A2/O工艺 20 3.4.1设计参数 20 3.4.2设计计算,采用A2/O生物除磷工艺 20 3.5 二次沉淀池 25 3.5.1 设计原则 25 3.5.2 设计参数 25 3.5.3 设计计算 26 3.6 消毒池和加氯间 29 3.6.1 消毒方法的选择 29 3.6.2 设计参数 29 3.6.3 主体设计 30 3.6.4 排泥设施 30 3.6.5 进水部分设计 30 3.6.6 出水部分设计 31 3.6.7 加氯间设计计算 31 3.7 污泥处理构造物的计算 31 3.7.1 尺寸设计 32 3.7.2 水头损失计算 32 3.8 污泥处理构造物的计算 33 3.8.1 回流污泥泵房 33 3.8.2 回流污泥泵设计选型 33 3.8.3 剩余污泥泵房 34 3.8.4 集泥池 34 3.8.5 泵位及安装 35 3.8.6 浓缩池尺寸 35 3.8.7 贮泥池 35 3.8.8 脱水间 36 3.8.9 脱水泵房设计 36 第四章 污水处理厂的平面布置 37 4.1污水处理工程设施组成 37 4.1.1平面布置 37 4.1.2场区绿化布置 37 第五章 构建筑物和设备一览表 37 第六章 污水处理厂高程的计算 39 6.1 高程布置原则如下 39 6.2 高程计算 39 6.2.1污水处理构筑物高程计算 39 6.2.2管渠水头损失 40 参考文献 42 附 录 43 致 谢 44 第一章 工程类型 1.1设计原则 进行城市污水处理工程设计中,应从水污染综合防治的总体角度上进行考虑。要符合处理后污水的排放标准的要求及经济与现实的条件,污水处理厂采用的各项设计参数必须可靠。 1.1.1 城市污水的概论 城市污水主要包括生活污水和工业污水,由城市排水管网汇集并输送到污水处理厂进行处理。 城市污水处理工艺一般根据城市污水的利用或排放去向并考虑水体的自然净化能力,确定污水的处理程度及相应的处理工艺。处理后的污水,无论由于工业、或是回灌补充地下水,都必须符合国家颁发的有关水质标准。 现代污水处理技术,按处理程度划分,可分为一级、二级和三级处理工艺。污水一级处理应用物理方法,如筛滤、沉淀等去除污水中不溶解的悬浮固体和漂浮物质。污水二级处理主要是应用生物处理方法,即通过微生物的代谢作用进行物质转化的过程,将污水中的各种复杂的有机物氧化降解为简单的物质。生物处理对污水水质、水温、水中的溶氧量、pH值等有一定的要求。污水三级处理是在一、二级处理的基础上,应用混凝、过滤、离子交换、反渗透等物理、化学方法去除污水中难溶解的有机物、磷、氮等营养性物质。污水中的污染物组成非常复杂,常常需要以上几种方法组合,才能达到处理要求。   污水一级处理为预处理,二级处理为主体,处理后的污水一般能达到排放标准。三级处理为深度处理,出水水质较好,甚至能达到饮用水质标准,但处理费用高,除在一些极度缺水的国家和地区外,应用较少。目前我国许多城市正在筹建和扩建污水二级处理厂,以解决日益严重的水污染问题。 1.1.2 气象资料 该市地处内陆中纬度地带,属暖温带大陆性季风气候。年平均气温9~13.2℃,最热月平均气温21.2~26.5℃,最冷月−5.0~−0.9℃。极端最高气温42℃,极端最低气温−24.9℃。年日照时数2045 小时。多年平均降雨量毫米,集中于7、8、9 月,占总量的50~60%,受季风环流影响,冬季多北风和西北风,夏季多南风或东南577风,市区全年主导风向为东北风,频率为18%,年平均风速2.55 米/秒。 1.1.3污水排水接纳河流资料: 该污水厂的出水直接排入厂区外部的河流,其最高洪水位(50 年一遇)为380.0m,常水位为378.0m,枯水位为375.0m。 1.2设计任务与要求 1.2.1工程规模 设计日平均污水流量Q=40000m3/d 1.2.2水质 [1]进水水质: CODCr =250mg/L,BOD5 =150mg/L,SS = 300mg/L,NH3-N = 30mg/L TP=4mg/ [2]出水水质标准: 污水厂出水水质要求达到《城镇污水处理厂污染物排放标准》中的一级A标准。 [3]污水处理厂水污染物排放基本控制项目(出水水质一级A标准)见表5。 序号 基本控制项目 一级A标准 1 化学需氧量(COD) 50 2 生化需氧量(BOD) 10 3 悬浮物(SS) 10 4 动植物油 1 5 石油类 1 6 阴离子表面活性剂 0.5 7 总氮(以N计) 15 8 氨氮(以N计)① 5(8) 9 总磷 (以P计) 2005年12月31日前建设的 1 2006年1月1日起建设的 0.5 10 色度(稀释倍数) 30 11 pH 6——9 12 粪大肠菌群数(个/L) 10 表5基本控制项目最高允许排放浓度(日均值) 括号外数值为水温>12℃时的控制指标,括号内数值为水温≤12℃时的控制指标。 第二章 污水处理方案的选择 2.1处理工程厂址位置 2.1.1厂址选择原则 污水处理厂厂址的选定是重要的环节,它与城市的总体规则,城市排水系流的走向、位置、处理后污水出路密切相关。 1. 选择时,应遵循如下原则: 2. 与选定的工艺相适应; 3. 少占农田和不占良田; 4. 位于给水水源的下游,靠近受纳水体。 5. 位于城市下游和夏季主导风向的下风向, 距离小于300米,但不宜太远。 6. 考虑不受洪水威胁; 7. 设在地质条件较好的地方。 8. 充分利用地形(适宜坡度) 9. 考虑远期发展,有扩建余地。 污水处理厂占地面积,一般按处理水量和所采用处理工艺确定。 2.1.2城市背景 全市财政收入达到22.5亿元,成为苏北为数不多的亿元镇。徐州市产业结构以煤化工、精细化工和板材加工为主。为此,徐州市经济开发区化工集聚区的产业定位就是要充分利用周边的煤炭资源和区位、交通优势,大力发展煤化工,以一体化和深度延伸扩张的模式构筑起配套完整、资源利用率和附加值都高的煤化工产业。以煤造气为基础,形成为板材加工配套、醋酸深加工、有机硅及其下游加工和硝酸、二甲醚等四大甲醇深加工产品系列;以焦炭为基础,形成焦油苯深加工和煤焦油深加工产品系列;依托当地发达的木材加工、家具业以及建筑业,发展配套精细化工产品。 通过甲醇深加工(又包含板材加工配套产品、醋酸深加工、有机硅系列产品和其它甲醇深加工产品四个系列)、焦油苯深加工、煤焦油加工和精细化工这四大化工体系的建设,某化工产业的实力将得到极大地增强,某将会就此成为江苏省沿东陇海线化工产业带中不可或缺的重要的组成部分和华东地区又一个新兴的煤化工基地。 化工集聚区产业定位为接收市区及各乡镇化工企业搬迁升级,并适度发展煤化工企业,延长产业链。 近期(2006-2010年):利用徐州市化工行业现有基础,以市区及各乡镇化工企业搬迁和升级为主,以提高产业整体竞争力为目标。 中远期(2011-2015年):依托集聚区现有企业,适度发展具有比较优势的煤化工,深度延伸产业链,形成醋酸系列和甲醇系列,发展煤化工循环经济。 2.1.3污水厂选址 污水厂选址区域海拔标高在19-21m左右,平均地面标高为20m。平均地面坡度为0.3‰~0.5‰ ,地势为西北高,东南低。厂区征地面积为东西长224m,南北长276m 2.2污水处理工艺选择与设计方案 2.2.1.工艺流程的选择 污水处理工艺流程是指对污水处理所采用的一系列处理单元的组合形式。该城市污水处理工艺流程应由完整的二级处理系统和活性污泥处理系统所组成。 1. 进水水质分析: 比值: 污水比值是判定污水可生化性的常用方法。一般地当: >0.45,可生化性较好 >0.3,可生化 <0.3,较难生化 <0.25,不易生化 本项目污水处理的特点为: ① 污水以有机污染为主,BOD/COD =0.75,可生化性较好,重金属及其他难以生物降解的有毒有害污染物一般不超标; ② 污水中主要污染物指标BOD、COD、SS值为典型城市污水值。 针对以上特点,以及出水要求,现有城市污水处理技术的特点,以采用生化处理最为经济。由于将来可能要求出水回用,处理工艺尚应硝化,考虑到NH3-N出水浓度排放要求较低,不必完全脱氮。根据国内外已运行的中、小型污水处理厂的调查,要达到确定的治理目标,可采用“A2/O活性污泥法”。 2. 工艺流程 粗格栅 提升泵房 沉砂池 砂水分离 初沉池 细格栅 二沉池 接触池 回流污泥 混合污泥泵房 砂 污水处理流程图 A2/O池 出水 进水 图1 污泥外运 脱水机房 污泥浓缩池 污泥 污泥处理流程图 图2 第三章 污水处理构筑物设计计算 3.1格栅 3.1.1格栅设计说明 在城市污水处理系统中,格栅通常由一组或多组平行金属棒(条)制成的框架组成,倾斜或直立 地设立在进水渠道中,或在泵站的集水池入口处,拦截粗大的悬浮物,以保护水泵、阀们、管道和其他附件,使其不受破布或较大物体的堵塞和损伤。 格栅分为平面格栅和曲面格栅两种形式,按栅条间隙,可将其分为粗格栅(50~100mm),中格栅(16~40mm),细格栅(3~10mm)三种。第一道设置为粗格栅,第二道设置为细格栅。 3.1.2粗格栅设计计算 1. 设计流量的计算 平均流量: 总变化系数: 所以,设计流量 2. 粗格栅 格栅是由一组平行的金属栅条或筛网制成,安装在污水渠道上、泵房集水井的进口处或污水处理厂的端部,用以截留较大的悬浮物或漂浮物。一般情况下,分粗细两道格栅。采用矩形断面粗格栅,设计为两组并列格栅,即N=2格,每组格栅的设计流量为0.269/2=0.1315 m/s. 栅条间隙取20,过栅流速V=0.9。格栅型号:链条式机械格栅 设计参数: 栅条宽度s=0.01m 栅条间隙宽度d=0.04m 过栅流速V2=0.9m/s 栅前渠道流速V1=0.55m/s 格栅倾角α=60° 栅条净间隙b=25mm=0.025m 栅前渠道超高h2=0.3m 图3 (1)栅前水深: 根据最优水力断面公式计算,得, 取过栅流速V=0.9 即:栅前槽宽为0.50m,栅前水深 (2)格栅的间隙数 式中: ——格栅栅条间隙数(个) ——格栅倾角(),取60 ——栅前水深() ——过栅流速 ——设计流量() ——栅条间隙(),取20 (3)格栅栅槽宽度 式中: ——格栅栅槽宽度() ——每根格栅栅条宽度(),取0.01 (4)进水渠道渐宽部分的长度计算 式中: ——进水渐宽部分长度 ——渐宽处角度(),取20 (5)进水渠道渐窄部分长度 (6)通过格栅的水头损失 式中: ——矩形断面时,取2.42 ——设计水头损失, ——计算水头损失, ——重力加速度,取9.81 ——系数,格栅受污堵塞时水头损失增大倍数,一般采用3 ——阻力系数,其值与格栅条断面形状有关 (7)栅后槽总高度 式中:——格栅后渠道水深, ——栅前渠道超高,一般采用0.3 (8)栅前槽总高度 (9)栅槽总长度 式中---进水渠道渐宽部分的长度m ---栅槽与出水渠道连接处渐宽部分长度m ---栅前渠道深m, ---进水渠道渐宽部分的展开角度,一般可取20 (10)每日栅渣量 式中:——每日栅渣量, ——单位栅渣量,污水,与栅条间距有关 格栅间隙为16-25mm时, 格栅间隙为30-50mm时, 该设计中 故采用机械除渣(当每日栅渣量>0.2时,为了减轻工人劳动力强度,一般采用机械除渣) 3.1.3提升泵房 (1)水泵选择 设计水量40000m3/d,选择用4台潜污泵(3用1备) 所需扬程为6.0m 选择350QZ-100型轴流式潜水电泵 扬程/m 流量/(m3/h) 转速/(r/min) 轴功率/kw 叶轮直径/mm 效率/% 7.22 1210 1450 29.9 300 79.5 表6 (2)集水池 a) 容积 按一台泵最大流量时6min的出流量设计,则集水池的有效容积 b) 面积 取有效水深,则面积 集水池长度取10m则,宽度,取4.5m 集水池平面尺寸 保护水深1.2m,实际水深为4.2m c) 泵位及安装 潜水电泵直接置于集水池内,电泵检修采用移动吊架。 3.1.4细格栅设计计算 采用矩形断面细格栅,设计为两格,N=2组 (1)格栅间隙数 式中:——格栅栅条间隙数(个) ——格栅倾角(),取60 ——栅前水深() ——设计流量() ——栅条间隙(),取10 (2)格栅栅槽宽度 式中:——格栅栅槽宽度() ——每根格栅栅条宽度(),取0.01 (3)进水渠道渐宽部分的长度计算 式中:——进水渐宽部分长度 ——渐宽处角度(),取20 (4)进水渠道渐窄部分的长度计算 (5)通过格栅的水头损失 式中: ——矩形断面时,取2.42 ——设计水头损失, ——计算水头损失, ——重力加速度,取9.81 ——系数,格栅受污堵塞时水头损失增大倍数,一般采用3 ——阻力系数,其值与格栅条断面形状有关 (6)栅后槽总高度 式中:——格栅后渠道水深, ——栅前渠道超高,一般采用0.3 (7)栅槽总长度 式中---进水渠道渐宽部分的长度m ---栅槽与出水渠道连接处渐宽部分长度m ---栅前渠道深m, ---进水渠道渐宽部分的展开角度,一般可取20 (8)每日栅渣量 该设计中 故采用机械除渣 3.2沉砂池计算 3.2.1沉砂池设计原则 沉砂池的作用是从污水中分离相对密度较大的无机颗粒,在颗粒物质的表面还附着一些粘性有机物,这些黏性有机物是极易腐败的污泥,因此,这些颗粒物质都应在沉砂池中被去除。 沉砂池有三种形式:平流式、曝气式,竖流式,涡流式。本设计采用平流沉砂池。 3.2.2旋流沉砂池的设计要求 本设计选用旋流沉砂池(钟式沉砂池)其原理是利用水力涡流使泥沙和有机物分开,加速砂粒的沉淀,以达到除砂的目的。 旋流沉砂池的设计,应符合下列要求: (1)最高时流量的停留时间不应小于 30s; (2)设计水力表面负荷宜为 150~200/(m2·h); (3)有效水深宜为 1.0~2.0m,池径与池深比宜为 2.0~2.5; (4)池中应设立式桨叶分离机。 (5)污水的沉砂量,可按每立方米污水 0.03L 计算;合流制污水的沉砂 量应根据实际情况确定。 (6)砂斗容积不应大于 2d 的沉砂量,采用重力排砂时,砂斗斗壁与水 平面的倾角不应小于 55°。 (7)沉砂池除砂宜采用机械方法,并经砂水分离后贮存或外运。采用人工排砂时,排砂管直径不应小于 200mm。排砂管应考虑防堵塞措施。 3.2.3旋流沉砂池的设计计算 平均流量 最大流量 设计中设计两座沉砂池,每座沉砂池流量Q=1.51/2=0.755(m3/s) (1)沉砂池的直径 式中:Q----设计流量m3/s q----表面负荷m3/( m2·h),取150 m3/( m2·h) 则 设计中去3.2m (2)沉砂池有效水深 式中:t-------水力停留时间,s 设计中取30s D/h2=2.46,符合条件 (3)沉砂室所需体积 式中:Qd-----平均流量m3/s X------城市污水沉砂量 m3/106 m3污水,一般采用30 m3/106 m3污水 T----清除沉砂的间隔,d, 设计中去T=1d V=1.1573086400/=1.94(m3) (4)沉砂斗容积 式中 :d-----沉砂斗上口直径,m,设计中去 1.4m ---沉砂斗圆柱体的高度,m,设计中取1.2m ----沉砂斗圆台体的高度,m, r------沉砂斗下底直径,一般采用0.4~0.6m,设计中取0.5m -----砂斗斗壁与水面倾角不应小于55°,取60° (5)沉砂室总高 式中:----沉砂池超高,m,一般采用0.3~0.5m,设计中取0.4m ----沉砂池有效水深 ----沉砂池缓冲层高度,m ---沉砂斗圆柱体的高度,m,设计中取1.2m ----沉砂斗圆台体的高度,m, 取0.26m -----砂斗斗壁与水面倾角不应小于55°,取60° (6)进水渠道 进水渠与涡流沉砂池呈切线方向进水,以提供涡流的初速度 渠宽 式中: ----进水渠道宽度,m -----进水流速,一般采用0.6~0.9m/s,设计中取0.7m/s ---进水渠道水深,m,设计中取0.7m 校核 进水渠道长度 (7)出水渠道 出水渠道和进水渠道建在一起,中建设闸板,以便在沉砂池检修时超越沉砂池,两渠道夹角360,最大限度的延长沉砂池内的水力停留时间。 渠宽 直线段长度满足 即可 (8)排砂装置 采用空气提升器排砂,排砂时间每日一次,每次1~2小时,所需空气量为排沙量的15~20倍,排砂经砂水分离器,水排至提升泵站,砂晒干填埋。 3.3初次沉淀池 3.3.1平流式沉淀池的设计 选型:平流式沉淀池 设计原则如下: 池径不宜小于16m 池底坡度一般采用0.05 池子直径(或正方形的一边)与有效水深的比值,宜为6~12 表面负荷1.5~3.0 污泥含水率95%~97% 中心进水,周边出水,共2座,沉淀池表面负荷q取1.5, 3.3.2平流式沉淀池的计算图 图4 3.3.3平流式沉淀池的计算 (1)单池表面面积A 池子直径 (2)沉淀池的有效水深 设污水在沉淀池内的沉淀时间t为2h. 则沉淀池的有效水深 =qt=1.52=3.0m (1.5~3.0) 符合要求 D/=21/3=7(6 ~ 12) 符合规范要求。 (3)实际水面面积 则: 核算表面负荷: (4)沉淀部分有效容积V’ (5)污泥部分所需的容积 式中:——每人每日污泥量,,查《给排水设计手册》5取=0.6;一般范围为(0.3—0.8) ——设计人口数,人,取=人;为SS的设计人口,因为此处主要去除的就是SS ——两次清除污泥相隔时间,,取=4。 则: (6)污泥斗容积 式中: ——污泥斗高度,; ——污泥斗上部半径,,取=2.0; ——污泥斗下部半径,,取=1.0; ——斗壁与水平面倾角,,取=60。 则: (7)污泥斗以上圆锥部分污泥容积 - 式中:——圆锥体高度,; ——池子半径,。 i──坡度,此处取i=0.05 则: (8)沉淀池总高度 式中:——超高,取=0.3; ——缓冲层高度,取=0.3,一般值为0.3—0.5 ──有效水深,为3m ──圆锥体高度,为0.725m ──污泥斗高度,为1.73m 则: (9)沉淀池池边高 则: (10)污泥总容积 (11)校核径深比: (12)集水槽堰负荷校核 符合要求。 3.4 A2/O工艺 3.4.1设计参数 (1)设计最大流量 Q=40000m3/d (2)设计进水水质 COD=250mg/L;BOD5(S0)=150mg/L;SS=200mg/L;NH3-N=30mg/L;TP=4mg/L (3)设计出水水质 COD=60mg/L;BOD5(Se)=20mg/L;SS=20mg/L;NH3-N=15mg/L;TP=0.1mg/L 3.4.2设计计算,采用A2/O生物除磷工艺 (1)BOD5污泥负荷N=0.14kgBOD5/(kgMLSS·d) (2)回流污泥浓度XR=6000mg/L (3)污泥回流比R=100% (4)混合液悬浮固体浓度 (5)反应池容积V (6)反应池总水力停留时间 (7)各段水力停留时间和容积 厌氧:缺氧:好氧=1:1:3 厌氧池水力停留时间,池容; 缺氧池水力停留时间,池容; 好氧池水力停留时间,池容 厌氧段总磷负荷 (8)反应池主要尺寸 反应池总容积 设反应池2组,单组池容 有效水深 单组有效面积 采用5廊道式推流式反应池,廊道宽 单组反应池长度 校核: (满足) (满足) 取超高为1.0m,则反应池总高 (9)反应池进、出水系统计算 ①进水管 单组反应池进水管设计流量 管道流速 管道过水断面面积 管径 取出水管管径DN700mm 校核管道流速 ②回流污泥渠道 单组反应池回流污泥渠道设计流量QR 渠道流速 取回流污泥管管径DN700mm ③进水井 反应池进水孔尺寸: 进水孔过流量 孔口流速 孔口过水断面积 孔口尺寸取直径 进水竖井平面尺寸 ④出水堰及出水竖井 按矩形堰流量公式: 式中 ——堰宽, H—堰上水头高,m 出水孔过流量 孔口流速 孔口过水断面积 孔口尺寸取 进水竖井平面尺寸 ⑤出水管 单组反应池出水管设计流量 管道流速 管道过水断面积 管径 取出水管管径DN1000mm 校核管道流速 (10)曝气系统设计计算 ①设计需氧量AOR。 AOR=(去除BOD5需氧量-剩余污泥中BODu氧当量)+(NH3-N硝化需氧量-剩余污泥中NH3-N的氧当量)-反硝化脱氮产氧量 碳化需氧量D1 硝化需要量D2 反硝化脱氮产生的氧量 总需要量 最大需要量与平均需氧量之比为1.4,则 去除1kgBOD5的需氧量 ②标准需氧量 采用鼓风曝气,微孔曝气器。曝气器敷设于池底,距池底0.2m,淹没深度3.8m,氧转移效率EA=20%,计算温度T=25℃。 相应最大时标准需氧量 好氧反应池平均时供气量 最大时供气量 ③所需空气压力p 式中 ④曝气器数量计算(以单组反应池计算) 按供氧能力计算所需曝气器数量。 ⑤供风管道计算 供风干管道采用环状布置。 流量 流速 管径 取干管管径微DN400mm ⑥单侧供气(向单侧廊道供气)支管 流速 管径 取支管管径为DN200mm 双侧供气 流速 管径 取支管管径DN=300mm (12)厌氧池设备选择(以单组反应池计算) 厌氧池设导流墙,将厌氧池分成3格。每格内设潜水搅拌机1台,所需功率按池容计算。 厌氧池有效容积 混合全池污水所需功率为 (13)污泥回流设备 污泥回流比 污泥回流量 设回流污泥泵房2座,内设3台潜污泵(2用1备) 单泵流量 水泵扬程根据竖向流程确定。 (14)混合液回流设备 ①混合液回流泵 混合液回流比 混合液回流量 设混合液回流泵房2座,每座泵房内设3台潜污泵(2用1备) 单泵流量 ②混合液回流管。 混合液回流管设计 泵房进水管设计流速采用 管道过水断面积 管径 取泵房进水管管径DN800mm 校核管道流速 ③泵房压力出水总管设计流量 设计流速采用 管道过水断面积 管径 取泵房压力出水管管径DN700mm 3.5 二次沉淀池 3.5.1 设计原则 二沉池是活性污泥系统的重要组成部分,它用以澄清混合液,并回收、浓缩活性污泥,其效果的好坏,直接影响出水的水质和回流污泥的浓度,因为沉淀和浓缩的效果不好,出水中就会增加活性污泥悬浮物,从而增加出水的BOD浓度,同时,回流污泥浓度也会降低,从而降低曝气池中混合液浓度,影响净化效果。二沉池除了进行泥水分离外,还需进行污泥浓缩,同时,由于进水的水量、水质的变化,它还需暂时储存污泥。 3.5.2 设计参数 3.5.3 设计计算 (1)池体设计计算 ①二沉池表面面积 二沉池直径 ②池体有效水深 ③混合液浓度 ,回流污泥浓度为 为保证污泥回流浓度,二沉池的存泥时间不宜小于2h, 二沉池污泥区所需存泥容积Vw 采用机械刮吸泥机连续排泥,设泥斗的高度H2为0.5m。 ④二沉池缓冲区高度H3=0.5m,超高为H4=0.3m,沉淀池坡度落差H5=0.63m 二沉池边总高度 ⑤校核径深比 二沉池直径与水深比为(介于612之间),符合要求 (2)进水系统计算 ①进水管计算 单池设计污水流量 进水管设计流量 选取管径DN800mm, 流速 坡降为800i=1.464 ②进水竖井 进水竖井采用D2=1.5m,流速为0.1~0.2m/s 出水口尺寸0.5×1.5m²,共6个,沿井壁均匀分布。 出水口流速 ③稳流筒计算 取筒中流速 稳流筒过流面积 稳流筒直径 ④出水部分设计 单池设计流量 环形集水槽内流量 ⑤环形集水槽设计 采用周边集水槽,单侧集水,每池只有一个总出水口,安全系数k取1.2 集水槽宽度 取 集水槽起点水深为 集水槽终点水深为 设计取环形槽内水深为0.6m,集水槽总高为0.6+0.3(超高)=0.9m,采用90°三角堰。 (3)出水溢流堰的设计 图5 采用出水三角堰(90°),堰上水头(三角口底部至上游水面的高度)H1=0.05m(H2O). 每个三角堰的流量 三角堰个数 三角堰中心距(单侧出水) (4)排泥部分设计 ①单池污泥量 总污泥量为回流污泥量加剩余污泥量 回流污泥量 剩余污泥量 ②集泥槽沿整个池径为两边集泥 其设计泥量为 集泥槽宽 起点泥深 终点泥深 (5)计算草图 图6 3.6 消毒池和加氯间 3.6.1 消毒方法的选择 消毒方法分为两类:物理方法和化学方法。物理方法主要有加热、冷冻、辐照、紫外线和微波消毒等方法。化学方法是利用各种化学药剂进行消毒,常用的化学消毒剂有氯及其化合物、各种卤素、臭氧、重金属离子等。 3.6.2 设计参数 设计流量(设2座)= 接触时间t=30min 设计投氯间 表7常用消毒剂比较 消毒剂名称 优点 缺点 适用条件 液氯 效果可靠、投配简单、投量准确,价格便宜。 氯化形成的余氯及某些含氯化合物低浓度时对水生物有毒害。当污水含工业污水比例大时,氯化可能生成致癌化合物 。 适用于,中规模的污水处理厂。 漂白粉 投加设备简单,价格便宜。 同液氯缺点外,沿尚有投量不准确,溶解调制不便,劳动强度大。 适用于出水水质较好,排入水体卫生条件要求高的污水处理厂。 臭氧 消毒效率高,并能有效地降解污水中残留的有机物,色味,等。 污水中PH,温度对消毒效果影响小,不产生难处理的或生物积累性残余物。 投资大成本高,设备管理复杂。 适用于出水水质较好,排入水体卫生条件要求高的污水处理厂。 次氯 酸钠 用海水或一定浓度的盐水,由处理厂就地自制电解产生,消毒。 需要特制氯片及专用的消毒器,消毒
展开阅读全文

开通  VIP会员、SVIP会员  优惠大
下载10份以上建议开通VIP会员
下载20份以上建议开通SVIP会员


开通VIP      成为共赢上传

当前位置:首页 > 品牌综合 > 技术交底/工艺/施工标准

移动网页_全站_页脚广告1

关于我们      便捷服务       自信AI       AI导航        抽奖活动

©2010-2026 宁波自信网络信息技术有限公司  版权所有

客服电话:0574-28810668  投诉电话:18658249818

gongan.png浙公网安备33021202000488号   

icp.png浙ICP备2021020529号-1  |  浙B2-20240490  

关注我们 :微信公众号    抖音    微博    LOFTER 

客服