收藏 分销(赏)

水泥稳定碎石底基层试验段施工方案.docx

上传人:可**** 文档编号:813646 上传时间:2024-03-25 格式:DOCX 页数:13 大小:63.30KB 下载积分:11 金币
下载 相关 举报
水泥稳定碎石底基层试验段施工方案.docx_第1页
第1页 / 共13页
水泥稳定碎石底基层试验段施工方案.docx_第2页
第2页 / 共13页


点击查看更多>>
资源描述
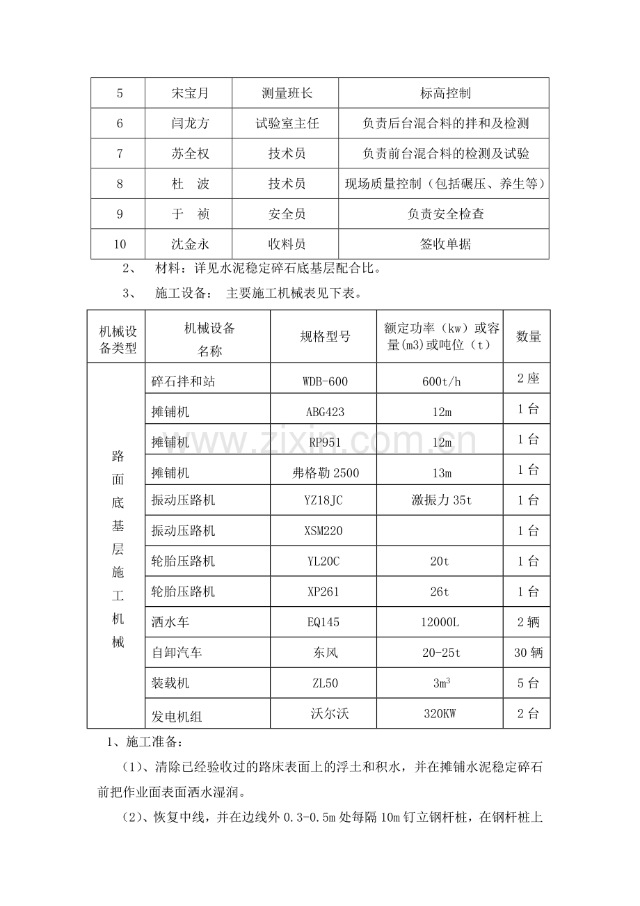
同沿高速公路B5合同 水泥稳定碎石底基层试验段施工方案 1、《公路工程质量检验评定标准》JTG F80/1-2004 2、《公路路面基层施工技术规范》JTG F034/-2000 3、《水泥稳定碎石基层施工指导意见》 4、西部大通道银川~武汉公路(宁夏境)同心至沿川子高速公路B5合同段 施工图纸设计。 同心至固原高速公路全长117.5Km,是西部大通道银川~武汉公路(宁夏境)同心至沿川子高速公路的重要组成部分,同时也是宁夏回族自治区规划的”三纵六横”干线公路网的重要组成部分,路基宽度26m,双向四车道高速公路标准。 本标段为B5合同段,桩号为K144+400~K171+000段,全长26.6 公里。主线底基层为厚30㎝水泥稳定碎石,匝道厚28cm,分两层进行摊铺。 1、 时间:计划2007年7月21日进行水泥稳定碎石底基层试验段的施工。 2、 段落:K16K169+850左幅 3、目的:为了能够更好的指导水泥稳定碎石底基层的大面积施工,需要通过试验段的施工确定以下主要内容: ⑴、验证用于施工的集料配合比; ⑵、确定松铺系数; ⑶、检验机械性能并确定合理的机械组合。 1、人员: 为了保证现场科学管理,保质量促进度,根据工程需要人员配备如下: 施工主要人员一览表 序号 姓名 职务 职责 1 吕明智 项目经理 全面协调 2 杨学义 项目总工 质量控制 3 田月新 机械部长 负责前台的指挥与协调 4 郑海全 材料部长 负责后台的指挥与协调 5 宋宝月 测量班长 标高控制 6 闫龙方 试验室主任 负责后台混合料的拌和及检测 7 苏全权 技术员 负责前台混合料的检测及试验 8 杜 波 技术员 现场质量控制(包括碾压、养生等) 9 于 祯 安全员 负责安全检查 10 沈金永 收料员 签收单据 2、 材料:详见水泥稳定碎石底基层配合比。 3、 施工设备: 主要施工机械表见下表。 机械设备类型 机械设备 名称 规格型号 额定功率(kw)或容量(m3)或吨位(t) 数量 路 面 底 基 层 施 工 机 械 碎石拌和站 WDB-600 600t/h 2座 摊铺机 ABG423 12m 1台 摊铺机 RP951 12m 1台 摊铺机 弗格勒2500 13m 1台 振动压路机 YZ18JC 激振力35t 1台 振动压路机 XSM220 1台 轮胎压路机 YL20C 20t 1台 轮胎压路机 XP261 26t 1台 洒水车 EQ145 12000L 2辆 自卸汽车 东风 20-25t 30辆 装载机 ZL50 3m3 5台 发电机组 沃尔沃 320KW 2台 1、 施工准备: (1)、清除已经验收过的路床表面上的浮土和积水,并在摊铺水泥稳定碎石前把作业面表面洒水湿润。 (2)、恢复中线,并在边线外0.3-0.5m处每隔10m钉立钢杆桩,在钢杆桩上架设直径为4mm的钢丝作为摊铺机的高程控制线。 (3)、为保证底基层宽度,同时达到节约材料的目的,支槽钢的(4)、定出松铺系数控制点见(附表1),并测出其高程H1。 (5)、料场已由业主备料近10万吨,并经检测合格,可用于底基层施工。 (6)、两台水稳拌和站都经过了计量标定,且均已进行试机,运转情况良好。 (7)、根据室内配合比,对拌和站进行调试,直到所拌混合料符合级配要求为止,然后进行掺水泥后的试拌,检验水泥剂量与含水量的控制情况,直到符合规范要求。 2、 混合料的拌和及运输: (1)、拌和: 把符合要求的集料和水泥分别装入下料设备中(水泥与集料按重量比例掺配,并以重量比加水,对加水时间和加水量进行记录),对材料的用量进行调试,直到符合要求,含水量根据气温状况和运输距离予以适当提高,以补偿水分损失。 a、每天开始搅拌前,检查场内各种集料的含水量,计算当天的配合比,外加水与天然含水量的总和要比最佳含水量略高。 b、每天开始搅拌之后,出料时要取样检查是否符合设计的配合比,进行正式生产之后,每1~2小时检查一次拌和情况,抽检其配比、含水量是否变化。早晚与中午的含水量要有区别,要按温度变化及时调整。 c、拌和机出料由漏斗出料直接装车运输,装车时车辆前后移动,分三次装料,避免混合料离析。 (2)、运输: a、运输车辆在每天开工前,要检验其完好情况,装料前应将车厢清洗干净。运输车辆数量要满足拌和出料与摊铺需要。 b、经检验合格的混合料用自卸汽车运输至工地,加盖帆布以防水分蒸发,同时装载高度均匀一致以防止离析。 c、在每辆车的发料单上,应注明出场时间,以备运输车在途中出现故障时,能及时对其所运的混合料做出正确评价。 d、在车辆倒车准备摊铺时,必须服从指挥,避免撞击摊铺机,以保证混合料摊铺的平整度。 (3)、混合料的摊铺: a、摊铺前检查摊铺机各部分运转情况,调整好传感器臂与导向控制线的关系,试铺时松铺系数暂时以1.3进行控制。 b、施工时摊铺机两侧架设钢丝绳,摊铺时采用一台ABG423摊铺机和一台RP951半幅一次进行摊铺,两台摊铺机的前后距离保持在10米左右,混合料均匀地摊铺在要求的上。摊铺混合料的含水量宜高于最佳含水量0.5~1%,以补偿摊铺和碾压过程中水分的损失。 c、摊铺机的螺旋面料器应有三分之二埋入混合料中。 d、在摊铺机后面设专人消除细集料离析现象,特别铲除局部粗集料“窝”,并用新拌混合料填补。 e、在碾压之前,用水准仪测出松铺系数控制点位置处的高程H2。 (4)、混合料的碾压: 第一种: ①、一台XSM220振动压路机静压1遍,速度1.5-1.7km/h. ②、一台XSM220弱振碾压1遍,速度1.5-1.7km/h。 ③、一台YZ18JC振动压路机开强振碾压2-3遍,速度1.8-2.3km/h,直至压实度达到96%。 ④、一台XP261胶轮压路机碾压2遍。 第二种: ①、一台YZ18JC振动压路机静压1遍,速度1.5-1.7km/h. ②、一台YZ18JC弱振碾压1遍,速度1.5-1.7km/h。 ③、一台XSM220振动压路机开强振碾压2-3遍,速度1.8-2.3km/h,直至压实度达到96%。 ④、一台XP261胶轮压路机碾压2遍。 b、稳压要充分,振压不起浪花、不推移。压实时,先稳定(遍数适中,压实度达到90%),然后开始轻振动碾压,再强振动碾压,最后胶轮收面,压至无轮迹为止。碾压完成后用灌砂法检测压实度。 c、压路机碾压时轮迹应重叠50㎝,在直线和不设超高的平曲线路段内,由两侧路肩开始向路中心碾压.。 d、压路机倒车换挡要轻且平顺,不要拉动底基层,在第一遍静压时,倒车后尽量原路返回,换挡位置应在已压好的段落上,在未碾压的一头换挡倒车位置错开,形成齿状(见图一),出现个别拥包时,配工人进行铲平处理。当进行下一段的碾压时,应先消除已压实部分与未碾压段落的齿状接头部分(见图二)。 e、碾压要在水泥初凝前及试验确定的延迟时间内完成,并达到要求的压实度,同时没有明显的轮迹。为保证底基层边缘强度,两侧应多压2~3遍。 f、碾压结束后,试验人员立即用灌砂法检测压实度是否合格,同时,测量人员用水准仪测出松铺控制点位置处的高程H3,并计算出松铺系数: 松铺系数=(H2-H1)/(H3-H1) 路基中线 碾压顺序 路基边线 (图一) 路基中线 已经压实 尚未碾压 路基边线 压路机轨迹 (图二) (5)、接缝处理: 结束摊铺时应设横向接缝。在摊铺混合料的末端,用挂线方法将剩余混合料人工找平,经压实后,将已碾压密实且高程符合要求的末端挖成一横向(与路中心垂直)垂直向下的断面。 横缝应与路面车道中心线垂直设置,其设置方法: a、人工将含水量合适的混合料末端整理整齐,紧靠混合料放两根方木,方木的高度与混合料的压实厚度相同,整平紧靠方木的混合料。 b、方木的另一侧用砂砾或碎石回填约3米长,其高度略高出方木。将混合料碾压密实。 c、在重新开始摊铺混合料之前,将砂砾或方木撤除,并将作业面顶面清扫干净。 d、摊铺机返回到已压实层的末端,重新开始摊铺混合料。 (6)、养生: a、碾压成型后立即采用土工布覆盖在碾压完成的底基层顶面,覆盖2小时后,再用洒水车洒水,在7天内要保持底基层处于湿润状态,28天内正常养护。 b、养生期不少于7天,养生期内封闭交通,禁止车辆在上行驶,。 (7)、施工注意事项: a、严密组织施工,尽量缩短从加水拌和到碾压终了时间,此时间不应超过2-3小时,并应短于水泥的终凝时间。 b、严禁用薄层贴补的办法进行找平,每层的最小压实厚度为10cm。 c、应避免纵向工作缝,减少横向工作缝。工作接缝应采用与路表面垂直的平接缝,严禁采用斜接缝。 项次 检查项目 规定值或允许偏差 检查方法和频率 1 压实度(%) 97 灌砂法:每200米每车道4处 2 平整度(㎜) 12 3米直尺:每200米测2处×10尺 3 纵断高程(㎜) +5,-15 水准仪:每20米测1个断面 4 宽度(㎜) 不小于设计 尺量:每40米1处 5 厚度(㎜) -10 每处3点,路中及边缘任选挖坑丈量 6 横坡(%) ±0.3 水准仪:每100米测3个断面 7 强度(MPa) 2.0 以规定条件养生试件进行评定 见附表2:水泥稳定碎石底基层(厂拌)施工工艺流程图 本项目安全目标确定为“三无一杜绝一创建”,“三无”即:无工伤死亡事故;无交通死亡事故;无火灾、洪灾事故;“一杜绝”即:杜绝重伤事故;“一创建”即:创建文明工地。 1、加强施工安全教育: 针对工程特点,对所有从事管理和生产的人员进行全面的安全教育,未经安全教育的人员不准上岗。通过安全教育,增强职工安全意识,树立“安全第一、预防为主”的思想;掌握基本生产知识和安全操作技能;提高职工遵守施工安全纪律的自觉性,认真执行安全操作规定,做到不违章指挥、不违章操作、不伤害自己、不被他人伤害,达到提高职工整体安全防护意识和自我防护能力。 2、认真执行安全检查制度: 经理部要保证检查制度的落实,要规定检查日期及参加检查的人员,对检查中发现的安全问题按照“三不放过”的原则制定整改措施。 现场文明施工的程度直接关系到企业的形象,为保证工程施工文明有序,拟采取如下措施: 1、料场内砌筑排水沟,形成排水系统,保证料场内不积水。 2、现场文明施工由一名副经理分管。对施工便道定时洒水,保持便道湿润,使产生的灰尘减至最低程度。运输底基层混合料车辆要加盖帆布。 3、工地适当位置处设标牌,示出工程施工现场总平面图,标明工程名称、施工单位、工期、工程主要负责人姓名和监督电话,自觉接受社会监督。 4、现场施工应注意使工作面尽量平整,各种料具堆放整齐,工程完成后应对现场进行清理,做到“工完料尽场地清”。 1、 水泥稳定碎石配合比设计资料 2、 施工放样资料 目 录 一、编制依据: 二、工程简介: 三、试验段施工的时间、段落及目的: 四、资源配备: 五、试验段施工方案: 六、质量检验评定标准: 七、施工工艺流程图: 八、安全生产措施: 九、文明施工措施: 十、附件: 水泥稳定碎石底基层(厂拌)施工工艺流程图 松铺系数测点平面布置图 路基中线 路基边线 2m 3m 3m 3m K169+750 ○ ○ ○ ○ K169+760 ○ ○ ○ ○ K169+770 ○ ○ ○ ○ K169+780 ○ ○ ○ ○ K169+790 ○ ○ ○ ○ K169+800 ○ ○ ○ ○ K169+810 ○ ○ ○ ○ K169+820 ○ ○ ○ ○ K169+820 ○ ○ ○ ○ K169+840 ○ ○ ○ ○ 附件1: 水泥稳定碎石底基层配合比资料 附件2:
展开阅读全文

开通  VIP会员、SVIP会员  优惠大
下载10份以上建议开通VIP会员
下载20份以上建议开通SVIP会员


开通VIP      成为共赢上传

当前位置:首页 > 品牌综合 > 施工方案/组织设计

移动网页_全站_页脚广告1

关于我们      便捷服务       自信AI       AI导航        抽奖活动

©2010-2026 宁波自信网络信息技术有限公司  版权所有

客服电话:0574-28810668  投诉电话:18658249818

gongan.png浙公网安备33021202000488号   

icp.png浙ICP备2021020529号-1  |  浙B2-20240490  

关注我们 :微信公众号    抖音    微博    LOFTER 

客服