收藏 分销(赏)

江苏省新沂市第二中学九年级物理上册 13.4 电压和电压表的使用教案3 苏科版.doc

上传人:s4****5z 文档编号:7912029 上传时间:2025-01-26 格式:DOC 页数:3 大小:104KB 下载积分:10 金币
下载 相关 举报
江苏省新沂市第二中学九年级物理上册 13.4 电压和电压表的使用教案3 苏科版.doc_第1页
第1页 / 共3页
江苏省新沂市第二中学九年级物理上册 13.4 电压和电压表的使用教案3 苏科版.doc_第2页
第2页 / 共3页


点击查看更多>>
资源描述
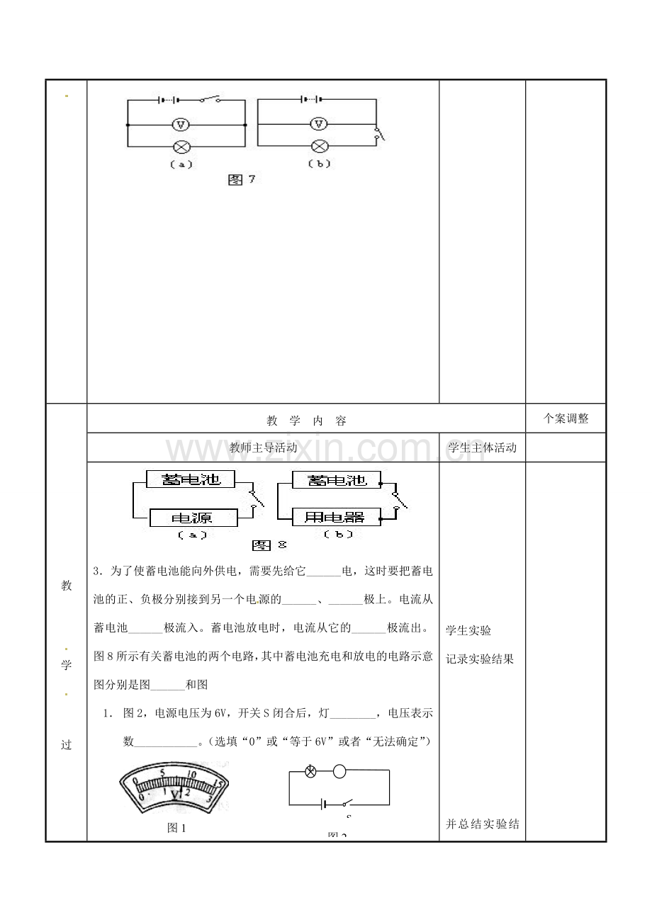
电压和电压表的使用 教学目标 1、通过与水流的类比了解电压的概念 2、知道电压的单位,学会正确使用电压表 3、通过探究知道串联电路和并联电路电压的关系 重点 通过探究知道串联电路和并联电路电压的关系 难点 通过探究知道串联电路和并联电路电压的关系 教法及教具 U形管连通器一个,干电池一节,小灯泡一个,开关一个,导线若干条。 教 学 过 程 教 学 内 容 个案调整 教师主导活动 学生主体活动 教师演示学生观察 串联电路两端的总电压与各部分电路上的电压有何关系? 并联电路两端的总电压与各支路两端的电压有何关系? 师生归纳 1.串联电路两端的总电压等于各部分电路两端的电压之和. 2.并联电路两端的总电压跟各支路两端的电压都相等. 练习检测与拓展延伸 一、 是非题: 1. 电路是有电流,就一定有电压。( ) 2.电路是有电压,就一定有电流。 ( ) 3.用电压表测量电压时,流过它的电流是很大的。 ( ) 二、填充题 1.用图6中所示电压表,可测得蓄电池组b、c两点间的电压是______伏。 2.图7所示电路中,电源是4节干电池串联成的电池组。图(a)中,电键闭合前电压表示数为______伏,闭合后示数为______伏。图(b)中,开关闭合前电压表示数为______伏,闭合后示数为______伏。   教 学 过 程 教 学 内 容 个案调整 教师主导活动 学生主体活动 3. 为了使蓄电池能向外供电,需要先给它______电,这时要把蓄电池的正、负极分别接到另一个电源的______、______极上。电流从蓄电池______极流入。蓄电池放电时,电流从它的______极流出。图8所示有关蓄电池的两个电路,其中蓄电池充电和放电的电路示意图分别是图______和图 V L S 图2 图1 1. 图2,电源电压为6V,开关S闭合后,灯________,电压表示数___________。(选填“0”或“等于6V”或者“无法确定”) 2. 下列关于电源的作用的描述中正确的是 ( ) A.电路中只要有电压,就有电流产生 B.电路中只要有电流,就一定有电压 C.电路中的电流与电压总是同时存在的 D.以上说法均不正确 课后反思与经验总结 学生实验 记录实验结果 并总结实验结论 板书设计 (用案人完成) 13.4电压和电压表的使用 1、电压是形成电流的原因,电源的作用就维持正负极有一定的电压。 2、电压的符号用U表示. 3、电压的单位是:伏特简称伏(V) 当堂作业 课外作业 教学札记
展开阅读全文

开通  VIP会员、SVIP会员  优惠大
下载10份以上建议开通VIP会员
下载20份以上建议开通SVIP会员


开通VIP      成为共赢上传

当前位置:首页 > 教育专区 > 初中物理

移动网页_全站_页脚广告1

关于我们      便捷服务       自信AI       AI导航        抽奖活动

©2010-2026 宁波自信网络信息技术有限公司  版权所有

客服电话:0574-28810668  投诉电话:18658249818

gongan.png浙公网安备33021202000488号   

icp.png浙ICP备2021020529号-1  |  浙B2-20240490  

关注我们 :微信公众号    抖音    微博    LOFTER 

客服