收藏 分销(赏)

李占才光敏电阻7mmCdS规格书.doc

上传人:pc****0 文档编号:7768993 上传时间:2025-01-16 格式:DOC 页数:4 大小:293KB 下载积分:10 金币
下载 相关 举报
李占才光敏电阻7mmCdS规格书.doc_第1页
第1页 / 共4页
李占才光敏电阻7mmCdS规格书.doc_第2页
第2页 / 共4页


点击查看更多>>
资源描述
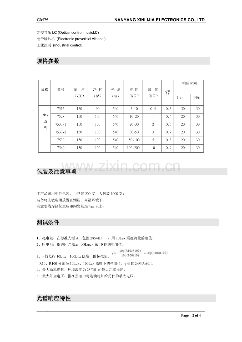
GM75 NANYANG XINLIJIA ELECTRONICS CO.,LTD CdS系列李占才光敏电阻 7MM 光敏电阻是一种半导体材料制成的电阻,其电阻率的大小随着光照度的变化而变化在。电子行业为了达到光控及测光的目的从而利用这一特性制成了不同形状和受光面积的光敏电阻产品,该产品广泛应用于玩具、灯具、照相等行业。 产品结构示意图   GM75系列 A B C D E F G 7.1±0.2 5.8±0.2 5.0±0.1 36±1 1.8±0.2 0.5±0.02 0.2±0.05 性能及特点 环氧树脂胶封装 (Coated with epoxy) 可靠性好 (Good reliability) 体积小 (Small volume) 灵敏度高 (High sensitivity) 反应速度快 (Quick response) 光谱特性好 (Good spectrum characteristic) 应用范围 照相机自动测光 (Camera automation photometry) 室内光线控制 (Indoor sunlight control) 光电控制 (Photoelectric control) 光控开关 (Optical control switch) 光控灯 (Optical control lamp) 电子玩具 (Electronic toy) 报警器 (Annunciator) 光控音乐I.C (Optical control musicI.C) 电子验钞机 (Electronic proverbial vlitional) 工业控制 (Industrial control) 规格参数 规格 型号 耐 压 (VDC) 功 耗 (mW) 光 谱 (nm) 亮 阻 (KΩ) 暗 阻 (MΩ) 响应时间 上升 下降 Φ7 系 列 7516 150 90 540 5-10 0.5 0.5 30 30 7528 150 100 540 10-20 1 0.6 20 30 7537-1 150 100 540 20-30 2 0.6 20 30 7537-2 150 100 540 30-50 3 0.7 20 30 7539 150 100 540 50-100 5 0.8 20 30 7549 150 100 540 100-200 10 0.9 20 30 包装及注意事项 本产品采用中性包装,小包装200支,大包装1000支: 请勿将光敏电阻放置在潮湿、高温环境下: 注意引线焊接位置应距陶瓷基座4mm以上: 测试条件 1、亮电阻:在标准光源A(色温2854K)下,用10Lux照度测量的阻值。 2、暗电阻:指关闭光照后(OLux)第10秒的电阻值。 3、γ值是指10Lux、100Lux照度下的标准值。    R10、R100分别为10Lux、100Lux照度下的亮阻值,γ值的公差为±0.1。 4、最大功率损耗:环境温度为25℃时的最大功率损耗。 5、最大外加电压:指在黑暗中可连续施加给元件的最大电压。 光谱响应特性 光谱响应特性 南阳市信利佳电子有限责任公司 联系人:李占才 Q Q: 48902 1989 电话:18638975595 邮箱: zcccz@ 网址: 地址:河南省南阳市高新区光电孵化园C栋 —————————————————————————————————————————————— Page 4 of 4
展开阅读全文

开通  VIP会员、SVIP会员  优惠大
下载10份以上建议开通VIP会员
下载20份以上建议开通SVIP会员


开通VIP      成为共赢上传

当前位置:首页 > 百科休闲 > 其他

移动网页_全站_页脚广告1

关于我们      便捷服务       自信AI       AI导航        抽奖活动

©2010-2026 宁波自信网络信息技术有限公司  版权所有

客服电话:0574-28810668  投诉电话:18658249818

gongan.png浙公网安备33021202000488号   

icp.png浙ICP备2021020529号-1  |  浙B2-20240490  

关注我们 :微信公众号    抖音    微博    LOFTER 

客服