收藏 分销(赏)

NCP1608中文.doc

上传人:pc****0 文档编号:7729971 上传时间:2025-01-14 格式:DOC 页数:16 大小:839KB 下载积分:10 金币
下载 相关 举报
NCP1608中文.doc_第1页
第1页 / 共16页
NCP1608中文.doc_第2页
第2页 / 共16页


点击查看更多>>
资源描述
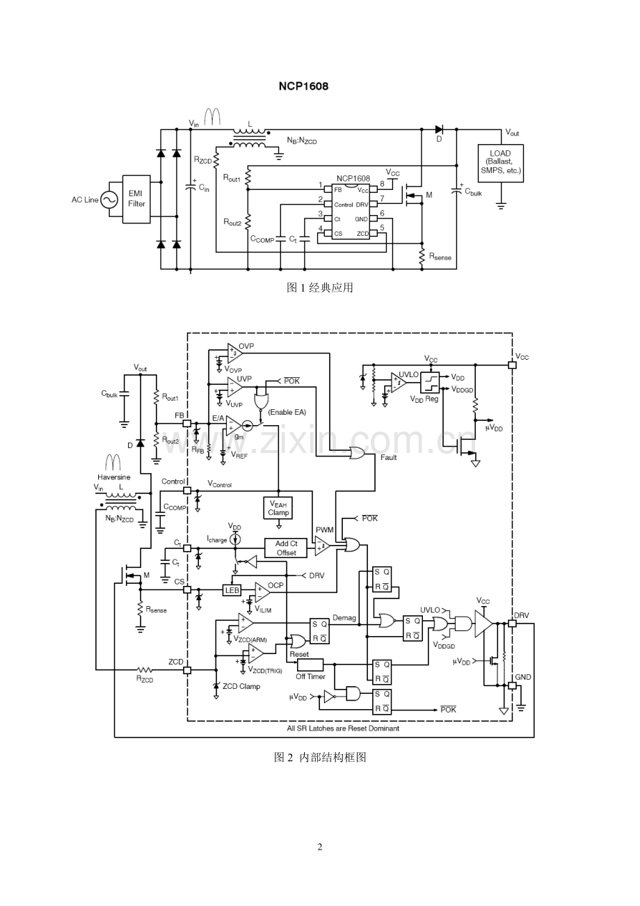
NCP1608 临界工作模式PFC PFC控制器使用手册 NCP1608 是一个主动的功率因素控制器,专门设计用来在AC-DC转换适配器,电子镇流器和其他的中等功率的离线转换器(通常功率350W以下)。它使用临界工作模式(CrM)保证高的功率因素和一个宽的输入电压和输出功率。NCP1608通过内部集成安全特性来最小化外围回路,使他成为一个PFC设计的优秀的选择。它通常是SOIC-8 封装。 通用特性: ● 高的功率因素(接近1) ● 不需要输入电压感应 ● 封闭的PWM逐周期控制开通时间(电压模式) ● 宽的控制范围为高功率应用噪音免疫(>150W) ● 跨导放大器 ● 高精度电压参考源(1.6%任何温度下) ● 非常低的开启电压(<35uA) ● 低的工作电流(2.1mA) ● 上升500mA/下降800mA图腾柱结构门驱动 ● 带有滞后功能的低电压保护 ● Pin to pin和工业通用的标准兼容 ● PB free ,Halide free 安全特性 ● 过电压保护 ● 低电压保护 ● 反馈悬空保护 ● 过电流保护 ● 精准的可编程的最大开通时间 经典应用 ● 固体照明设备(半导体照明) ● 电子镇流器 ● AC适配器,TV,监控器 ● 所有的离线的需要PFC的应用 Tape上有卷的说明信息包括部分方向和Tape大小,请参考我们的tape上的包装说明手册,BRD8011/D 21 图1经典应用 图2 内部结构框图 表格1:pin针功能说明 Pin 名字 功能 1 FB FB是误差放大器的反向输入端。一个分压电阻分得输出电压与Vref相吻合,来维持调节。反馈电压用来高电压和低电压保护。当这个pin高于OVP电压或低于UVP电压或者悬空时,控制器停止工作。 2 Control 误差放大器的输出端。在Control pin和地之间接一个反馈网络可以用来设置回路带宽。一个低的带宽可以产生一个高的功率因素和一个低的总谐波失真(THD)。 3 Ct Ct pin产生一个电流源来给外部的计时电容充电。这个电路通过与内部的分得Vcontrol的一个电压比较控制功率开关的开通时间。在开通时间结束时,Ct pin给外部电容放电。 4 CS CS pin 通过功率开关限制逐周期电流。当CS电压超过Vilim时,驱动关断。接到CS pin的感应电阻决定了最大的开关电流。 5 ZCD 这个管脚感应辅助线圈电压,来检测CrM工作时电感是否已经去磁。 6 GND 接信号地 7 DRV 集成驱动集,通常源极阻抗12欧,下降阻抗6欧。 8 Vcc 控制器的正极输入端。当Vcc>Vccon时控制器工作,当<Vccoff时控制器停止工作。 表格2:最大定额 定额 符号 值 单位 FB Voltage VFB −0.3 to 10 V FB current IFB ±10 mA Control Voltage VControl −0.3 to 6.5 V Control Current IControl −2 to 10 mA Ct Voltage VCt −0.3 to 6 V Ct Current ICt ±10 mA CS Voltage VCS −0.3 to 6 V CS Current ICS ±10 mA ZCD Voltage VZCD −0.3 to 10 V ZCD Current IZCD ±10 mA DRV Voltage VDRV −0.3 to VCC V DRV Sink Current IDRV(sink) 800 mA DRV Source Current IDRV(source) 500 mA Supply Voltage VCC −0.3 to 20 V Supply Current ICC ±20 mA 功率耗散 (TA = 70°C, 2.0 Oz Cu, 55 mm2 印刷电路板镀铜) PD 450 mW 结相对于周围有效热阻 (2.0 Oz Cu, 55 mm2 印刷电路板镀铜) 结相对于空气, 低导电 PCB (Note 3) 结相对于空气, 高导电 PCB (Note 4) R_JA R_JA R_JA 178 168 127 °C/W 工作结温范围 TJ −40 to 125 °C 最大结温 TJ(MAX) 150 °C 存储温度范围 TSTG −65 to 150 °C 焊锡温度(焊锡10S) TL 300 °C 超过最大额定值可能损坏芯片。最大额定值仅仅是加的电压,在正常工作中以上情况不能适用。长期的暴漏于以上情况会影响芯片的信赖性。 1. 这个芯片包括静电放电(ESD)保护达到以下测试: Pin1-8:人体模型超过2000V 每个JEDEC 标准 JESD22-A114E 机器模型办法200V 每个JEDEC 标准JESD22-A115A 。。 表格3 电气特性 VFB=2.4V,VControl = 4 V, Ct = 1 nF, VCS = 0 V, VZCD = 0 V, CDRV = 1 nF, VCC = 12 V,除非另有说明。 (经典值:TJ = 25°C.最大/最小值,TJ = −40°C to 125°C,,除非另有说明) 特性 测试条件 符号表示 最小 标准 最大 单位 开启和供电回路 开启电压阀值 上升时Vcc VCC(on) 11 12 12.5 V 最小工作电压 下降时Vcc VCC(off) 8.8 9.5 10.2 V 供电电压滞后 HUVLO 2.2 2.5 2.8 V 开启电流耗散 0 V < VCC < VCC(on) − 200 mV Icc(startup) − 24 35 _A 无负载开关电流耗散 CDRV = open, 70 kHz Switching, VCS = 2 V Icc1 − 1.4 1.7 mA 开关电流消耗 70 kHz Switching, VCS = 2 V Icc2 − 2.1 2.6 mA 错误模式电流耗散 No Switching, VFB = 0 V Icc(fault) − 0.75 0.95 mA OVP和UVP保护 误差放大器 NCP1608 介绍: NCP1608是一个电压模式功率校正控制器(PFC),他是设计用驱动高效预转换器来达到内部输入线性调节一致。它工作在Crm 电流模式下,功率可达350W。他的电压模式可以使他不需要线性感应网络就可达到一个完整的功率因数。一个高精度的传导误差放大器调节输出电压。他有综合保护结构增加耐用性。 主要特性: 1.恒定的开通时间 Crm 工作.不需要输入电压感应就能达到一个高的功率因素。这使得 Srandby 功率可以耗散。 2.精准的可以编程的开通时间上下限。NCP1608 使用一个精准的电流源和一个外部电容来产生一个开通时间。 3.宽的控制范围。在高功率应用领域(>150W),如果不提供噪音免除功能,在高电压和高输出功率,被异常跳转经常发生。而1608提供了噪音免除的功能,避免了异常跳转。 4.高精度电压参考。误差放大器参考电压保证在2.5V+-1.6%不论处理和温度,这保证了输出电压的精度。 5.低的开启电流消耗。电流消耗在开启的时候被减低到最小35uA,使Vcc可以快速的无损耗的充电。NCP1608 提供了低电压锁定和提供了充足的Vcc滞后在开启时来减少Vcc所需电容的大小。 6.强大的输出驱动。引发500mA / 下降800mA 内部图腾柱驱动保证了快速的开通和关断。这样使得他可以驱动大功率的Mos FET。只要Vcc不超过Vccon,主动及被动电路的联合使得驱动的输出电压不会升高. 7.精准的固定OVP。OVP特性保护了PFC状态输出 过多的超出时对后面的设备造成损坏。超出经常发生在开启和瞬态的负载时候。 8.UVP.UVP 特性保护了设备当电源和Cbulk 没有接触时。 9.开怀反馈保护。OVP 和UVP 保护了输出分压网络没有连接到FB pin情况 。一个内部的电阻Rfb保护了外部应用电路当FB悬空时。 10.过电流保护。峰值电流在循环基础上被限制。最大峰值电流被调整通过通过改变电流感应电阻。一个内部集成的LEB 滤波减少了噪音不经意的触发OCP 11.中断特性。PFC 与转换器中断,当FB pin 电压低于UVP时。在中断模式下,Icc电流耗散减少,误差放大器不工作。 应用信息 大多数电子镇流器和开关电源用一个整流桥和一个大的存储电容来产生一个DC电压从一个通用的AC line里。这个DC电压被一个附加的回路处理达到一个需要的输出。 当电路的AC 电压超过后继电容的电压时,这个整流电路就会消耗电流。这种情况发生在峰值电压时,这样使电流不是正弦波的状态并且有非常大的谐波。结果就降低了功率因素(通常<0.6)。结果就是显然输入功率大于实际传输到负载上的功率。如果很多的设备接到同一个AC line里,效果就会增加,一个Line sag(线性下降)就形成了。(图25) 政府规定和通用的设备要求减少线性电流的谐波分量。这样主动的和被动的PFC 都必须使用依据规定。被动的电路使用一个大的电容,电感和整流桥,这些都工作在AC line 的工作频率范围。主动PFC 使用一个开关转换器来调节输入电力的谐波分量。主动PFC 工作在一个很高的频率,这样使他们在体积上更小,更轻,工作效率远比被动式的高。使用合适的主动PFC控制,几乎任何复杂的 负载都可以近似成一个线性的电阻。这样就较大的减少了电流谐波分量。主动PFC 电路是达到谐波要求的最流行的方式,因为上述的好处。通常来说主动PFC 电路由在整流桥和大电容之间插入的预转换器组成。 Boost(或者是Step up)转换是主动PFC最流行的拓扑结构。通过适当的控制,它能产生一个恒定的电压同时从AC输入端消耗一个正弦波电流。在中等功率的条件下(功率<350W)应用中,CRM优先选择。CrM工作在不连续模式(DCM) 和连续模式(CCM)之间。在CrM工作模式中,在Boost 电感电流达到0时,驱动开始为开通时间。CrM工作是中等功率PFC boost电路的理想选择,因为它比CCM工作的峰值电流小,又有DCM中零电流开关的优点。它在PFC boost 转换器中工作过程及波形请参考图27 图27.理想CrM Boost转换的原理图及波形 当开关关断时,电感电流线性增加到峰值。当开关断开时,电感电流线性减小到零。当电感电流减小到零时,开关管的漏极电压(Vd)是高电压,并且开始下降。如果下一个周期没有开始,Vdrain 向Vin 靠近。在AND8123内有一个分压公式使得输出在CrM 工作模式下达到一个高的功率因素。当On-tme (ton)是恒定值,在一个AC周期里用公式1计算。 (eq.1) 是输出功率,L是Boost电感,η是效率,是输入RMS电压。 在一个AC周期里的开关状态描述见图28。其中开通时间开是恒定的,但是关断时间不同,根据瞬态线路电压。恒定的开通时间产生了峰值电感电流(Ipeak)与AC线路电压成比例。NCP1608 用一个理想的方法实现恒定开通时间的CrM控制,外加一个精确的校准回路,一个低电流消耗开启回路,一个先进的保护特性构成一个成本有效的方案。 图28 .CrM 工作模式下的电感波形 误差放大校准器 NCP1608通过一个内部的误差放大器来校准Boost 的输出电压。误差放大器的负极接FB端,正极接一个2.5V±1.6%的参考电压(Vref),误差放大器的输出端接Control 端(图29)。 用一个跨导性的误差放大器的特性是FB 电压仅仅由外部的接到输出电压的分压网络来决定,不是误差放大器本身决定动作决定的。这样FB端就能被用作为误差放大器独立感应过高或者过低电压。 图29.误差放大器和开通时间调节回路 分压电阻(Rout21和Rout2)按比例分得Boost输出电压(Vout)然后接到FB 端。如果输出电压少于目标输出电压,即Vfb少于Vref,那么误差放大器(EA)控制Vcontrol上升。Vcontrol上升导致驱动的开通时间升高,这样就提高了传输到输出的功率。传输功率的提高导致了了Vout 的提高直到达到目标电压。相反的,如果Vout 大于Vtarget,那么Vcontrol减小,开通时间降低直到Vout 减小到目标输出电压。这个因素和影响调节了Vout, 这样通过Rout1 与Rout2使Vout 成比例减小并且加到Vfb上。用来FPP的Rfb(通常4.6M)包含在了外部的分压网络的计算公式里。 输出电压设计用以下公式2: eq.2 分压网络偏置电流的选择是用来最佳化噪音免除和功率耗散。Rout1最佳化偏置电流和输出电压使用公式3: eq3 Ibias(out)是输出分压网络的偏置电流。Rout2取决于Vout,Rout1及Rfb。 Rout2使用公式4计算: eq4 PFC过程在正弦线电压上消耗了一个正弦电流。这个转换提供了负载功率与平均要求相匹配。输出的大电容(Cbulk)补偿了传输功率和负载消耗功率的差异。当传输的功率小于负载消耗的功率时,电容(Cbulk)放电,当传输功率大于负载消耗功率时,大电容(Cbulk)充电储存多余的能量。具体工作情况见图30. 图30恒定功率时的输出电压纹波 根据Cbulk 电容的充放电,Vout包含了一个100Hz(欧洲50Hz线电压频率)或者是120Hz(美国标准线电压频率60Hz)。为了保证线电流的形状,Vout纹波通过校准器回路保证在一个AC周期里Vcontrol恒定。为了保证Vcontrol在一个周期里恒定,回路带宽一般设置在20HZ以下。在图1中有一种补偿网络,在Control端和地之间接一个电容。在这个结构里,需要多大的电容来减少Vout 的纹波计算使用公式5 eq.5 Fcross是交叉频率,gm是误差放大器的跨导。交叉频率一般小于20Hz。 开通时间时序 开关模式由恒定的开通时间和变化的关断时间组成,为一个已有的输入电阻和输出负载设计。NCP1608用一个接到Ct电容pin的电容来控制开通时间。一个电流源给Ct 端的电容充电直到达到原至control 端的内部的一个电压(VCt(off))。 VCt(off)计算见公式6 eq6 当Vct(off)到达到时,驱动关断。见图31: 图31.开通时间的产生 Vcontrol随着input均方根值和输出负载不同而改变(满足公式1)。如果补偿元器件值满足滤除Vout纹波,则在AC线周期里开通时间恒定。Vcontrol 最大时,控制器的开通时间最大。Ct的大小保证了最大的输出功率和最小的输入电压。最大的开通时间计算见公式7: eq7 由公式7和1可得公式8 eq8 这样就能计算出Ct的值: Vct(max)=4.775V(最小值) Icharge=297uA(最大值),VacLL是最小输入电压的均方根。 关断时间时序 在CrM工作模式下,开通时间在AC线周期内恒定,关断时间根据输入瞬态电压的不同而改变。当电感的电流到达零时,FET漏极电压(Vdrain见图27)随着Vin 共振。测量Vdrain是一个得知什么时候电感电流到达0的方法。(IC)直接测量高电压Vdrain不是一个通用经济实用的方法。反而,在Boost 电感上加一个绕组,这个绕组叫做零电流检测(ZCD)绕组。,它来为控制器提供一个与电感电压成比例的电压。图32显示了CrM使用ZCD时理想工作状态。 图32.使用ZCD绕组理想波形 在开关开通时间里ZCD感应电压(VZCD(wind),On)计算使用公式9: eq9 Vin是瞬态输入电流,Nb:Nzcd是boost电感匝数和ZCD绕组匝数之比。 ZCD绕组在开关关断时间的感应电压(VZCD(wind),Off)计算使用公式10: eq10 当电感电流达到0时,ZCD pin端电压随着ZCD绕组电压一同下降到0。NCP1608检测到Vzcd的下降沿,驱动开通FET。为了保证ZCD事件异常检测,NCP逻辑电路验证Vzcd上升时超过Vzcd(ARM),下降时低于Vzc(TRIG)(图33)。 图33,.ZCD block 应用图 这一系列功能实现了CrM工作,最大的Vzcd(ARM)决定了最大匝数,计算公式如下11: eq11 VacHL是AC in 的最大均方根电压。Vzcd(ARM)=1.55V(最大值) NCP1608通过ZCD电压钳位防止电压超出。当ZCD绕组为负时,ZCD电压钳位到Vcl(NEG)。相似的,当绕组为正时,ZCD端就永远的钳位到Vcl(POS)。ZCD端需要一个电阻来限制电流峰值(图33)。最大的ZCD端电流(Izcd(MAX))被限制到10mA。Rzcd计算见公式12: eq12 Rzcd的值和ZCD端寄生电容的值决定了什么时候ZCD绕组检测到信号和驱动开始。Rzcd大,那么在检测到ZCD事件前的延时就会大。这样的话,控制器就会工作在DCM模式下,功率因素下降。如果ZCD值太小,当Drain电压很高的时候驱动就打开了,效率就会降低。选择Rzcd最佳值的最好的方法是Rzcd达到最小的漏极电压时开启。这是建立在试验的基础上得知的。图34反映了CrM工作时根据Rzcd和ZCD寄生电容得知真实的波形。 (零电压开启) 图34.使用ZCD绕组和Rzcd及ZCD 端寄生电容时实际的CrM波形 在Rzcd和ZCD寄生电容产生的延时时,等价的漏极电容(Ceq(drain))通过图35途径放电。 图35..等价漏极电容放电途径 Ceq(drain)是一个MOSFET和二极管,电感等联合的寄生电容。Cin通过Ceq(drain)放电而充电。Cin的充电使得整流桥反偏导致输入电流(Iin)下降到零。零输入电流使得THD增加。为了减少THD,(tz/Tsw)比率最小化。tz是IL=0A到驱动开启的这段时间。Tz/tsw 的比率与L的均方根成反比。 在开启时,ZCD绕组里面没有能量和电压信号激活ZCD比较器。这就意味着驱动不会打开。为了使PFC在这个状态下工作,一个内部的看门狗(tstart)计时器集成在了芯片的内部。这个计时器开启驱动,如果这个驱动停止工作165uS(经典值)。但是当在错误模式下(OVP和UVP)这个特性被禁止,当错误模式消除时,它从新被激活。 宽的控制范围 Ct充电,阀值(Vct(off))减小,在输出功率从最大到最小的输出功率的应用。在高功率应用里(>150W),Ct(offset)保持恒定值时,一个大的功率,Vcontrol减小到一个低电压。低的Vcontrol和VCt(off)电压最容易受噪音影响。低的Vcontrol 和Vct(off)增加了噪音影响control信号和开通时间的可能性(图36和图37)。噪音诱使控制端和Ct电压不平整,减少了本来是反馈回路应该决定的驱动的开通时间(ton(loop))。减少的开通时间导致了存储在L的能量减少了。结果就是Vzcd达不到Vzcd(ARM)驱动保持关断知道tstart期满。这个时 序会导致脉冲跳转并降低了功率因素。 图36控制端噪音诱使开通时间减少和脉冲跳转 图37.Ct 端噪音导致开通时间减少和脉冲跳转 NCP1608宽的控制范围增加了Vcontrol 和Vct(off)相对于窄的控制范围。图38比较了NCP1608 的Vct(off)和一个使用3V控制的设备的在一个应用里的范围。使用参数: Pout=250W L=200uH Η=92% VacLL=85Vac VacHL=265Vac 图38显示了NCP1608的Vct(off)比3V控制器的大50%。这50%使得NCP1608避免了在高电压和高功率条件下意外的跳转 图38.Ct充电阀值和输出功率比较 开启 通常来说就是一个电阻接到整流桥和Vcc之间,然后给Vcc的电容充电直到达到Vcc(on)。这个低的开启电流(<35uA)使Standby时功率耗散减小,并且减小了启动时间。 当Vcc达到Vcc(on)的时候,NCP1608内部的参考和逻辑电路工作。控制器包括低电压锁定(UVLO)特性保证了NCP1608工作除非Vcc下降到Vcc(off)。这个磁滞现象保证了充足的时间使得辅助绕组给Vcc供电。 图39.经典Vcc开启波形 当PFC预校准器后面接开关电源时(SMPS),通常都是让后面的开关电源先启动。然后SMPS再给NCP1608 Vcc 供电。高级的控制器,比如像NCP1230或者是NCP1381能够控制PFC的工作状态(见图40)从而达到理想的效果。这个结构节省了开启电阻,改进了系统的待机模式功率耗散。 图40.NCP1608通过后继SMPS控制器供电 软启动 当Vcc达到Vccon 后,tstart开始计数。当tstart终止时,误差放大器开始工作并开始给补偿网络充电。当Vcontrol超出Ct(offset)时,驱动工作。给反馈网络充电缓慢的增加了开通时间从最小的时间(PWM)一直到稳定的开通时间。这样就产生了一个软启动的模式来减少功率元件的压力(图41)。 驱动输出 NCP1608包含了一个强大的输出去功能力。上升时500mA下降时800mA。这样使得控制器能在中等功率的情况下(<350W)驱动强力的MOSFET。另外驱动提供了主动和被动的拉低钳位(图42)。当Vcc 关断时钳位激活强制驱动输出一个小于开MOSFET启电压的电压。 图41.正常软启动控制pin开启时序图 图42.输出驱动状态和拉低钳位 过电压保护OVP 反馈网络的低带宽导致PFC反映输入负载和输入电压非常缓慢。结果在瞬态状态下,可能会有超出电压的危险(开启,负载跳变等)。为了增加工作的信赖性,OVP阻止PFC输出电压超出元气件范围是非常危险的。NCP1608检测到超出的Vout电压然后驱动停止工作直到Vout下降。OVP保证了PFC输出电压在其元器件的范围以内。一个比较器连接到FB pin提供了OVP功能。PFC最大输出电压(OVP电压计划OVP错误模式)计算见公式13: eq13 是OVP检测阀值。 Cbulk电容值保证OVP不会被Vout 100HZ或者 120Hz的微波意外的触发。Cbulk最小值计算使用公式14: eq14 是输出电压的峰峰值纹波,是AC输入的频率。 计算使用公式15 eq15 OVP逻辑电路包括滞后(Vovp(hys))保证了在NCP1608试图重启之前Vout有足够的时间放电和保证免除噪音。NCP1608试图重启时的电压计算公式见16 eq16 图43描述了OVP电路的工作: 图43 OVP保护 低电压保护 当输入电压应用到PFC中时,Vout强制等于线电压的峰值。NCP1608检测到低电压错误如果Vout一直低,那样Vfb就会小于Vuvp。在UVP 期间,驱动和误差放大器不工作。UVP特性保护了应用电路和Cbulk没有接触好或者是Rout1没有断开的情况。 导致UVP的输出电压计算公式见17 eq17 开环反馈保护 NCP1608综合了OVP,UVp,FPP应对断开反馈保护情况。图44描述了反馈断开时,三个保护的情况。下面描述了图44的情况: 1. UVP:从Rout1到FB断开,Rout2拉低FB pin到地。UVP比较器检测到UVP ,驱动和误差放大器不工作 2. OVP:Rout2与FB pin断开,Rout1拉高FB电压到Vout。ESD二极管钳位FB到10V,Rout1限制电流流入FB。OVP比较器检测到OVP,驱动不工作。 3. FB脚悬空。内部拉低电阻Rfb拉低FB电压到UVP,UVP比较器检测到UVP错误,驱动器和误差放大器停止工作。 UVP和OVP分别保护大部分的低电压和快速的工作点,FPP保护系统的反馈空接的情况。如果FPP没有,当一个外部的错误信号导致FB pin悬空时,Vfb依赖于内部耦合系统和周围环境。耦合度Vfb可能会在调节的范围以内(ie.)然后导致控制器传输过度的功率。结果就导致Vout不断升高直到后继电路的元器件因过电压而损坏。 过电流保护 NCP1608一个专用的CS pin感应到峰值电流限制驱动的开通时间,如果CS pin超过VILIM。最大峰值电流使用一个感应电阻来调节Rsense。峰值电流计算使用公式18: eq18 一个内部的LEB Filter(图45)减少了开关的噪音和意外的处罚过电流。这个filter使得CS 信号在一个小阶段tLEB内失效。如果还需要附加滤波电路,那么就在Rsense和CS pin之间加一个小的RC滤波电路。 图45.带有可选择的RC电路的OCP电路 关断模式 NCP1608可以让使用者把控制器设置在Standby工作模式下。为了关闭控制器,FB pin被强制降低到UVP。当用FB pin关断时(图46),使用者必须保证重要的没有漏电流在关断电路里面。任何漏电流都会影响输出电压调节。 图46.PFC的关断模式 应用信息 On Semiconductor 提供了一个电子设计工具,一个示范,一个NCP1608的可实现的设计应用和减少开发周期。所有工具都可以在上下载和预定。 这个设计工具让所有的使用者轻松的决定PFC 预转换器boost回路大部分的系统参数。这个示范板市一个boost预转换器可以传输100W 400V 的电压。这个回路的结构见图47。这个预转换器的设计兼应用note AND8396/D 图47.使用实例
展开阅读全文

开通  VIP会员、SVIP会员  优惠大
下载10份以上建议开通VIP会员
下载20份以上建议开通SVIP会员


开通VIP      成为共赢上传

当前位置:首页 > 百科休闲 > 其他

移动网页_全站_页脚广告1

关于我们      便捷服务       自信AI       AI导航        抽奖活动

©2010-2025 宁波自信网络信息技术有限公司  版权所有

客服电话:0574-28810668  投诉电话:18658249818

gongan.png浙公网安备33021202000488号   

icp.png浙ICP备2021020529号-1  |  浙B2-20240490  

关注我们 :微信公众号    抖音    微博    LOFTER 

客服