收藏 分销(赏)

液晶显示器VGA模拟输入接口电路.doc

上传人:pc****0 文档编号:7429335 上传时间:2025-01-04 格式:DOC 页数:3 大小:779KB 下载积分:10 金币
下载 相关 举报
液晶显示器VGA模拟输入接口电路.doc_第1页
第1页 / 共3页
液晶显示器VGA模拟输入接口电路.doc_第2页
第2页 / 共3页


点击查看更多>>
资源描述
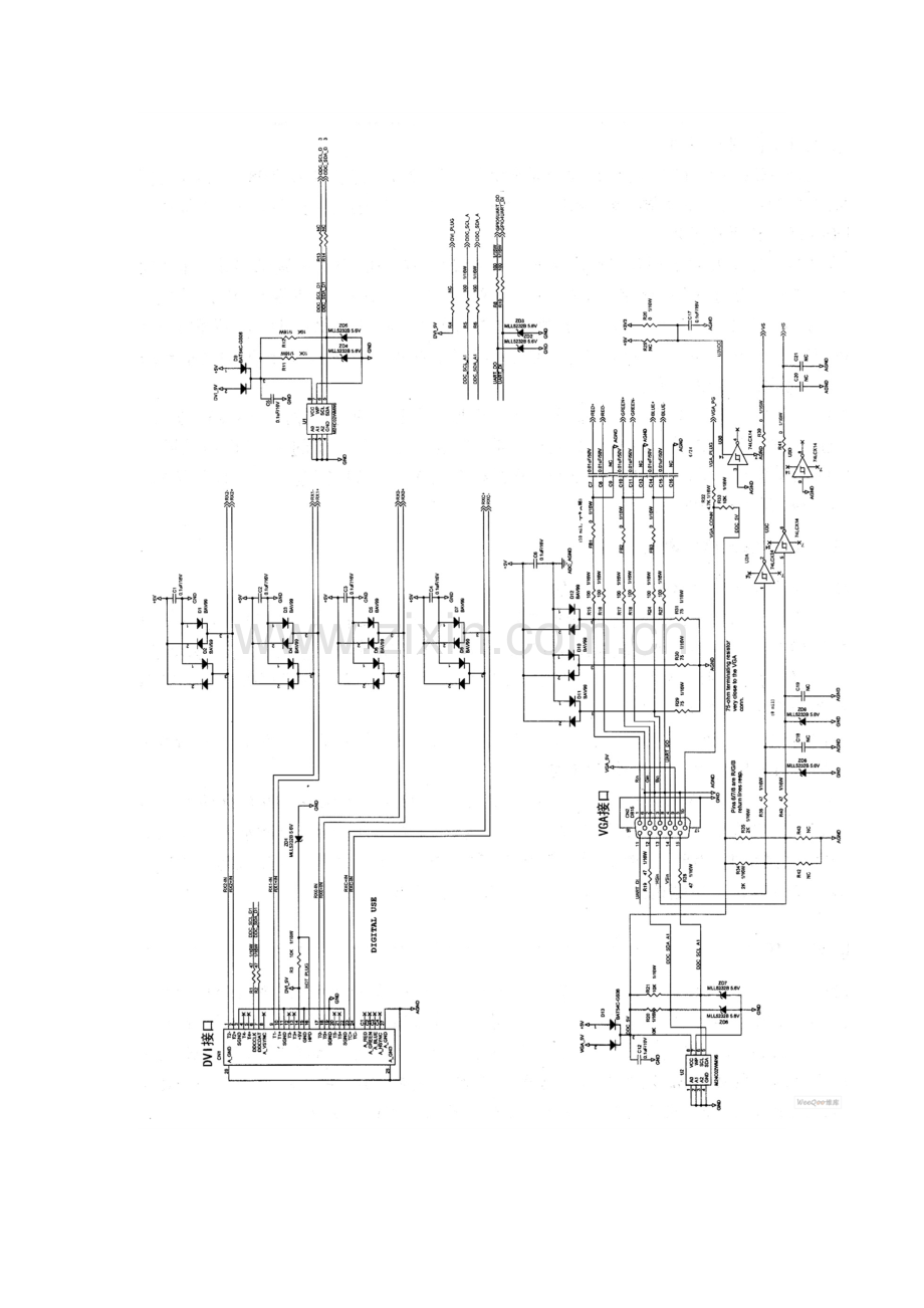
液晶显示器VGA模拟输入接口电路 文章出处:赤铸 发布时间: 2009/06/15 | 4089 次阅读 | 3次推荐 | 1条留言 业界领先的TEMPO评估服务每天新产品 时刻新体验IC分销商如何选择管理软件   VGA模拟输入接口电路的工作过程如下:   由显示器VGA接口1、2、3脚接收到的R、G、B信号,经双向二极管D12、D11、D10限幅,R31、R30、R29三个电阻进行阻抗匹配,由C7、C10、C14耦合到主控芯片U4(CM5 126)进行A/D转换等处理(该机A/D转换电路集成在主控芯片中)。   由显示器VGA接口13脚接收到的行同步信号(HSYNC),经稳压管ZD9(5.6V)限幅,送到反相器U3(74LCX14)的5脚,经反相后,从U3的6脚输出,送到主控芯片U4(GM5126)内部的同步处理电路进行处理。    由显示器VGA接口14脚接收到的场同步信号(YSYNC),经稳压管ZD8(5.6V)限幅,送到反相器U3(74LCX14)的⒈脚,经反相后,从U3的2脚输出,送到主控芯片U4(CM5126)内部的同步处理电路进行处理。   因液晶显示器须和主机通信,显示器作为外部设各,须提供身份识别信号供主机检测识别,因此,电路中设置了DDC存储器U2(M24C02WMN6)。在DDC存储器U2中,存储了有关显示器的基本信息(如厂商、型号、显示模式配置等),U2通过5脚(DDC串行数据)、6脚(DDC串行时钟)与计算机主机进行通信,完成液晶显示器的身份识别,只有识别显示器后,两者才能同步、协调、稳定的工作。   图1 AOC LM729液晶显示器输入接口电路   从图1中可以看出,由于存储器U2的8脚供电端由电脑主机输出的VGA_5V(由计算机主机产生,通过VGA接口的9脚送到显示器)和显示器电源产生的+5V电压共同供电,因此,即使显示器不开机,存储器也可工作(不开机时由VGA_5V供电),以方便计算机主机随机读取DDC存储器中的信息。
展开阅读全文

开通  VIP会员、SVIP会员  优惠大
下载10份以上建议开通VIP会员
下载20份以上建议开通SVIP会员


开通VIP      成为共赢上传

当前位置:首页 > 百科休闲 > 其他

移动网页_全站_页脚广告1

关于我们      便捷服务       自信AI       AI导航        抽奖活动

©2010-2025 宁波自信网络信息技术有限公司  版权所有

客服电话:0574-28810668  投诉电话:18658249818

gongan.png浙公网安备33021202000488号   

icp.png浙ICP备2021020529号-1  |  浙B2-20240490  

关注我们 :微信公众号    抖音    微博    LOFTER 

客服