收藏 分销(赏)

变频空调相对于普通定频空调的优势.doc

上传人:xrp****65 文档编号:7221294 上传时间:2024-12-28 格式:DOC 页数:3 大小:84KB 下载积分:10 金币
下载 相关 举报
变频空调相对于普通定频空调的优势.doc_第1页
第1页 / 共3页
变频空调相对于普通定频空调的优势.doc_第2页
第2页 / 共3页


点击查看更多>>
资源描述
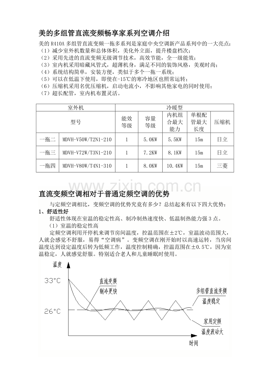
美的多组管直流变频畅享家系列空调介绍 美的R410A多组管直流变频一拖多系列是家庭中央空调新产品系列中的一大亮点: (1)减少室外机数量和总体体积,美化外立面,提升楼盘档次; (2)采用先进的直流变频无级调节技术,高效节能,全一级能效; (3)室内机采用暗藏风管式,超薄机身,满足不同的装饰风格,美观时尚; (4)系统结构简单,安装方便,类似于多个一拖一系统; (5)可以在低温下使用,即使在-15℃的寒冷地区也照常运转; (6)压缩机采用名优压缩机,启动电流小,不影响其他家电的同时使用; (7)超长配管,室内机布置灵活。 室外机 冷暖型 型号 能效 等级 容量 等级 内机组合最大能力 单根配管最大长度 压缩机 一拖二 MDVH-V50W/T2N1-210 1 5.0KW 5.5KW 15m 日立 一拖三 MDVH-V72W/T3N1-210 1 7.2KW 8.1KW 15m 日立 一拖四 MDVH-V80W/T4N1-310 1 8.0KW 10.4KW 15m 三菱 直流变频空调相对于普通定频空调的优势 与定频空调相比,变频空调的优势究竟有多少?总结起来有以下四大优势: 1、舒适性好   舒适性体现在室温的稳定性高、制冷制热速度快、低温制热能力强3点。   (1)室温的稳定性高 定频空调利用开停机来调节房间温度,控温范围在±2℃,室温波动范围大,人就会感觉不舒服,易得“空调病”。变频空调在刚开始时以高速运转,当房间温度达到设定温度后转为低频工作,温度控制精确,控温范围在±0.5℃,因为室温稳定,人就感觉舒服。特别适合老人和儿童睡眠时使用。   (2)制冷制热速度快 变频空调在起动后以最大频率运转,频率可达130Hz以上,制冷制热能力是定频机(50Hz)的2~3倍,使房间的降温或升温速率比定频空调器快1~2倍。使人们快速获得舒适的温度环境。   (3)低温制热能力强   在冬季,如果环境温度很低,因为空调机会频繁化霜,空调器的制热能力会大幅下降。变频空调器一方面在非除霜时间段可通过提高频率使制热能力增强,另一方面在除霜时间段,采用高频率运转除霜,使除霜时间大大减少,使除霜时的室温变化从定频机的6℃左右降低至2℃左右。因此大大提高了舒适性。 工作环境温度 美的直流变频 行业一般水平 制冷 -5℃ ~52℃ -5℃ ~46℃ 制热 -20℃ ~27℃ -20℃ ~15.5℃ 2、节能性好 变频空调机在起动后以最大频率运转,当室温达到设定温度后,转为低频率运转,因为在低频率运转时能效比高,与定频机相比,可实现大幅节能。 畅享家系列空调,拥有超配功能,在室内机额定制冷量相同的情况下,主机的额定功率小于多台变频家用机的额定功率之和,在室内机相同的情况下,更加节能,更加省电。 3、起动电流小 定频空调开机时起动电流很大,会对电网造成冲击,也会对家里其他电器造成冲击;而变频空调可选择在10Hz低频及与之相应的低电压条件下起动,起动电流很低,避免了对供电电网的冲击及对其他家用电器正常工作的影响。 4、使用寿命更长 定频空调当室内温度达到设定值之后主机就会暂停运行,当室内温度上升之后才会再次启动,长期不断的启停,对压缩机使用寿命有一定影响。而变频空调当室内温度达到设定值之后就会降低工作功率,维持在需要的功率,压缩机始终处于工作状态,只是减小了运转功率,不会因长期不断的启停而影响使用寿命。 5、节省主机位置 现在很多新建住房的空调机位有限,不适合放置过多的空调主机,畅享家系列空调采用一拖多的设计,多个室内机连接在同一主机上,节省主机位置,不会因为外墙挂满主机而影响美观。 畅享家多组管与变频家用机的比较 1、冷量超配功能,更加节能 畅享家系列空调,拥有超配功能,在室内机额定制冷量相同的情况下,主机的额定功率小于多台变频家用机的额定功率之和,在室内机相同的情况下,更加节能,更加省电。 2、时尚美观 畅享家系列室内机采用隐藏式安装,机身和管路隐藏在吊顶内,与装修风格完美结合,时尚美观,更显尊贵档次。 3、节省空间 室内机暗装在吊顶之内,与柜机相比,不占用地面空间,室内使用空间更显广阔;与壁挂机相比,不占墙面位置,墙面装饰更加随心所欲,与装修风格完美结合,整体感更强,品味非凡。 4、节省主机位置 现在很多新建住房的空调机位有限,不适合放置过多的空调主机,畅享家系列空调采用一拖多的设计,多个室内机连接在同一主机上,节省主机位置,不会因为外墙挂满主机而影响美观。 5、气流组织优异,避免空调病 室内机暗装在吊顶之内,冷气不会直吹人体,而是在整个室内空间进行流通,气流组织优异,冷气分布均匀,避免直吹造成的不舒适感,空气循环量更大,能很好地避免空调病。
展开阅读全文

开通  VIP会员、SVIP会员  优惠大
下载10份以上建议开通VIP会员
下载20份以上建议开通SVIP会员


开通VIP      成为共赢上传

当前位置:首页 > 百科休闲 > 其他

移动网页_全站_页脚广告1

关于我们      便捷服务       自信AI       AI导航        抽奖活动

©2010-2025 宁波自信网络信息技术有限公司  版权所有

客服电话:0574-28810668  投诉电话:18658249818

gongan.png浙公网安备33021202000488号   

icp.png浙ICP备2021020529号-1  |  浙B2-20240490  

关注我们 :微信公众号    抖音    微博    LOFTER 

客服