收藏 分销(赏)

水库等级划分.doc

上传人:pc****0 文档编号:7197470 上传时间:2024-12-27 格式:DOC 页数:4 大小:49KB 下载积分:10 金币
下载 相关 举报
水库等级划分.doc_第1页
第1页 / 共4页
水库等级划分.doc_第2页
第2页 / 共4页


点击查看更多>>
资源描述
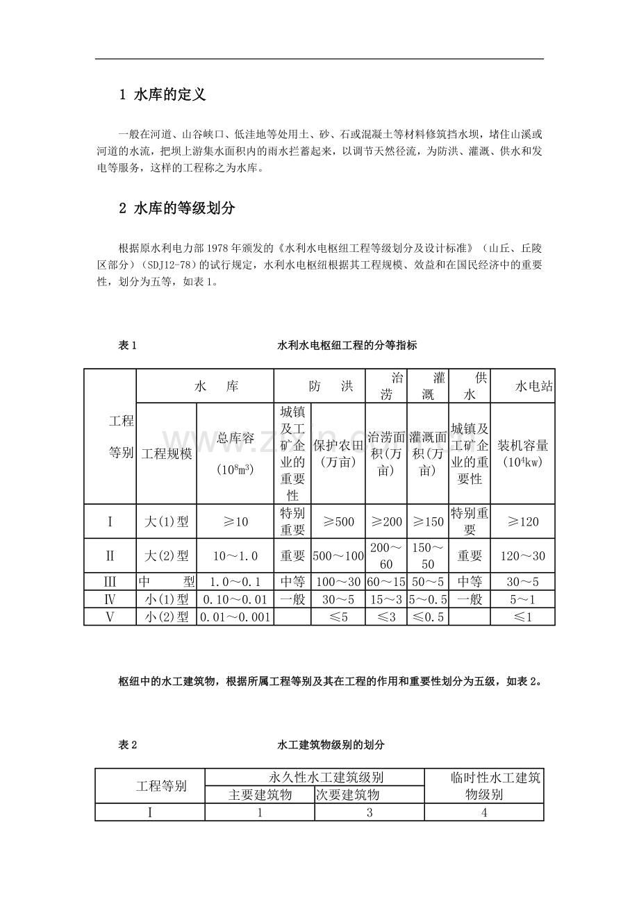
1 水库的定义 一般在河道、山谷峡口、低洼地等处用土、砂、石或混凝土等材料修筑挡水坝,堵住山溪或河道的水流,把坝上游集水面积内的雨水拦蓄起来,以调节天然径流,为防洪、灌溉、供水和发电等服务,这样的工程称之为水库。 2 水库的等级划分 根据原水利电力部1978年颁发的《水利水电枢纽工程等级划分及设计标准》(山丘、丘陵区部分)(SDJ12-78)的试行规定,水利水电枢纽根据其工程规模、效益和在国民经济中的重要性,划分为五等,如表1。   表1             水利水电枢纽工程的分等指标 工程 等别 水  库 防  洪 治 涝 灌 溉 供 水 水电站 工程规模 总库容 (108m3) 城镇及工矿企业的重要性 保护农田(万亩) 治涝面积(万亩) 灌溉面积(万亩) 城镇及工矿企业的重要性 装机容量(104kw) Ⅰ 大(1)型 ≥10 特别重要 ≥500 ≥200 ≥150 特别重要 ≥120 Ⅱ 大(2)型 10~1.0 重要 500~100 200~60 150~50 重要 120~30 Ⅲ 中   型 1.0~0.1 中等 100~30 60~15 50~5 中等 30~5 Ⅳ 小(1)型 0.10~0.01 一般 30~5 15~3 5~0.5 一般 5~1 Ⅴ 小(2)型 0.01~0.001   ≤5 ≤3 ≤0.5   ≤1   枢纽中的水工建筑物,根据所属工程等别及其在工程的作用和重要性划分为五级,如表2。   表2             水工建筑物级别的划分 工程等别 永久性水工建筑级别 临时性水工建筑物级别 主要建筑物 次要建筑物 Ⅰ 1 3 4 Ⅱ 2 3 4 Ⅲ 3 4 5 Ⅳ 4 5 5 Ⅴ 5 5     对于坝高较大、地质条件特别复杂,或设计与施工实践经验较少的新坝型、新结构等,可提高建筑物的级别。对于低水头或失事后损失不大的水利枢纽,其水工建筑物亦可适当降低级别。 3 病险水库 病险水库一般是指工程实际洪水标准未达到规定要求的标准,或虽达到规定洪水的标准,但工程存在较严重的质量问题,影响大坝安全,不能正常运行的水库。即水库大坝属《大坝安全鉴定办法》规定的三类坝的水库。这类大坝由于存在安全隐患,需要进行除险加固或重建甚至报废。 大坝安全状况分为三类,分类标准如下: 一类坝:实际抗御洪水标准达到《防洪标准》(GB50201-94)规定,大坝工作状态正常;工程无重大质量问题,能按设计正常运行的大坝。 二类坝:实际抗御洪水标准不低于部颁水利枢纽工程除险加固近期非常运用洪水标准,但达不到《防洪标准》(GB50201-94)规定;大坝工作状态基本正常,在一定控制运用条件下能安全运行的大坝。 三类坝:实际抗御洪水标准低于部颁水利枢纽工程除险加固近期非常运用洪水标准,或者工程存在较严重安全隐患,不能按设计正常运行的大坝。 附:中国大(1)型水库 名称 所属省 流域 库容量(单位:亿立方米) 三峡水库 湖北 长江 393.0 龙滩水库 广西 珠江 272.7 龙羊峡水库 青海 黄河 247.0 新安江水库 浙江 钱塘江 220.0 丹江口水库 湖北 长江 209.7 大七孔水库 贵州 长江 190.0 永丰水库 辽宁 鸭绿江 146.7 新丰江水库 广东 珠江 139.8 小浪底水库 河南 黄河 126.5 丰满水库 吉林 松花江 107.8 天生桥一级 贵州-广西 珠江 106.8 三门峡水库 河南 黄河 103.1 东江水库 湖南 长江 81.1 柘林水库 江西 长江 79.2 白山水库 吉林 松花江 65.1 刘家峡水库 甘肃 黄河 61.2 二滩水库 四川 长江 57.9 密云水库 北京 海河 43.8 官厅水库 河北 海河 41.6 东平湖 山东 黄河 40.0 莲花水库 黑龙江 松花江 39.2 云峰水库 吉林 鸭绿江 39.1 隔河岩水库 湖北 长江 37.7 大藤峡水库 广西 珠江 37.1 柘溪水库 湖南 长江 35.7 桓仁水库 辽宁 鸭绿江 34.6 岩滩水库 广西 珠江 33.5 松涛水库 海南 南渡江 33.4 西津水库 广西 珠江 30.0 五强溪水库 湖南 长江 29.9 潘家口水库 河北 滦河 29.3 西洱河一级 云南 西洱河 27.7 陈村水库 安徽 长江 27.2 响洪甸水库 安徽 淮河 26.3 水口水库 福建 闽江 26.0 红山水库 内蒙古 辽河 25.6 宝珠寺水库 四川 长江 25.5 安康水库 陕西 长江 25.8 花凉亭水库 安徽 长江 24.0 梅山水库 安徽 淮河 23.4 乌江渡水库 贵州 长江 23.0 万安水库 江西 长江 22.2 棉花滩水库 福建 汀江 22.1 大伙房水库 辽宁 辽河 21.9 观音阁水库 辽宁 辽河 21.7 湖南镇水库 浙江 瓯江 20.6 漳河水库 湖北 长江 20.3 枫树坝水库 广东 珠江 19.4 镜泊湖 黑龙江 松花江 16.3 二龙山水库 吉林 辽河 17.6 南湾水库 河南 淮河 16.3 富水水库 湖北 长江 16.2 葛洲坝 湖北 长江 15.8 岗南水库 河北 海河 15.7 于桥水库 天津 海河 15.6 凤滩水库 湖南 长江 15.4 王快水库 河北 海河 13.89 峡山水库 山东 潍河 13.77 察尔森水库 内蒙古 洮儿河 13.65 陆浑水库 河南 黄河 13.2 白莲河水库 湖北 长江 12.5 南水水库 广东 珠江 12.43 鸭河口水库 河南 长江 12.25 黄壁庄水库 河北 海河 12.1 大化水水库 广西 珠江 12.1 故县水库 河南 黄河 12.0 黄龙滩水库 湖北 长江 11.6 澄碧河水库 广西 珠江 11.54 鹤地水库 广东 九洲江 11.51 高州水库 广东 鉴江 11.5 岳城水库 河北 海河 10.9 西大洋水库 河北 海河 10.7 宿鸭湖水库 河南 淮河 10.4 狮子滩水库 四川 长江 10.2
展开阅读全文

开通  VIP会员、SVIP会员  优惠大
下载10份以上建议开通VIP会员
下载20份以上建议开通SVIP会员


开通VIP      成为共赢上传

当前位置:首页 > 百科休闲 > 其他

移动网页_全站_页脚广告1

关于我们      便捷服务       自信AI       AI导航        抽奖活动

©2010-2026 宁波自信网络信息技术有限公司  版权所有

客服电话:0574-28810668  投诉电话:18658249818

gongan.png浙公网安备33021202000488号   

icp.png浙ICP备2021020529号-1  |  浙B2-20240490  

关注我们 :微信公众号    抖音    微博    LOFTER 

客服