收藏 分销(赏)

CAD工程制图规则.doc

上传人:xrp****65 文档编号:7046096 上传时间:2024-12-25 格式:DOC 页数:11 大小:295KB 下载积分:10 金币
下载 相关 举报
CAD工程制图规则.doc_第1页
第1页 / 共11页
CAD工程制图规则.doc_第2页
第2页 / 共11页


点击查看更多>>
资源描述
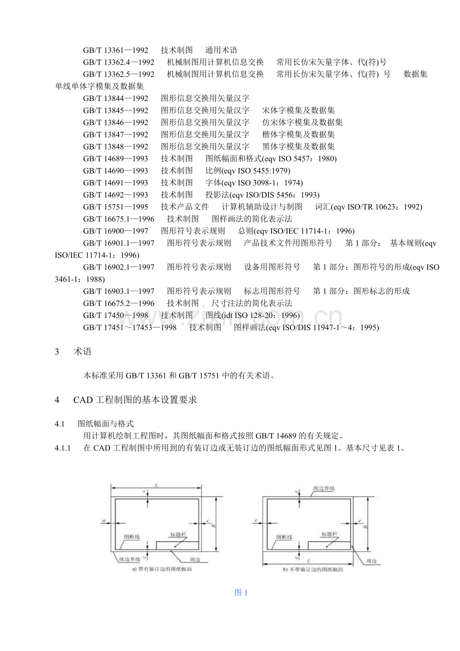
中华人民共和国国家标准  CAD工程制图规则  GB/T18229—2000 Rule of CAD engineering drawing 目 录 前 言 1 1 范围 1 2 引用标准 2 3 术语 2 4 CAD工程制图的基本设置要求 2 5 投影法 8 6 图形符号的绘制 10 7 CAD工程图的基本画法 10 8 CAD工程图的尺寸标注 10 9 CAD工程图的管理 11 附 录 A 12   前 言   本标准是根据我国计算机辅助设计与制图发展的需要,结合国内已有的机械CAD、电气CAD、建筑CAD等领域的情况以及有关技术制图国家标准和ISO/TC10技术产品文件标准化技术委员会中的有关资料编写而成的。 本标准的附录A是提示的附录。 本标准由国家机械工业局提出。 本标准由全国技术产品文件标准化技术委员会归口。 本标准主要起草单位:机械科学研究院、中国标准化与信息分类编码研究所、中国建筑科学研究院、全国电气文件编制与图形符号标准化技术委员会。 本标准主要起草人:杨东拜、强毅、王平、方天培、李世林、侯颖。   中华人民共和国国家标准  CAD工程制图规则  GB/T18229—2000 Rule of CAD engineering drawing  国家质量技术监督局 2000-10-17批准 2001-15-01实施    1 范围   本标准规定了用计算机绘制工程图的基本规则。 本标准适用于机械、电气、建筑等领域的工程制图以及相关文件。   2 引用标准   下列标准所包含的条文,通过在本标准中引用而构成为本标准的条文。本标准出版时,所示版本均为有效。所有标准都会被修订,使用本标准的各方应探讨使用下列标准最新版本的可能性。 GB/T 10609.1—1989 技术制图 标题栏(neq ISO 7200:1984) GB/T 10609.2—1989 技术制图 明细栏(neq ISO 7573:1983) GB/T 13361—1992 技术制图 通用术语 GB/T 13362.4—1992 机械制图用计算机信息交换 常用长仿宋矢量字体、代(符)号 GB/T 13362.5—1992 机械制图用计算机信息交换 常用长仿宋矢量字体、代(符) 号 数据集单线单体字模集及数据集 GB/T 13844—1992 图形信息交换用矢量汉字 GB/T 13845—1992 图形信息交换用矢量汉字 宋体字模集及数据集 GB/T 13846—1992 图形信息交换用矢量汉字 仿宋体字模集及数据集 GB/T 13847—1992 图形信息交换用矢量汉字 楷体字模集及数据集 GB/T 13848—1992 图形信息交换用矢量汉字 黑体字模集及数据集 GB/T 14689—1993 技术制图 图纸幅面和格式(eqv ISO 5457:1980) GB/T 14690—1993 技术制图 比例(eqv ISO 5455:1979) GB/T 14691—1993 技术制图 字体(eqv ISO 3098-1:1974) GB/T 14692—1993 技术制图 投影法(eqv ISO/DIS 5456:1993) GB/T 15751—1995 技术产品文件 计算机辅助设计与制图 词汇(eqv ISO/TR 10623:1992) GB/T 16675.1—1996 技术制图 图样画法的简化表示法 GB/T 16900—1997 图形符号表示规则 总则(eqv ISO/IEC 11714-1:1996) GB/T 16901.1—1997 图形符号表示规则 产品技术文件用图形符号 第1部分: 基本规则(eqv ISO/IEC 11714-1:1996) GB/T 16902.1—1997 图形符号表示规则 设备用图形符号 第1部分:图形符号的形成(eqv ISO 3461-1:1988) GB/T 16903.1—1997 图形符号表示规则 标志用图形符号 第1部分:图形标志的形成 GB/T 16675.2—1996 技术制图 尺寸注法的简化表示法 GB/T 17450—1998 技术制图 图线(idt ISO 128-20:1996) GB/T 17451~17453—1998 技术制图 图样画法(eqv ISO/DIS 11947-1~4:1995)   3 术语   本标准采用GB/T 13361和GB/T 15751中的有关术语。   4 CAD工程制图的基本设置要求   4.1 图纸幅面与格式 用计算机绘制工程图时,其图纸幅面和格式按照GB/T 14689的有关规定。 4.1.1 在CAD工程制图中所用到的有装订边或无装订边的图纸幅面形式见图1。基本尺寸见表1。       图1 表1 mm 幅面代号 A0 A1 A2 A3 A4 B×L 841×1189 594×841 420×594 297×420 210×297 E 20 10 C 10 5 A 25 注:在CAD绘图中对图纸有加长加宽的要求时,应按基本幅面的短边(B)成整数倍增加。   4.1.2 CAD工程图中可根据需要,设置方向符号见图2、剪切符号见图3、米制参考分度见图4和对中符号见图5。 4.1.3 对图形复杂的CAD装配图一般应设置图幅分区,其形式见图5。   图2   图3   图4   图5   4.2 比例 用计算机绘制工程图样时的比例大小应按照GB/T 14690中规定。 4.2.1 在CAD工程图中需要按比例绘制图形时,按表2中规定的系列选用适当的比例。   表2 种 类 比 例 原值比例 1∶1     放大比例 5∶1 5×10n∶1 2∶1 2×10n∶1   1×10n∶1 缩小比例 1∶2 1∶2×10n 1∶5 1∶5×10n 1∶10 1∶10×10n 注:n为正整数。     4.2.2 必要时,也允许选取表3中的比例。   表3 种 类 比 例 放大比例 4∶1 4×10n∶1 2.5∶1 2.5×10n∶1       缩小比例 1∶1.5 1∶1.5×10n 1∶2.5 1∶2.5×10n 1∶3 1∶3×10n 1∶4 1∶4×10n 1∶6 1∶6×10n 注:n为正整数     4.3 字体 CAD工程图中所用的字体应按GB/T 13362.4~13362.5和GB/T 14691要求,并应做到字体端正、笔画清楚、排列整齐、间隔均匀。 4.3.1 CAD工程图的字体与图纸幅面之间的大小关系参见表4。   表4 mm 图幅 字体 A0 A1 A2 A3 A4 字母数字 3.5 汉 字 5     4.3.2 CAD工程图中字体的最小字(词)距、行距以及间隔线或基准线与书写字体之间的最小距离见表5。 表5 mm 字 体 最 小 距 离 汉 字 字距 1.5 行距 2 间隔线或基准线与汉字的间距 1 拉丁字母、阿拉伯数字、希 腊字母、罗马数字 字符 0.5 词距 1.5 行距 1 间隔线或基准线与字母、数字的间距 1 注:当汉字与字母、数字混合使用时,字体的最小字距、行距等应根据汉字的规定使用    4.3.3 CAD工程图中的字体选用范围见表6。   表6 汉字字型 国家标准号 字体文件名 应 用 范 围 长仿宋体 GB/T 13362.4~13362.5—1992 HZCF.* 图中标注及说明的汉字、标题栏、明细栏等 单线宋体 GB/T 13844—1992 HZDX.* 大标题、小标题、图册封面、目录清单、标题栏中设计单位名称、图样名称、工程名称、 地形图等 宋 体 GB/T 13845—1992 HZST.* 仿宋体 GB/T 13846—1992 HZFS.* 楷 体 GB/T 13847—1992 HZKT.* 黑 体 GB/T 13848—1992 HZHT.*   4.4 图线 CAD工程图中所用的图线,应遵照GB/T 17450中的有关规定。 4.4.1 CAD工程图中的基本线型见表7。 表7 代 码 基 本 线 型 名 称 01 实线 02 虚线 03 间隔画线 04 —·—·—·—·—·—·—·—·—· 单点长画线 05 双点长画线 06 … … … … 三点长画线 07 点线 08 — - — - — - — - — 长画短画线 09 — - - — - - — - - — - - 长画双点画线 10 点画线 11 --·--·--·-- 单点双画线 12 -··-··-··-··- 双点画线 13 ··--··--·· 双点双画线 14 -···-···-···-··· 三点画线 15 ···— —···— —···— — 三点双画线   4.4.2 基本线型的变形见表8。 表8 基 本 线 型 的 变 形 名 称 规则波浪连续线 规则螺旋连续线 规则锯齿连续线 波浪线 注:本表仅包括表7中No.01基本线型的类型,No.02~15可用同样方法的变形表示。   4.4.3 基本图线的颜色 屏幕上的图线一般应按表9中提供的颜色显示,相同类型的图线应采用同样的颜色。   表9 图 线 类 型 屏幕上的颜色   图 线 类 型 屏幕上的颜色 粗实线 白 色 虚 线 黄 色 细实线 绿 色 细点画线 红 色 波浪线 粗点画线 棕 色 双折线 双点画线 粉红色     4.5 剖面符号 CAD工程图中剖切面的剖面区域的表示见表10。 4.6 标题栏 CAD工程图中的标题栏,应遵守GB/T 10609.1中的有关规定。 4.6.1 每张CAD工程图均应配置标题栏,并应配置在图框的右下角。 4.6.2 标题栏一般由更改区、签字区、其他区、名称及代号区组成,见图6。CAD工程图中标题栏的格式见图7。 4.7 明细栏 CAD工程图中的明细栏应遵守GB/T 10609.2中的有关规定,CAD工程图中的装配图上一般应配置明细栏。 4.7.1 明细栏一般配置在装配图中标题栏的上方,按由下而上的顺序填写,见图8。 4.7.2 装配图中不能在标题栏的上方配置明细栏时,可作为装配图的续页按A4幅面单独绘出,其顺序应是由上而下延伸。   表10   剖面区域的式样 名 称   剖面区域的式样 名 称 金属材料/普通砖   非金属材料 (除普通砖外) 固体材料   混凝土 液体材料   木质件 气体材料   透明材料     图6     图7     图8     5 投影法   5.1 正投影法 5.1.1 正投影的基本方法 CAD工程图中表示一个物体可有六个基本投影方向,相应的六个基本的投影平面分别垂直于六个基本投影方向,通过投影所得到视图及名称见表11,物体在基本投影面上的投影称为基本视图。 5.1.2 第一角画法 将物体置于第一分角内,即物体处于观察者与投影面之间进行投影,然后按规定展开投影面,见图9,各视图之间的配置关系见图10,第一角画法的说明符号见图11。 5.2 轴侧投影 轴侧投影是将物体连同其参考直角坐标系,沿不平行于任一坐标面的方向,用平行投影法将其投射在单一投影面上所得的具有立体感的图形。常用的轴侧投影见表12。   表11 投 影 方 向 视 图 名 称 方向代号 方 向   a 自前方投影 主视图或正立面图 b 自上方投影 俯视图或平面图 c 自左方投影 左视图或左侧立面图 d 自右方投影 右视图或右侧立面图 e 自下方投影 仰视图或底面图 f 自后方投影 后视图或背立面图     图 9     图10   图11   表12   正 轴 侧 投 影 斜 轴 侧 投 影 特 性 投影线与轴侧投影面垂直 投影线与轴侧投影面倾斜 轴侧类型 等侧投影 二侧投影 三侧投影 等侧投影 二侧投影 三侧投影 简 称 正等侧 正二侧 正三侧 斜等侧 斜二侧 斜三侧 应   用   举   例 伸缩 系数 p1=q1=r1=0.82 p1=r1=0.94 视 具 体 要 求 选 用 视 具 体 要 求 选 用 p1=r1=1 q1=0.5 视 具 体 情 况 选 用 简化 系数 p=q=r=1 p=r=1 q=0.5 无 轴间角 例 图 注:轴向伸缩系数之比值,即p∶q∶r应采用简单的数值以便于作图。   5.3 透视投影 透视投影是用中心投影法将物体投射在单一投影面上所得到的具有立体感的图形。根据画面对物体的长、宽、高三组主方向棱线的相对关系(平行、垂直或倾斜),透视图分为一点透视、二点透视和三点透视,可根据不同的透视效果分别选用。   6 图形符号的绘制   在CAD工程图中绘制图形符号时,应该按照GB/T 16900~16903中规定的设计程序及图形表示的有关要求进行绘制。   7 CAD工程图的基本画法   在CAD工程制图中应遵守GB/T 17451和GB/T 17452中的有关要求。 7.1 CAD工程图中视图的选择 表示物体信息量最多的那个视图应作为主视图,通常是物体的工作位置或加工位置或安装位置。当需要其他视图时,应按下述基本原则选取: a)在明确表示物体的前提下,使数量为最小; b)尽量避免使用虚线表达物体的轮廓及棱线; c)避免不必要的细节重复。 7.2 视图 在CAD工程图中通常有基本视图、向视图、局部视图和斜视图。 7.3 剖视图 在CAD工程图中,应采用单一剖切面、几个平行的剖切面和几个相关的剖切面剖切物体得到全剖视图、半剖视图和局部剖视图。 7.4 断面图 在CAD工程图中,应采用移出断面图和复合断面图的方式进行表达。 7.5 图样简化 必要时,在不引起误解的前提下,可以采用图样简化的方式进行表示,见GB/T 16675.1的有关规定。   8 CAD工程图的尺寸标注   在CAD工程制图中应遵守相关行业的有关标准或规定。 8.1 箭头 8.1.1 在CAD工程制图中所使用的箭头形式有以下几种供选用,见图12。 8.1.2 同一CAD工程图中,一般只采用一种箭头的形式。当采用箭头位置不够时,允许用圆点或斜线代替箭头,如图13。 8.2 CAD工程图中的尺寸数字、尺寸线和尺寸界线应按照有关标准的要求进行绘制。 8.3 简化标注 必要时,在不引起误解的前提下,CAD工程制图中可以采用简化标注方式进行表示,见GB/T 16675.2。   图12   图13   9 CAD工程图的管理  9.1 CAD工程图的图层管理见表13。 表13 层 号 描 述 图 例 01 粗实线 剖切面的粗剖切线 02 细实线 细波浪线 细折断线 03 粗虚线 04 细虚线 05 细点划线 剖切面的剖切线 06 粗点画线 07 细双点划线 08 尺寸线,投影连线,尺寸终端与符号细实线 09 参考圆,包括引出线和终端(如箭头) 10 剖面符号 11 文本,细实线 ABCD 12 尺寸值和公差 432±1 13 文本,粗实线 KLMN 14,15,16 用户选用      附 录 A   (提示的附录) 第三角画法   将物体置于第三分角内,即投影面处于观察者与物体之间进行投影,然后按规定展开投影面,见图A1;各视图之间的配置关系见图A2;第三角画法的说明符号见图A3。   图A1   图A2   图A3   __________________
展开阅读全文

开通  VIP会员、SVIP会员  优惠大
下载10份以上建议开通VIP会员
下载20份以上建议开通SVIP会员


开通VIP      成为共赢上传

当前位置:首页 > 包罗万象 > 大杂烩

移动网页_全站_页脚广告1

关于我们      便捷服务       自信AI       AI导航        抽奖活动

©2010-2026 宁波自信网络信息技术有限公司  版权所有

客服电话:0574-28810668  投诉电话:18658249818

gongan.png浙公网安备33021202000488号   

icp.png浙ICP备2021020529号-1  |  浙B2-20240490  

关注我们 :微信公众号    抖音    微博    LOFTER 

客服