收藏 分销(赏)

圆筒冷冲模说明书(有设计图纸).doc

上传人:xrp****65 文档编号:7042841 上传时间:2024-12-25 格式:DOC 页数:3 大小:33.50KB 下载积分:10 金币
下载 相关 举报
圆筒冷冲模说明书(有设计图纸).doc_第1页
第1页 / 共3页
圆筒冷冲模说明书(有设计图纸).doc_第2页
第2页 / 共3页


点击查看更多>>
资源描述
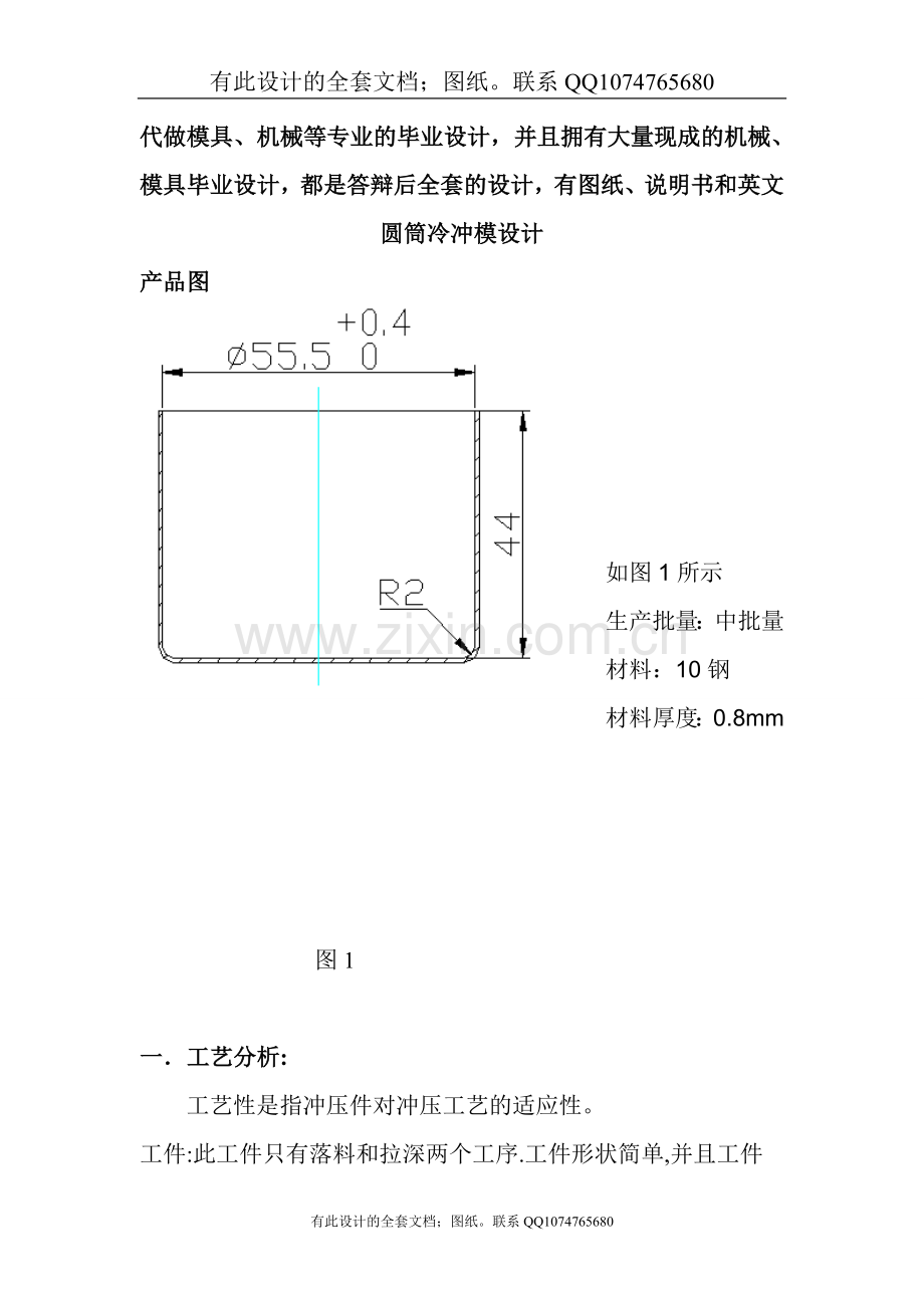
有此设计的全套文档;图纸。联系QQ1074765680 代做模具、机械等专业的毕业设计,并且拥有大量现成的机械、模具毕业设计,都是答辩后全套的设计,有图纸、说明书和英文 圆筒冷冲模设计 产品图 如图1所示 生产批量:中批量 材料:10钢 材料厚度:0.8mm 图1 一.工艺分析: 工艺性是指冲压件对冲压工艺的适应性。 工件:此工件只有落料和拉深两个工序.工件形状简单,并且工件为无凸缘圆筒件,要求内形尺寸,拉深时厚度不变,因此工件能满足落 主要通过切边模具对二次拉深件进切边,而达到所需要的产品尺寸。可以采用带锥形口的拉深凹模或带圆角的拉深凹模设计进行切边,由于切边凹模没有锋利的刃口,所以切下的废料拖有较大的毛刺,也有将这种切边方法称为挤边。用这种方法对筒形件切边由于其结构简单,使用方便,并可用复合模的结构与拉深同时进行,所以使用十分广泛。切边的工序图如下所示: 八.结束语 由于编写者水平有限,设计书中难免有缺点和错误,敬请读者批评指正.同时也多谢指导老师吴裕农在本人的设计中的指导. 九.参考文献 [1].丁松聚主编 . 冷冲模设计.北京:机械工业出版社,2001 [2]《冲压设计手册》编写组编写. 冲压设计手册.北京:机械工业出版社,1999 [3]杨玉英主编. 实用冲压工艺及模具设计手册. 北京:机械工业出版社,2004 [4]王树勋主编. 典型模具结构图册. 广州:华南理工大学出版社,2005 [5]孙凤勤、阎亚林主编. 冲压与塑压成形设备. 北京:高等教育出版社,2003 有此设计的全套文档;图纸。联系QQ1074765680
展开阅读全文

开通  VIP会员、SVIP会员  优惠大
下载10份以上建议开通VIP会员
下载20份以上建议开通SVIP会员


开通VIP      成为共赢上传

当前位置:首页 > 百科休闲 > 其他

移动网页_全站_页脚广告1

关于我们      便捷服务       自信AI       AI导航        抽奖活动

©2010-2025 宁波自信网络信息技术有限公司  版权所有

客服电话:0574-28810668  投诉电话:18658249818

gongan.png浙公网安备33021202000488号   

icp.png浙ICP备2021020529号-1  |  浙B2-20240490  

关注我们 :微信公众号    抖音    微博    LOFTER 

客服