收藏 分销(赏)

合理化建议成果申报表-四辊辊皮更换.doc

上传人:xrp****65 文档编号:7042241 上传时间:2024-12-25 格式:DOC 页数:3 大小:40.50KB 下载积分:10 金币
下载 相关 举报
合理化建议成果申报表-四辊辊皮更换.doc_第1页
第1页 / 共3页
合理化建议成果申报表-四辊辊皮更换.doc_第2页
第2页 / 共3页


点击查看更多>>
资源描述
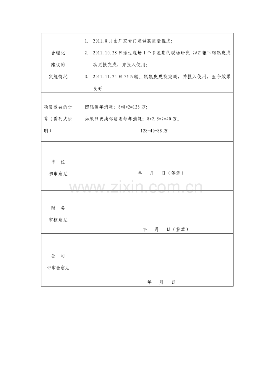
合理化建议成果申报表 申报单位:炼铁厂烧结机械点检作业区 项 目 名 称 四辊辊皮自主更换 项 目 性 质 技术改进建议 项 目 建议人 XXXX 项 目 参与人 XXXXX 提 出 时 间 2011.8 试 验 时 间 2011.10 采纳实施 时 间 2011.10 项 目 总费用 约1万元 创 造 总 价 值 节省88万/年 申 报 等 级 三等奖 推荐排序 合理化 建议的 具体内容 1.严格控制来源焦粉的粒度,减小辊皮磨损量; 2.采购一批特别定制辊皮; 3.客服更换难瓶颈,所有采购回的辊皮均现场更换完成; 合理化 建议的 实施情况 1. 2011.8月由厂家专门定做高质量辊皮; 2. 2011.10.28日通过现场1个多星期的现场研究,2#四辊下辊辊皮成功更换完成,并投入使用; 3. 2011.11.24日2#四辊上辊辊皮更换完成,并投入使用,至今效果良好 项目效益的计算(需列式说明) 四辊每年消耗:8*8*2=128万; 如果只更换辊皮则每年消耗:8*2.5*2=40万。 128-40=88万 单 位 初审意见 年 月 日(签章) 财 务 审核意见 年 月 日(签章) 公 司 评审会意见 年 月 日 合理化建议申报材料 一、实施前状况: 原料场破碎系统四辊破碎机由于其工作方式特殊且工艺要求非常严格,其辊皮在剧烈的碰撞磨损磨损下,自身厚度剧烈减少,平均每6个月需要更换新辊子,换下的辊子除辊皮磨损外其余附件都基本完好,如将其修复(在辊皮上进行堆焊修复,达到原外形尺寸)使用寿命只为3个多月,如将其整体遗弃会造成成本的浪费; 二、实施难点及风险: 1.现场无专门换辊设备,条件恶劣; 2.维检人员与点检人员经验不足; 3.如辊皮更换后出现任何意外情况,将导致设备重大事故; 4.设计的皮带机需符合现场工艺生产要求; 三、改进措施: 1.严格控制来源焦粉的粒度,减小辊皮磨损量; 2.采购一批特别定制辊皮,进行现场更换装配使用。 四、改进效果及效益: 1.更换过辊皮的辊子,使用效果与新辊效果相当,但成本节约约44万/年; 2.保障焦粉粒度的百分比,减少烧结返矿率;
展开阅读全文

开通  VIP会员、SVIP会员  优惠大
下载10份以上建议开通VIP会员
下载20份以上建议开通SVIP会员


开通VIP      成为共赢上传

当前位置:首页 > 包罗万象 > 大杂烩

移动网页_全站_页脚广告1

关于我们      便捷服务       自信AI       AI导航        抽奖活动

©2010-2025 宁波自信网络信息技术有限公司  版权所有

客服电话:0574-28810668  投诉电话:18658249818

gongan.png浙公网安备33021202000488号   

icp.png浙ICP备2021020529号-1  |  浙B2-20240490  

关注我们 :微信公众号    抖音    微博    LOFTER 

客服