收藏 分销(赏)

安全施工措施自查表.doc

上传人:可**** 文档编号:698981 上传时间:2024-02-05 格式:DOC 页数:4 大小:109.50KB 下载积分:11 金币
下载 相关 举报
安全施工措施自查表.doc_第1页
第1页 / 共4页
安全施工措施自查表.doc_第2页
第2页 / 共4页


点击查看更多>>
资源描述
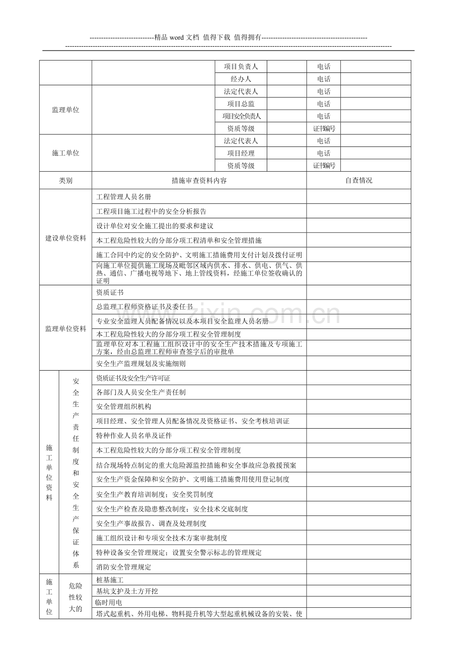
----------------------------精品word文档 值得下载 值得拥有---------------------------------------------- ---------------------------------------------------------------------------------------------------------------------------------------------- 本页为作品封面,下载后可以自由编辑删除,欢迎下载!!! 精 品 文 档 1 【精品word文档、可以自由编辑!】 建设工程项目安全施工措施自查表 工程概况 工程名称 工程地址 工程造价 建筑面积 工程(结构)类型 层次 地上 地下 计划开工日期 计划竣工日期 建设单位 法定代表人 电话 项目负责人 电话 经办人 电话 监理单位 法定代表人 电话 项目总监 电话 项目安全负责人 电话 资质等级 证书编号 施工单位 法定代表人 电话 项目经理 电话 资质等级 证书编号 类别 措施审查资料内容 自查情况 建设单位资料 工程管理人员名册 工程项目施工过程中的安全分析报告 设计单位对安全施工提出的要求和建议 本工程危险性较大的分部分项工程清单和安全管理措施 施工合同中约定的安全防护、文明施工措施费用支付计划及拨付证明 向施工单位提供施工现场及毗邻区域内供水、排水、供电、供气、供热、通信、广播电视等地下、地上管线资料,经施工单位签收确认的证明 监理单位资料 资质证书 总监理工程师资格证书及委任书 专业安全监理人员配备情况以及本项目安全监理人员名册 本工程危险性较大的分部分项工程安全管理制度 监理单位对本工程施工组织设计中的安全生产技术措施及专项施工方案,经由总监理工程师审查签字后的审批单 安全生产监理规划及实施细则 施工单位资料 安 全 生 产 责 任 制 度 和 安 全 生 产 保 证 体 系 资质证书及安全生产许可证 各部门及人员安全生产责任制 安全管理组织机构 项目经理、安全管理人员配备情况及资格证书、安全考核培训证 特种作业人员名单及证件 本工程危险性较大的分部分项工程安全管理制度 结合现场特点制定的重大危险源监控措施和安全事故应急救援预案 安全生产资金保障和安全防护、文明施工措施费用使用登记制度 安全生产教育培训制度;安全奖罚制度 安全生产检查及隐患整改制度;安全技术交底制度 安全生产事故报告、调查及处理制度 施工组织设计和专项安全技术方案审批制度 特种设备安全管理规定;设置安全警示标志的管理规定 消防安全管理规定 施工单位资料 危险 性较 大的 分部 分项 工程 专项 施工 方案 桩基施工 基坑支护及土方开挖 临时用电 塔式起重机、外用电梯、物料提升机等大型起重机械设备的安装、使用、拆除 模板支撑 脚手架 起重吊装工程 建筑幕墙的安装施工 预应力结构张拉施工 隧道工程施工 桥梁工程施工(含架桥) 特种设备施工 网架和索膜结构施工 6m以上的边坡施工 大江、大河的导流、截流施工 港口工程、航道工程 采用新技术、新工艺、新材料,可能影响建设工程质量安全,已经行政许可,尚无技术标准的施工 需组 织专 家论 证的 专项 施工 方案 开挖深度超过5m(含)或周边地质环境复查的深基坑工程 高大模板工程 非常规或超重、超高的起重吊装工程 附着式整体和分片提升脚手架及滑模 搭设高度50m及以上的落地脚手架;架体高度20m及以上的悬挑脚手架 施工高度50m及以上的建筑幕墙安装工程 大江、大河中深水作业的工程 城市房屋拆除爆破和其他土石大爆破工程 建筑起重机械 多台塔式起重机交叉作业的 邻近的构筑物在工作半径内的 外输电线路达不到安全距离的 城市主要通道在工作半径范围内通过的 现场自查 安全 防护 施工现场各项安全施工措施与项目施工特点结合情况 施工现场安全防护情况 建设单位意见: (盖章) 项目负责人: 年 月 日 总监理工程师意见: (盖章) 总 监: 年 月 日 施工单位意见: (盖章) 项目经理: 年 月 日 注:1、该表由建设、监理、施工单位对本工程开工前安全施工措施资料及现场部分自行审查检查后据实填写。填报内容应满足施工进度要求,对本工程未涉及的内容,做缺项处理。 2、参建各方应当签署明确自查意见并盖章。 3、参建单位对本表内资料和现场审查检查结果负责。 4、办理建设工程项目安全施工措施审查手续时,应将本表提交至办事窗口。 5、该表一式五份,安全监督机构、安全监督检查部门、建设、监理、施工单位各留存一份。0万U豆体验卡 卡号:50D890668267e3349e33 密码:686d03401eefba96faba 奖品名称:500万U豆体验卡 卡号:50De7a00c543af387fc0 密码:b26488ce65abc1787202 奖品名称:500万U豆体验卡 卡号:50Dbac63885c802fd52e 密码:3d1c344384327b85efff 奖品名称:500万U豆体验卡 卡号:50Dd97f0765bdf6998a3 密码:48db1c14e42a2b321fac 奖品名称:500万U豆体验卡 卡号:50D61215eb41ae3cc919 密码:25bffae5346e7b7d2548 奖品名称:100万U豆体验卡 卡号:10D1cab621456ab278ab 密码:709f65f32865af2559c2 奖品名称:100万U豆体验卡 卡号:10D8f1d6a4b953f3474e 密码:6e2e4017cce30dc7e055 奖品名称:100万U豆体验卡 卡号:10Dd1fc6d6dd529b6892 密码:a5dbdd8338f91d2c0701 奖品名称:100万U豆体验卡 卡号:10D08377b71d4374262b 密码:1d7a7c21ebd99b798a54
展开阅读全文

开通  VIP会员、SVIP会员  优惠大
下载10份以上建议开通VIP会员
下载20份以上建议开通SVIP会员


开通VIP      成为共赢上传

当前位置:首页 > 品牌综合 > 施工方案/组织设计

移动网页_全站_页脚广告1

关于我们      便捷服务       自信AI       AI导航        抽奖活动

©2010-2026 宁波自信网络信息技术有限公司  版权所有

客服电话:0574-28810668  投诉电话:18658249818

gongan.png浙公网安备33021202000488号   

icp.png浙ICP备2021020529号-1  |  浙B2-20240490  

关注我们 :微信公众号    抖音    微博    LOFTER 

客服