收藏 分销(赏)

绿化施工组织方案.doc

上传人:可**** 文档编号:698582 上传时间:2024-02-05 格式:DOC 页数:32 大小:275.50KB 下载积分:11 金币
下载 相关 举报
绿化施工组织方案.doc_第1页
第1页 / 共32页
绿化施工组织方案.doc_第2页
第2页 / 共32页


点击查看更多>>
资源描述
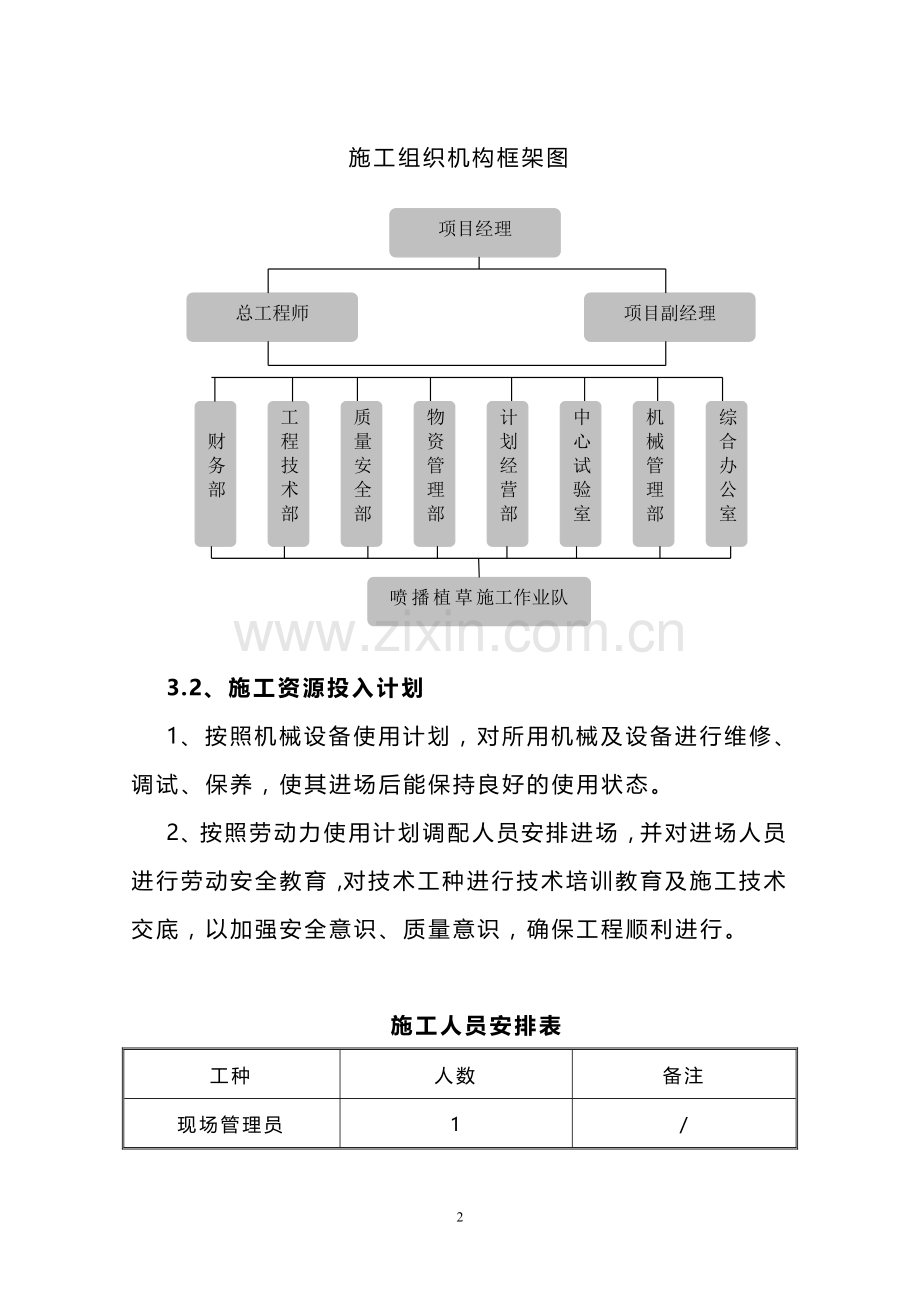
路侧绿化施工组织方案 一、工程概况 现局部边坡已完成开挖,开挖的边坡裸露,坡面较陡,对坡面进行绿化,不仅能消除和减缓裸露边坡对环境造成的不良影响,减小开发性工程项目造成的区域性水土流失,而且可实现边坡与周边自然景观的可持续协调发展,扩大绿地资源,使本高速公路的自然景观得到恢复与再造,从而满足人们对高速公路环境绿化资源的需求。 二、施工依据 1、福建省泉州至厦门高速公路扩建工程施工《招标文件》、《施工承包合同》、《边坡绿化工程设计文件》。 2、现场踏查情况 3、绿化技术规范及本地区草坪生长资料等 4、周边地区边坡防护绿化施工经验 三、施工准备 3.1组织机构 为把好本分项工程质量、安全、进度关,成立绿化管理小组,以项目经理为组长,质量管理小组下设几个职能部门,把质量措施切实落实到施工的全员、全方位和全过程中。工程部、安质部对全过程进行重点监督和全方位服务,确保质量达到预期目标。机构组织见下图: 施工组织机构框架图 项目经理 项目副经理 总工程师 综合办公室 机械管理部 中心试验室 计划经营部 物资管理部 质量安全部 工程技术部 财 务 部 喷播植草施工作业队 3.2、施工资源投入计划 1、按照机械设备使用计划,对所用机械及设备进行维修、调试、保养,使其进场后能保持良好的使用状态。 2、按照劳动力使用计划调配人员安排进场,并对进场人员进行劳动安全教育,对技术工种进行技术培训教育及施工技术交底,以加强安全意识、质量意识,确保工程顺利进行。 施工人员安排表 工种 人数 备注 现场管理员 1 / 安全员 1 / 值班电工 1 / 机械操作员 2 / 机械维修工 1 / 测量工 3 / 普工 8 / 机械设备一览表 设备名称 规格型号 数量 进场日期 技术状况 拟用何处 挖掘机 PC200 1 2009.02 良好 绿化工程 喷药车 1500升以上 1 2009.02 良好 绿化工程 洒水车 4000升以上 1 2009.02 良好 绿化工程 自卸汽车 EQ3092F东风车 1 2009.02 良好 绿化工程 全站仪 GTS600 1 2009.02 良好 绿化工程 钢尺 50m、5m 2 2009.02 新购 绿化工程 水准仪 DZS3-1 2 2009.02 新购 绿化工程 凿子 若干 2009.02 新购 绿化工程 锤子 若干 2009.02 新购 绿化工程 铁锹 若干 2009.02 新购 绿化工程 四、设备人员动员周期和设备、人员、材料运到施工现场方法。 4.1、设备、人员动员周期: 本公司可派出20名人员参加该试验项目的施工,其中公司管理人员3人,作业人员17人。 4.2、设备、人员、材料运到施工现场的方法: 合同签订后,我公司便立即着于原材料的准备工作,先派出人员到施工现场解决吃、住等生活问题,随后调配人员和主要设备入场,主要原材料通过货运方式运送到施工现场,辅助材料主张就地采购。这些工作必须有条理地进行,确保准时开工。 五、施工部署 针对本项目施工质量要求高、工期短的特点,本项目应做到: 1、密切与业主、现场施工单位、有关部门及工程监理等单位配合; 2、成立项目经理部,各司其职、互相配合、高效管理的组织实施。 3、做好施工准备: a.踏查施工现场,熟悉施工环境; b.熟悉施工图; c.抓紧做好备料工作,包括无纺布、三维网、土工格室等处理工作; d.申请开工,办理开工申请报告; e.组织机构落实,建立健全施工现场的各项制度。 六、施工组织方案 6.1、施工组织 根据施工设计图和施工现场情况,可把此合同段分为三大类:一是喷播植草;二是覆网植草(三维网植草);三是植生混合料(土工格室)防护边坡。根据高速公路的施工特点,应先对上边坡覆网植草及植生混合料防护边坡进行施工,然后进行下边坡覆网植草施工,最后对下边坡喷播植草进行施工。在整个施工路段中要分段进行,对符合场地要求的地段先施工,做到使整个工程有条不紊地实施,有计划地控制和缩短工期,在确保工程质量、工期、工程成本的前提下完成全部施工任务。 6.2、施工工艺及流程 6.2.1 喷播植草 我公司将采用国内目前较为先进的植草方法,即液压喷播植草技术,国际上称为“水力播种法”。 其原理及操作方法是应用机械动力,液压传递,将附有促进种子萌发小苗生长的种子附着剂(也称土壤改良剂)、纸浆纤维、复合肥料、保湿剂、草种子和一定量的清水,溶于喷播机内经过机械充分搅拌,形成均匀的混合液,进而通过高压泵的作用,将混合液高速均匀喷射在已经处理好的坡面上,附着在地表与土壤种子形成一个有机整体,其集生物能、化学能、机械能于一体,具有效率高、成本低、劳动力强度小、成坪快的优点。 1、场地处理 对于边坡植草、首先要采取场地处理。一般场地处理,先清理坡面上的杂草、垃圾物,对于土质较松软的坡面采用适当人工坑实,不出现坡面凹凸不平、松垮现象。对于边坡坡面较坚硬、光滑的边坡,种子在边坡上着床困难,因此采取锄头打横沟槽,槽宽3~5CM,槽深2~3CM,槽距10~15CM。 2、喷播草籽 在场地处理完后,便可采取液压喷播草籽的技术进行边坡植草。机械喷播草籽进行施工作业时,首先要确定种子及其它原材料的配比是否符合设计要求;其次,要确保由种子、肥料、土壤改良剂、纸纤维等组成的混合物充分搅拌均匀;最后在实施喷播时,要保持混合物均匀地喷洒在坡面上。这样,才能保证今后草坪的成坪效果。 机械喷播草籽示意图: 3、覆盖无纺布 根据施工期间气候情况及边坡的坡度,来确定在喷播表面层盖单层或多层无纺布,以减少了因强降水量造成对种子的冲涮,同时也减少边坡表面水份的蒸发,从而进一步改善种子的发芽、生长环境。 4、养护管理 a、及时揭开无纺布; b、喷施高效肥、促进草坪生长; c、喷施农药、预防病虫害; d、定期清除杂草; 6.2.2覆网植草(三维网植草) 三维网植草是一种新的边坡防护方式,该方法具有工艺操作方便、施工速度快、经济可行的特点,且一般能满足公路边坡防护和美化的要求,其主要物理力学技术指标要求如下:黑色,单位面积质量≥260gm2,厚度≥12mm(3层网垫),纵、横抗拉强度≥1.4KN/。 1、草种的选择: 对土质适应性强,耐酸耐碱;对环境适应性强,耐寒耐涝和耐寒出芽迅速、生长快,根系长而发育,价格便宜。具有稳定边坡、抵抗病虫害的能力,且易于管理,能与附近的植被和景观相协调。采用草灌结合的植草防护措施,必须适当混合当地矮灌木种子,灌木可根据其种类采用喷播或插栽的办法。 2、施工工艺: 坡表处理→回填改良土→挂网固定→覆土→液压喷播草籽→盖膜养护→揭膜。 3、施工方法及要求: a:坡表处理: 在修整后的坡面上进行场地处理,对表面光滑的坡面进行刮花处理;对于土质较松软的坡面采用适当人工坑实,对于凹陷处采用人工垫土修平,不要出现坡面凹凸不平、松垮现象。 坡面应顺直、圆滑、平整且稳定,将坡面不稳定的石块或杂物清除,不得有松石、危石、边坡开挖凸出或凹进均不应大于10cm,否则应进行坡面处理。 b:客土回填改良土: 选用路基清表后适宜草、灌木种植、生长的耕植土或粘性图回填坡面,整平,填土平均厚度5.5cm,整平后坡面应无悬空和空包现象。 c:挂网及固定: 三维植被网在坡顶延伸0.8~1.0m固定后,埋入截水沟或土中分至少0.5m,然后自上而下平铺至坡底,相邻网于网间搭接宽度至少20cm,网紧贴坡面,无褶皱和悬空现象,然后用Φ8钢筋做成“U”型钉进行固定,坡面固定间间距100cm,坡顶间距50cm,固定时,钉与网紧贴坡面。 ①填方边坡 选用Φ6mm钢筋和8#铁丝制成的U型钉进行固定,在坡顶、搭接处采用主锚钉固定,坡面其余部位采用辅锚钉固定。坡顶部位锚钉间距为70cm,坡面锚钉间距为100cm,固定时,锚钉要与网紧贴坡面。锚钉型号规格:主锚钉为Φ6mmU型钢钉,锚钉长20—30cm、宽10cm;辅锚钉为8#U型铁丝钉,长15—20cm,宽5cm。 ②挖方边坡 主锚钉选用Φ8mm钢筋制成的U型钢钉,辅锚钉选用Φ6mm的U型钢钉,在坡顶、搭接处采用主锚钉固定,坡面其余部分采用辅锚钉固定。坡顶部位锚钉间距50cm,坡面锚钉间距100cm,固定时,锚钉要与网紧贴坡面。锚钉型号规格:主锚钉为Φ8mmU型钢钉,U型钢钉长20—30cm、宽10cm;辅锚钉为Φ6mmU型钢钉,锚钉长15—20cm、宽5cm。 d:覆土: 用改良土填入三维植被网中,1.2cm≤填土平均厚度≤1.5cm,以刚好覆盖三维植被网表面为宜。 铺挂好三维植被网的坡面上进行回填土的施工,客土一般采用粘性土,对路堑边坡的施工,客土中可添加适量的进口复合肥。填土平均厚度大于等于1.2cm,小于等于1.5cm,,并在施工过程中,应尽量减少空网包的存在。 ①填方边坡 三维网固定后,采用干土施工法进行回填土,把粘性土、复合肥或呕制肥充分搅拌均匀,并分2—3次采用人工抛洒在已铺设三维网的边坡表面上,第一次抛洒的厚度控制在3cm为适,第二次抛洒厚度1—2cm,回填土厚度直至全部覆盖网包。每次抛洒完毕后,要在抛洒土壤层的表面进行机械洒水,机械洒水时,水注要分散,洒水量不能太多,以免造成新回填土流失,目的使回填的干土层自然沉降,并要适度夯实,防止局部新回填土层与三维网脱离。要求填土后的边坡平整、无网包外露。所选用的粘性土应颗粒均称,显粉末状,无石块与其它杂物存在,肥料可采用进口复合肥或堆呕基肥,用肥量:20g/m2 。 ②挖方边坡 由于挖方边坡的综合条件与填方边坡有较大的区别,如坡比、土壤有机含量、蓄水能力等,因此挖方边坡应采用泥浆灌注法进行回填土。将粘性土壤、复合肥或堆呕肥、粘合剂和一定量的水充分搅拌,它们用量配比如下,粘性土壤:复合肥或堆呕肥:水=10:0.06:2,粘合剂用量为1~2g/m2 。搅拌均匀后,用人工方法从上而下进行灌注,每灌注一层,要采用专用工具进行夯实,直至完全覆盖网包,没有网包外露情况,回填平均厚度保证在2—3cm。完成回填土的坡面,待自然风干4—12小时后,要及时进行喷播草籽,以免遭受雨水冲刷。 e:液压喷播草籽: 在经过施工处理好的坡面上,进行喷播植草,将草籽、保水剂、粘合剂、土壤改良剂、肥料、纸浆纤维等材料均匀喷播在坡面上,并覆盖好保护膜(无纺布)。保水剂的作用主要是增加土壤的持水能力,减少灌溉次数,提高植物抗高温、抗干旱能力;粘合剂是一种将草籽、水、混合物等各组成成份粘合在一起的多元无机聚合物,通过粘合剂的作用,增加种籽的附着能力,并且将风和雨水对土壤的侵蚀和对种子的冲损、以及土表径流降低到最少程度。 草种及灌木的选择 1、选择标准:多年生,能有效地制止野生杂草的入侵;发芽快、生长旺盛,能很快覆盖地表面;耐旱,在贫瘠地也能生长;葡匐性强,扎根性和固土性强,能有效地防止表土的移动;对当地的气候、土壤条件适应性强。 2、品种类型: 狗牙根为多年生禾草,草茎葡匐,有发达的不定根,生长迅速,覆盖能力强,为混播草坪的先锋植物,可为发育缓慢的优势草种创造良好的生长环境。百喜草为多年生禾草,具有发达的葡匐茎和发达的根系;极耐干旱,耐贫瘠,绿期长,保持水土的能力特别强,是理想的护坡草种之一。木豆为高速公路最常选用的灌木种子。它生长迅速快,具有抗旱、防风固沙、水土保持等特性。对生长环境条件要求不严,只要环境气温不长期低于5度,荒石山、荒坡都可种植,尤其都水土流失严重地区,种植木豆能迅速营造大片的水土保持经济林。 f:盖膜养护: 喷播草籽后,用30g/m2的无纺布覆盖好。喷播后应加强养护,适时适度喷水。 为保证多雨季节,植物种子生根前免受雨水冲刷;寒冷季节,植物种子和幼苗免受冻伤害;以及正常施工季节的保温保湿。采用无纺布覆盖、并力求仔细,这样可防早期无纺布被风吹跑,其目的一是预防成型后的作业面被雨冲刷;二是可保温保湿,促进植物的生长。 g:揭膜: 当幼苗植株长到5~6cm或2~3片叶时,揭去无纺布。 4、喷播后的养护管理 1)为了提高喷播效果,起保温和保湿作用,需即时覆盖丙纶无纺布。当幼苗植株高度达5—6厘米或出现2—3片叶时,揭掉丙纶无纺布。 2)喷播后加强坡面管理:在干旱季节,视土壤水分条件,适时适度喷水,以促进其快速绿化。 3)在养护期内,根据植物生长情况,施3—6次复合肥,用量视土壤化验结果而定。 4)喷播后,如果坡面被暴雨冲刷,雨停后应及时回填径流冲刷沟,同时进行补播,以防止冲刷加剧。 5)注意病虫害防治,加强预防,必要时有针对性喷施除菌剂和除虫剂。 6)对于景观要求较高的喷播绿化,应适宜进行修剪,除杂等管理,必要时可施用化学生长剂防止草坪草陡长,延长绿期,满足景观要求 5、施工原材料 ⑴、EM3三维植被网垫是一种以聚乙烯(其化学名称简称PE)为主要原料,经挤出菱形网与双向拉伸网复合、点焊、热收缩成型的三维多开口结构。 ⑵、锚钉选用优质Ф8mm和Ф6mm的钢筋和8#铁钉做成U型,禁止使用已严重腐蚀的钢筋和铁丝做为原材料。 ⑶、土壤改良剂选用进口优质的土壤改良剂。 ⑷、草灌木种子选用根系发达、粗生、耐旱的百慕达、百喜草、山毛豆、木豆等。 6、三维植被网特点 1、由于网包的作用,能降低雨滴的冲击能量,并通过网包阻挡坡面雨水的流速,从而有效地抵御雨水的冲刷。 2、网包中的充填物(土颗粒、营养土及草籽等)能被很好的固定,这样在雨水的冲蚀作用下就会减少流失。 3、在边坡表层土中起着加筋加固作用,从而有效地防止了表面土层的滑移。 4、三维植被网能有助于植被的均匀生长,植被的根系很容易在坡面土层中生长固定。 5、三维植被网能做成草毯进行异地移植,能解决需快速防护工程的植被要求。 7、三维网植草防护的特点 1、使边坡具有较大的稳定性,实施三维网植草后,草根生长与三维网形成地面网系,有效防止地表径流冲刷,而根系深入原状坡面深层,使坡面土层与三维网及草坪共同组成坡面防护体系,对坡面的稳定起到重要的作用。 2、创造一个绿意浓郁的边坡生态环境,改善公路的景观,符合现行环境要求。 3、经济可行,我们根据在其它高速公路实施的三维网植草工程,对三维植被网植草防护与拱架防护及护面墙防护的经济对比分析。 6.2.3 土工格室植草 该工程项目是边坡生态防护工程,为使边坡更好地达到防护效果,保证绿化的整体性,对坡面的渗水,涌水的处理,直接影响固土效果。在施工前,应该对坡面进行相应的处理:在局部地段产生漏水的情况下,可于坡面上挖沟并填入砂石,或在沟内设置浆砌片石处理.但在沿岩层节理等反有少量涌水产生的情况下,采用速凝剂使涌水部分缩小.集水后用软管进行排水。 1、土工格室技术参数: 抗拉强度≥150 Mpa,延伸率≤15%,炭黑含量≥2%,网格尺寸25cm x 25cm,展开尺寸4m x 12.5m(整幅为单根筋带制作),格室高度为100~150cm. 2、施工工艺: 坡表处理→土工格室展开、固定→喷播混合基材→揭膜。 3、施工方法及要求: a:坡表处理:坡面应顺直、圆滑、平整且稳定,将坡面不稳定的石块或杂物清除,不得有松石、危石,边坡开挖凸出或凹进均不应大于10cm,否则应进行坡面处理。 b:土工格室展开: 土工格室施工前,先进行锚杆的施工,按土工格室的尺寸(4m×12.5m)及格室的细目尺寸定点锚杆尺寸,锚杆必须垂直于坡面,且锚杆直径(40mm),注桨时必须分次进行,每孔按三遍成活,保证注桨的饱满,锚杆外露尺寸,按修复后的坡面伸出10cm,以保证锚杆能满足张挂格室的要求。 土工格室沿坡面,路线方向张开至最大尺寸,土工格室四周用Φ16“U”型钢筋锚钉固定,且坡顶锚钉间距70cm;中间用Φ14钢筋固定,坡面锚钉按三角形固定,间距为1.05m,将铆缝节点紧紧固定在坡面上。 c:喷播基材草籽: 底基层混合物由绿化基材,植物纤维,种植土,按一定比例参和而成,种植土应选用工程原有的地表土或附近农田土粉碎过筛,基材必须有相当饿粘附力,以保证不会脱落。 底基层施工完毕后,进行面基层的施工,首先对底层不平处进行局部修整,保持表面平整,将符合要求的基材混合草籽对坡面均匀喷播2—3遍,确保坡面草籽均匀,然后用30g/㎡的无纺土工布覆盖。 d:揭膜: 喷播后应加强管理,适时适度喷水。当幼苗植株长到5~6cm或2~3片叶时,揭去无纺布。 4、施工注意事项: 厚层绿化基材混合物由绿化基材、植物纤维、种植土及草籽一定的比例掺和而成。绿化基材由有机质、土壤结构改良剂等材料制成。植物纤维可就地取秸杆、树枝、稻草等粉碎成10~15mm长,含水量≤20%,种植土应选用工程图原有的地表土或附近农田土粉碎过筛,粒径≤8mm,含水量≤20%。大面积施工前应进行现场调查及实验,确定合适的配比,实验基材混合物的体积比为绿化基材:植物纤维:种植土=1:2:2,基材必须有相当的粘附力,以保证不会塌落。 植物种子应根据“最大恢复自然景观”的设计理念的原则择优选取,被选择植物应根系发达,生长迅速,能在短期内覆盖坡面,且必须有适当混合当地矮灌木种子,灌木可根据其种类采用喷播或插栽的办法。为确保绿化效果,植被种子在使用前应做发芽实验,发芽率应大于90%以上方可使用,对于难发芽的植被种子播种前对种子做催芽处理。 锚钉孔跟垂直坡面,孔径≥45mm,采用风枪成孔,灌浆需饱满,边、角的挂网锚钉应适当加密。锚钉锚杆均采用全长粘结式砂浆锚杆,抗拔力不低于20KN,弯头和砂浆外裸露部分采用涂沥青防腐油漆处理,防腐处理长度应伸入上将包裹体内不少于5cm。锚钉进入坡体1m,当岩体破裂时,锚钉进入坡体长1.5m。 喷射基材混合物施工结束后,每天应用高压喷雾器使养护水成雾状均匀地湿润坡面基材混合物,并控制好喷头与坡面的距离和移动速度,以防高压射水冲击坡面形成径流冲走基材混合区和种子,影响绿化效果。前期养护每日不少于2次,早晚各一次,若遇高温干旱季节应增加养护1~2次。施工中应加强工程监理,严格执行各有关施工规范,以确保工程质量。 5、土工格室用途 1、用于稳固铁路路基 可以防止碎石及级配横向移动,使整体更坚固,防止抽水,即使地基松软也可防止整个或局部坍方。在交通量大的地区如交叉道、分支道及回转道,可显著增加使用年限。 2、用于稳固公路路基 可产生高弹性力及坚固的路基与传统的石头基础相比可减少基础厚度50%以上,把重力和与地接触的压力横向分散并减少,并可用于暂时性或永久性的道路建筑上。 3、用于承受载重力的堤防、挡墙 界定旨化碎石方,形成一致的结构体,可阻挡横向压力,不管地层滑动和凝聚,都可自行调整,可支撑非结构面及自然植生层,可垂直或阶梯式设计。 6、土工格室性能特点:      由高分子材料制成的高强度宽带,经过强力焊接而形成的一片网状格室结构。它伸缩自由,运输是可缩叠起来,使用时候张开可填充土石、或混凝土料,构成具有强大侧向限制和大刚度的结构体。它可用来做垫层,处理软弱地基承载能力,也可铺设在坡面上构成坡面防护结构,还可以用来建造支挡结构  植生混合料防护边坡的主要施工程序: 边坡清理 测量放线 锚杆施工 挂网施工 客土搅拌 客土喷播 覆盖无纺布 养护管理 1边坡清理 尽可能将坡面平整,以利于客土喷播施工,同时增加坡面绿化效果。 主要对岩面碎石、松散层等进行清理,清理后凹凸平整度平均为±10cm,最大不超过±30cm。 2测量放线 ⑴、锚杆间距及深度:锚杆间距2.0m,锚杆深度详见设计文件。 ⑵、测量和放线方法 使用水平仪及卷尺首先按纵横间距2米放点,确定锚杆钻孔位置,钻孔位置由上往下进行防样。 3 锚杆施工 ⑴、锚杆的施工目的 对岩石表层进行加固,防止边坡表层发生局部崩塌,同时也可有效地固定用作客土喷播基础的镀锌网,依据岩石硬度可以风钻钻孔后打入锚杆。 ⑵、锚杆规格 锚杆,φ18mm,长100~200cm,横向、纵向间距1-2米,锚杆深入80—180CM以上,对于局部砂性岩面的边坡适当加大锚杆的长度。对于局部砂性岩面的边坡适当加大锚杆的长度。 4 挂网施工 ⑴、钢丝网规格及性质 基本材料:镀锌低炭钢丝,菱形结构 基本尺寸:丝径φ2.2mm,网孔尺寸为5cm X 5cm 包装规格:宽2mX长20m ⑵、 挂网施工方法: 放卷:自上而下 连接:相邻两卷镀锌网分别用φ2.2mm铁丝连接。 固定:至少每隔间距须用锚杆或锚钉与岩面固定。 5客土材料及搅拌 ⑴、岩石绿化料 材料来源:东北 有机成分含量:大于30% N、P、K含量:大于5% PH值:4.5~6.0 主要作用:改善土壤,促进植物生长。 ⑵、进口特制绿化剂 主要由保水剂(400倍以上),高分子凝结剂等组成。 ⑶、长效复合绿化专用肥 采用本地生产的富含N、P、K及微量元素的肥料自己调配而成,N:P:K=6: 36:6 ,为保证木本群落的生长,含P量要高,含N不宜太高。 ⑷、混合草灌种子 主要草种狗牙根、百喜草、糖蜜草等,主要选用灌木有山毛豆、木豆、猪屎豆等。 ⑸、当地土料 尽量使用当地肥土或熟土。 ⑹、植物纤维 植物纤维,整体长度不超过2cm,吸水性能好。 ⑺.材料拌和 将客土原料按一定比例放入搅拌机拌和均匀。 6 客土喷播 ⑴、客土喷播施工 通过喷射机将搅拌均匀的客土原料自上而下喷射到岩面,直至达到设计厚度为止。对于湿式客土喷播为防止喷播时客土流动可以逐层喷播以达到客土厚度。 ⑵、养护管理 由于选择了适合当地气候、土壤条件及高速公路粗放型管理的灌木种及草种,成坪后,易养护管理,施工完成后,承包人应有效地养护植草坡面,直至养护期终止。 养护工作内容是通过浇水、追肥、补种与病虫害的防治等工作,使植物始终处于健康的生长状态。养护工作也包括使喷制坡面无杂物和垃圾,并保持坡面平顺,整治且富有观赏力。 七、工程施工组织进度计划 如果在施工场地能按照甲方现有计划提供并可能连续施工的前提下,在进场开工之日起至完工,总工期92天。 1、准备期:在签订合同后至入场前期间完成。 a、施工材料; b、施工现场的调查了解工作。 2、施工期;施工时间为2009年2月27日至2009年5月30日。 八、确保工程质量和工期的措施: 为了确保工程质量和工期,我司特制定以下措施。 全面开民T、Q、C活动,保证施工质量。 1、建立完善的制度,加强技术管理。 1.1、制订奖罚制度,组建质量检查机构,落实岗位责任制,做好技术交底,加强以上措施在施工中的执行力度,运用P、D、C、A循环定期进行自责、自控、自评、以便及时发现问题和解决问题。 1.2、严格进行材料检验; 1.3、分段、分组进行质量监管; 1.4、加强各部门之间的配合与衔接。 2、加强施工工序的质量控制 2.1、施工工序严格按技术规范执行; 2.2、定期进行质量和质量评比活动,严格执行奖罚制度; 2.3、按P、O、C、A循环,不断提高标准化程度,并在执行中及时总结,修订和改进。 3、工期控制 3.1、严格按施工进度计划实施; 3.2、分段、分组进行施工; 3.3、采取加班措施; 3.4、增加施工人员,确保按时完成。 九、确保安全生产的技术组织措施 为了使整个工程顺利而安全地完成,工程施工达到无重大伤亡事故发生,且轻伤控制在 5‰以内的目标,除了严格执行国家和地方上的现行规范和新标准外,我们还要结合本工程的实际情况,制定出以下的措施。 1、安全生产组织措施 我们结合工程划分的区段以及工程的规模,决定成立以项目经理为首的安全生产管理小组,按区段确定一名专职安全员,下设三名经培训合格上岗的安全工人从事安全防护工作,各生产班组设兼职安全员从事安全情况监督与反馈信息工作,从而建立起一套完整有效的管理体系。 安全生产小组每星期活动一次,进行安全检查,发现隐患,及时整改。 专职安全员和兼职安全员的职责要严格管理。 2、安全生产管理制度 施工生产是一门系统工程。在一个多工种、多专业的大型施工现场,平行交叉作业、共用平面和空间的情况很多,需要互相制约协作,才能保证安全生产。仅靠各个分包或单项作业班组进行独立的安全管理,起不到对施工现场全面的控制作用。因此,我们建立了以项目经理为项目安全生产第一责任人,下至项目副经理、项目安全部门、专职安全员、工长、班组长、生产工人的安全管理网络。每个人在网络中都有明确的职责,项目经理是项目安全生产第一责任人,每位工长既是安全监督,也是其所负责的分项工程施工的安全第一责任人,各班组长负责该班的安全工作,专职安全工协助项目安全主任工作,这样就形成了人人注意安全,人人管安全的齐抓共管的局面。 在这一套管理模式下,我们对其中的每个成员规定了各自在安全生产管理上的职责,即制订了上至项目经理、下至作业工人的安全生产责任制。 安全宣传制与教育是防止职工产生不安全行为、减少人为失误的重要途径,制定了安全教育制度,包括三级安全教育制度、日常安全教育制度以及特种作业人员安全教育制度。 消除安全隐患是保证安全生产的关键,而安全检查是消除安全隐患的有力手段之一,特制定了安全检查制度,包括日常、定期、综合、专业四种检查形式。安全检查坚持领导与群众相结合、综合检查与专业检查相结合、检查与整改相结合的原则。检查内容包括:查思想、查领导、查制度、查安全教育培训、查安全设施、查机械设备、查安全纪律以及劳保用品的使用。 3、安全生产技术措施 实行施工现场安全标准化是实现安全生产的根本措施,是强化安全管理和安全技术的有效途径。所以,我们针对该工程的实际情况制订相应的技术措施。 3.1、要加强对参加施工人员进行安全意识教育,要严格遵守国家部、省有关安全法规以及公司有关安全技术规程和规定,所有职工都要把安全工作放在首位来对侍,在施工中要做到"一管、二定、三检查、四不放过"。 3.2、施工期间工程设立安全小组,保持与有关部门的联系,搞好交通组织工作,确保施工期间行人和车辆进出工地的安全。 3.3、工地负责人为施工安全直接责任人,负责施工现场(含生活区)的安全工作,对施工安全行监督检查职能,并对安全事故负领导责任。 3.4、安全责任人(含安全领导责任人及安全直接责任人)应经常进行安全教育,指导作业人员遵守机械操作规程,定期检查机械安全性能或安全装置,检查特种工序带证上岗制度的落实情况。 3.5、安全责任人应加强对施工现场以及工地宿舍的环境卫生、饮食卫生、治安防火等方面工作的管理,防止各种意外事故的发生。 3.6、在行人稠密区施工时,应设置施工标志,尽可能减少施工对行人的干扰,注意施工安全。卸车时禁止将苗木摆放于路面,防止苗木遭受损坏。 3.7、施工期间路口及交叉路口必须设置明显的规范路标或路牌,车辆施工进出路口时必须有安全人员穿上反光衣值班。 十、确保本项目完成的其它措施 1、服从甲方和监理的指挥,主动做好向甲方汇报及请示工作; 2、处理好与当地群众的关系,尊重当地民情风俗,不损害群众利益; 3、做到无污染施工。 附工程质量检查程序图: 下面为附送毕业论文致谢词范文!不需要的可以编辑删除!谢谢! 毕业论文致谢词 我的毕业论文是在韦xx老师的精心指导和大力支持下完成的,他渊博的知识开阔的视野给了我深深的启迪,论文凝聚着他的血汗,他以严谨的治学态度和敬业精神深深的感染了我对我的工作学习产生了深渊的影响,在此我向他表示衷心的谢意 这三年来感谢广西工业职业技术学院汽车工程系的老师对我专业思维及专业技能的培养,他们在学业上的心细指导为我工作和继续学习打下了良好的基础,在这里我要像诸位老师深深的鞠上一躬!特别是我的班主任吴廷川老师,虽然他不是我的专业老师,但是在这三年来,在思想以及生活上给予我鼓舞与关怀让我走出了很多失落的时候,“明师之恩,诚为过于天地,重于父母”,对吴老师的感激之情我无法用语言来表达,在此向吴老师致以最崇高的敬意和最真诚的谢意! 感谢这三年来我的朋友以及汽修0932班的四十多位同学对我的学习,生活和工作的支持和关心。三年来我们真心相待,和睦共处,不是兄弟胜是兄弟!正是一路上有你们我的求学生涯才不会感到孤独,马上就要各奔前程了,希望(,请保留此标记。)你们有好的前途,失败不要灰心,你的背后还有汽修0932班这个大家庭! 最后我要感谢我的父母,你们生我养我,纵有三世也无法回报你们,要离开你们出去工作了,我在心里默默的祝福你们平安健康,我不会让你们失望的,会好好工作回报社会的。 致谢词2 在本次论文设计过程中,感谢我的学校,给了我学习的机会,在学习中,老师从选题指导、论文框架到细节修改,都给予了细致的指导,提出了很多宝贵的意见与建议,老师以其严谨求实的治学态度、高度的敬业精神、兢兢业业、孜孜以求的工作作风和大胆创新的进取精神对我产生重要影响。他渊博的知识、开阔的视野和敏锐的思维给了我深深的启迪。这篇论文是在老师的精心指导和大力支持下才完成的 感谢所有授我以业的老师,没有这些年知识的积淀,我没有这么大的动力和信心完成这篇论文。感恩之余,诚恳地请各位老师对我的论文多加批评指正,使我及时完善论文的不足之处。 谨以此致谢最后,我要向百忙之中抽时间对本文进行审阅的各位老师表示衷心的感谢。 开学自我介绍范文:首先,我想说“荣幸”,因为茫茫人海由不相识到相识实在是人生一大幸事,更希望能在三年的学习生活中能够与大家成为好同学,好朋友。其次我要说“幸运”,因为在短暂的私下接触我感觉我们班的同学都很优秀,值得我学习的地方很多,我相信我们班一定将是团结、向上、努力请保留此标记。)的班集体。最后我要说“加油”衷心地祝愿我们班的同学也包括我在内通过三年的努力学习最后都能够考入我们自己理想中的大学,为老师争光、为家长争光,更是为了我们自己未来美好生活和个人价值,加油。哦,对了,我的名字叫“***”,希望大家能记住我,因为被别人记住是一件幸福的事!! )查看更多与本文《高中生开学自我介绍》相关的文章。 下面为附送毕业论文致谢词范文!不需要的可以编辑删除!谢谢! 毕业论文致谢词 我的毕业论文是在韦xx老师的精心指导和大力支持下完成的,他渊博的知识开阔的视野给了我深深的启迪,论文凝聚着他的血汗,他以严谨的治学态度和敬业精神深深的感染了我对我的工作学习产生了深渊的影响,在此我向他表示衷心的谢意 这三年来感谢广西工业职业技术学院汽车工程系的老师对我专业思维及专业技能的培养,他们在学业上的心细指导为我工作和继续学习打下了良好的基础,在这里我要像诸位老师深深的鞠上一躬!特别是我的班主任吴廷川老师,虽然他不是我的专业老师,但是在这三年来,在思想以及生活上给予我鼓舞与关怀让我走出了很多失落的时候,“明师之恩,诚为过于天地,重于父母”,对吴老师的感激之情我无法用语言来表达,在此向吴老师致以最崇高的敬意和最真诚的谢意! 感谢这三年来我的朋友以及汽修0932班的四十多位同学对我的学习,生活和工作的支持和关心。三年来我们真心相待,和睦共处,不是兄弟胜是兄弟!正是一路上有你们我的求学生涯才不会感到孤独,马上就要各奔前程了,希望(,请保留此标记。)你们有好的前途,失败不要灰心,你的背后还有汽修0932班这个大家庭! 最后我要感谢我的父母,你们生我养我,纵有三世也无法回报你们,要离开你们出去工作了,我在心里默默的祝福你们平安健康,我不会让你们失望的,会好好工作回报社会的。 致谢词2 在本次论文设计过程中,感谢我的学校,给了我学习的机会,在学习中,老师从选题指导、论文框架到细节修改,都给予了细致的指导,提出了很多宝贵的意见与建议,老师以其严谨求实的治学态度、高度的敬业精神、兢兢业业、孜孜以求的工作作风和大胆创新的进取精神对我产生重要影响。他渊博的知识、开阔的视野和敏锐的思维给了我深深的启迪。这篇论文是在老师的精心指导和大力支持下才完成的 感谢所有授我以业的老师,没有这些年知识的积淀,我没有这么大的动力和信心完成这篇论文。感恩之余,诚恳地请各位老师对我的论文多加批评指正,使我及时完善论文的不足之处。 谨以此致谢最后,我要向百忙之中抽时间对本文进行审阅的各位老师表示衷心的感谢。 开学自我介绍范文:首先,我想说“荣幸”,因为茫茫人海由不相识到相识实在是人生一大幸事,更希望能在三年的学习生活中能够与大家成为好同学,好朋友。其次我要说“幸运”,因为在短暂的私下接触我感觉我们班的同学都很优秀,值得我学习的地方很多,我相信我们班一定将是团结、向上、努力请保留此标记。)的班集体。最后我要说“加油”衷心地祝愿我们班的同学也包括我在内通过三年的努力学习最后都能够考入我们自己理想中的大学,为老师争光、为家长争光,更是为了我们自己未来美好生活和个人价值,加油。哦,对了,我的名字叫“***”,希望大家能记住我,因为被别人记住是一件幸福的事!! )查看更多与本文《高中生开学自我介绍》相关的文章。 精品word文档可以编辑(本页是封面) 【最新资料 Word版 可自由编辑!!】 32
展开阅读全文

开通  VIP会员、SVIP会员  优惠大
下载10份以上建议开通VIP会员
下载20份以上建议开通SVIP会员


开通VIP      成为共赢上传

当前位置:首页 > 品牌综合 > 施工方案/组织设计

移动网页_全站_页脚广告1

关于我们      便捷服务       自信AI       AI导航        抽奖活动

©2010-2026 宁波自信网络信息技术有限公司  版权所有

客服电话:0574-28810668  投诉电话:18658249818

gongan.png浙公网安备33021202000488号   

icp.png浙ICP备2021020529号-1  |  浙B2-20240490  

关注我们 :微信公众号    抖音    微博    LOFTER 

客服