收藏 分销(赏)

彰武热电有限责任公司厂内热源改造35T.doc

上传人:xrp****65 文档编号:6981190 上传时间:2024-12-24 格式:DOC 页数:7 大小:217KB 下载积分:10 金币
下载 相关 举报
彰武热电有限责任公司厂内热源改造35T.doc_第1页
第1页 / 共7页
彰武热电有限责任公司厂内热源改造35T.doc_第2页
第2页 / 共7页


点击查看更多>>
资源描述
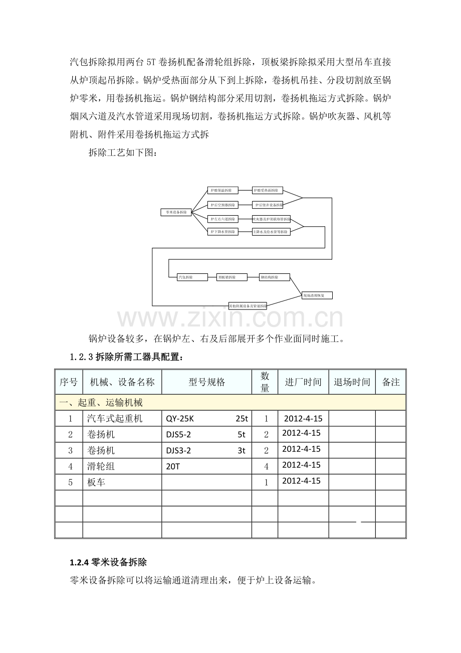
彰武热电有限责任公司厂内热源改造35T/h锅炉拆除方案 1 工程概述 1.1 工程概况 3号锅炉厂房内35T/h锅炉本体及所属附属设备,不含公用系统管道、设备。 具体范围: 1) 锅炉本体钢结构,给水系统以流量孔板为界,主汽系统以主汽一次门为界(不含孔板、主汽一次阀门)。 2) 本体全部扶梯、走台。 3) 二次风机风道界限为风机出、入口。 4) 给煤系统界限为给煤机入口。 5) 一次风机出口风道。 6) 给煤机、抛煤机、马丁除渣机、炉排减速机、一次风机、二次风机。(均含电机) 7) 锅炉所属砌筑材料、耐火材料料、密封、保温材料。 8) 热工表管、变送器、测试原件、一次风机入口风道、炉水取样系统不在招标范围内。 1.2 锅炉间设备拆除 1.2.1 拆除作业前准备工作 拆除前的施工准备 1、对施工机械进行全面检查,发现问题及时消除,以免在施工中发生不安全现象。 2、将施工过程中所有材料、工具、机具等运入现场,由专人负责保管。 3、与贵单位联系,是否将有关汽、水管道隔离、电源切断。 4、对施工现场孔、洞、沟设置安全隔离带,并挂警告牌。 5、组织施工人员熟悉锅炉设备结构和施工现场,明确拆除任务和工作顺序。 1.2.2 锅炉设备拆除顺序 锅炉间设备拆除工作量大,大件多,拆除难度较大。为方便拆除 及设备运输,先确定拆除运输通道。锅炉间设备拆除难点为汽包及顶板梁拆除,设备外形尺寸大、重量大,不易拆除及运输。 汽包拆除拟用两台5T卷扬机配备滑轮组拆除,顶板梁拆除拟采用大型吊车直接从炉顶起吊拆除。锅炉受热面部分从下到上拆除,卷扬机吊挂、分段切割放至锅炉零米,用卷扬机拖运。锅炉钢结构部分采用切割,卷扬机拖运方式拆除。锅炉烟风六道及汽水管道采用现场切割,卷扬机拖运方式拆除。锅炉吹灰器、风机等附机、附件采用卷扬机拖运方式拆 拆除工艺如下图: 锅炉设备较多,在锅炉左、右及后部展开多个作业面同时施工。 1.2.3拆除所需工器具配置: 序号 机械、设备名称 型号规格 数量 进厂时间 退场时间 备注 一、起重、运输机械 1 汽车式起重机 QY-25K 25t 1 2012-4-15 2 卷扬机 DJS5-2 5t 2 2012-4-15 3 卷扬机 DJS3-2 3t 2 2012-4-15 4 滑轮组 20T 4 2012-4-15 5 板车 1 2012-4-15 1.2.4零米设备拆除 零米设备拆除可以将运输通道清理出来,便于炉上设备运输。 零米设备包括除渣机、一次风机、二次风机等设备,除渣机可直 接切割拆除,一、二次风机由检修吊车或卷扬机吊起拖运至运输通道运走。零米管道直接切割拖运。 1.2.5炉膛受热面等设备拆除 炉膛水冷壁管排拆除前先将刚性梁解开,下联箱小降水切除,沿四角密封缝切开成为前后左右四片,每片水冷壁上下分为四段切割拆除,燃烧器以下为一段,燃烧器所在位置为第二段,燃烧器到折焰角为第三段,顶部为第四段。每段切割前先将卷扬机吊点挂好,吊点可在水冷壁上直接切出,将鳍片切出吊装孔作为吊点。卷扬机布置在运转层平面,以钢结构柱 作为生根点。卷扬机提升至钢丝绳着力为止,沿确定好的切割位置将水冷壁管排横向切断,用卷扬机放至炉下零米 拖出运走。 顶部管屏拆除与水冷壁拆除方法基本相同,在炉顶板梁相应位置处设滑轮组,选择管屏上联箱作为吊点,将管屏提起后解除吊杆螺栓,将管屏放至零米拖走。 1.2.6尾部空预器及竖井内设备拆除 尾部空预器连接烟风道先切除,并将空预器各箱体连接处切开, 分成各独立箱体,由下层向上层逐层拆除。下层箱体拆除时以上层预热器的支撑梁为吊点,将下层箱体吊起,然后切除下层箱体的支撑梁,将下层箱体放至零米拖走。空气预热器其他各层箱体依次拆除。 尾部空气预热器拆除后,将省煤器灰斗拆除,至此,尾部竖井下方形成拆除通道,可以进行上部竖井内受热面设备拆除。 竖井内受热面包括省煤器、包墙过热器、低温过热器等设备。先将省煤器护板拆除,之后是省煤器管排,省煤器联箱可切断后吊下。 包墙过热器拆除前先将环形联箱及各片包墙间密封缝切开,解开刚性梁连接,各片包墙以上联箱为吊点,顶板梁为滑轮组吊挂点,依次放至零米,在地面分段切开,便于运输拖运。 竖井内低温过热器管排以顶板梁为吊挂点直接放至地面拖走。 1.2.7六道、降水管及联络管拆除 六道拆除以方便设置吊点为原则,切割的大小依据所在位置及拖运方便确定,烟风道形体较大,多为方形,重量较轻,可分为若干段拆除,便于空间拖运。 送粉管道可根据其走向切割,弯管段短切,方便运输,保留较长直管段,减少空中切割量,放至地面后再分段切割运走。 小降水就地切割,大降水分段切除,以汽包为滑轮组吊挂点。 炉顶联络管直径较小,可在顶棚位置直接切割后集中由卷扬机运下,其他管道根据走向布置分段切割位置,大直径管道应计算各段重 量,确定吊点位置及切割位置后再进行拆除,如主汽管等。 1.2.8汽包及顶板梁拆除 汽包使用两台5吨卷扬机拆除,卷扬机布置在地面,以钢结构柱为生根点,在板梁上焊接2个临时支架,滑轮组吊挂点选在临时支架上,汽包拆除前将汽包下降通道内的各障碍物清除,包括汽包平台,两台卷扬机各吊汽包一端,先将汽包提起,拆除汽包吊挂装置,两台卷扬机配合将汽包放下。放汽包过程中两台卷扬机应保持汽包水平,若下放过程中汽包倾角过大,应及时调整。 上部滑轮组用钢丝绳固定在临时吊挂梁上,吊挂梁包半圆钢管保护钢丝绳,防止钢丝绳磨损。下部滑轮组与汽包相连,汽包缠绕钢丝绳后挂在下部滑轮组上。 顶板梁重量较大,上部无滑轮组吊挂点,准备利用屋顶钢屋架作为卷扬机滑轮吊点,由于屋架强度所限,拟采用加固屋架方法,即在板梁下部钢柱上临时焊接三角架,三角架与屋顶钢屋架之间用钢管加固,增加钢屋架强度,然后通过屋架吊点将板梁分段切割后通过卷扬机送至运转层。 1.2.9锅炉钢结构拆除 锅炉钢结构拆除由卷扬机完成,同时可利用吊车参与拆除工作。 钢结构拆除前炉内设备基本拆完运走,钢结构由顶部开始拆除工作,先拆除顶层各连接梁,然后是外侧钢柱、内侧钢柱。 钢梁拆除时以钢柱顶端为滑轮吊挂点,切除连接梁后放至地面,外圈钢柱拆除时以内侧钢柱顶为滑轮吊挂点,内侧柱拆除时以相邻柱 顶为滑轮 吊挂点。最后一根钢柱的拆除可分段切割或由吊车拆除。 2、施工现场搬运工作及清理工作 2.1拆除的物件要归类堆放,不要乱堆乱放,如型钢、管材、砖块、保温材料、集箱、空预器、汽包等,要分别堆放在甲方指定位置。 2.2废物搬运中,不能碰坏甲方完好设备及锅炉房其他设施。 2.3砖块、保温材料搬运和倾倒时最好用水浇湿,避免倾倒时灰尘四起。 2.4物料临时堆放时,要注意保证道路畅通、清洁。 2.5、金属件及垃圾临时堆放时,要设置安全警戒线,防止晚上碰伤工人。 2.6锅炉所有拆除物件要尽早处理掉,并及时进行清理。 2.7、将锅炉及拆除物堆放处用自来水冲洗干净。 2.8施工现场清理干净后经甲方人员检查合格,方可移交。 3、安全措施 3.1、凡进入施工现场工作人员必须佩戴安全帽,对高空作业,应搭设脚手架,佩戴安全帽。 3.2做好防火措施。设置必要防火设备,如灭火器、砂箱和其它消防工具,保证随时可用。 3.3使用可燃物品(乙炔、氧气)的人员必须熟悉这此材料的特性及防火、防爆规则,并由专人负责更换气瓶、调节气压。 3.4担任高空作业人员必须身体健康,患有心脏病、高血压等不宜从事高空作业。凡发现饮酒、精神不振时,禁止高空作业。 3.5高空作业须先搭脚架或采取防止坠落措施,方可进行。 4、规范施工、安全施工: 4.1遵守甲方厂规,认真执行本集团公司的“施工安全管理规定”的有关内容确保安全施工。 4.2建立和完善安全生产责任制,确保设备人员的安全生产。 4.3对施工难度大,结构复杂的工作,应认真的和施工工作人员研究拆除作业,做到安全无误。 4.4对高空作业,应搭设脚手架,佩戴安全带。 4.5严格制止违章作业、服从甲方安全监督人员的指导。
展开阅读全文

开通  VIP会员、SVIP会员  优惠大
下载10份以上建议开通VIP会员
下载20份以上建议开通SVIP会员


开通VIP      成为共赢上传

当前位置:首页 > 包罗万象 > 大杂烩

移动网页_全站_页脚广告1

关于我们      便捷服务       自信AI       AI导航        抽奖活动

©2010-2025 宁波自信网络信息技术有限公司  版权所有

客服电话:0574-28810668  投诉电话:18658249818

gongan.png浙公网安备33021202000488号   

icp.png浙ICP备2021020529号-1  |  浙B2-20240490  

关注我们 :微信公众号    抖音    微博    LOFTER 

客服