收藏 分销(赏)

公路施工测量方案.doc

上传人:可**** 文档编号:692212 上传时间:2024-02-02 格式:DOC 页数:11 大小:261KB 下载积分:11 金币
下载 相关 举报
公路施工测量方案.doc_第1页
第1页 / 共11页
公路施工测量方案.doc_第2页
第2页 / 共11页


点击查看更多>>
资源描述
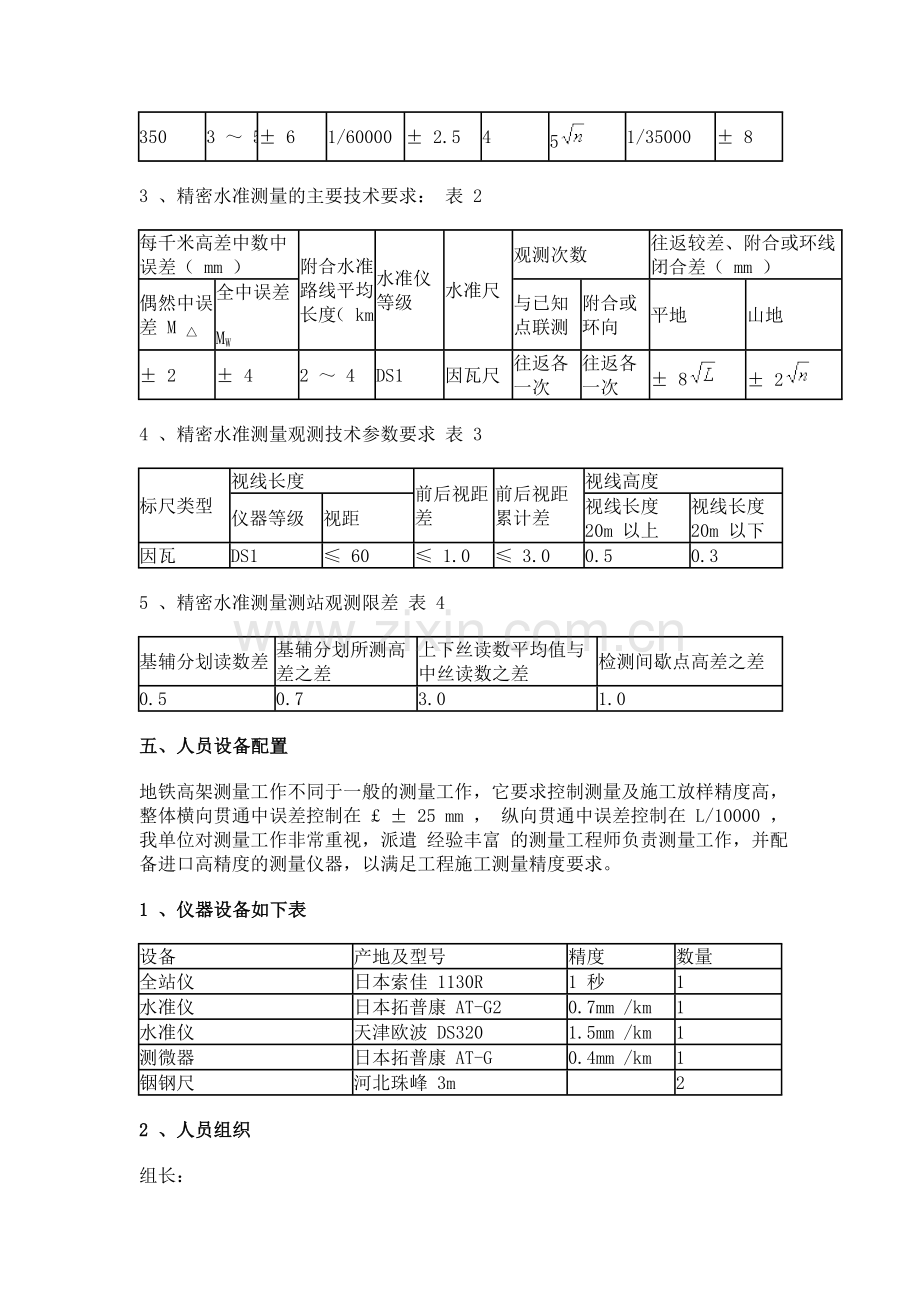
一、工程概况 TA16 标段土建工程包括钟灵街~马群区间高架、马群~车辆段区间高架以及马群站。全线长约 2300 米 , 场地位于紫金山东南麓岗前坡脚地带,地形起伏较大。地势总体东北较高,西南较低,地面标高在 23.14 ~ 19.15m ,相对高差 3.99m 。 二、测量技术规范 《地下铁道、轻轨交通工程测量规范》 GB50308 — 1999 《城市测量规范》 CJJ8 — 99 《工程测量规范》 GB50026 — 93 《地下铁道工程施工及验收规范》 GB50299-1999 《建筑变形测量规程》 JGJ/T8-97 三 、线路设计标准 1 、本标段设计最小曲线半径:区间正线 400m ,困难地段 350m ;联络线、出入线 250m , 困难地段 150m ;最大半径 1500m 。 2 、最大纵坡:区间正线 30 ‰,困难地段 35 ‰,坡段长度小于 600m 。 3 、桥下净空:跨越主干道不低于 5m ,跨越一般道路不低于 4.5m ,跨越非机动车道不低于 3.5m 。 四 、施工控制测量等级 本标段首级控制点的等级为三等导线,导线点编号分别为 : DT Ⅱ -042 、 DT Ⅱ -03 、 DT Ⅱ -041 、 DT Ⅱ -042 ,为了便于施工测量控制,我们延地铁高架的走向加密了 8 个四等导线点和 7 个二等水准点(点位布置图附后)。 1 、施工控制测量等级是在首级控制网下加密的,加密等级精度要求按照 《地下铁道、轻轨交通工程测量规范》 GB50308 — 1999 精密导线测设。具体要求见下列表 1 、表 2 、表 3 、表 4 2 、精密导线测量的主要技术要求: 表 1 平均边长( m ) 导线总长 (km) 测距中误差 (mm) 测距相对中误差 (mm) 测角中误差 ( ″ ) 测回数Ⅰ级全站仪 方位角闭合差 ( ″ ) 全长相对闭合差 相邻点的相对中误差 (mm) 350 3 ~ 5 ± 6   1/60000 ± 2.5 4 5 1/35000 ± 8 3 、精密水准测量的主要技术要求: 表 2 每千米高差中数中误差( mm ) 附合水准路线平均长度( km ) 水准仪等级 水准尺 观测次数 往返较差、附合或环线闭合差( mm ) 偶然中误差 M △ 全中误差 MW 与已知点联测 附合或环向 平地 山地 ± 2 ± 4 2 ~ 4 DS1 因瓦尺 往返各一次 往返各一次 ± 8 ± 2 4 、精密水准测量观测技术参数要求 表 3 标尺类型 视线长度 前后视距差 前后视距累计差 视线高度 仪器等级 视距 视线长度 20m 以上 视线长度 20m 以下 因瓦 DS1 ≤ 60 ≤ 1.0 ≤ 3.0 0.5 0.3 5 、精密水准测量测站观测限差 表 4 基辅分划读数差 基辅分划所测高差之差 上下丝读数平均值与中丝读数之差 检测间歇点高差之差 0.5 0.7 3.0 1.0 五、人员设备配置 地铁高架测量工作不同于一般的测量工作,它要求控制测量及施工放样精度高,整体横向贯通中误差控制在 £ ± 25 mm , 纵向贯通中误差控制在 L/10000 , 我单位对测量工作非常重视,派遣 经验丰富 的测量工程师负责测量工作,并配备进口高精度的测量仪器,以满足工程施工测量精度要求。 1 、仪器设备如下表 设备 产地及型号 精度 数量 全站仪 日本索佳 1130R 1 秒 1 水准仪 日本拓普康 AT-G2 0.7mm /km 1 水准仪 天津欧波 DS320 1.5mm /km 1 测微器 日本拓普康 AT-G 0.4mm /km 1 铟钢尺 河北珠峰 3m 2 2 、人员组织 组长: 成员: 六、精密导线加密点布置方法 1 、 考虑到本标段 DT Ⅱ -042 、 DT Ⅱ -03 、 DT Ⅱ -041 、 DT Ⅱ -12 四个导线点相邻边的边长较长(最长边 1333.196 米,最短边 701.331 米),加密点在首级控制点的控制下采用分段布置、分段控制的方法。 2 、 以 DT Ⅱ -042 、 DT Ⅱ -03 为基线边,在两点之间加密两个点 T0 、 T1 ,组成一个闭合导线网进行验算平差;以 DT Ⅱ -12 、 DT Ⅱ -041 为基线起算边,在 DT Ⅱ -03 、 DT Ⅱ -041 之间加密两个点 T2 、 T3 ,闭合到 DT Ⅱ -041 、 DT Ⅱ -12 基线边,组成一条附合导线网进行验算平差;以 DT Ⅱ -041 、 DT Ⅱ -12 为基线边,沿绕城高速加密 4 个点,点号分别为 T4 、 T5 、 T6 、 T7 与 DT Ⅱ -041 、 DT Ⅱ -12 控制点组成一个闭合导线网进行验算平差。加密点详细位置见后附 ( 首级及加密控制网平面布置图 ) 。 3 、 加密导线点选点时应符合下列要求: 3.1 相邻边长平均不宜超过 350 米,个别边长不宜短于 100 米,长边与短边距离比控制在 1 : 3 。 3.2 点位应选在因地下铁道、轻轨交通工程施工而发生沉降变形区域以外的地方。 3.3 点位应避开地下管道等地下建筑物。 3.4 应充分利用城市的导线点。 3.5 绘制点之记,必要时设置指示桩。 七、精密高程加密点布置方法 1 、高程控制点复测精度评定按照二等水准测量技术规范要求 (GB50026-93) ,加密点精度要求及观测方法按照精密水准测量技术规范要求 (GB50308-1999) ,观测路线按照附合或闭合路线往返观测。 2 、精密高程加密点应充分利用施工区域的导线点及城市水准点,这样便于长期保护和方便使用。 3 、车站及车辆管理段的特殊区间应设置两个以上水准点,以满足施工精度需要。 4 、加密水准点间距平均控制在 300m 左右,点位应选在离施工场地变形区域以外稳固的地方,墙上水准点应选在永久性建筑物上。 5 、水准点点位应便于寻找、保存和引测。加密点详细位置见后附 ( 加密水准点路线布置图 ) 。 6 、 水准点观测应在标石埋设稳定后进行,观测时间可选在上午或下午进行。 7 、 绘制点之记,必要时设置指示桩。 八、施工测量 在接到施工设计图纸后,对线路的平纵设计参数、承台中心设计坐标、跨径、梁长、墩台构造尺寸认真复核,确认无误后方可施工。高程复核从路面顶设计中心标高往下部推算(复核时一定要注意支承垫石和支座的厚度)与桩基底标高相吻合。在复核过程中如果发现问题及时向监理、测监中心、设计单位作出书面汇报。 本合同段施工测量主要包括高架施工测量和车站房建施工测量,所有部位的放样均采用全站仪坐标法。仪器设置测站均采用已知和自由建站两种方法。 高架施工测量 1. 应先进行高架线路地面中线的测设 , 中线点的横向允许误差应在± 10mm 之内。 2. 根据地面中中心点来控制桥墩桩位中心 , 桥墩间距的允许误差应在± 10mm , 各跨的纵向累积允许误差应在± 10 √ n mm(n 为跨数 ) 。 详细测设如下: 1 、桩基施工测量 1.1 首先对桩基中心进行测量定位。 1.2 待钻机就位后对钻机的中心进行复测,检查钻机中心是否与桩位中心重合,检查偏差控制在± 10mm 。 1.3 测量出护筒顶面标高,以便控制桩顶混凝土浇筑标高。 1.4 在承台基础施工时,测量出桩位的实际位移偏差,纵横向偏差不大于± 50mm 。 2 、 承台、墩柱施工测量 2.1 首先定位出承台的中心及四个角的位置。 2.2 承台模板支立完毕后定位出墩柱预埋钢筋位置的纵横向轴线,定位误差控制在± 5mm 。 2.3 在承台模板上测量出承台顶标高,以便控制承台顶混凝土浇筑标高。 3 、墩柱施工测量 3.1 承台施工完毕后,在承台顶面上放样出墩柱的纵横向轴线,定位误差控制在± 5mm 。 3.2 测量出承台顶面标高,计算出承台顶面与墩柱顶的高差,及时提供给现场技术员,以便准确的计算出墩柱的实际高度,更好的指导施工。 3.3 墩柱模板垂直度控制采用普通的锤球法,对于高度超过 8 米墩柱的垂直度控制采用经纬仪控制,垂直度允许偏差为 1 %。 3.4 墩柱模板支立好后用全站仪复测模板顶的纵横向轴线偏差,偏差控制在± 5mm ,复测值超出允许范围应督促工程队重新调整。 3.5 墩柱顶混凝土浇筑标高控制,采用常规的倒悬挂钢尺配合水准仪,测量出模板顶标高,或用全站仪三角高程控制。三角高程控制是本工程的主要施工高程测量的控制方法(等级高程控制点除外)。 4 、支承垫石、支座施工测量 支承垫石和支座是施工测量的关键控制部位,直接影响到现浇箱梁的整体质量,支承垫石的顶面标高误差控制在± 2mm ,平整度控制在± 1mm ;控制支座安装时一定要注意支座的方向,安装误差控制在± 2mm 。 5 、 现浇箱梁施工测量 4.1 首先放样出每个墩顶的中心点,复测出墩顶的实际标高,超出规范规定要求的要进行处理。 4.2 采用常规的倒悬挂钢尺配合水准仪或全站仪三角高程,精确测量出墩柱顶标高,以方便箱梁底模标高的控制。 4.3 在现浇支架上测量出箱梁中心线和标高,以便控制枕木的铺设宽度和标高,在枕木标高调整时一定要考虑预拱度(预拱度数值在底模静载沉降预压试验中得出)。 4.4 待枕木铺设完毕调整到设计标高并固定好后,在枕木上测量出箱梁的中心线,控制箱梁底模的铺设宽度。 4.5 在底模上直线每 10 米、曲线每 5 米间距,测量出箱梁中心线和左右侧模的边线,并检查底模的左中右设计标高和平整度,偏差均控制在± 10mm 。 4.6 在翼板底模上测量出桥面边线;放样出桥梁中心线,控制预埋钢筋的位置;浇筑混凝土前测量出箱梁顶面设计标高,控制箱梁顶标高。 4.7 放样出接触网支柱预埋螺栓的位置,螺栓预埋位置要准确。 九、车站房建工程施工测量 车站设计起点里程 K24+717 至车站终点里程 K24 + 857 ,车站中心里程为 K24+787 ,全长 140 米、宽 50 米。本车站坐落在高架上,在高架施工时一定要控制好桥面宽度。 1 、车站房建工程施工放样控制主要是控制 1 ~ 12 轴和 A 、 B 轴的轴线和房屋四角轴线。 2 、在高架桥面上放样出 1 ~ 12 轴和 A 、 B 轴的中心线定位出各框架柱和房屋四角的中心位置。 3 、车站站厅层地面相对标高± 0.000 ,相当于绝对标高 28.629m ;轨顶相对标高 6.3m ,相当于绝对标高 34.929m 。 4 、在框架柱上测量并画出五零线,严格控制楼层高度。 十、质量保证 6.1 测量工作在施工中非常重要,它是指引施工的方向标。我们本着对工程负责、对单位负责、对个人负责的工作态度,认真的做好测量工作。 6.2 测量人员要定岗、定职、定员,分工明确。 6.3 测量主管要有责任心、上进心,对工作严格要求、精益求精、一丝不苟。 6.4 平面和高程控制点每三个月定期复核一次。 6.5 测量内业在办公室提前计算专人复核,外业测量或放样要换人操作仪器进行复核。 6.6 现场测量程序化 , 要做到对下进行技术交底、对上及时报验。 6.7 施工放样后要对放样点及时进行护桩保护。 6.8 做好测量原始记录,以便复核或检查测量数据的准确性并存档。 6.9 仪器建立测站时,后视观测方向不少于 3 个,以便复核。 6.10 测量仪器定期进行鉴定。 下面为附送毕业论文致谢词范文!不需要的可以编辑删除!谢谢! 毕业论文致谢词 我的毕业论文是在韦xx老师的精心指导和大力支持下完成的,他渊博的知识开阔的视野给了我深深的启迪,论文凝聚着他的血汗,他以严谨的治学态度和敬业精神深深的感染了我对我的工作学习产生了深渊的影响,在此我向他表示衷心的谢意 这三年来感谢广西工业职业技术学院汽车工程系的老师对我专业思维及专业技能的培养,他们在学业上的心细指导为我工作和继续学习打下了良好的基础,在这里我要像诸位老师深深的鞠上一躬!特别是我的班主任吴廷川老师,虽然他不是我的专业老师,但是在这三年来,在思想以及生活上给予我鼓舞与关怀让我走出了很多失落的时候,“明师之恩,诚为过于天地,重于父母”,对吴老师的感激之情我无法用语言来表达,在此向吴老师致以最崇高的敬意和最真诚的谢意! 感谢这三年来我的朋友以及汽修0932班的四十多位同学对我的学习,生活和工作的支持和关心。三年来我们真心相待,和睦共处,不是兄弟胜是兄弟!正是一路上有你们我的求学生涯才不会感到孤独,马上就要各奔前程了,希望(,请保留此标记。)你们有好的前途,失败不要灰心,你的背后还有汽修0932班这个大家庭! 最后我要感谢我的父母,你们生我养我,纵有三世也无法回报你们,要离开你们出去工作了,我在心里默默的祝福你们平安健康,我不会让你们失望的,会好好工作回报社会的。 致谢词2 在本次论文设计过程中,感谢我的学校,给了我学习的机会,在学习中,老师从选题指导、论文框架到细节修改,都给予了细致的指导,提出了很多宝贵的意见与建议,老师以其严谨求实的治学态度、高度的敬业精神、兢兢业业、孜孜以求的工作作风和大胆创新的进取精神对我产生重要影响。他渊博的知识、开阔的视野和敏锐的思维给了我深深的启迪。这篇论文是在老师的精心指导和大力支持下才完成的 感谢所有授我以业的老师,没有这些年知识的积淀,我没有这么大的动力和信心完成这篇论文。感恩之余,诚恳地请各位老师对我的论文多加批评指正,使我及时完善论文的不足之处。 谨以此致谢最后,我要向百忙之中抽时间对本文进行审阅的各位老师表示衷心的感谢。 开学自我介绍范文:首先,我想说“荣幸”,因为茫茫人海由不相识到相识实在是人生一大幸事,更希望能在三年的学习生活中能够与大家成为好同学,好朋友。其次我要说“幸运”,因为在短暂的私下接触我感觉我们班的同学都很优秀,值得我学习的地方很多,我相信我们班一定将是团结、向上、努力请保留此标记。)的班集体。最后我要说“加油”衷心地祝愿我们班的同学也包括我在内通过三年的努力学习最后都能够考入我们自己理想中的大学,为老师争光、为家长争光,更是为了我们自己未来美好生活和个人价值,加油。哦,对了,我的名字叫“***”,希望大家能记住我,因为被别人记住是一件幸福的事!! )查看更多与本文《高中生开学自我介绍》相关的文章。 精品word文档可以编辑(本页是封面) 【最新资料 Word版 可自由编辑!!】 精品word文档可以编辑(本页是封面) 【最新资料 Word版 可自由编辑!!】
展开阅读全文

开通  VIP会员、SVIP会员  优惠大
下载10份以上建议开通VIP会员
下载20份以上建议开通SVIP会员


开通VIP      成为共赢上传

当前位置:首页 > 环境建筑 > 公路桥梁

移动网页_全站_页脚广告1

关于我们      便捷服务       自信AI       AI导航        抽奖活动

©2010-2026 宁波自信网络信息技术有限公司  版权所有

客服电话:0574-28810668  投诉电话:18658249818

gongan.png浙公网安备33021202000488号   

icp.png浙ICP备2021020529号-1  |  浙B2-20240490  

关注我们 :微信公众号    抖音    微博    LOFTER 

客服