收藏 分销(赏)

合康叠层母排概述.doc

上传人:xrp****65 文档编号:6651948 上传时间:2024-12-19 格式:DOC 页数:6 大小:149KB 下载积分:10 金币
下载 相关 举报
合康叠层母排概述.doc_第1页
第1页 / 共6页
合康叠层母排概述.doc_第2页
第2页 / 共6页


点击查看更多>>
资源描述
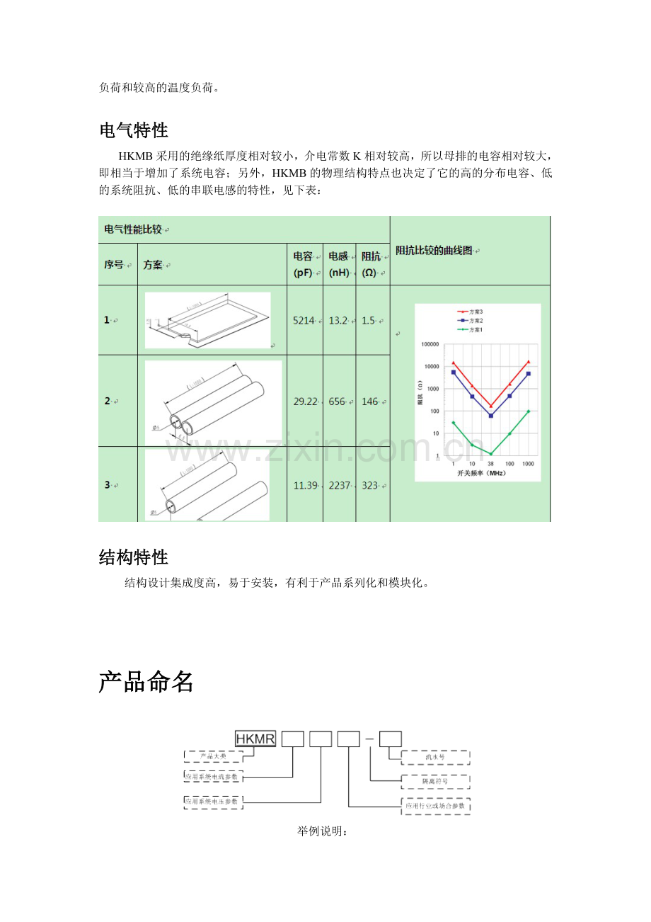
目录 性能优势 1 工艺特性 1 电气特性 2 结构特性 2 产品命名 3 材料选型 4 产品系列 5 行业应用 5 生产厂商 6 合康叠层母排系列 性能优势 HKMB和传统的配线方式相比,它可以用较低的成本获得更可靠的电气、结构和热设计等方面的优化设计,尤其是在大功率的模块化产品的应用优势更为明显。  序号 对比项 优势 备注 1 成本 整机的总体成本较低   2 结构 结构设计简洁紧凑   3 电气 电感 杂散电感低   电容 分布电容均匀和高   阻抗 阻抗低   载流 载流量大   抗扰 抗干扰能力强   4 温升 散热面积大,温升低   5 安装 方便快速   6 可靠性 低杂散电感,降低IGBT两端的电压尖峰等   7 使用寿命 5-20年均可设计   8 安全性 电气间隙和爬电距离便于设计等       工艺特性        采用高效率的创新热压技术,绝缘材料采用国外进口的材料,导体采用符合“GB/T 5231-2001|加工铜及铜合金化学成分和产品形状”,导体电镀工艺采用符合“GB/T12599-2002 GB/T 12599-2002 金属覆盖层 锡电镀层 技术规范和试验方法”。        我们拥有一套一致性高的生产工艺,保证HKMB产品能安全承受较重的机械、电气的负荷和较高的温度负荷。   电气特性        HKMB采用的绝缘纸厚度相对较小,介电常数K相对较高,所以母排的电容相对较大,即相当于增加了系统电容;另外,HKMB的物理结构特点也决定了它的高的分布电容、低的系统阻抗、低的串联电感的特性,见下表:   结构特性         结构设计集成度高,易于安装,有利于产品系列化和模块化。 产品命名 举例说明: 如“HKMB-0400-0750-003 ”,第003款工作电流400A、电压1200V北京合康用叠层母排。(参数意义:详见产品型号管理办法) 材料选型 导体   牌号 名称 导热系数@20℃(W/m•K) 电阻率@20℃(Ω•mm2/m) 导电率@20℃(S/m) 密度(g/ cm3) T2 紫铜 389 0.018 59.6 ×106 7.83 1060 铝 155 0.029 37.8 ×106 2.71   绝缘材料   材料简称 名称中英对照 导热率 介电常数 介电强度 阻燃性 温度等级 密度 W/m•K f=60Hz kV/mm UL94 ℃ g/cm3 PET Mylar聚酯薄膜 0.128 3.8 25.6 V0 E 1.4 PVF Tedlar聚氟乙烯薄膜 0.126 10.4 19.7 V0 A 1.38 NOMEX 诺梅克斯聚酰胺 0.143 1.2 9 V0 C 0.95 PI Kapton聚酰亚胺薄膜 0.094 3.5 9 V0 220 1.42 PEN Kaladex聚萘酯薄膜 0.352 3.3 29 V2 H 1.3 NA Epoxy Powder环氧树脂粉末 0.136 2.4 14 V0 F 1.2 镀层   材料 锡 镍 银 金 导电率@20℃(S/m) 11.4×106 14×106 63.01 ×106 45.2 ×106 产品系列 HKMB 产品系列     说明 优势 简易类 只有导体层间绝缘,亦可分为2种: a压合、b不压合 成本相对较低、交期相对较短   热压封边类 最大面积的绝缘包覆 绝缘面积大,只裸露器件间相互连接的位置,安全可靠,易于批量制造 灌胶类 边缘绝缘采用环氧树脂胶灌封 边缘封边距离短且具有更好的绝缘性能和强度 喷粉类 喷涂环氧树脂粉末绝缘包覆 结构复杂的母排产品的优先选择的方案,且易于加工,绝缘性能也符合多数产品要求 注塑类 注塑PBT(材料通常选用PBT,颜色可选)做绝缘包覆 结构相对复杂的条状及其弯折的母排产品批量生产的首选方案 元器件集成类 吸收电容、保护器件(Fuse)、均压电阻、MOSFET、Diode 、RC缓冲器件等器件集成 设计密度和集成度高的母排产品首选方案 行业应用 HKMB®的重要的特性是高的分布电容、低的系统阻抗、低的串联电感,所以在电力电子这个技术平台上的应用最为广泛。   行业 应用系统 电力电子 变频/变流/逆变器 有源滤波器 无功发生器 不间断电源 激光电源 轨道交通 电力机车 电动汽车 电驱动船 牵引设备   医疗器械 诊察设备 射线设备 核磁共振设备 医用激光仪器   网络通讯 电话交换系统 3G网络设备 通讯基站 大型网络设备   军事装备 装甲车辆 雷达系统 导弹系统 潜艇动力系统 通讯指挥系统 航空航天 卫星系统 装载火箭 航天飞机 空间站   其他 大型计算机 发电系统 焊接系统 电动设备  
展开阅读全文

开通  VIP会员、SVIP会员  优惠大
下载10份以上建议开通VIP会员
下载20份以上建议开通SVIP会员


开通VIP      成为共赢上传

当前位置:首页 > 环境建筑 > 其他

移动网页_全站_页脚广告1

关于我们      便捷服务       自信AI       AI导航        抽奖活动

©2010-2026 宁波自信网络信息技术有限公司  版权所有

客服电话:0574-28810668  投诉电话:18658249818

gongan.png浙公网安备33021202000488号   

icp.png浙ICP备2021020529号-1  |  浙B2-20240490  

关注我们 :微信公众号    抖音    微博    LOFTER 

客服