收藏 分销(赏)

PP-R给水管.doc

上传人:xrp****65 文档编号:6267018 上传时间:2024-12-04 格式:DOC 页数:5 大小:61KB 下载积分:10 金币
下载 相关 举报
PP-R给水管.doc_第1页
第1页 / 共5页
PP-R给水管.doc_第2页
第2页 / 共5页


点击查看更多>>
资源描述
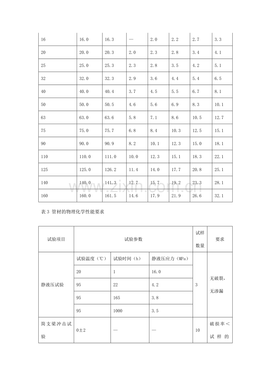
PP-R给水管 1、 技术参数 冷热水用无规共聚聚丙烯(PP-R)管道系统选用主要控制参数为与其设计压力相关的管系列(见表1),管材需要的公称外径、公称壁厚以及纵向回缩率等基本物理性能参数。 表1 设计压力PD,MPa 管系列S 级别1 σD=3.09MPa 级别2 σD=2.13MPa 0.4 5 5 0.6 5 3.2 0.8 3.2 2.5 1.0 2.5 2 注:上表中每个级别均对应于一个特定的应用范围,见GB/T18742.1-2002中使用条件级别的要求。各级别的典型应用范围:级别1,供应热水(60℃);级别2,供应热水(70℃)。 2、 适用场合 室内冷热水管道、采暖空调管道、直饮水管道。 3、 基本要求 1)、冷热水用无规共聚聚丙烯(PP-R)管及管材的生产应符合GB/T 18742.1-2002的规定中主要规格参数及性能及性能要求 (表2~表3) 表2 管材的规格参数 公称外径 dn 平均外径 S5 S4 S3.2 S2.5 S2 dem,min dem,max 公称壁厚en 12 12.0 12.3 — — — 2.0 2.4 16 16.0 16.3 — 2.0 2.2 2.7 3.3 20 20.0 20.3 2.0 2.3 2.8 3.4 4.1 25 25.0 25.3 2.3 2.8 3.5 4.2 5.1 32 32.0 32.3 2.9 3.6 4.4 5.4 6.5 40 40.0 40.4 3.7 4.5 5.5 6.7 8.1 50 50.0 50.5 4.6 5.6 6.9 8.3 10.1 63 63.0 63.6 5.8 7.1 8.6 10.5 12.7 75 75.0 75.7 6.8 8.4 10.3 12.5 15.1 90 90.0 90.9 8.2 10.1 12.3 15.0 18.1 110 110.0 111.0 10.0 12.3 15.1 18.3 22.1 125 125.0 126.2 11.4 14.0 17.7 20.8 25.1 140 140.0 141.3 12.7 15.7 19.2 23.3 28.1 160 160.0 161.5 14.6 17.9 21.9 26.6 32.1 表3 管材的物理化学性能要求 试验项目 试验参数 试样数量 要求 静液压试验 试验温度(℃) 试验时间(h) 静液压应力(MPa) 3 无破裂, 无渗漏 20 1 16.0 95 22 4.2 95 165 3.8 95 1000 3.5 简支梁冲击试验 0±2 — — 10 破损率<试样的10% 纵向回缩率 135士2 en<8 mm:1 8mm<en≤16mm:2 en>16 mm:4 — 3 ≤2% 熔体质量流动速率,MFR(230℃/2.16kg) g/10min 3 变化率≤原料的30% 静液压状态下热稳定性试验 110 8760 1.9 1 无破裂, 无渗漏 2)、卫生要求 用于输送饮用水的氯化聚氯乙烯管道系统应符合GB/T 17219-1998的要求。 4、 一般产品选用程序 对于热水管先根据其设计温度及使用年限确定其应用等级,再根据其设计压力确定其S值,然后根据其管径确定其壁厚;对于冷水管,直接根据其设计压力确定其S值,然后根据其管径确定其壁厚,并结合系统布置、敷设方式、连接形式、补偿温度变化等技术条件,选择质量符合标准的产品。具体的选用方法可以参考02SS405-2《无规共聚聚丙烯(PP-R)给水管安装》。 5、 施工、安装要点 1)、埋地管道沟底应平整,不得有突出的尖硬物。原土的粒径不宜大于12mm,必要时可铺100mm厚的砂垫层。管道周围的回填土应填至管顶以上300mm处,经夯实后方可回填原土,室内埋地管道的埋深不宜小于300mm。 2)、各PP-R管生产厂家均对其产品的设计、使用、安装有具体的要求,工程实践表明尤其应注意以下几点:要充分考虑管道的热膨胀影响,依具体情况并采取必要的措施。实践表明,解决此问题通常有下面几种方式: (1) 小口径管道应尽量直接暗敷。 (2) 在明敷及非直埋(管井、管沟等)暗敷管路中,在空间允许的条件下,尽可能采用自由补偿。 (3)采用半圆形金属托板加固管道。 (4)采用密集的管卡固定约束管道变形。在上述三种方法均受条件限制无法实施的条件下方可采取本办法。 (5)上述四种方法混合使用,根据实际情况采取合适的组合。 (6)采用金属补偿器。除非非常重要并且检修方便的场合,一般不提倡本方法。因为金属补偿器与PP-R管材之间的机械连接是非永久性连接,容易产生渗漏点;另外,金属补偿器的价格较贵,补偿量较小,不太适宜于塑料给水管道的热膨胀补偿。 (7)、严格按熔接操作规程及其他安全施工规定施工。 由于不同温度下、不同管径的PP-R管的熔接深度、加热时间、插接时间均有严格的要求,并且在加热及插接过程中不允许转动管材与管件,否则就容易出现熔接质量问题。该管道的操作现场不得有明火,严禁对管道进行明火烘弯。 3)、施工具体做法详见国家建筑标准设计图集02SS405-2《无规共聚聚丙烯(PP-R)给水管安装》。 6、 执行标准 1)、产品标准 《冷热水用聚丙烯管道系统 第1部分:总则》GB/T 18742.1-2002 《冷热水用聚丙烯管道系统 第2部分:管材》GB/T 18742.2-2002 《冷热水用聚丙烯管道系统 第3部分:管件》GB/T 18742.3-2002 生活饮用水输配水设备及防护材料的安全性评价标准 GB/T 17219-1998 2)、工程标准 《建筑给水排水及采暖工程施工质量验收规范》GB 50242-2002 3)、相关标准图 02SS405-2《无规共聚聚丙烯(PP-R)给水管安装》。
展开阅读全文

开通  VIP会员、SVIP会员  优惠大
下载10份以上建议开通VIP会员
下载20份以上建议开通SVIP会员


开通VIP      成为共赢上传

当前位置:首页 > 环境建筑 > 其他

移动网页_全站_页脚广告1

关于我们      便捷服务       自信AI       AI导航        抽奖活动

©2010-2026 宁波自信网络信息技术有限公司  版权所有

客服电话:0574-28810668  投诉电话:18658249818

gongan.png浙公网安备33021202000488号   

icp.png浙ICP备2021020529号-1  |  浙B2-20240490  

关注我们 :微信公众号    抖音    微博    LOFTER 

客服