收藏 分销(赏)

《整体式单向板肋梁楼盖设计》.doc

上传人:xrp****65 文档编号:6120693 上传时间:2024-11-28 格式:DOC 页数:10 大小:495KB 下载积分:10 金币
下载 相关 举报
《整体式单向板肋梁楼盖设计》.doc_第1页
第1页 / 共10页
《整体式单向板肋梁楼盖设计》.doc_第2页
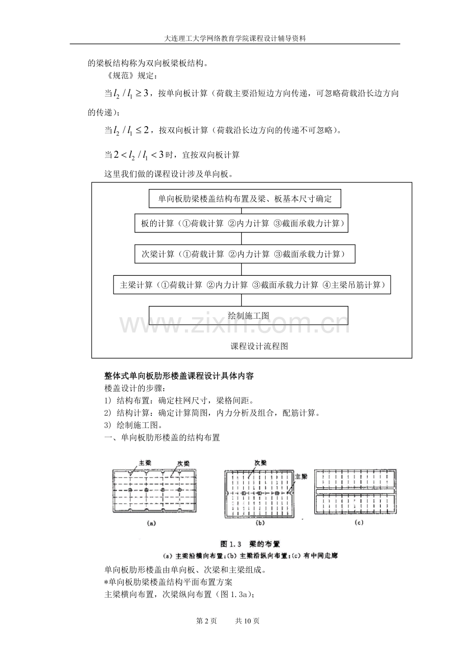
第2页 / 共10页


点击查看更多>>
资源描述
大连理工大学网络教育学院课程设计辅导资料 《整体式单向板肋梁楼盖设计》课程设计 主 题:《钢筋混凝土结构》课程设计辅导资料 内 容: 概述 混凝土梁板结构主要是由板和梁组成的结构体系,其支承结构体系可为柱或墙体。它是工业与民用房屋楼盖、屋盖、楼梯及雨篷等广泛采用的结构形式。此外,它还应用于基础结构(肋梁式筏板基础)、桥梁结构及水工结构等。因此,研究混凝土梁板结构的设计原理及其构造要求具有普遍意义。 混凝土整体式梁板结构中,若有梁有板称为梁板结构,以此种梁板结构作楼盖时亦称肋梁楼盖(a)。若有板无梁则称为无梁楼盖或板柱结构(b)。 肋梁楼盖 b)无梁楼盖 这里我们做的课程设计涉及肋梁楼盖。 基本概念阐述: 单向板和双向板的概念 单向板——荷载由短向板带承受的四边支承板称为单向板,由单向板组成的梁板结构称为单向板梁板结构。 双向板——荷载由两个方向板带共同承受的四边支承板称为双向板。由双向板组成的梁板结构称为双向板梁板结构。 《规范》规定: 当,按单向板计算(荷载主要沿短边方向传递,可忽略荷载沿长边方向的传递); 当,按双向板计算(荷载沿长边方向的传递不可忽略)。 当时,宜按双向板计算 这里我们做的课程设计涉及单向板。 单向板肋梁楼盖结构布置及梁、板基本尺寸确定 板的计算(①荷载计算 ②内力计算 ③截面承载力计算) 次梁计算(①荷载计算 ②内力计算 ③截面承载力计算) 主梁计算(①荷载计算 ②内力计算 ③截面承载力计算 ④主梁吊筋计算) 绘制施工图 课程设计流程图 整体式单向板肋形楼盖课程设计具体内容 楼盖设计的步骤: 1) 结构布置:确定柱网尺寸,梁格间距。 2) 结构计算:确定计算简图,内力分析及组合,配筋计算。 3) 绘制施工图。 一、单向板肋形楼盖的结构布置 单向板肋形楼盖由单向板、次梁和主梁组成。 *单向板肋梁楼盖结构平面布置方案 主梁横向布置,次梁纵向布置(图1.3a); 主梁纵向布置,次梁横向布置(图1.3b); 只布置次梁,不布置主梁(图1.3c)。 *楼盖结构平面布置时应注意的问题 梁格布置应力求简单、规整,梁梁贯通,板厚及梁截面尺寸尽可能一致。要考虑美观的要求,还要考虑尽量使计算方便。 柱网不宜过大,构件的跨度太大或太小均不经济,应控制在合理跨度范围内。通常板的跨度1.7~2.7m,不宜超过3m;次梁的跨度取4~6m;主梁的跨度取5~8m 。 板厚≥40/l (刚度要求),且应满足下列要求: 层面板³60mm,楼面板³70mm,工业楼面³80mm。 一般采用主梁横向布置方案,以增强横向刚度。但当柱的横向间距大于纵向间距时,主梁应沿纵向布置,以减小主梁的截面高的,增大室内净高,便于通风和管道通过。 二、单向板肋形楼盖的受力特点与设计计算要点 (一)单向板肋形楼盖的受力特点 单向板肋形楼盖荷载的传力途径为: 荷载——〉板——〉次梁——〉主梁 单向板肋形楼盖中,板、次梁、主梁均为多跨连续构件。 单向板和次梁的计算简图通常都是承受均布荷载的多跨连续梁。 主梁的计算简图通常是承受集中荷载的多跨连续梁。 支承在次梁上的板和支承在主梁上的次梁所受到的次梁和主梁的约束可以从荷载调整中解决。 跨度小于或等于5跨的梁按实际跨度考虑,多于5跨,其中间跨按第3跨考虑,跨度相差10%按等跨考虑。 (二)单向板肋形楼盖的荷载计算 恒载:按实际构造做法及材料容重计算。 活载:查荷载规范——按用途考虑。 板:取1m宽上的面荷载 (均布荷载)。 次梁:除自重还承受次梁传来的均布荷载 主梁:除自重还随次梁的集中荷载 (自重可代为集中荷载) (三)钢筋混凝土楼盖内力的两种计算方法 1、钢筋混凝土楼盖构件内力的两种计算方法 2、计算单元 3、计算简图 *计算跨度的取值 ①按弹性理论计算 当边跨端支座为固端支座时,边跨和中间跨的计算跨度均取为支座中点间距离; 当边跨端支座为简支支座时 板: 取和的较小值 主、次梁:取和的较小值 ②按塑性理论计算 板、次梁:边跨取;中间跨取 4、折算荷载 *当板支承在次梁上、次梁支承在主梁上时,由于次梁对板、主梁对次梁的约束作用,将使支座负弯矩增大、跨中正弯矩减小; *处理方法:采用折算荷载,增大恒荷载(沿所有跨布置),减小活荷载(按最不利位置布置),以获得增大支座负弯矩、减小跨中正弯矩的效果。 *折算荷载的取值 考虑次梁对板及主梁对次梁的约束作用,将板及次梁的荷载作如下调整: 对于板: 对于次梁: 结果,本跨荷载不变,邻跨荷载增加,转角减少。 5、活荷载的最不利布置(影响线) a. 某些正弯矩,本跨布置,然后隔跨布置。 b. 求支座最大负变矩,在支座两侧布置,然后隔跨布置。 c. 某跨中最小正变矩,求邻跨布置,然后隔跨布置。 d. 支座最大剪力与支座最大负变矩时荷载的布置方法相同。 6、内力包络图 7、内力计算 *实用弯矩分配法(和结构力学弯矩分配法基本相同,但在保证设计精度的前提下,弯矩的传递和分配可只进行一次或二次): 一次计算出所有支座截面的最大负弯矩值(同时也求出支座截面的最大剪力值); 各跨中截面最大正弯矩及相应的支座负弯矩分别计算。 支座宽度的影响——支座截面计算内力的确定。 M——支座中心处弯矩;V0——按简支梁计算的支座剪力;b0——支座宽度。 8、连续梁、板考虑(塑性)内力重分布的计算 (1)内力重分布的概念 混凝土结构由于刚度比值改变或出现塑性铰,引起的结构内力不再服从弹性理论的内力规律的现象称为塑性内力重分布或内力重分布。 ①内力重分布的两个阶段 *当时,截面未开裂,支座和跨中截面弯矩符合弹性内力分布规律;(未产生内力重分布) *第一阶段的内力重分布—由截面刚度变化引起的内力重分布。 当后,支座截面首先开裂、刚度下降,支座截面弯矩增长速率减小;跨中截面尚未开裂,刚度相对较大,跨中截面弯矩增长速率加大; 当跨截面也开裂时,、增长均较快,但仍保持平衡关系。 *第二阶段的内力重分布—由塑性铰引起的内力重分布 当支座截面弯矩增加到(进入第Ⅲ阶段达到,但尚未破坏)时,支座截面所承受的弯矩保持不变(基本不能增加);跨中截面弯矩增加迅速。 支座截面可看作是能够转动、并能承载一定弯矩的铰—塑性铰; 当荷载继续增加到时,跨中截面纵筋屈服,也形成塑性铰,使梁成为几何可变体系不能继续承载; 破坏时跨中截面和支座截面承受的弯矩与按弹性理论计算的弯矩图有很大差别。 ②钢筋混凝土受弯构件的塑性铰的特性 单向转动:只能弯矩作用方向转动; 塑性铰是一个范围(,),有一定长度; 可传递弯矩:; 转动能力有限,受配筋率()的限制,小,转动能力大;大,转动能力小。 (2)用调幅法计算连续梁、板的内力 ①弯矩调幅法的原则 a. 满足屈服条件和平衡条件: -Mu £ M £ Mu 按塑性内力重分布要求材料有良好的塑性变形性能,宜采用I、II级钢筋。 b. 满足变形协调条件,塑性铰应具有足够的转动能力,配筋率不宜过高。 x £ 0.35 h0 ——保证内力完全重分布 c. 满足使用荷截下裂缝与变形的要求,用限制弯矩调幅幅度的方式防止过大裂缝开展。 考虑塑性内力重分布,可以使内力随配筋比的不同而变化,所以超静定结构内力的塑性重分布在一定程度上可由设计者通过改变各截面的极限弯矩Mu来控制。 当| Mpl| < |Mel| 属弯矩,配筋减少的情况,如果调幅过多将引起过早的局部破坏。 I、II级钢配筋的结构,d £ 30%;冷拉I、II级钢及冷拔低碳钢丝,d £ 15%。 d. 保证抗剪强度和节点构造 ②连续梁、板承载力调幅法的计算 承受均布荷载作用等跨连续板、梁的计算: a ——弯矩系数;g, q ——梁板上均布恒截和活截的设计值;l0——按考虑塑性内力重分布的计算跨度。 承受均布荷载的等跨连续梁 承受等间距等大小集中荷载的等跨连续梁 三、单向板肋形楼盖的构造要求 1、板的配筋与构造要求 计算:受弯构件,但不必作斜截面计算 拱作用内力的折减,中间区格减少20% 配筋:按计算出的各截面的As选配,配筋时先跨中后支座 构造:板的支承长度不应小于板厚,且应³120mm 受力筋:常用直径 f6、f8、f10 、 f12;间距70£s £200 分布筋按构造配置,直径宜³ f6 ,间距s宜 £250 配筋方式:弯起式和分离式 构造筋: 嵌入承重砌体墙内的板面构造钢筋 周边与混凝土梁或墙整浇的板面构造钢筋 垂直于主梁的板面构造钢筋 2、次梁的配筋与构造要求 正截面:跨中按T形截面,翼缘计算宽度bf ¢取值有相应规定(与次梁的计算跨度、翼缘高度与截面有效高的的比值及次梁纵肋净距有关),支座按矩形截面。 斜截面:一般用箍筋抗剪,也可以用箍筋与弯起钢筋同时抗剪。 裂缝和抗裂度:一般由h/l 控制。当次梁的高跨比h/l=1/18~1/12,截面的高宽比b/h= 1/2~1/3时,一般不必进行使用阶段的挠度和裂缝宽度验算。 次梁伸入墙内一般为³240mm。 当跨度相差£20%,q/g£3时,按图4-9确定钢筋的切断和弯起。 次梁支座处上部纵向受力钢筋必须贯穿中间支座,第一批截断的钢筋面积不得超过As/2,延伸长度从支座边缘起不小于ln/5+20d(d为截断钢筋的直径);第二批截断的钢筋面积不得超过As/4,延伸长度从支座边缘起不小于ln/3;余下的纵筋面积不少于As/4,且不少于2根,可用来承担部分负弯矩并兼作架立钢筋,其深入支座的长度不得小于受拉钢筋的锚固长度la。 中间支座负弯矩钢筋的弯起,靠近支座第一排的上弯点距支座边缘距离为50mm;第二排、第三排上弯点距支座边缘距离分别为次梁高度h和2h。 次梁下部纵向受力钢筋除弯起部分外,应全部伸入支座,不得在跨间截断;次梁一般均沿梁全长配置封闭式箍筋。 3、主梁的配筋与构造要求 截面设计与次梁同理。 裂缝和抗裂度:一般由h/l 控制。当次梁的高跨比h/l=1/14~1/8,截面的高宽比b/h= 1/2~1/3时,一般不必进行使用阶段的挠度和裂缝宽度验算。 主梁伸入墙内一般为³370mm。 主梁受力钢筋的弯起和截断,应根据正截面受弯承载力,通过作构件的抵抗弯矩图来确定 在次梁和主梁相交处,在主梁内应设置附加横向钢筋(箍筋或吊筋),以承担由次梁传至主梁的集中荷载,防止主梁下部发生局部开裂破坏。 在主梁支座处,主梁与次梁截面的上部纵向钢筋相互交叉重叠,主梁的纵金位置必须放在次梁的纵向钢筋下面。 主梁受剪钢筋的设置:“鸭筋”可以,“浮筋”不行。 第10页 共10页
展开阅读全文

开通  VIP会员、SVIP会员  优惠大
下载10份以上建议开通VIP会员
下载20份以上建议开通SVIP会员


开通VIP      成为共赢上传

当前位置:首页 > 环境建筑 > 其他

移动网页_全站_页脚广告1

关于我们      便捷服务       自信AI       AI导航        抽奖活动

©2010-2026 宁波自信网络信息技术有限公司  版权所有

客服电话:0574-28810668  投诉电话:18658249818

gongan.png浙公网安备33021202000488号   

icp.png浙ICP备2021020529号-1  |  浙B2-20240490  

关注我们 :微信公众号    抖音    微博    LOFTER 

客服