收藏 分销(赏)

电荷耦合器件.doc

上传人:pc****0 文档编号:6020743 上传时间:2024-11-25 格式:DOC 页数:5 大小:973KB 下载积分:10 金币
下载 相关 举报
电荷耦合器件.doc_第1页
第1页 / 共5页
电荷耦合器件.doc_第2页
第2页 / 共5页


点击查看更多>>
资源描述
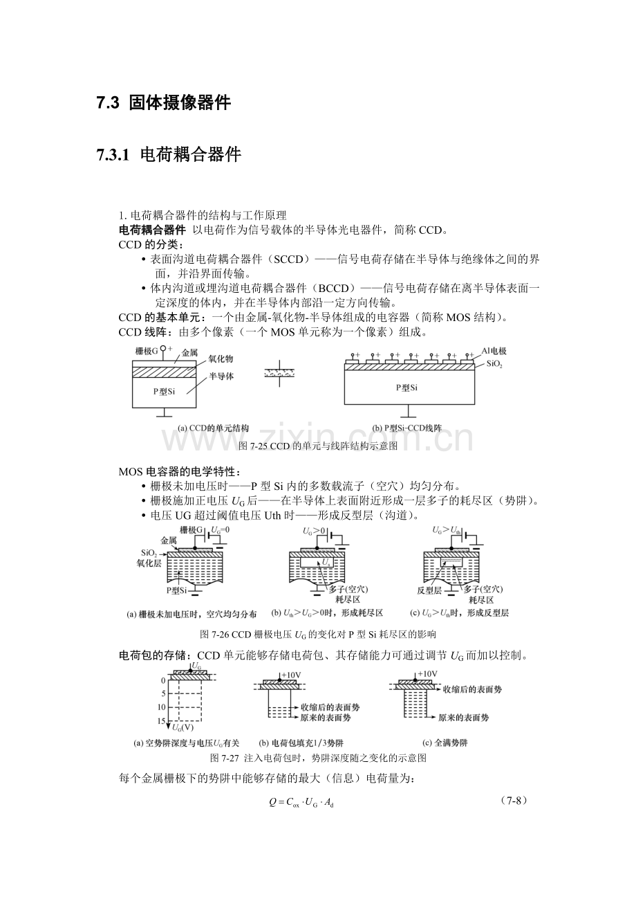
7.3 固体摄像器件 7.3.1 电荷耦合器件 1.电荷耦合器件的结构与工作原理 电荷耦合器件 以电荷作为信号载体的半导体光电器件,简称CCD。 CCD的分类: Ÿ 表面沟道电荷耦合器件(SCCD)——信号电荷存储在半导体与绝缘体之间的界面,并沿界面传输。 Ÿ 体内沟道或埋沟道电荷耦合器件(BCCD)——信号电荷存储在离半导体表面一定深度的体内,并在半导体内部沿一定方向传输。 CCD的基本单元:一个由金属-氧化物-半导体组成的电容器(简称MOS结构)。 CCD线阵:由多个像素(一个MOS单元称为一个像素)组成。 图7-25 CCD的单元与线阵结构示意图 MOS电容器的电学特性: Ÿ 栅极未加电压时——P型Si内的多数载流子(空穴)均匀分布。 Ÿ 栅极施加正电压UG后——在半导体上表面附近形成一层多子的耗尽区(势阱)。 Ÿ 电压UG超过阈值电压Uth时——形成反型层(沟道)。 图7-26 CCD栅极电压UG的变化对P型Si耗尽区的影响 电荷包的存储:CCD单元能够存储电荷包、其存储能力可通过调节UG而加以控制。 图7-27 注入电荷包时,势阱深度随之变化的示意图 每个金属栅极下的势阱中能够存储的最大(信息)电荷量为: (7-8) CCD中电荷包的转移:将电荷包从一个(因存储了这些电荷而变浅的)势阱转入相邻的深势阱。 三相CCD中电荷包的转移过程: Ÿ 开始时刻电荷包存储在栅极电压为10 V的第1个栅极下的深势阱里,其他栅极上加有大于阈值的低电压(2 V); Ÿ 经时间t1后,第1个栅极电压仍保持为10 V,而第2个栅极的电压由2 V→10 V; Ÿ 栅极靠得很近的两个势阱发生耦合,使原来在第1个势阱中的电荷包被耦合势阱共享; Ÿ 在t2时刻,第1个栅极的电压由10 V→2 V、第2个栅极的电压仍为10 V,势阱1收缩,电荷包流入势阱2中。 图7-28 三相CCD中电荷包的转移过程示意图 电荷包的注入方式: Ÿ 光注入——光束直接照射P型Si-CCD衬底,分为正面照射与背面照射两种。 Ÿ 电注入——当CCD用于信息存储或信息处理时,通过输入端的输入二极管和输入栅极,把与信号成正比的电荷注入到相应的势阱中。 图7-31 电流输出方式电路图 电流输出方式:如图7-31所示。当电荷包在驱动脉冲的作用下向右转移到最末一个转移栅极CR2下的势阱中后,若CR2电极上的电压由高变低,则势阱收缩,电荷包通过栅极OG下面的沟道进入N+区。N+区对电子来说相当于一个深势阱,进入N+ 区后的电荷包将被迅速拉走而产生电流Id。因此A点的电位UA(=UD-Id·R)发生变化。进入二极管的电量Qs越大,Id越大,UA下降越厉害。利用UA的变化来检测Qs。隔直电容C将UA的变化量取出,并通过场效应放大器的OS端输出。 CCD工作过程概述:先将半导体产生的(与照度分布相对应)信号电荷注入到势阱中,再通过内部驱动脉冲控制势阱的深浅,使信号电荷沿沟道朝一定的方向转移,最后经输出电路形成一维时序信号。 2.CCD的主要特性参数 电荷转移效率 一次转移后到达下一个势阱中的电荷量与原来势阱中的电荷量之比。 (7-9) 电荷转移损失率 (7-10) 转移效率是电荷耦合器件能否实用的重要因素。 暗电流:CCD在无光注入也无电注入情况下的输出信号。 暗电流的主要来源: Ÿ 半导体衬底的热激发; Ÿ 耗尽区内的产生-复合中心的热激发(此为主要原因); Ÿ 耗尽区边缘的少数载流子的热扩散; Ÿ SiO2/Si界面处的产生-复合中心的热激发。 灵敏度:投射在光敏像元上的单位辐射功率所产生的输出信号电压或电流。 (7-12) 图7-32 四种不同CCD的光谱响应特征曲线 ①前照式单层多晶硅;②减薄背照式; ③前照式虚相结构;④前照式多晶硅/透明金属氧化物型 平均量子效率:在整个波长范围内的灵敏度。 光谱响应:CCD光谱响应与光敏面结构、光束入射角及各层介质的折射率、厚度、消光系数等多个因素有关。 光电特性:输出电压与输入照度之间的关系。对于Si-CCD,在低照度下,其输出电压与输入照度有良好的线性关系;而当输入照度超过100 lx以后,输出有饱和现象。 CCD的噪声:主要包括散粒噪声、转移噪声和热噪声。 分辨率:实际中,CCD器件的分辨率一般用像素数表示,像素越多,则分辨率越高。 极限分辨率:空间采样频率的一半。 调制传递函数(MTF):取决于器件结构(像素宽度、间距)所决定的几何MTF1、光生载流子横向扩散衰减决定的MTFD和转移效率决定的MTFT,总的MTF是三项的乘积。CCD总的MTF随图像中各成分空间频率的提高而下降。 三相CCD工作频率的下限: (7-13) 三相CCD工作频率的上限: (7-14) CCD器件的动态范围:势阱中可以存储的最大电荷量(或输出的饱和电压Usat)与暗场(无光信号)情况下的噪声峰-峰值电压Up-p之比。动态范围表征CCD器件能够正常工作的照度范围。增大动态范围的途径是降低暗电流,特别是控制暗电流尖峰。 3.电荷耦合摄像器件 电荷耦合摄像器件 一类可将二维光学图像转换为一维时序电信号的功能器件,由光电探测器阵列和CCD移位寄存器两个功能部分组成,简称为CCD。可分为线阵和面阵两大类型。 图7-33 三相单沟道线阵CCD摄像器件的结构 单沟道线阵CCD结构:由行扫描电压Фp、光敏二极管阵列、转移栅Фx、三相CCD移位寄存器、(Ф1、Ф2、Ф3)驱动脉冲和输出机构等构成。 单沟道线阵CCD工作原理:在光积分时间内,行扫描电压Фp为高电平、转移栅Фx为低电平,光敏二极管阵列被反偏置、并与CCD移位寄存器彼此隔离,在光辐射的作用下产生信号电荷并存储在光敏元的势阱中,形成与入射光学图像相对应的电荷包的“潜像”。当转移栅Фx为高电平时,光敏阵列与移位寄存器沟通,光敏区积累的信号电荷包通过转移栅Фx并行地流入CCD移位寄存器中。在光积分时间内,已流入CCD移位寄存器中的信号电荷在三相驱动脉冲的作用下,按其在CCD中的空间排列顺序,通过输出机构串行地转移出去,形成一维时序电信号。 单沟道线阵CCD特点及应用:单沟道线阵CCD的转移次数多、转移效率低、调制传递函数MTF差,只适用于像素数较少的摄像器件。 双沟道线阵CCD结构:有两列CCD模拟移位寄存器A、B,分列在光敏阵列的两边。 双沟道线阵CCD工作原理:当转移栅A、B为高电位(对于N沟道器件)时,光敏阵列势阱里存储的信号电荷包将同时按照箭头指定的方向分别转移到对应的移位寄存器内,然后在驱动脉冲的作用下分别向右转移,最后经过输出放大器以一维时序电信号的方式输出。 双沟道线阵CCD特点:同样光敏单元数目的双沟道线阵CCD的转移次数比单沟道线阵CCD减少一半,转移时间缩短一半,总转移效率大大提高。 图7-35 双沟道线阵CCD的结构 图7-37 帧转移三相面阵CCD的原理结构图 二维面阵CCD摄像器件 按一定的方式将一维线阵的光敏单元和CCD移位寄存器排列成二维阵列。可分为帧转移方式、隔列转移方式、线转移方式和全转移方式等四种。 帧转移面阵CCD工作原理:当光敏区开始进行第二帧图像的光积分时,暂存区利用这一时间,将电荷包一次一行地转移给CCD移位寄存器,变为串行时序电信号输出。当CCD移位寄存器将其中的一行电荷包输出完毕,暂存区里的电荷包再向下移动一行,又转移给CCD移位寄存器。当暂存区中的电荷包被全部转移完毕,再进行第二帧电荷包的转移。 帧转移面阵CCD的特点:结构简单、光敏像元的尺寸很小、调制传递函数MTF较高,但光敏面积占总面积的比例(填充因子)小。常用面阵CCD的像素数有512×512、1024×768等,帧频可高达1200帧/秒,响应波长可涵盖紫外、可见光和红外波段。 微光CCD的构成方法: Ÿ 将像增强器与CCD耦合起来,构成图像增强型CCD(简称IICCD); Ÿ 用光电子轰击CCD的光敏元件,构成电子轰击型CCD(简称EBCCD); Ÿ 在CCD芯片的转移寄存器与输出放大器之间增加一个特殊的增益寄存器(对信号电荷进行倍增),构成电子倍增CCD(简称EMCCD); 像增强器与CCD的耦合方式: Ÿ 光学耦合方式,利用光学成像系统将像增强器与CCD耦合起来; Ÿ 光纤耦合方式,利用光纤面板(光纤锥)将像增强器与CCD直接耦合起来。 图7-38 像增强器与CCD芯片的耦合方式 图7-39 近贴式EBCCD的结构 电子轰击型CCD基本原理:入射光子照射光电阴极后转换为光电子,光电子被电子光学系统加速并聚焦成像在CCD的光敏面上,高速轰击CCD,光敏元件中产生信号电荷,信号电荷再由转移寄存器输出。 电子轰击型CCD特点:灵敏度高、暗电流小,但工作寿命短。 电子倍增CCD原理:增益寄存器的结构与一般的CCD类似,只是在电子转移过程第二阶段的势阱被一对高压(40~50)V电极下的深势阱取代,信号电子在高压下被电离、形成新的电子。每次电离后的电子数目约为原来的1.015倍,通过数百次的电离,可使输出信号的强度大幅提高。 电子倍增CCD特点: 信噪比高,空间分辨率好于IICCD,输出图像的质量更好。 微光CCD的应用:于军事、天文观测等高性能光电探测。 微透镜阵列与CCD摄像器件的集成的目的:采用CCD与微透镜集成可提高CCD的填充因子、提高其灵敏度及信噪比(SNR)。 微透镜的作用:使原本落入介电层上(死区)的光子因微透镜的聚焦作用而偏折落入光敏区,从而提高填充因子。 图7-41 微透镜阵列与CCD摄像器件集成的两种形式
展开阅读全文

开通  VIP会员、SVIP会员  优惠大
下载10份以上建议开通VIP会员
下载20份以上建议开通SVIP会员


开通VIP      成为共赢上传

当前位置:首页 > 行业资料 > 医学/心理学

移动网页_全站_页脚广告1

关于我们      便捷服务       自信AI       AI导航        抽奖活动

©2010-2026 宁波自信网络信息技术有限公司  版权所有

客服电话:0574-28810668  投诉电话:18658249818

gongan.png浙公网安备33021202000488号   

icp.png浙ICP备2021020529号-1  |  浙B2-20240490  

关注我们 :微信公众号    抖音    微博    LOFTER 

客服