收藏 分销(赏)

路基路面教案(9章 块料路面、碎砾石路面、无机结合料稳定基层).doc

上传人:pc****0 文档编号:5973938 上传时间:2024-11-24 格式:DOC 页数:5 大小:895.50KB 下载积分:10 金币
下载 相关 举报
路基路面教案(9章 块料路面、碎砾石路面、无机结合料稳定基层).doc_第1页
第1页 / 共5页
路基路面教案(9章 块料路面、碎砾石路面、无机结合料稳定基层).doc_第2页
第2页 / 共5页


点击查看更多>>
资源描述
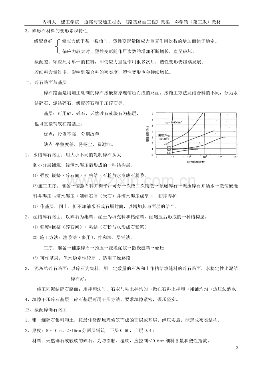
内科大 建工学院 道路与交通工程系 《路基路面工程》教案 邓学钧(第三版)教材 第九章 块料路面、碎砾石路面、无机结合料稳定基层 §9-1块料路面 1、概念:用块状石料(天然块料)或砼预制块(机制块料)铺筑的路面 分类:整齐石块、半整齐石块、不整齐石块、拳石、混凝土块。 2、优点:坚固耐久,清洁少尘,养护修理方便 易于翻修,适用桥头高填土路段、铁路交叉口、有地下管线的城市道路 粗糙度较好,适用山区急弯、陡坡路段; 3、缺点:手工铺筑,耗费劳动力多,铺装进度慢,建筑费用高,块料间易松动,平整度差。 4、构造特点:整平层、块料间用填缝料嵌填。 整平层:缓和冲击、振动;厚2~3cm;材料为中粗砂、煤渣等。 填缝料:一般用砂,有时用水泥砂浆、沥青马蹄脂 5、强度:基础承载力和石块间的摩擦力构成 6、基层:粒料基层或半刚性基层 §9-2 碎砾石路面 一、 碎砾石材料的力学特性 1、碎砾石路面的强度构成 概念:指水结碎石、泥结碎石、密级配的碎砾石路面等数种。通常只能用于中低等交通量的公路。 松散介质:此类范畴的材料,其抗剪强度可用库仑公式表示。即颗粒间联结强度取决于材料粘结力和内摩阻角,也构成了路面材料的结构强度。 o ⑴ 纯碎石材料 按嵌挤原则产生强度,主要是依靠碎(砾)石材料的内摩阻角及剪切面上的法向应力。其抗剪强度为: 当石料强度高,形状接近正方体,有棱角、表面粗糙、压实度高时,它的抗剪强度相对较高。 o ⑵ 土-碎(砾)石混合料 含土量小时,按嵌挤原则形成强度 含土量较多时,按密实原则形成强度 2、碎砾石材料的应力-应变特性 显著特点之一是应力-应变的非线性性质;回弹模量在很大程度上受竖向和侧向应力大小的影响。 影响模量因素:应力状况、级配、颗粒形状、密实度 3、碎砾石材料的 变形累积特性 级配良好 偏应力低于某一数值时,塑性变形量随应力重复作用次数的增加而趋于稳定。 偏应力较大时,塑性变形随作用次数的增加不断增长,直至破坏。 级配差、颗粒尺寸单一的粒料,即使应力重复作用很多次后,塑性变形仍继续发展; 若细料含量过多,影响到混合料的密实度,塑性变形也会持续增长。 二、 碎石路面与基层 碎石路面是用加工轧制的碎石按嵌挤原理铺压而成的路面。按施工方法及结合料的不同,分为水结碎石、泥结碎石、级配碎石和干压碎石等。 基层:可用砂、砾石、天然砂石或块石为基层, 也可直接铺筑在路基上。 优点:投资不高,分期改善 缺点:平整度差,易扬尘,易泥泞。 1、 水结碎石路面:用大小不同的轧制碎石从大 到小分层铺筑,经洒水碾压后形成的一种结构层。 ⑴ 强度=嵌挤(碎石间)+ 粘结(石粉与水形成石粉浆) ⑵ 施工工序:准备→铺撒石料并摊平,可分一次或二次铺撒 →预碾碎石→碾压碎石并洒水→撒铺嵌缝料并碾压与洒水碾压→洒铺石屑(米石)并洒水碾压成型→ 初期养护 ⑶ 作基层,同上,但不加铺米石或石屑封面,以增加其与面层的结合。 2、 泥结碎石路面:以碎石为集料、泥土为填充料和粘结料,经碾压后形成的一种结构层。 ⑴ 强度=嵌挤(碎石间)+ 粘结(石粉与水形成石粉浆) ⑵ 施工方法:灌浆法(多用)、拌和法、层铺法。 工序:准备→铺撒碎石→预压→浇灌泥浆→撒嵌缝料→碾压 ⑶ 可作基层,但水稳定性较差 。适用干燥路段 3、 泥灰结碎石路面:以碎石为集料、用一定数量的石灰和土作粘结填缝料的碎石路面,水稳定性比泥结 碎石好。 施工同泥结碎石路面;用拌和法时,石灰与粘土拌均匀→撒在石料上拌和→摊铺均匀→边压边洒水 4、填隙干压碎石基层:碎石基层可用干压方法,要求填隙紧密,碾压坚实。 三、级配碎砾石路面 1、粗、细碎石集料和土,按最佳级配原理修筑而成的面层或基层。经压实后,能形成密实结构。 2、厚度:8~16cm,>16cm分两层铺筑,下层0.6h,上层0.4h 材料:天然砾石或较软的碎石。为防冻胀、湿软,应控制<0.6mm细料含量和塑性指数。 3、强度=摩阻力+ 粘结力;具有一定的水稳定性与力学强度 4、施工工序:开挖路槽→备料运料→先铺砾石,再铺黏土,最后铺砂→拌和与整形,洒水→碾压→铺封层,即磨耗层与保护层。 四、碎砾石路面的养护 1、1、磨耗层:路面的表面部分,用以抵抗由车轮水平力和轮后吸力所引起的磨损和松散,以及大气温湿变化等因素的破坏作用,并能增加路面平整度。多用级配粒料铺筑。厚2~3cm。 2、保护层:在磨耗层上面,用来保护磨耗层,减小车轮对磨耗层的磨损,厚度多<1cm 稳定:含黏土的混合料,借行车碾压,形成稳固的硬壳,粘结在磨耗层上。适用干旱、大风区 松散:粗砂或小砾石,在磨耗层上呈松散状态。适用南方潮湿区。 §9-3无机结合料稳定基层 一、概述 在各种粉碎或原状松散的土、碎(砾)石、工业废渣中,掺入适当数量的无机结合料(如水泥、石灰或工业废渣等)和水,经拌和得到的混合料在压实与养生后,其抗压强度符合规定要求的材料称为无机结合料稳定类混合料,以此修筑的路面基层称为无机结合料稳定基层。 无机结合料稳定材料的刚度介于柔性路面材料和刚性路面材料之间,常称之为半刚性材料。以此修筑的基层或底基层亦称为半刚性基层或半刚性底基层。在我国已建成的高速公路和一级公路中,大多数路面采用了这种基层。 优点:稳定性好,抗冻性能强,结构本身自成板体。 缺点:耐磨性差,干缩,温缩,养生期长。 二、 无机结合料稳定材料的力学性质 1、强度特征 抗拉强度:小梁弯拉试验→抗弯拉强度 直接拉伸试验→直接抗拉强度 间接拉伸(劈裂)试验→间接拉伸强度(劈裂强度) 抗压强度:无侧限抗压试验→7d无侧限抗压强度 2、应力-应变特性 三轴压缩试验→应力-应变关系曲线→非线性; 在应力水平较低时,应力-应变曲线近似线性→回弹模量。 无机结合料稳定类材料的回弹模量值主要同土类、结合料剂量及龄期、侧限应力有关,在较大范 围内变动。 3、疲劳特征 疲劳破坏:是在小于材料极限强度的应力反复作用下所产生的累积破坏。 耐疲劳性能:是指某种材料对不同水平应力的反复作用的反应,它以不同应力水平达到破坏时的荷载反复作用次数(疲劳寿命)来表示。 4、 干缩特性 干缩:无机结合料稳定类材料经拌和压实后,由于水分挥发和混合料内部的水化作用,混合料的水分会不断减少。由此发生的毛细管作用、吸附作用、分子间力的作用、材料矿物晶体或凝胶体间层间水的作用和碳化收缩作用等引起材料体积收缩。 指标:干缩应变、干缩系数、干缩量、失水量、失水率。 影响因素:结合料的类型和剂量、被稳定(或处治)土的类别(细粒土,中粒土或粗粒土)、粒料的含量、小于0.5mm的细土含量、塑性指数、小于0.002mm的粘粒含量和矿物成分、制作(室内试件)含水量和龄期等。 稳定粒料类:石灰稳定类>水泥稳定类>石灰粉煤灰稳定类。 稳定细粒土:石灰土>水泥土和水泥石灰土>石灰粉煤灰土。 同一类半刚性材料:稳定细粒土>稳定粒料土>稳定粒料。 5、温度收缩特性 温缩:组成半刚性材料的三个相,即不同矿物颗粒组成的固相、液相(水)和气相在降温过程中相互作用的结果,使半刚性材料产生体积收缩,即温度收缩。 影响因素:含水量、集料或土的含量、土的矿物成分、环境温度、龄期 温缩特性:石灰土砂砾(16.7×10-6)>悬浮式石灰粉煤灰粒料(15.3×10-6)>密实式石灰粉煤灰粒料(12.4×10-6)和水泥砂砾(5%~7%水泥剂量为10~10-6~15×10-6)。 三、石灰稳定类基层 1、 概念:在粉碎的土和原状松散的土(包括各种粗、中、细粒土)中掺入适量消解后的石灰和水,按照一定技术要求,经拌和后,在最佳含水量时摊铺、压实及养生,其抗压强度符合规定要求的路面基层称为石灰稳定类基层。 2、分类:石灰土、石灰砂砾土、石灰碎石土。 3、特点:水稳定性较差;抗压强度高,具有一定的抗弯拉强度 4、应用:各级公路底基层;二级及以下公路的基层;潮湿路段慎重 四、 水泥稳定类基层 1、概念:在粉碎的土或原状松散的土(包括各种粗、中、细粒土)中,掺入适量的水泥和水,按照技术要求,经拌和摊铺,在最佳含水量下压实及养生成型,其抗压强度符合规定要求,以此修建的路面基层称为水泥稳定类基层。 2、分类:水泥土(细粒土)、水泥砂砾、水泥稳定碎石。 3、特点:具有良好的整体性、足够的力学强度、抗水性和耐冻性。 4、适用:各级公路底基层;二级及以下公路的基层; 五、 工业废渣稳定类基层 1、概念:一定数量的石灰和粉煤灰,或石灰和煤渣与其他集料(土)相配合,加入适量的水(通常为最佳含水量),经拌和、压实及养生后得到的路面结构层,当其抗压强度符合规定要求时,称为石灰工业废渣基层。 2、 分类:粉煤灰、煤渣、矿渣、钢渣、煤矸石等。 二渣:石灰+煤渣 三渣:二渣+粗骨料 二渣土:石灰+煤渣+土 二灰:石灰+粉煤灰 二灰土:石灰+粉煤灰+土 3、 特点:水硬性、缓凝性、强度高、稳定性好,成板体;抗水、抗冻、抗裂且收缩小;适应各种气候环 境和水文条件 4、适用:高级、次高级路面的基层和底基层 六、 半刚性路面面层 拌和法半刚性面层:水泥砂浆+乳化沥青(渣油)+集料 灌浆法半刚性面层:在大孔隙率的开级配沥青混凝土中灌注水泥(砂)浆 5
展开阅读全文

开通  VIP会员、SVIP会员  优惠大
下载10份以上建议开通VIP会员
下载20份以上建议开通SVIP会员


开通VIP      成为共赢上传

当前位置:首页 > 包罗万象 > 大杂烩

移动网页_全站_页脚广告1

关于我们      便捷服务       自信AI       AI导航        抽奖活动

©2010-2026 宁波自信网络信息技术有限公司  版权所有

客服电话:0574-28810668  投诉电话:18658249818

gongan.png浙公网安备33021202000488号   

icp.png浙ICP备2021020529号-1  |  浙B2-20240490  

关注我们 :微信公众号    抖音    微博    LOFTER 

客服