收藏 分销(赏)

UART数据收发原理.doc

上传人:pc****0 文档编号:5960485 上传时间:2024-11-24 格式:DOC 页数:4 大小:98KB 下载积分:10 金币
下载 相关 举报
UART数据收发原理.doc_第1页
第1页 / 共4页
UART数据收发原理.doc_第2页
第2页 / 共4页


点击查看更多>>
资源描述
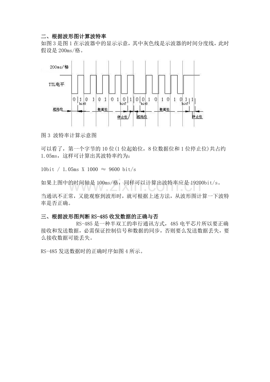
UART数据收发的原理 初学者对单片机串行通讯出了问题不知道如何办的情况。其实最有效的调试方法是用示波器观察收发数据的波形。通过观察波形可以确定以下情况: · 1.是否有数据接收或发送; · 2.数据是否正确; · 3.波特率是否正确; 一、串行数据的格式 异步串行数据的一般格式是:起始位+数据位+停止位,其中起始位1 位,数据位可以是5、6、7、8位,停止位可以是1、1.5、2位。 起始位是一个值为0的位,所以对于正逻辑的TTL电平,起始位是一位时间的低电平;停止位是值为1的位,所以对于正逻辑的TTL电平,停止位是高电平。对于负逻辑(如RS-232电平)则相反。 例如,对于16进制数据55AAH,当采用8位数据位、1位停止位传输时,它在信号线上的波形如图1(TTL电平)和图2(RS-232电平)所示。 图1 TTL电平的串行数据帧格式(55AAH) 图2 RS-232电平的串行数据帧格式(55AAH) 二、根据波形图计算波特率 如图3是图1在示波器中的显示示意,其中灰色线是示波器的时间分度线,此时假设是200ms/格。 图3 波特率计算示意图 可以看了,第一个字节的10位(1位起始位,8位数据位和1位停止位)共占约1.05ms,这样可计算出其波特率约为: 10bit / 1.05ms X 1000 ≈ 9600 bit/s 如果上图中的时间轴是100ms/格,同样可以计算出波特率应是19200bit/s。 当通讯不正常,又能观察到波形时,就可根据上述方法,从波形图计算一下波特率是否正确。 三、根据波形图判断RS-485收发数据的正确与否        RS-485是一种半双工的串行通讯方式,485电平芯片所以要正确接收和发送数据,必需保证控制信号和数据的同步,否则要么发送数据丢失,要么接收数据可能丢失。 RS-485发送数据时的正确时序如图4所示。 图4 RS-485的正确发送数据时序 在图4中,发送控制信号的宽度基本与数据信号的宽度一致,所以能保证发送数据的正确和发送后及时转为接收。 图5 和图6 分别是控制信号太短和控制信号太长的情况。 图5 RS-485控制信号太短时的时序 图6 RS-485控制信号太短时的时序 在图5中,由于控制信号关闭过早,则第二个字节的后两位将发送错误;在图6中,由于控制信号关闭过迟,使485芯片在发送数据后,不能及时转到接收状态,此时总线若有数据过来,则本单元将不能正确接收。 总结:只要掌握上述波形分析方法,任何异步串行数据的接收和发送问题,基本都可以得到解决。
展开阅读全文

开通  VIP会员、SVIP会员  优惠大
下载10份以上建议开通VIP会员
下载20份以上建议开通SVIP会员


开通VIP      成为共赢上传

当前位置:首页 > 包罗万象 > 大杂烩

移动网页_全站_页脚广告1

关于我们      便捷服务       自信AI       AI导航        抽奖活动

©2010-2026 宁波自信网络信息技术有限公司  版权所有

客服电话:0574-28810668  投诉电话:18658249818

gongan.png浙公网安备33021202000488号   

icp.png浙ICP备2021020529号-1  |  浙B2-20240490  

关注我们 :微信公众号    抖音    微博    LOFTER 

客服