收藏 分销(赏)

龙山站方监理实施细则.doc

上传人:xrp****65 文档编号:5922378 上传时间:2024-11-23 格式:DOC 页数:46 大小:498.50KB 下载积分:10 金币
下载 相关 举报
龙山站方监理实施细则.doc_第1页
第1页 / 共46页
龙山站方监理实施细则.doc_第2页
第2页 / 共46页


点击查看更多>>
资源描述
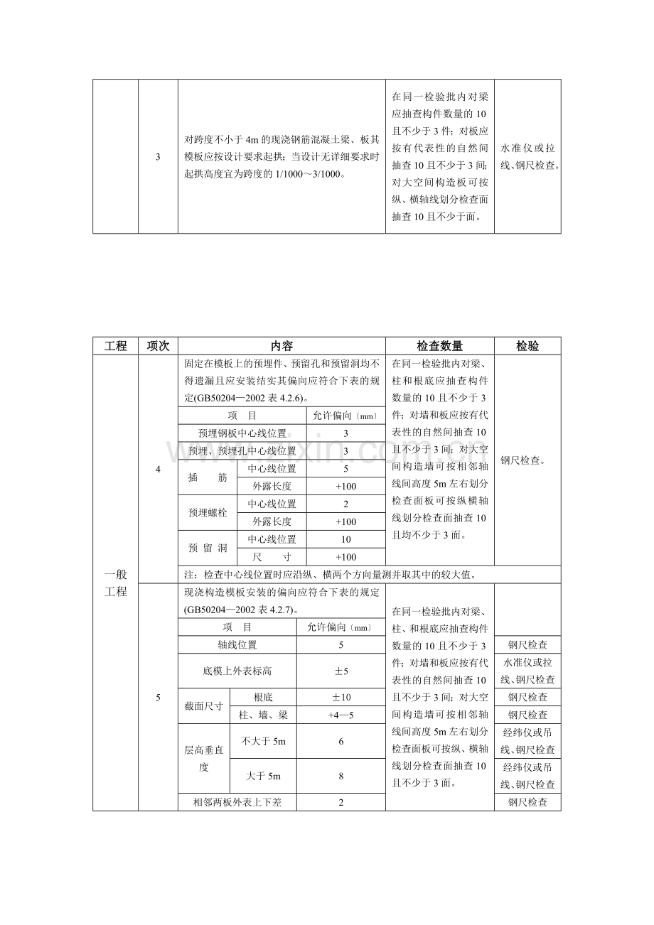
龙山站房房建监理施行细那么 总 那么 监理施行细那么编制根据: 1、已批准的监理规划; 2、与专业工程相关的、设计和技术资料; 3、批准的施工组织设计、专项施工方案。 一、混凝土构造工程 模板分项工程施工质量监理施行细那么 混凝土在浇筑时呈可塑状态模板与混凝土直接接触使混凝土具有设计所要求的形状;支架系统起支撑模板保持其位置正确并承受模板、混凝土以及施工荷载的作用。模板及其支架系统的质量将直接影响到混凝土成型后的质量。 〔一〕模板安装 工程 项次 内容 检查数量 检验 主控工程 1 安装现浇构造的上层模板及其支架时下层楼板应具有承受上层荷载才能或加设支架;上、下层支架的立柱应对准并铺设垫板。 全数检查。 对照模板设计和施工技术方案观察。 2 在涂刷模板隔离剂时不得沾污钢筋和混凝土接搓处。 全数检查。 观察。 一般工程 1 模板安装应满足以下要求: 1 模板的接缝不应漏浆;在浇筑混凝土前木模板应浇水潮湿但模板内不应有积水; 2 模板与混凝土的接触面应清理干净并涂刷隔离剂但不得采用影响构造性能或阻碍装饰工程施工的隔离剂; 3 浇筑混凝土前模板内的杂物应清理干净; 4 对清水混凝土工程及装饰混凝土工程应使用能到达设计效果的模板。 全数检查。 观察。 2 用作模板的地坪、胎模等应平整光洁不得产生影响构件质量的下沉、裂缝、起砂或起鼓。 全数检查。 观察。 3 对跨度不小于4m的现浇钢筋混凝土梁、板其模板应按设计要求起拱;当设计无详细要求时起拱高度宜为跨度的1/1000~3/1000。 在同一检验批内对梁应抽查构件数量的10且不少于3件;对板应按有代表性的自然间抽查10且不少于3间;对大空间构造板可按纵、横轴线划分检查面抽查10且不少于面。 水准仪或拉线、钢尺检查。 工程 项次 内容 检查数量 检验 一般工程 4 固定在模板上的预埋件、预留孔和预留洞均不得遗漏且应安装结实其偏向应符合下表的规定(GB50204—2002表4.2.6)。 在同一检验批内对梁、柱和根底应抽查构件数量的10且不少于3件;对墙和板应按有代表性的自然间抽查10且不少于3间;对大空间构造墙可按相邻轴线间高度5m左右划分检查面板可按纵横轴线划分检查面抽查10且均不少于3面。 钢尺检查。 项 目 允许偏向〔mm〕 预埋钢板中心线位置 3 预埋、预埋孔中心线位置 3 插 筋 中心线位置 5 外露长度 +100 预埋螺栓 中心线位置 2 外露长度 +100 预 留 洞 中心线位置 10 尺 寸 +100 注:检查中心线位置时应沿纵、横两个方向量测并取其中的较大值。 5 现浇构造模板安装的偏向应符合下表的规定(GB50204—2002表4.2.7)。 在同一检验批内对梁、柱、和根底应抽查构件数量的10且不少于3件;对墙和板应按有代表性的自然间抽查10且不少于3间;对大空间构造墙可按相邻轴线间高度5m左右划分检查面板可按纵、横轴线划分检查面抽查10且不少于3面。 项 目 允许偏向〔mm〕 轴线位置 5 钢尺检查 底模上外表标高 ±5 水准仪或拉线、钢尺检查 截面尺寸 根底 ±10 钢尺检查 柱、墙、梁 +4—5 钢尺检查 层高垂直度 不大于5m 6 经纬仪或吊线、钢尺检查 大于5m 8 经纬仪或吊线、钢尺检查 相邻两板外表上下差 2 钢尺检查 外表平整度 5 2m靠尺和塞尺检查 注:检查轴线位置时应沿纵、横两个方向量测并取其中较大值。 6 预制构件模板安装的偏向应符合下表的规定(GB50204—2002表4.2.8)。 首次使用及大修后的模板应全数检查;使用中的模板应定检查并根据使用情况不定抽查。 项 目 允许偏向 长度 板、梁 ±5 钢尺量两角边取其中较大值 薄腹梁、桁架 ±10 柱 0—10 墙板 0—5 宽度 板、墙板 0—5 钢尺量一端及中部取其中较大值 梁、薄腹梁、桁架、柱 +2—5 高〔厚〕度 板 +2—3 钢尺量一端及中部取其中较大值 墙板 0—5 梁、薄腹梁、桁架、柱 +2—5 侧向弯曲 梁、板、柱 ι/1000且≤15 拉线、钢尺量弯曲处 墙板、薄腹梁、桁架 ι/1500且≤15 板的外表平整度 3 2m靠尺和塞尺检查 相邻两板外表上下差 1 钢尺检查 对角线差 板 7 钢尺量两个对角线 墙板 5 翘曲 板、墙板 ι/1500 调平尺在两端量测 设计起拱 薄腹梁、桁架、梁 ±3 拉线、钢尺量跨中 注:ι为构件长度〔mm〕 〔二〕模板撤除 工程 项次 内容 检查数量 检验 主控工程 1 底模及其支架撤除时的混凝土强度应符合设计要求;当设计无详细要求时混凝土强度应符合下表的规定〔GB50204—2002表4.3.1〕。 全数检查。 检查同条养护试件强度试验。 构件类型 构件跨度(m) 到达设计的混凝土立方体抗压强度值的百分率() 板 ≤2 ≥50 >2≤8 ≥75 >8 ≥100 梁、拱、壳 ≤8 ≥75 >8 ≥100 悬臂构件 — ≥100 2 对后张法预应力混凝土构造构件侧模宜在预应力张拉前撤除;底模支架的撤除应按施工技术方案执行当无详细要求时不应在构造构件建立预应力前撤除。 全数检查。 观察。 3 后浇带模板的撤除和支顶应按施工技术方案执行。 全数检查。 观察。 一般工程 1 侧模撤除时的混凝土强度应能保证其外表及棱角不受损伤。 全数检查。 观察。 2 模板撤除时不应对楼层形成冲击荷载。撤除的模板和支架宜分散堆放并及时清运。 全数检查。 观察。 〔三〕模板工程的质量预控内容 1、审核模板工程的构造体系、荷载大小、合同工及模板的周转情况等综合考虑承包所选择的模板和支撑系统是否合理提出审核。审核中要重点审定: 〔1〕能否保证工程构造和构件各部分形状尺寸和相关位置的正确对构造节点及异型部位模板设计是够合理〔是否采用专用模板〕; 〔2〕是否具有足够的承载力、刚度和稳定性能否可靠地承受新混凝土的自重和侧压力以及在施工过程中所产生的荷载; 〔3〕模板接缝处理方案能否保证不漏浆; 〔4〕模板及支架系统构造是否简单、装拆方便并便于钢筋的绑扎、安装清理和混凝土的浇注、养护; 〔5〕要求承包绘制全套模板设计图〔模板平面图、分块图、组装图、节点大样图以及零件加工图〕; 2、对进场模板规格、质量进展检查 目前施工中常用钢模板木模板、胶合板模板等。监理工程师应对模板质量〔包括重复使用条件下的模板〕外型尺寸、平整度、板面的清洁程度以及相的附件〔角膜、连接附件〕以及支承系统都应进展检查并确定是否可用于工程提出修改。重要部位应要求承包按要求预拼装。 对承包采用的模板螺栓应在加工前提出预控确保加工质量确保模板连接后的结实。 3、隔离剂〔脱模剂〕 选用质地优良和价格适宜的隔离剂是进步混凝土构造、构件外表质量和降低模板工程费用的重要措施。各种隔离剂都有一定的应用范围和应用条件。在审批时应注意: 〔1〕注意脱模剂对模板的适用性。如脱模剂用于金属模板时应具有防锈、阻锈性能;用于塑料模板时应不使塑料软化变质;用于木模板时要求它渗入木材一定深度但不致全部吸收掉并能进步木材的防水性能。 〔2〕要考察混凝土构造构件的最终饰面要求。如构件的最终饰面是油漆、刷浆或抹灰应选用不影响混凝土外表粘结的脱模剂。有建筑物的混凝土构件那么应选用不会使混凝土外表污染和变色的脱模剂。 〔3〕要注意施工时的气温和环境条件。在冬施工时要选用冻结点低于最低气的脱模剂;在雨季施工时要选用耐雨水冲刷的脱模剂;当混凝土构件采用蒸汽养护时应选用热稳定性合格的脱模剂。 〔4〕应注意施工工艺的适应性。有些脱模剂刷后即可浇注混凝土但有些脱模剂要等枯燥后才能浇注混凝土。因此选用时应考虑脱模剂的枯燥时间是否能满足施工工艺要求。脱模剂的脱模效果与拆模时间有关当脱模剂与混凝土接触面之间粘结力大于混凝土的内聚力时往往发生表层混凝土被部分粘掉的现象因此详细拆模时间应通过实验确定。 〔四〕模板工程施工中的质量监理要点 1、墙、柱支模前应先在基底弹线以弹线校正钢筋位置并为合模检查位置提供准确根据。 为防止胀模、跑模、错位造成构造端面尺寸超差、位置偏离、漏浆造成蜂窝麻面模板支撑应符合模板设计要求。 〔1〕柱模应有斜支撑或拉杆柱模拉杆每边宜设两根固定在事先埋入楼板内的钢筋环上。用花篮螺栓调节校正模板垂直度。拉杆与地面夹角为45度预埋钢筋环与柱间隔 宜为3/4柱高。 〔2〕剪力墙模板穿墙螺栓规格和间距应符合模板设计。一般穿墙螺栓应用ф12以上的钢筋制作间距一般不大于60cm。 〔3〕梁模板一般情况下采用双支柱间距以60~100cm为宜。支柱上面垫10*10cm方木支柱中间或下边加剪力撑和程度拉杆。梁侧模板竖龙骨一般情况下宜为75cm梁模板上口应用卡子固定当梁高超过60cm时加穿梁螺栓加固。 〔4〕楼板模板一般情况下支柱间距为80~120cm大龙骨间距60~120cm小龙骨间距为40~60cm。 2、对模板拼缝、节点位置模板支搭情况及加固情况应认真检查、防止漏浆及缩颈现象。 3、梁、板底模当跨度大于4m时应起拱设计无要求时一般起拱高度宜为1/1000~3/1000。 1、 预埋件、预留孔洞的位置、标高、尺寸应复核;预埋件固定应可靠防止位移。 2、 模板在以下情况下要开洞:一次支模过高浇捣困难;有大的预留洞口洞口下难以浇注;有暗梁或梁穿过;钢筋集下步不易浇注。 3、 合模前钢筋隐检已合格模内已清扫干净应剔除部位已剔凿合格;合模后核验模板位置、尺寸及钢筋位置垫块位置与数量符合要求才能浇注混凝土。 7、模板涂刷隔离剂时首先应去除模板外表的尘土和混凝土残留物在涂刷应均匀不得漏刷或沾污钢筋。 8、混凝土整体构造的拆模原那么 〔1〕底模混凝土强度已到达设计要求一般均应到达设计强度等级的75以上〔混凝土强度应以同条件养护的试块抗压强度为准一般也参照混凝土强度增长率推算表估算〕;构造跨度大于8m的梁、板、拱壳和大于2米的悬臂构件应到达100; 〔2〕侧模混凝土强度能保证其外表及棱角不因拆模而损坏; 〔3〕在撤除模板过程中如发现混凝土有影响构造平安的质量问题应暂时撤除经过处理前方可继续。 〔4〕大模板墙体施工在常温下墙体混凝土强度必须到达1Mpa 冬施工规定进展拆模。 〔5〕冬季施工要遵照现行混凝土工程施工及验收中的有关冬施工规定进展拆模。 〔6〕对于大体积混凝土的拆模时间除应满足混凝土强度要求外还应考虑进展产生温度裂缝的可能性。一般采取保温措施使混凝土内外温差降低到25度以下时方可拆模。为了加速模板周转需要提早拆模时必须采取有效措施使拆模与养护措施亲配合边撤除边用草袋覆盖以防止外部混凝土温度降低过快使内外温差超过25度而产生温度裂缝。 〔五〕模板工程通病 1、 强度、刚度、和稳定性不能保证;重要的、较高、较复杂的现浇混凝土构造无模板设计;整体性、闭性、准确度差造成大量剔凿;未按验评对模板工程做同步验评。 2、 轴线位移 (1) 轴线定位错误; (2) 墙、柱模根部和顶部无固定措施发生偏向后不作认真校正造成累积误差; (3) 不拉程度和竖向通线;无竖向总重直度控制措施; (4) 支模刚度差拉杆太稀;间距不规那么; (5) 不对称浇灌混凝土挤偏模板; (6) 螺栓、顶撑、木楔使用不当或松动用铁丝拉结捆绑变形大; (7) 模板与脚手架拉结。 3、 变形 (1) 支撑及模板带、楞太稀断面小刚度差支点位置不当支撑不可靠; (2) 组合小钢模时连接件未按规定布置连接件不齐模板整体性差变形漏浆小刚模支点太远超规定钢模呈久变形; (3) 墙、梁模板无对拉螺栓及模内缺顶撑 (4) 承重模板垂直支撑体系刚度缺乏、拉杆大稀垂直立撑压曲; (5) 支撑体系缺余撑或十字拉杆直角不方〔包括在门洞门口易变形〕系统变形甚至失稳; (6) 角部模板程度楞支撑悬挑而不采取有效措施造成刚度差变形大; (7) 模板在边坡上支点太软易松动变形; (8) 竖向承重支撑地根本夯实不垫板也无排水措施造成支点下沉; (9) 不对称浇灌混凝土模板被挤偏〔如门口洞口及圆形模等〕; (10) 浇墙、柱混凝土时不设混凝土卸料平台或混凝土太稀浇灌速度过快一次浇灌混凝土太厚振捣过份造成模板变形; (11) 冬施工无防冻措施支撑地基冻胀或回填土化冻地基下沉。 4、 标高偏向 (1) 每层楼无标高控制点竖向模板根底未做找平〔注意如用砂浆找平砂浆不得深化柱体〕; (2) 模顶无标高标记〔特别是墙体大模板顶标高圈梁顶标高圈梁顶标高设备根底顶标高〕或不按标记检查施工; (3) 楼梯踏步模未考虑不同装修层厚差。 5、 接缝不严接头不规那么 (1) 模板制作安装周过长造成干缩缝过大;浇混凝土前不提早浇水潮湿胀开;模板木料含水率过大木模制作不符合要求粗糙拼缝不严; (2) 钢模变形不修理; (3) 钢模接头非整拼时模板接缝处堵板马虎; (4) 堵缝措施不当〔如用油毡条、塑料条、水泥袋纸、泡沫塑料等堵模板缝难以拆净影响构造和装饰〕; (5) 梁柱交接部位、楼梯间、大模板接头尺寸不准;错台;不交圈。 6、 脱模剂涂刷不符合要求 (1) 拆模后不清理残灰即刷脱模剂; (2) 脱模剂涂刷不匀或漏涂或涂刷过多; (3) 油性脱模剂使用不当油污钢筋、混凝土〔特别是滑模、楼板模、预制板钢模〕; (4) 脱模剂选用不当影响混凝土外表装饰工程质量。 7、 模内清理不符合要求 〔1〕墙、柱根部的拐角或堵头梁、柱接头最低点不留清扫口或所留位置无法有效清扫;〔2〕合模之前未做第一道清扫; 〔3〕钢筋已绑模内未用压缩空气或压力水去除; (5) 大面积混凝土底板垫层后浇带〔缝〕底部未设施工用清扫坑。 8、 封闭的或竖向的模板无排气口浇捣口; 〔1〕对墙体内大型预留洞口模底杯形根底杯斗模底等未设排气口对称下混凝土时易产生气囊使混凝土不实; 〔2〕高柱、高墙侧面无浇捣口又无有效措施造成混凝土灌注落距太大易离析无法保证浇捣质量。 9、斜模板存在问题 〔1〕较大斜坡混凝土不支面层斜模混凝土无法振实; 〔2〕面层斜模与基底面不拉结不固实混凝土将模板浮起。 10、拆模使混凝土受损 〔1〕支模不当影响拆模; 〔2〕拆侧模过早破坏混凝土棱角; 〔3〕杯斗起模过早混凝土坍落杯斗起模过晚无法起出; 〔4〕低温下大模板拆模过早墙体粘连; 〔5〕冬施拆模过早混凝土未达临界强度面受冻; 〔6〕承重底模未按规定强度拆模〔GB50204—2002条〕; 11、其它支模错误 〔1〕不按规定起拱〔如现浇梁≥4米跨时应起拱1/1000~3/1000〕; 〔2〕支模中遗漏预埋件、预留孔; 〔3〕合模前与钢筋及各专业未协调配合; 〔4〕键槽定型模板未高出键槽使键槽混凝土顶部挤不实; 〔5〕硬架支模板底留缝太小〔宜30~50mm〕不利于混凝土返浆; (6) 园形模箍、紧箍器间距不规那么造成箍模力不匀。 二、混凝土构造工程 钢筋分项工程施工质量监理施行细那么 〔一〕原材料 工程 项次 内容 检查数量 检验 主控工程 1 钢筋进场时应按现行?钢筋混凝土用热轧带肋钢筋?GB1499等的规定抽取试件作力学性能检验其质量必须符合有关的规定。 按进场的批次和的抽样检验方案确定。 检查合格证、出厂检验和进场复验。 2 对有抗震设防要求的框架构造其纵向受力钢筋的强度应满足设计要求;当设计无详细要求时对一、二级抗震等级检验所得的强度实测值应符合以下规定: 1 钢筋的抗拉强度实测值与屈从强度实测值的比值不应小于1.25; 2 钢筋的屈从强度实测值与强度值的比值不应大于1.3; 按进场的批次和的抽样检验方案确定。 检查进场复验。 3 当发现钢筋脆断、焊接性能不良或力学性能显著不正常等现象时应对该批钢筋进展化学成分检验或其他专项检验。 —— 检查化学成分等专项检验。 一般工程 1 钢筋应平直、无损伤外表不得有裂纹、油污、颗粒状或片状老锈。 进场时和使用前全数检查。 观察。 〔二〕钢筋加工 工程 项次 内 容 检查数量 检验 主控工程 1 受力钢筋的弯钩和弯折应符合以下规定: 1 HPB235级钢筋末端应作180°弯钩其弯弧内直径不应小于钢筋直径的2.5倍弯钩的弯后平直部分长度不应小于钢筋直径的士倍; 2 当设计要求钢筋末端需作135弯钩时HRB335级、HRB400级钢筋的弯弧内直径不应小于钢筋直径的4倍弯钩的弯后平直部分长度应符合设计要求; 3 钢筋作不大于90°的弯折时弯折处的弯弧内直径不应小于钢筋直径的5倍。 按每工作班同一类型钢筋、同一加工设备抽查不应少于3件。 钢尺检查。 2 除焊接封闭环式箍筋外箍筋的末端应作弯钩弯钩形式应符合设计要求;当设计无详细要求时应符合以下规定: 1 箍筋弯钩的弯弧内径除应满足项的规定外尚应不小于受力钢筋直径; 2 箍筋弯钩的弯折角度:对一般构造不应小于90°;对有抗震等要求的构造应为135°; 3 箍筋弯后平直部分长度:对一般构造不宜小于箍筋直径的5倍;对有抗震等要求的构造不应小于箍筋直径的10倍。 按每工作班同一类型钢筋、同一加工设备抽查不应少于3件。 钢尺检查。 一般工程 1 钢筋调直宜采用机械也可采用冷拉。当采用冷拉调直钢筋时HPB235级钢筋的冷拉率不宜大于1。 按每工作班同一类型钢筋、同一加工设备抽查不应少于3件。 观察钢尺检查。 2 钢筋加工的形状、尺寸应符合设计要求其偏向应符合下表的规定〔GB50204-2002表5.3.4〕 按每工作班同一类型钢筋、同一加工设备抽查不应少于3件。 钢尺检查。 项 目 允许偏向(mm) 受力钢筋顺长度方向全长的净尺寸 ±10 弯起钢筋的弯折位置 ±20 箍筋内净尺寸 ±5 〔三〕钢筋连接 工程 项次 内 容 检查数量 检验 主控工程 1 纵向受力钢筋的连接方式应符合设计要求。 全数检查 观察 2 在施工现场应按现行?钢筋机械连接通用技术规程?JGJ 107、?钢筋焊接及验收规程?JGJ 18 的规定抽取钢筋机械连接接头、焊接接头试件作力学性能检验其质量应符合有关规程的规定。 按有关规程确定 检查合格证、接头力学性能试验。 一般工程 1 钢筋的接头宜设置在受力较小处。同一纵向受力钢筋不宜设置两个或两个以上接头。接头末端至钢筋弯起点的间隔 不应小于钢筋直径的10倍。 全数检查 观察钢尺检查 2 在施工现场应按现行?钢筋机械连接通用技术规程?JGJ 107、?钢筋焊接及验收规程? JGJ 18的规定对钢筋机械连接接头、焊接接头的外观进展检查其质量应符合有关规程的规定。 全数检查 观察 3 当受力钢筋采用机械连接接头或焊接接头时设置在同一构件内的接头宜互相错开。 纵向受力钢筋机械连接接头及焊接接头连接区段的长度为35倍d〔d为纵向受力钢筋的较大直径〕且不小于500mm凡接头中点位于该连接区段长度内的接头均属于同一连接区段。同一连接区段内纵向受力钢筋机械连接及焊接的接头面积百分率为该区段内有接头的纵向受力钢筋截面面积与全部纵向受力钢筋截面面积的比值。 同一连接区段内纵向受力钢筋的接头面积百分率应符合设计要求;当设计我详细要求时应符合以下规定: 1在受拉区不宜大于50; 2接头不宜设置在有抗震设防要求的框架梁端、柱端的箍筋加区;当无法避开时对等强度高质量机械连接接头不应大于50; 直接承受动力荷载的构造构件中不宜采用焊接接头;当采用机械连接接头时不应大于50。 在同一检验批内对梁、柱和根底应抽查构件数量的10且不少于3件;对墙和板应按有代表性的自然间抽查10且不少于3间;对大窨构造墙可按相邻轴线间高度5m左右划分检查面板可按纵横轴划分检查面抽查10且均不少于3面。 观察钢尺检查。 4 同一构件中相邻纵向受力钢筋的绑扎搭接接头宜互相错开。绑扎搭接接头中钢筋的横向净距不应小于钢筋直径且不应小于25 mm。 钢筋绑扎搭接接头连接区段的长度为1.3〔Lι为搭接长度〕凡搭接接头终点位于该连接区段长度内的搭接接头均属于同一连接区段。同一连接区段内纵向钢筋搭接接头面积百分率为该区段内有搭接接头的纵向受力钢筋截面面积与全部纵向受力钢筋截面面积的比值〔图5.4.6〕。 注:图中所示搭接接头同一连接区内的搭接钢筋为两根当各钢筋直径一样时接头面积百分率为50。 同一连接区段内纵向受拉钢筋搭接接头面积百分率应符合设计要求;当设计无详细要求时应符合以下规定: 1 对梁类、板类及墙类构件不宜大于25; 2 对柱类构件不宜大于50; 3 当工程中确有必要增大接头面积百分率时对梁类构件不应大于50;对其他构件可根据实际情况放宽。 纵向受力钢筋绑扎搭接接头的最小搭接长度应符合GB50204-2002中附录B的规定。 5 在梁、柱类构件的纵向受力钢筋搭接长度范围内应按设计要求配置箍筋。当设计无详细要求时应符合以下规定: 1 箍筋直径不应小于搭接钢筋较大直径的0.25倍; 2 受拉搭接区段的箍筋间距不应大于搭接钢筋较小直径的5倍且不应大于100mm; 3 受压搭接区段的箍筋间距应大于搭接钢筋较小直径的10倍且不应大于200mm; 4 当柱中纵向钢筋直径大于25mm时应在搭接接头两个端面外100mm范围内各设置两个箍筋其间距宜为50mm。 钢尺检查 〔四〕钢筋安装 工程 项次 内 容 检查数量 检验 主控工程 1 钢筋安装时受力钢筋的品种、级别、规格的数量必须符合设计要求。 全数检查 观察钢尺检查 一般工程 1 钢筋安装位置的偏向应符合下表规定〔GB50204-2002表5.5.2〕。 在同一检验批内对梁、柱和根底应抽查构件数量的10且不少于3件;对墙和板应按有代表性的自然间抽查10且不少于3间;对大窨构造墙可按相邻轴线间高度5m左右划分检查面板可按纵横轴划分检查面抽查10且均不少于3面。 —— 工程 允许偏向〔mm〕 —— 绑扎钢筋网 长、宽 ±10 钢尺检查 网眼尺寸 ±20 钢尺量连续三档取取大值 绑扎钢筋骨架 长 ±10 钢尺检查 宽、高 ±5 钢尺检查 受力 钢筋 间距 ±10 钢尺量两端、中间各一点取值 排距 ±5 保护层 厚度 根底 ±10 钢尺检查 柱、梁 ±5 钢尺检查 板.墙.壳 ±3 钢尺检查 绑扎箍筋、横向钢筋间距 ±20 钢尺量连接三档取值 钢筋弯起点位置 20 钢尺检查 预埋件 中心线位置 5 钢尺检查 程度高差 ±30 钢尺和塞尺检查 注:1检查预埋件中心线位置时应沿纵、横两个方向量测并取其中的较大值; 2表中梁类、板类构件上部纵向受力钢筋保护层厚度的合格点率应到达90及以上且不得有超过表中数值1.5倍的尺寸偏向。 〔五〕带肋钢筋径向挤压接头连接参数 1.一样规格钢筋连接时的钢套筒型、压模型、压痕最小直径和压痕总宽度 连接钢筋规格 钢套筒型 压模型 压痕最小直径允许范围〔mm〕 压痕总宽度〔mm〕 Ø40—Ø40 Ø36—Ø36 Ø32—Ø32 Ø28—Ø28 Ø25—Ø25 Ø22—Ø22 Ø20—Ø20 Ø18—Ø18 G40 G36 G32 G28 G25 G22 G20 G18 M40 M36 M32 M28 M25 M22 M20 M18 60~63 54~57 48~51 41~44 37~39 32~34 29~31 27~29 ≥80 ≥70 ≥60 ≥55 ≥50 ≥45 ≥45 ≥40 2.不同规格钢筋连接时的钢套筒型、压模型、压痕最小直径和压痕总宽度 连接钢筋规格 钢套筒型 压模型 压痕最小直径允许范围〔mm〕 压痕总宽度〔mm〕 Ø40—Ø36 Ø36—Ø32 Ø32—Ø20 Ø28—Ø25 Ø25—Ø22 Ø22—Ø20 Ø22—Ø18 Ø20—Ø18 G40 G36 G32 G28 G25 G25 G22 G22 G20 Ø40端M40 Ø36端M36 Ø36端M36 Ø32端M32 Ø32端M32 Ø28端M28 Ø28端M28 Ø25端M25 Ø25端M25 Ø22端M22 Ø25端M25 Ø20端M20 Ø22端M22 Ø20端M20 Ø22端M22 Ø18端M18 Ø12端M12 Ø18端M18 60~63 57~60 54~57 51~54 48~51 45~48 41~44 38~41 37~39 35~37 37~39 33~35 32~34 31~33 32~34 29~31 29~31 28~30 ≥80 ≥80 ≥70 ≥71 ≥60 ≥60 ≥55 ≥55 ≥50 ≥50 ≥50 ≥50 ≥45 ≥45 ≥45 ≥45 ≥45 ≥45 〔六〕钢筋工程的质量预控内容 1、 钢筋 (1) 钢筋应有出厂质量证明书或试验单。 (2) 钢筋进入工地后应进展外观检查按批量〔一般为≤60t,冷拉钢筋为≤20t〕进展复试未经复试或复试不合格的钢筋不能用于工程。 外观检查要求 钢筋种类 外观要求 热轧钢筋 外表无裂缝、结疤和折叠如有凸块不得超边螺纹的高度其它缺陷的高度和深度不得大于所在部位的允许偏向 热处理钢筋 外表无肉眼可见裂纹结疤、折叠。如有凸块不得超边横肋的高度外表不得沾有油污 冷拉钢筋 钢筋外表不得有裂纹和部分缩颈 冷拨低碳钢丝 外表不得有裂纹和机械损伤 碳素钢丝 外表不得有裂纹、小刺、机械损伤、氧化铁此和油迹但允许有浮锈和回火色 刻痕钢丝 外表不得有裂纹、分层、铁锈、结疤但允许有浮锈和架火色 钢绞线 不得有折断、横裂和互相穿插和钢丝外表不得有光滑剂油渍允许有细微浮锈但不得有锈麻坑 (3) 钢筋用钢一般不作化学分析但如钢筋在加工过程中发现脆断、焊接性能不良或力学性能显著不正常等现象时或者无出厂证明钢种钢不明时或者是有焊接要求的进口钢筋时仍应、应时行公学成分检验。 (4) 集中加工的钢筋应由加工厂出具出厂证明及钢筋同厂合格证或钢筋试验单批件〔复印件〕但须加盖加工。 (5) 钢筋复试结果应接钢筋种类进展检查。 热轧钢筋的力学性能 品 种 牌 公称直径〔mm〕 屈从点σs N/mm2 〔kgf/mm2〕 抗拉强度σb N/mm2 〔kgf/mm2〕 伸长率δ5 冷弯 外形 强度等级 弯曲角度 弯曲直径 不小于 光圆钢筋 Ⅰ A3、AY3 8—25 235〔24〕 370〔38〕 25 180° 180° d 2d 28—50 变 形 钢 筋 Ⅱ 20MnSi 20MnNb〔b〕 8—25 335〔34〕 510〔52〕 16 180° 180° 3d 4d 28—50 315〔32〕 490〔50〕 Ⅲ 25MnSi 370〔38〕 570〔58〕 14 90° 3d Ⅳ 40Si2MnV 45SiMnV 45Si2MnTi 10—25 540〔55〕 835〔85〕 10 90° 5d 28—32 6d 热处理钢筋的力学性能 公称直径〔mm〕 牌 屈从强度σ0.2 N/mm2 〔kgf/mm2〕 抗拉强度σb N/mm2 〔kgf/mm2〕 伸长率δ10 6 8 10 40Si2MnV 45SiMnV 45Si2MnTi 1325 〔135〕 1470 〔150〕 6 冷拉钢筋的力学性能 项次 钢筋级别 直 径 〔mm〕 屈从点 N/mm2 〔Kgf/mm2〕 抗拉强度σ2 N/mm2 〔kgf/mm2〕 伸长率 δ5 冷弯 弯曲 角度 弯曲 直径 不小于 1 冷拉Ⅰ级 6~12 280〔28〕 380〔38〕 11 180° 3d 2 冷拉Ⅱ级 8~25 450 520〔52〕 10 90° 3d 28~40 430 500〔50〕 10 90° 4d 3 冷拉Ⅲ级 8~40 500〔50〕 580〔58〕 8 90° 5d 4 冷拉Ⅳ级 10~28 700〔70〕 850〔85〕 6 90° 5d 注: ① 冷拉I级钢筋适用于混凝土构造中的受拉钢筋冷拉Ⅱ、Ⅲ、Ⅳ级钢筋可用作预应力混凝土构造预应力筋。 ② 钢筋直径大小25mm的冷拉Ⅲ、Ⅳ级钢筋冷弯弯曲直径应增加1d冷弯后不得有裂纹、裂断或起层等现象。 ③ 经过冷拉后的钢外表不得有裂纹、起皮和部分缩颈。 2、 焊条及焊剂 (1) 焊条及焊剂应用出厂合格证且应与焊接型式母材种类或设计所要求的品种、规格一致。 (2) 需要进展烘焙的应有烘焙记录〔恒温250℃烘焙1—2小时〕。 (3) 设计未规定时按下表进展选用。 常用焊条牌及主要用处: 焊条型 〔〕内为原编 焊条牌 药皮类型 电流 种类 主 要 用 途 E4313〔T421〕 结421 高钛钾型 交直流 焊接低碳钢薄板构造 E4303〔T422〕 结422 钛钙型 交直流 焊接低碳钢构造和同强度等级的普通低合金钢 E4301〔T423〕 结423 钛铁矿型 交直流 焊接低碳钢构造和同强度等级的普通低合金钢 E4320〔T424〕 结424 氧化铁型 交直流 焊接低碳钢构造 E4316〔T426〕 结426 低氢钾型 交直流 焊接重要的低碳钢及某些普通低合金钢构造 E4315〔T427〕 结427 低氢钠型 直流 焊接重要的低碳钢及某些普通低合金钢构造 E5003〔T502〕 结502 钛钙型 交直流 焊接16猛钢及一样强度等级普通低合金钢的一般构造 E5001〔T503〕 结503 钛铁矿型 交直流 焊接16猛钢及一样强度等级普通低合金钢的一般构造 E5016〔T506〕 结506 低氢钾型 交直流 焊接中碳钢及某些重要的普通低合金钢构造如16锰钢等 E5015〔T507〕 结507 低氢钠型 交直流 焊接中碳钢及16猛钢等重要的普通低合金钢构造如16锰钢等 E5515〔T557〕 结557 低氢钠型 交直流 焊接中碳钢及一样强度的普通低合金钢构造 E6016—D1 〔T606〕 结606 低氢钾型 交直流 焊接中碳钢及一样强度的普通低合金钢构造 E6015D1〔T607〕 结607 低氢钠型 直流 焊接碳钢及一样强度的普通低合金钢构造 常用焊剂片及主要用处 焊剂牌 焊 剂 类 型 电流种类 主 要 用 途 HJ350 中锰中硅 中 氟 交直流 焊接低碳钢及普通低合金钢构造 HJ360 中锰高硅 中 氟 交直流 用于电渣焊大型低碳钢及普通低合金钢构造 HJ430 高锰高硅 低 氟 交直流 焊接重要的低碳钢及普通低合金钢构造 HJ431 高锰高硅 低 氟 交直流 焊接重要的低碳钢及普通低合金钢构造 HJ433 高锰高硅 低 氟 交直流 焊接低碳钢构造有较高熔点和粘度 3、 考虑到目前钢筋用量大构造节点钢筋集穿插复杂而设计出图方式比拟简化因此应根据工程情况绘制结点钢筋布置实况图〔翻样〕或做出节点样板以合理布置钢筋和安排好穿钢筋顺序。 4、 监理工程师应检查焊工的考试合格证〔每两年复试一次〕。在正式焊接前必须监视焊工在现场条件下进展焊接性能试验合格前方可正式消费。 〔七〕钢筋工程施工质量监理要点 1、 必须熟读设计图纸明确各构造部位设计钢筋的品种、规格、绑扎或焊接要求特别应注意构造某些部位配筋的特殊处理对有关配筋变化的图纸会审记录和设计变更单应及时标注在相应的构造施工图上防止遗忘造成失误。要掌握?混凝土构造设计?、?建筑抗震设计?和?钢筋混凝土高层建筑构造设计与施工规程?中有关钢构造措施的规定。 2、 监理工程师应要求承包对钢筋的下料、加工进展详细的技术交底。要求技术人员根据图纸和进展钢筋翻样且应到加工场对成型的钢筋进展检查发现问题及时承包改正。 钢筋焊接、挤压连接均应按规定批量进展机械性能试验并对外观进展检验。 3、 在钢筋绑扎过程中监理工程师应到现场巡视发现问题及时承包改正。 巡视应特别注意钢筋的品种、规格、数量、箍筋加范围钢筋除锈情况等问题的监视。 4、 在承包质检人员自检合格的根底上对承包报验的部位进展隐蔽工程验收。验收时应质量验评对照构造施工图确认所绑扎的钢筋的规格、数量、间距、长度、锚固长度、接头设置等是否符合、规程要求经过修整到达要求时才正式签发认可书。 5、 以下几点构造措施应加强检查: (1) 框架节点箍筋加区的箍筋及梁上有集中符载处的附加吊筋或箍筋不得漏放; 柱根部第一道箍筋和墙体第一道程度筋应放在离构造结合部边缘50mm以内。 主次梁节点部位主梁箍筋应按加要求通长布置。加箍筋区长度不应小于500mm。 (2) 具有双层配筋的厚板和墙板应要求设置撑筋和拉钩。悬挑构造负弯矩钢筋应保证到位采取措施防止踩压错位; (3) 钢筋保护层的垫块强度、厚度、位置应符合设计及要求; (4) 预埋件、预留孔洞的位置应正确、固定可靠孔洞周边钢筋加固符合设计要求。 (5) 暗梁、暗柱钢筋配置正确。 (6) 钢筋不能任意代用假设要代用必须经设计书面同意。 (7) 浇注混凝土前监理工程师应催促承包修整钢筋。 〔八〕钢筋绑扎工程通病 1、 材质检验与保不符合规定; (1) 无出厂合可知证或抄件不符要求或料证不符; (2) 无进场复试; (3) 批量不清、超批量、漏检; (4) 化学成分不合格或加工生脆断、焊接性能不良或机械性能显著不正常未作化学成份检验; (5) 机构性能不合格无交代无加倍复试; (6) 进口钢筋有焊接要求者未按“进口热轧变形钢筋假设干问题规定〞作可焊性检验; (7) 运输、储存中钢筋标牌丧失、堆放分类不清 2、 锈蚀与污染 (1) 露天堆放、保不善、严重锈蚀〔出麻坑、掉坡〕、不鉴定即使用; (2) 中途停工裸露钢筋未加保护绑扣也锈断; (3) 钢筋上沾混凝土及油污不及时清理;浮锈也未去除; (4) 刷脱模剂或滑模千斤顶路漏渍污染钢筋; (5) 冬施工用掺氯盐外加剂无防钢筋锈蚀措施。 3、 代换不当 (1) 钢筋代换未满足强度要求或裂缝控制; (2) Ⅲ级钢代Ⅱ级钢用仍采
展开阅读全文

开通  VIP会员、SVIP会员  优惠大
下载10份以上建议开通VIP会员
下载20份以上建议开通SVIP会员


开通VIP      成为共赢上传

当前位置:首页 > 环境建筑 > 其他

移动网页_全站_页脚广告1

关于我们      便捷服务       自信AI       AI导航        抽奖活动

©2010-2026 宁波自信网络信息技术有限公司  版权所有

客服电话:0574-28810668  投诉电话:18658249818

gongan.png浙公网安备33021202000488号   

icp.png浙ICP备2021020529号-1  |  浙B2-20240490  

关注我们 :微信公众号    抖音    微博    LOFTER 

客服