收藏 分销(赏)

冷态启动阀门状态原则.doc

上传人:xrp****65 文档编号:5880494 上传时间:2024-11-22 格式:DOC 页数:6 大小:101.50KB 下载积分:10 金币
下载 相关 举报
冷态启动阀门状态原则.doc_第1页
第1页 / 共6页
冷态启动阀门状态原则.doc_第2页
第2页 / 共6页


点击查看更多>>
资源描述
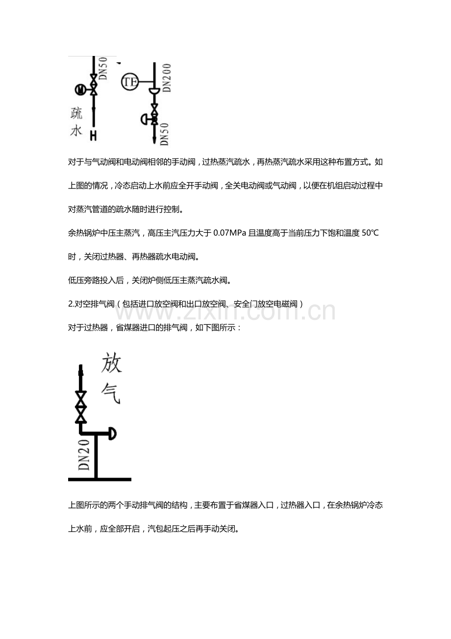
1.疏水阀(进口疏水阀,出口疏水阀,蒸发器疏水阀)     冷态启动上水前,为防止余热锅炉漏水。疏水阀应全部关。但对于机组大修之后的情况,锅炉管道中含有影响水质的杂物,因此要上水后将水全部放掉,对锅炉管道进行冲洗,此时为了操作方便,当一、二次阀都是手动阀的时候,应将一次阀开启,二次阀关闭。对于只有一个疏水阀的,应关闭此疏水阀。             如上图锅炉冲洗上水前,应将一次阀全开,二次阀全关。冷态启动前上水,应将一,二次门全关。省煤器进口管道,减温水管道,总之走水的管路多采用这种阀门布置方式。另外还有只有一个疏水阀的情况,此时这个阀门应该当做二次阀处理。 对于上图所示有疏水总管的情况,应将独立的疏水阀看作是一次阀,将总阀看做是二次阀。冲洗上水前,将分管关闭。冷态启动上水前,应将疏水阀全部关闭。太阳宫热电的低压省煤器1,2、中压省煤器和高压省煤器1,2采用此种方式疏水。 通常,锅炉过热器疏水,过热蒸汽管道疏水会采用一个手动阀和一个电动阀或气动阀组合的形式。锅炉起压后才将过热器后的疏水阀关闭。因此在冷态启动上水前,应全开手动阀,关闭电动阀或气动阀。 对于与气动阀和电动阀相邻的手动阀,过热蒸汽疏水,再热蒸汽疏水采用这种布置方式。如上图的情况,冷态启动上水前应全开手动阀,全关电动阀或气动阀,以便在机组启动过程中对蒸汽管道的疏水随时进行控制。 余热锅炉中压主蒸汽,高压主汽压力大于0.07MPa且温度高于当前压力下饱和温度50℃时,关闭过热器、再热器疏水电动阀。 低压旁路投入后,关闭炉侧低压主蒸汽疏水阀。 2.对空排气阀(包括进口放空阀和出口放空阀、安全门放空电磁阀) 对于过热器,省煤器进口的排气阀,如下图所示: 上图所示的两个手动排气阀的结构,主要布置于省煤器入口,过热器入口,在余热锅炉冷态上水前,应全部开启,汽包起压之后再手动关闭。 对于上图所示一个手动阀加一个电动阀或气动阀的情况,应将手动阀全开,电动阀或气动阀全关。这种情况主要用于高、中、低压主蒸汽管道的放空。这种设计为了加快主蒸汽的升温速度,锅炉上水,加热,到升压的初期都是将放空阀打开,高压主汽压力上升至0.3MPa左右时,调整高压旁路调节阀关闭炉侧高压对空排气电动门。中压过热蒸汽压力约0.2MPa左右,关闭中压过热器出口对空排气电动阀 上图所示为截止阀和PCV阀组合的结构,在冷态上水前,应将电磁泄放阀前的手动截止阀开启。因为当汽压的变化超过安全阀动作值后,应立即打开PCV阀进行泄压,防止蒸汽管道超压运行,来不及到就地打开手动截止阀。 3.减温水控制阀 太阳宫热电厂的再热蒸汽减温水的阀门布置如下图所示: 其中,减温水管道两端的手动阀开启,中间的电动阀和气动阀关闭,疏水阀按照疏水手动阀开闭原则关闭。 高压过热蒸汽减温水的阀门布置如下图所示: 高压过热蒸汽减温水和中压系统相同,在上水操作前,应将高压过热蒸汽减温水两端的手动阀开启,中间的电动阀和气动阀关闭。后面的两个手动疏水阀按照手动疏水阀的原则关闭。 4.汽包上的阀门 对于平衡容器,应将汽,水侧的截止阀开启,疏水阀一、二次阀关闭。 双色水位计的汽侧,所有的水侧、汽侧一二次阀应开启,所有的疏水一次,二次,三次阀关闭。 所有的取样阀手动阀开启 连续排污,紧急放水,启动排污,定期排污在冷态启动上水前,将手动阀开启,电/气动阀关闭 5.另外,对于有旁路阀的手动阀,在锅炉冷态上水前,除非特殊情况,应遵循电/气动阀开启,主路手动阀开启,旁路手动阀关闭的原则。如下图所示: 主路气动阀两侧的截止阀应开启,气动阀关闭,旁路手动阀关闭。 6.其他管道 ①再循环阀:为了在起泵初期保证泵的最小流量。因此在锅炉上水前,所有的中、高压给水泵再循环一、二次阀均应开启。 ②中压省煤至性能加热器的的一、二次阀应关闭。 ③启动锅炉到低压汽包补汽关闭
展开阅读全文

开通  VIP会员、SVIP会员  优惠大
下载10份以上建议开通VIP会员
下载20份以上建议开通SVIP会员


开通VIP      成为共赢上传

当前位置:首页 > 环境建筑 > 其他

移动网页_全站_页脚广告1

关于我们      便捷服务       自信AI       AI导航        抽奖活动

©2010-2025 宁波自信网络信息技术有限公司  版权所有

客服电话:0574-28810668  投诉电话:18658249818

gongan.png浙公网安备33021202000488号   

icp.png浙ICP备2021020529号-1  |  浙B2-20240490  

关注我们 :微信公众号    抖音    微博    LOFTER 

客服