收藏 分销(赏)

大宽度变截面预应力混凝土桥面板预制技术.pdf

上传人:abo****er 文档编号:53771 上传时间:2021-06-16 格式:PDF 页数:5 大小:627.91KB 下载积分:0.5 金币
下载 相关 举报
大宽度变截面预应力混凝土桥面板预制技术.pdf_第1页
第1页 / 共5页
大宽度变截面预应力混凝土桥面板预制技术.pdf_第2页
第2页 / 共5页


点击查看更多>>
资源描述
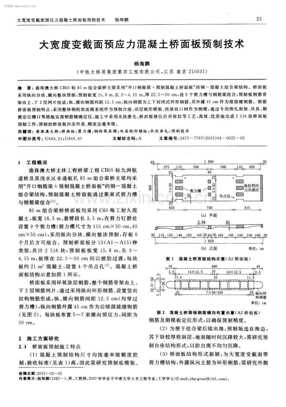
大宽度变截面预应力混凝土桥面板预制技术 杨海鹏 2 5 大宽度变截面预应 力混凝土桥面板预制技术 杨海鹏 ( 中铁 大桥 局集 团第 四工程 有 限公 司 , 江 苏 南京 2 1 0 0 3 1 ) 摘 要 : 港 珠澳大桥 C B 0 5 标 8 5 m组合梁 桥主梁采用“ 开 口钢箱梁 +预制混凝土桥面板” 的钢 一混 凝土组合梁 结构 。桥 面板 采用纵 向分块 、 横向整块预制 , 预制板宽 1 5 8 m、 长 3 4 1 5 m、 厚 2 2 5 5 O c m, 设 9个剪力槽 与钢箱梁组合 ; 预制板钢筋 骨 架 由上 、 下 2层网片组成 , 纵 、 横 向钢筋 间距 1 2 5 c m, 纵向钢筋为上下封闭式环形钢筋 , 其外露 4 5 c m 作为湿 接缝钢筋 。根据 桥 面板预 制特 点 , 采用整体钢桁架底模系统作为预制 台座 , 双层梳形模 板 、 快 易收 口网作 为侧模 , 通过专用 绑扎胎架 、 吊具 、 侧 模定位槽 口等措施 实现钢筋 精确 定位 , 施工 中采用水洗凿毛 、 桥面板移 位后再张拉 等工艺 , 高效 、 优质地 完成 2 5 1 6块桥 面板 预制 工作 , 预制 的桥面板 内实外美 、 精 度达毫米级。 关键 词 : 港珠 澳大桥 ; 桥 面板 ; 剪 力槽 ; 钢桁架底模 ; 双层梳形模板 ; 水洗凿毛 ; 预制技 术 中图分类号 : U4 4 3 3 1 ; U 4 4 5 4 7 文献标 志码 : A 文章编号 : 1 6 7 1 7 7 6 7 ( 2 0 1 5 ) 0 4 0 0 2 5 0 5 I 工 程 概 况 港珠 澳 大桥 主体工 程桥 梁 工程 C B 0 5标 九 洲 航 道桥 及 其 浅水 区非 通 航孔 8 5 m 组 合梁 桥 主 梁均 采 用 “ 开 口钢箱 梁 +预制混 凝 土桥 面板” 的钢 一混凝 土 组合梁结构 , 预制混凝土桥面板通过集束式剪力槽 与钢箱 梁组 合 1 。 8 5 m 组合 梁 桥 桥 面板 均 采用 C 6 0海 工 耐久 混 凝土 , 板宽 1 6 5 m、 悬臂 段 长 3 5 m, 在 剪 力 钉群 处 设 置 9个 剪力槽 ( 剪 力槽 尺寸 为 I i 0 c m5 0 c m、 4 0 c I n5 0 c m) , 采 用纵 向分 块 、 横 向整块 预制 , 存 板 6 个月 后 方 可组 合 。预制 桥 面 板 分 1 3 ( A1 A1 3 ) 种 类 型 , 共 计 2 5 I 6块 ; 预 制 板 板 宽 1 5 8 m、 长 3 4 1 5 m, 板 厚 在 2 2 5 5 0 c m 间 以梗 肋 过 渡 , 每 块 板 约 2 I m。混凝 土 , 设 置 4个 吊点 孔_ 2 j 。混 凝 土 桥 面 板结构 示 意如 图 1 所 示 。 桥 面板采 用环 氧涂 层钢 筋 , 整 个钢 筋骨 架 由上 、 下 2层钢 筋 网片 , 通 过采 用纵 向环 形钢 筋 、 设 置竖 向 拉 钩钢筋 形 成 , 纵 、 横 向钢 筋 问距 1 2 5 c m( 均 穿 过 剪 力槽 ) , 纵 向钢筋 外露 4 5 c m 作 为后续 湿接 缝钢 筋 ( 见 图 2 ) 。每 块板 布置 5 7束横 向预 应 力 , 间距 为 5 0 c m 2施 工方 案研 究 1 1 桥 面板 预制施 工 特点 ( I )混 凝 土 预 制 结 构 尺 寸 均 按 毫 米 级 精 度 控 制 , 验 收 标 准 ( 见 表 1 ) 高 , 因此 需 研 究 预制 底 模 板 、 2 7 5 I 1 0 3 9 0 3 9 0 I 1 0 2 6 5 4 0 I 一 0 一 一 ; 力槽 圣 苦覆霪 卜 一 吊点孔 l ( a )平面 旦 l+ l l 6 5 0 l ( b )立 面 单位:G i n 图 1 混 凝 土 桥 面 板 结 构 示 意 ( A2桥 面 板 ) I I ! 塑 占 l 纵向 环 。 形钢 筋 单位:c m 图 l混 凝 土桥 面板 钢 筋 横 向 布置 示 意 ( A2桥 面板 ) 钢筋及侧模板定位形式 , 以确保预制精度 。 ( 2 )为便 于组合 梁后 续 出海 , 预 制 场选 在 海边 , 其下卧较厚软弱层 , 地面随时间沉降较大, 需研究预 制 台座 结构 形式 , 以防 出现不 均匀沉 降 。 ( 3 )桥面 板 结 构 形 式 新颖 , 为 大 宽 度 变 截 面 带 剪力槽 结 构 , 外 露纵 向主筋为 环形 钢筋 , 需研究 外 侧 收稿 日期 : 2 0 l 5 0 2 0 2 作者简介 : 杨海鹏( 1 9 8 5 一) , 男 , 工程师, 2 0 0 7年毕业于 中南大学土木工程专业, 工学学 士( E ma i l : y h p g r e a t 1 6 3 c o rn) 。 学兔兔 w w w .x u e t u t u .c o m 学兔兔 w w w .x u e t u t u .c o m 大宽度变截面预应力混凝土桥面板预制技术 杨海鹏 2 7 侧模板 、 上侧模板 , 由三角架支撑 , 上 、 下侧模板均设 置法 兰及劲 板 。 下 侧模 板 即底 层 钢筋 保 护层 模 板 , 采用 1 0 mm 钢板 倾 斜 5 。 后 与 底 模 面 板 焊 接 固定 , 并 设 置 槽 口 ( 见 图 4 ) , 以便 于脱模 、 钢筋 定位 。 上侧 模板 为双 层 梳形 模 板 ( 见 图 5 ) , 由 内 、 外 2 层组 成 , 内层 梳形板 开倒 “ L ” 形 槽 口 , 外 层 梳形 模 板 开 “ 1 ” 形槽 口 , 通 过 内层 梳 形模 板 、 外 层梳 形 模 板 两 者 间 的配合 、 互补 , 实现 混凝 土板侧 面除环形 钢 筋 以 外面积的封闭 。上 侧模板支撑 于下侧模板法 兰板 上 , 通 过三 角架 支 撑 固 定 。上侧 模 板 根 据 桥 面 板 断 面形 式分段 制造 , 通 过螺栓 连接 。 侧面 7d 外层梳形板 内层梳形板 下侧模板 L 一 一 I - i f - 1 一 、 一一 一一 一一 I I l l j j 。 E 1 I 立面 , 支 撑 架 筋骨 氚 形板 、 j fi 形 板 、 一 侧模板 X l 一_ = 塞 )固 架 钢筋骨架 钢筋骨架 图 5双 层 梳 形模 板装 配 不 慝 3 2 3 剪力 槽模 板 根据剪力槽结构特征, 其模板 由底层侧模板 、 快 易 收 口网模板 、 顶 层 侧模 板 3部 分 组 成 。底 层 侧 模 板 即底 层钢筋 保 护 层 模 板 , 采 用 1 0 r n m 钢 板 制 作 , 并 设置 槽 口, 以便 于脱 模 、 钢 筋 定 位 ; 快 易 收 口网模 板即剪力槽 口在上下 2层钢筋网片间的模板 其预 先加 工成框形 结构 , 在 钢筋绑 扎 时装入 ; 顶 层模板 即 槽 口定型模 板 , 为带有槽 口的框形 结构 , 使 剪力槽 口 形状 标准 。模 板 除 内层 梳 形 板 采 用 3 mm 钢 板 制 造 , 其余均采用 1 0 mm钢板制造 , 以保证模板刚度、 利 于倒 用 。 4预 制 车间布 置 根据 桥 面板 结 构 尺 寸及 钢 筋 布 置情 况 , 通 过调 整底层钢筋保护层模板位 置, 局部设置双钢筋定位 槽 口, 全桥 2 5 1 6块桥 面板 共采 用 3 6 个 台座 。预制 车 间设 置 2个 , 每 个 车 间 布 置 1 8个 预 制 台座 、 1 1 2 个存板 台座 ( 存板 7 8 4片) 、 1 0 0 t门吊 1台, 存板 区 对称 布置 于预制 区两 侧 ( 见 图 6 ) 。预 制 车间 旁设 置 钢筋 车间 1座 , 内配 钢筋绑 扎 台座 1 4个 。 桥面板存放区( 5 6 个存板台座)桥面板存放区( 5 6 个存板台座) 图 6预制车 间布置示意 表 3 预 制台座及 钢筋胎架数量 单位:c m 5桥 面板预 制 施工 5 1 钢筋加工与安装 环氧涂层钢筋加工控制重点在于施工 中加强保 护 _ 9 , 尽 量 避 免 “ 硬 碰 硬” , 采 用胶 皮 、 尼龙 套 等包 裹 接 触 体 , 同时 安 排 专 人 进 行 检 查 , 发 现 破 损 及 时 修 复 。环形钢 筋 弯 曲直 径 7 8 3 5 4 c m, 采用 工 程 塑 料 ( 聚 四氟 乙 烯 ) 制 成 的 圆 盘 作 为 弯 曲 轴 加 工 钢 筋 。 钢筋定位措施主要体现在钢筋绑扎 、 钢筋骨架 运输及钢筋骨架入模 3 个 阶段 。钢筋绑扎作业在胎 架 上 进行 , 纵 向主筋 通过 胎架 上 的门形钢 筋定 位 , 横 向钢筋则通过在胎架支撑角钢上设置槽 口定位 , 同 时在钢筋绑扎过程中采用带线的方式将钢筋端部对 齐 ( 见 图 7 ) 。为 了保 证 钢筋 骨架 在 吊装 、 运 输 过 程 中的整体 刚度 , 在原 有拉 钩钢 筋 的基础 上 , 增 加支 撑 加强筋口 。 。 ; 在吊装时 , 采用专用 吊架、 多点 吊装 ; 再 经 由专用 运输 车运 至预制 车 间 , 吊装 入模 , 人模 时 由 设置 在底层 侧模 板上 的槽 口定 位 。 学兔兔 w w w .x u e t u t u .c o m 世 界 桥 梁 2 0 1 5, 4 3 ( 4 ) 图 7钢 筋 整体 绑 扎 施 工 往凝土施工 ! 凝 土浇 筑 由 1 0 0 t 吊机 配合 9 m。吊斗 施 工 , 通 插入 式振 动棒 振捣 。浇 筑时 先在桥 面板 梗 享5 0 c m) 下料 , 待浇筑至 3 0 c m厚时 , 改由桥 一 端 向另 一端 下料 。对 于预 应力 喇叭 口钢筋 密 】 采用人工铲料 , 以确保混凝 土密实 。侧模板 板厚 一 致 , 收浆 时 采用 4 m 钢 尺 以侧 模 为基 面刮 平 , 再 由人 工 收 浆 。混 凝 土 浇 筑完 成 后 工布 , 喷 淋 养 护 。在 剪 力槽 位 置 的 底模 上预 j 形洞 口, 用于清除流入的混凝土渣 , 保证施工 ! 洁 。 ! 凝土 凿 毛施工 主要 是 桥 面板 侧 面凿 毛 ( 剪 力 易 收 口网免凿 毛处 理) 。水洗 凿毛 工艺 为 : i , 在侧模的内层梳形板上涂刷缓凝剂 ; 混凝 后 1 O 1 3 h拆除侧模板 ; 侧模拆 除后 , 采 O 6 MP a的水 压 对 桥 面 板 侧 面 进行 水 洗 , 面浮浆 被清 除 后 即 停 止 ; 对 局 部凿 毛 效 果 或 有 残 余 混 凝 土 渣 的地 方 , 采 用 人 : E清 理 。 : 不 仅凿 毛效 果好 、 劳 动强度 低 , 且保 证 了预制 廓精度。 预应力 施 工 应 力管 道 采用 “ 几 ” 字 形 钢 筋定 位 , 喇 叭 口由 a 定 于端 模 板 , 通 过 这 两项 主要 措 施 保证 预应 ; 满足设 计 要求 。预 应力孔 道必 须 与锚 垫板支 直 , 避免呈现夹角( 导致后期钢绞线在施加预 上 程 中 出现 刮伤 或 断 裂 现象 ) 。张 拉 施 工 前需 口清理 干 净 , 确 保 锚 垫板 入 槽 。预 应 力 张 拉 5 t 千斤顶单端逐根张拉预应力至设计值。 计算 , 在混凝 土强度达到 8 0 后 , 吊运桥面 板 台座 , 此 时桥 面板 受力 、 裂缝 情况 可满 足设 9巳 范要 求 , 且 桥 面 板 均 吊 至存 板 台座 后 进行 预 拉、 压浆 , 大大提高预制台座的使用效率 。 6桥面板 吊装与存 放 桥面板 采 用 1 0 0 t门 吊 四点 起 吊 , 其 吊 点 采 用 圆 台形 铸钢 构件 ( 中心 留有 5 0 mm 直径 吊孔 ) , 吊点 嵌 于底 模 板 预 留 槽 内 ( 见 图 4 ) 。钢 筋 骨 架 入 模 前 , 将 吊点装 入 预 留 槽 , 然 后 安 装 钢 筋 骨 架 、 浇 筑 混 凝 土。桥面板起吊前 , 插入 4 3 2 mm精轧螺纹钢筋 , 在 吊点下 口戴好螺帽, 起 吊桥面板 , 吊点与底模脱离 , 随板 至存放 区 , 落板后 取 回吊点 倒用 。 桥 面板 存 放 台座 基 础 与 预 制 台座 基 础 形 式 相 同 , 为 P HC桩 + 混 凝 土 分 配 梁 。存 放 时 由垫 块 四 点支撑 , 四点高 差控 制在 2 mm 以 内 , 并 尽 量控 制 上 下支点在同一轴线上 。经计算 , 桥 面板存放层数为 7 层 , 所有 存 放 桥 面板 外 露 环 氧钢 筋 均 采 用 纱 网及 油 布覆 盖 防护 。 7 结 语 港珠澳大桥主体工程桥梁工程 C B 0 5标九洲航 道桥 及其 浅 水 区非 通航 孔 8 5 i n组 合梁 桥 采 用 预制 桥面 板 , 预制桥 面 板 数量 多 、 结构 形 式 新 颖 , 施 工 采 用整 体钢桁 架 底模 系 统 作 为 预 制 台座 , 较传 统 混 凝 土台座直接投入较大, 但该台座无需调整 , 可直接连 续预 制施 工 , 整体施 工 工效 大幅 提升 , 故在 地 质较 差 区域综合经济成本较低 ; 通过对常规分块组拼式侧 模、 水冲凿毛等技术、 工艺 的研究 , 提 出双层梳形模 板、 水洗凿毛等新技术、 工艺 , 结合钢筋精确定位、 桥 面板 吊至存板 台座张拉等技术措施, 仅用 9个月即 优 质 、 高 效 地 完成 了 2 5 1 6块 桥 面 板 预 制 工作 。预 制 的桥 面板 “ 棱 角分 明 、 线 条流 畅 、 色泽一 致 、 表 面光 洁” , 各 项指 标精 度均 达 到 了验 标要 求 。 参 考 文 献 : 1 罗 扣 , 王东 晖, 张强港珠澳大桥浅水 区非通航 孔桥 组合梁设计 J 桥梁建设 , 2 0 1 3 , 4 3 ( 3 ) : 9 9 1 0 2 2 3中铁大桥勘测设计院集团有限公 司港珠 澳大桥施 工图 E Z 武汉 , 2 0 1 2 3 3吴欲瑁武汉二七长江大 桥正桥 、 标 段桥 面板的预 制施工探讨 7 3 湖 北 理工 学 院学 报 , 2 0 1 2 , ( 1 0 ) : 3 7 39, 5 3 4 胡勇 , 潘军 , 杨海鹏 , 等一种双层梳形模板 系统 : 中 国 , Z L 2 0 1 4 2 0 0 0 2 0 5 1 3 P 2 0 1 4 0 1 一O 3 5 安玉红 , 王红 梅快易收 口网在施工 中的应用 J 河北 建筑工程学 院学报 , 2 0 0 9 , ( 6 ) : 6 2 6 4 6 3靳志强 , 高 智钢管混 凝土系杆 拱桥预 制桥 面板施 工 技术r J 施工技术 , 2 0 1 3 , ( 6 ) : 4 7 0 4 7 2 7 陈里平大跨度钢混凝土组合箱梁施工技术 J 桥 学兔兔 w w w .x u e t u t u .c o m 大宽度变截面预应力混凝土桥面板预制技术 杨海鹏 2 9 梁 建 设 , 2 0 0 7, ( S 2 ): 4 54 8 8 刘 国波 , 吴乾坤 , 薛 辉东海大桥 标 主桥斜拉桥预应 力混凝土桥面板 的施工 技术 J 公路 , 2 0 0 6 , ( 3 ) : 5 9 6 3 9 G B T 2 5 8 2 6 2 0 1 0 , 钢筋混凝土用环氧涂层钢筋I s 1 0 魏松旗港珠澳大桥非通航孔 8 5 m组 合梁桥面板首件 工程施工工艺探讨 J 中国高新技术企业 , 2 0 1 3 , ( 3 ) : 89 93 Pr e f a b r i c a t i 0 n Te c h ni qu e f o r Br o a d Pr e s t r e s s e d Co nc r e t e Br i d g e De c k wi t h Va r i a b l e Cr o s s S e c t i o n Y AN G Ha i 。 pe ng ( Th e Fo u r t h En g i n e e r i n g Co ,Lt d ,Ch i n a Ra i l wa y Ma j o r Br i d g e E n g i n e e r i n g Gr o u p,Na n j i n g 2 1 0 0 3 1 ,Ch i n a ) Ab s t r a c t:Th e ma i n gi r d e r o f t h e 8 5 m l o n g c o m p os i t e gi r d e r br i dg e i n t he CB05 c on t r a c t o f t h e Hon g kon g Zhuh a i M a c a o Br i d ge i s a s t e e l c o n c r e t e c o mpo s i t e gi r d e r s t r u c t u r e, f o r m e d o f o pe n s t e e l bo x gi r d e r c ov e r e d wi t h pr e c a s t c on c r e t e d e c k s l a b s Dur i n g t h e p r e f a b r i c a t i o n p r oc e s s,t h e de c k s l ab s a r e l o ng i t u di n a l l y d i v i de d i n t o b l o c ks a nd t r a ns v e r s e l y c a s t a s a whol e The s l a bs a r e 1 5 8 m wi de,3 4 1 5 m l o ng,a nd 22 5 5 0 c m de e p On e ac h s l a bs。ni n e s l o t s s he l t e r i n g s he a r s t u ds a r e r e s e r v e d f o r t he c o nne c t i on o f t he de c k s l a b s a nd t he s t e e 1 b ox gi r d e r The s k e l e t on f o r t he pr e c a s t s l a b s c o ns i s t s of up pe r a n d l o we r l a ye r s o f me s h r e i n f o r c e m e nt ,t he i nt e r v a l s o f r e i n f o r c e m e nt i n bo t h t h e l o ng i t ud i na l a n d t r a n s v e r s e d i r e c t i on s a r e 1 2 5 c m Th e l on gi t ud i na 1 r e i n f o r c e m e nt i s t h e l o o p b a r s t h a t a r e c l o s e d a t b o t h e nds ,4 5 c m o f wh i c h a r e e x po s e d a s t he r e i n f o r c e me n t i n t h e we t j o i n t s Ac c o r d i n g t o t h e p r e f a b r i c a t i o n c h a r a c t e r i s t i c s o f t h e d e c k s l a b s 。t h e bo t t o m f or mwo r k f o r me d of t h e i nt e gr a t e d s t e e l t r us s e s i s u s e d a s t h e p r e c a s t i ng pe de s t a l a nd t h e 1 a t e r a 1 mou l d i n v ol v e s t h e t wo l a y e r e d c o m b s h a pe d f or mwo r k a nd t he t e m p l a t e me s h The r e i nf o r c i n g b a r s we r e a c c u r a t e l y p o s i t i o n e d b y u s i n g t h e s p e c i a l b i n d i n g j i g ,l i f t i n g d e v i c e s a n d t h e p o s i t i o ni n g s l o t s f o r l a t e r a l f o r mwor k By us i n g t he c o ns t r uc t i o n t e c hn i q ue s o f wa s hi n g a nd r ou gh i n g a nd t e n s i on i ng t h e pr e s t r e s s i n g t e nd on s a f t e r t he m o v e me nt of t he de c k s l a bs ,t he p r e f a br i c a t i o n o f t he 2 5 1 6 de c k s l a bs wa s c o mpl e t e d wi t h t i m e e f f i c i e nc y a nd hi g h q ua l i t y The s l a b s pr e f a br i c a t e d a r e ha r d a n d l o ok ne a t ,a nd t h e p r e c i s i on a t t a i n s m i l l i m e t e r l e ve 1 Ke y wo r d s :H o ng ko ng Zhu ha i M a c a o Br i d ge;d e c k s l a b;s h e a r s t ud s l o t ;s t e e l t r us s b a s e Dl a t f o r m ;t wo l a y e r e d c o mb s h a pe d f o r m wor k;wa s hi ng a nd r ou g hi ng;p r e f a br i c a t i o n t e c hn i qu e ( 编 辑 : 陈 雷 ) 学兔兔 w w w .x u e t u t u .c o m
展开阅读全文

开通  VIP会员、SVIP会员  优惠大
下载10份以上建议开通VIP会员
下载20份以上建议开通SVIP会员


开通VIP      成为共赢上传

当前位置:首页 > 环境建筑 > 房建工程

移动网页_全站_页脚广告1

关于我们      便捷服务       自信AI       AI导航        抽奖活动

©2010-2026 宁波自信网络信息技术有限公司  版权所有

客服电话:0574-28810668  投诉电话:18658249818

gongan.png浙公网安备33021202000488号   

icp.png浙ICP备2021020529号-1  |  浙B2-20240490  

关注我们 :微信公众号    抖音    微博    LOFTER 

客服