收藏 分销(赏)

无砂混凝土沉井在尾矿坝降水工程中的应用.pdf

上传人:xiaol****an189 文档编号:50205 上传时间:2021-06-08 格式:PDF 页数:5 大小:384.04KB 下载积分:0.5 金币
下载 相关 举报
无砂混凝土沉井在尾矿坝降水工程中的应用.pdf_第1页
第1页 / 共5页
无砂混凝土沉井在尾矿坝降水工程中的应用.pdf_第2页
第2页 / 共5页


点击查看更多>>
资源描述
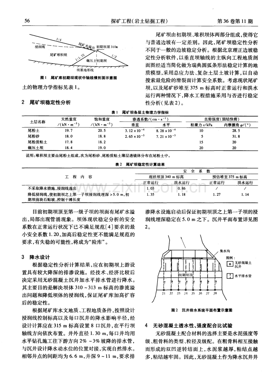
2 0 0 9年 1 1月 探矿工程 ( 岩土钻掘工程 ) 5 5 无砂混凝土沉井在尾矿坝降水工程中的应用 汪火来 ( 福建省龙岩市龙腾地质矿业有限公司, 福建 龙岩 3 6 4 0 0 0 ) 摘要: 通过岩土工程勘察, 查明了尾矿库坝体的物理力学性能、 渗透系数等, 进行坝体稳定性分析计算。尾矿库 浸润线过高会造成坝体不稳定, 导致坝体破坏。无砂混凝土作为沉井井壁, 采用有效的沉井施工方法达到设计深 度。通过抽水试验和多年降水排渗运行情况, 无砂混凝土作为沉井井壁, 有良好透水性和反滤层的作用, 有效地降 低坝体浸润线, 增强坝体的稳定性。 关键词: 无砂混凝土 ; 反滤层; 渗透系数 ; 沉井; 浸润线 中图分类号 : T U 4 6 3 文 献标 识码 : A 文章编 号: 1 6 7 27 4 2 8 ( 2 0 0 9 ) 1 1 0 0 5 5 0 5 Ap p l i c a t i o n o f Ca i s s o n wi t h Co n c r e t e wi t h o u t S a n d i n t h e De wa t e n g En g i n e e r i n g o f Ta i l i n g Da mWA NG Hu o l a i ( F u j i a n L o n g y a n L o n g t e n g G e o l o g y a n d Mi n i n g C o , L t d ,L o n g y a n F u j i a n 3 640 0 0, C h i n a ) Ab s t r a c t :P h y s i c a l a n d me c h a n i c al p r o p e r t i e s a n d p e r me a b i l i t y c o e ff i c i e n t o f t h e t a i l i n g d a m we r e f o u n d o u t b y g e o t e c h n i - c al e n g i n e e r i n g i n v e s t i g a t i o n a n d a n a l y s i s c alc u l a t i o n o n d a m s t ab i l i t y w a s c a r r i e d o u t Hi g h wo uld c a u s e i n s t ab i l i t y C o n - c r e t e wi t h o u t s a n d wa s t a k e n a s t h e c ais s o n w a l l an d t h e p r o p e r c o n s t r u c t i o n me t h o d wa s a d o p t e d t o r e a c h the d e s i g n i n g d e p t h P u mp i n g t e s t a n d d e w a t e ri n g d i s c h a r n g o p e r a t i o n p r o v e d t h a t t a k i n g c o n c r e t e w i t h o u t s a n d a s c ais s o n w a l l c o uld h a v e g o o d p e rm e a b i l i t y a n d f i l t r a t i o n f u n c t i o n,e ff e c t i v e l y l o w e r t h e s a t u r a t i o n l i n e a n d i n c r e a s e s t a b i l i t y o f t h e d a m Ke y wo r d s :c o n c r e t e wi t h o u t s an d;i n v e r t e d f i l t e r ;p e rm e ab i l i t y c o e ff i c i e n t ;c a i s s o n ;s a t u r a t i o n l i n e 0前 言 上游式尾矿筑坝方法 , 由于其工艺简单 , 管理方 便 , 能节省一次性建坝费用 , 已成为我国矿山企业尾 矿筑坝的传统模式。 在进行尾矿坝抗滑稳定性分析中 , 发现尾矿坝 抗滑稳定性 随着坝体的逐渐加 高而缓慢降低 ; 坝体 浸润线位置的高低对尾矿坝稳定性影响巨大 , 其影 响程度远超过坝体增高对抗滑稳定性 的影响。众所 周知, 通过降水降低坝体的浸润线可提高坝体的稳 定性 , 尾矿坝降水对提高坝体的稳定性极其重要。 尾矿坝降排水 的方法有很多, 如水平管排渗 、 管 沟式排渗、 褥垫式排渗和墙式排渗 , 细粒尾矿砂堆积 坝体的平均渗透系数一般在 l 0 一1 0c m s , 一般 是采用土工布作反滤层 , 降水效果起初较明显 , 使用 一 定年限后易产生机械淤堵或化学淤堵 , 影响降水 效果。 无砂混凝土是 由粗骨料、 水泥 和水拌制而成 的 一 种多孔混凝土 , 它不含细骨料 , 由粗骨料表面包覆 一 薄层水泥浆相互粘结而形成孔穴均匀分布的蜂窝 状结构 , 它除具备普通集料作反滤层具有 良好 的透 水性、 过滤性特点外, 另外自身还具备一定的强度, 不发生渗透破坏, 不需设多层反滤层, 还可以作为支 撑结构 , 施工简便等优点 。 用无砂混凝土制作 的沉井 , 通过有效 的施工方 法达到设计深度后, 具有井径大, 降水效果明显, 施 工方便 、 经济。在尾矿坝 的降水排 渗中成功地降低 坝体浸润线 , 从运行情况来看 , 效果不错 , 对同类尾 矿库的降水工程有借鉴、 推广意义。 本文以紫金山金矿尾矿库采用无砂混凝土沉井 降水为例 , 介绍作为井壁材料 的无砂混凝土配合 比 试验 , 以及沉井施工方法和降水效果等。 1 尾矿库基本情况 该尾矿库属山谷型尾矿库, 位于福建省闽西, 汇 水面积约 0 2 k m , 设计库容 1 2 7 8 1万 m , 最终设 计堆积标高为 3 7 0 m, 子坝设计坡度 1 :4, 采用上游 式筑坝 。由于矿 山选矿厂工艺和生产规模 的扩大 , 拟进行增高设计至 3 7 5 m标高 。初 期坝坝长约 6 0 m, 高约 l 3 5 m, 为碾压土坝, 土料为含碎石粉质粘 土, 碎石成分主要为花岗岩, 透水性较差。尾矿库初 期坝现状中轴线横剖面见图 1 。 根据尾矿堆积坝的岩土工程勘察成果报告 , 尾 库堆积坝主要由尾粉土组成 , 夹有尾粉砂 、 尾粉质粘 土透镜体, 依据试验成果, 结合经验值 , 尾矿坝各层 收稿 日期 : 2 0 0 9 0 7 2 6 作者简介 : 汪火来 ( 1 9 6 3一) , 男 ( 汉 族) , 福建泉州人 , 福建省龙岩市龙腾地质矿业有限公 司工程 师, 水文地质工程地质专业 , 从事岩土工程 勘 察与施 工及矿 山水文地质工程地质工作 , 福建 省龙 岩市罗桥 闽西地矿大厦 6楼 , WH L 6 6 9 8 6 9 1 2 6 c o m。 5 6 探矿工程( 岩土钻掘工程 ) 第 3 6卷第 1 1 期 坝基地形线 圈 1 尾矿库初期坝现状 中轴线横剖面示意图 土的物理力学指标见表 l 。 2 尾矿坝稳定性分析 尾矿坝由初期坝、 堆积坝体两部分组成, 使得它 与普通边坡有一定差别 。因此 , 尾矿坝稳定性分析 不 同于一般的边坡稳定分析。根据北京理正边坡稳 定性分析软件 , 以垂直坝轴线 的主纵向工程地质剖 面图经适 当简化做为瑞典圆弧条形法稳定计算的地 质模型, 采用总应力法、 复杂土层土坡计算 , 以自动 搜索最危险的滑裂面计算安全系数。考虑现状尾矿 坝 , 以及尾矿砂堆至 3 7 5 r n 标高 时正常运行和洪水 运行两种情况下 , 降水工程措施采用与否进行稳定 性分析( 见表 2 ) 。 表 1 尾矿坝各层土物理力学指标 说 明: 堆积坝主要由尾粉土组成 , 次为尾粉砂 、 尾 粉质粘土薄层透镜体分布在尾粉土中。 表 2 尾矿坝稳定性计算结果 目前初期坝顶至第一级子坝的坝面有尾矿水溢 出 , 局部出现管涌现象。坝体现状稳定分析的安全 系数在正常运行状况下 已不满足规范 4 要求的最 小安全系数 1 2 0 , 加高后稳定性更不能满足规范 的 要求 , 有失稳的可能性 , 将成为“ 险库” 。 3 降水设计 根据稳定性分析计算结果 , 应在初期坝上游设 置具有较大降深 的排渗设施 。经技术 、 经济 比较后 决定采用无砂混凝土沉井加水平排水管进行降水。 其主要 目的是解决坝体 3 1 03 1 3 m标高的渗流溢 出问题和降低坝体 的浸润线 , 保证尾矿库加高扩容 后的稳定性。 根据尾矿库水文地质、 工程地质条件 , 按照设计 浸润线控制标高以及每 口沉井的降水影响半径 , 经 设计计算应在 3 1 5 m标高设 置 8口沉井 , 在平行坝 轴线方向依次布置。井外直径 1 3 0 m, 每口井均用 水平钻孑 L 施工往下游方 向 2 3 坡降的排水管 , 与沉井设计降水动水位的位置对接 , 实现 自然排水。 相邻井点的间距均为 6 6 m, 井深 91 1 m, 要求排 渗降水设施启动后保证初期坝顶之上第一子坝的浸 润线埋深稳定在 5 0 m之下。沉井平面布置详见图 2。 图 2 沉 并排水系统平面布置示意图 无砂混凝土 沉井 水平排水管 4 无砂混凝土透水性、 强度配合比试验 无砂混凝土配合材料的选择主要是水泥强度等 级 、 粗骨料 的类型、 粒径及级配。在粗骨料相互接触 而形成的双 凹逆转结面上 , 水 泥浆越厚 , 粘结点越 多 , 粘结越牢固。因此, 无砂 昆 凝土作为降水沉井井 2 0 0 9年 1 1月 探矿工程( 岩土钻掘工程) 5 7 壁宜采用高强度的等级水泥及较大粒径范围的卵石 骨料配制 。水灰比既是影响无砂混凝土的强度 , 又 影响其透水性。无砂混凝土的水灰 比一般是随水泥 用量的增加而减少 , 但 只是在一个较小的范围内波 动。对确定 的某一级配骨料 的水泥用量 , 有一最佳 水灰 比, 此 时的混凝 土才会 具有最大 的抗压 强度。 当水灰比小于这一数值 时, 水泥浆难 以均匀地包裹 所有骨料颗粒 , 达不到适当的密实度 , 不利于强度的 提高。反之 , 如果水灰 比过大 , 易产生离析 , 水泥浆 会从骨料颗粒上淌下 , 形成不均匀 的混凝土组织 , 既 不利于透水 , 也不利 于强度提高。 一 般无砂混凝土的水灰 比介于 0 2 5 0 4 0之 间, 在实际工作中常常根据经验来判定水灰 比是否 合适。取一些拌合好 的拌合 物进行观察 , 如果水泥 浆在骨料颗粒表面包裹均匀 , 没有水泥浆下滴现象 而且有类似金属光泽 , 则说明水灰 比较为合适 。 该尾矿库降水排渗 的含水层为尾粉土 , 次为尾 粉砂、 尾粉质粘土薄层透镜体。根据有关文献 0 , 采用 51 3 m m 的卵石骨料 , 可使无砂混凝 土具有 良好透水性 , 对尾矿砂可起到 良好反滤作用 。 因此 , 通过多次试验对 比, 最后选定强度等级为 4 2 5的普通硅酸盐水泥在不掺合外加剂的情况下 , 选用灰:水:骨料的配合为 1 :0 3 :5 6进行试件 制作 , 试件经 自然养 护 2 8天后 , 分别在万 能试验机 上测试混凝土抗压强度 , 在 自制 的渗透仪用 常水头 测定渗透系数 , 结果见表 3 。 表 3 无砂混凝 土用于透水沉井推荐配合比及 性能 骨料粒径 C S W C 水泥抗压强度 渗透系数 mm ( 质量比) ( 质量 比) 等级 MP a ( e m s ) 51 3 1 : 5 9 0 3 42 5 2 5 0 2 8 根据上述配合 比试验结果 , 无砂混凝土可作为 尾矿坝降水排渗的反滤层 , 同时具备沉井结构设计 所需 的强 度 。 施工时应注意以下几点 : ( 1 ) 采用强制性搅拌 , 由于水泥浆的稠度较大 , 且数量较少, 为了保证水泥浆 能均匀地包 裹在骨料 上 , 搅拌时问适 当延 长。投料顺序 : 水泥 +水 , 搅拌 均匀后加人卵石骨料。 ( 2 ) 无砂混凝土是干硬性 的混凝土 , 在浇筑前 , 用水湿润模板 , 防止混凝土水分流失加速水泥凝结。 由于无砂混凝土中水泥量有限 , 只能包裹骨料颗粒 , 因此在浇筑时不得采用强烈振捣 , 否则将会使水泥 浆沉积, 破坏混凝土结构均匀性, 并在底部形成不透 水层。 ( 3 ) 无砂混凝土 由于存在大量孔隙 , 易失水 、 干 燥很快 , 所 以早期养护非常重要 。浇筑后用塑料薄 膜覆盖表面 , 并开始洒水养护。 5 沉井施工 沉井施工是在现场根据室 内无砂混凝土配合比 和设计配筋先预制井筒 , 然后进行 吊装 。在浸润线 水位之上先用人工挖土 , 挖出来的土倒人土筐内 , 借 助卷扬设备提出井外 , 利用沉井 自重和助沉措施 , 使 沉井下沉。 5 1 沉井工艺 浸润线以下的沉井采用水力排土沉井 , 其工艺 原理是 : 水力排 土沉井 下沉工艺系使用高压水 ( 水 泵出口压力宜为 1 0 M P a ) 通过水枪将土体破碎并 与水枪的出水混和成一定浓度的泥浆 , 然后潜水砂 泵经 由输泥管路吸排出沉井送至泥浆沉淀池或低洼 处沉淀。沉井设计和施工时应满足以下几个条件 : ( 1 ) 沉井下沉系数及稳定系数是衡量是否采用 水力排土沉井的两项指标 。 沉井下沉系数 : K o =( G k F k ) r , 式 中: K o 下 沉 系数 ; G 井 体 自重标 准 值 , k N; F 下 沉 过程 中地 下 水 浮 力 标 准 值 , k N; 井壁总摩阻力 , k N。 沉井稳定性系数 : K =( G 一 F ) ( + 尺) 式中 : K 稳定系数 ; R 沉井刃脚下等 的地基 土总反力 , k N。 当下沉系数 1 3 0, 稳定系数 0 8 0, 宜采用水 力排土沉井。 ( 2 ) 施工时使 高压水枪冲击井底 , 所造成 的泥 浆量和渗入 的水量与潜水砂泵 吸人 的水量保持平 衡 。 ( 3 ) 施工场地应在尾矿库 之外设置潜水砂泵排 出的泥浆沉淀池 , 沉淀晒干后外运 , 以免造成环境污 染 。 ( 4 ) 施工场地周边应拥有充足 的供水 点, 以保 证高压水枪的用水来源, 在高压水泵边设储备水池。 水力排土沉井施工工艺流程见图 3 。 5 2 主要施工设备 尾矿土介于粘性土和砂性土之间, 粘聚力小 , 主 要体现砂性土的特征。位于浸润线之下尾矿土在高 压水流作用下易被冲切 , 采用小型水力机械设备系 统 。 高压水泵扬程在 1 0 0 m左右, 单机流量为7一 5 8 探矿工程( 岩土钻掘工程 ) 第 3 6卷第 1 1 期 沉井 制作 _。_-_一 Jl_ 拆模清理 井内和井上输水 、输泥管路安装 井 内水力机械 ( 水枪、潜水砂泵 ) 安装 壹 丕塞菱 H 煎塑 继续冲砂 、排砂及井位监测循环施工 空 匝国 度以 2 0 3 0 c m为宜。浇注井底混凝土采用水下混 凝土灌注 , 浇注时导 管插入 混凝土 深度不 宜小于 1 5 0 m, 导管直径 以 2 53 0 c m为宜。待水下混凝 土达到所需的强度后 , 方可从井内抽水。 6 抽水试验 用潜水泵降低井 内水位达到稳定要求连续抽水 8 h , 当排水 1 h后 , 相邻两井 内的水位已基本下降 至预定深度, 且井底淤砂厚度 1 0 0 m m; 井壁垂直 达到设计要求 , 井壁渗水无砂 , 说明施工质量合格。 为检验降水效果 , 现场进 行了 3组相隔一井的双井 抽水试验 , 试验结果见表 4 。 表 4 抽水试验成果表 降深 ,、 箸 组 、号 m (m d )井 号 翥 从现场抽水试验成果看 , 主井动水位埋深稳定 后的降深在 6 0 6 m。最大降深在 7 3 1 m, 平均降深 值 6 6 9 , 降水效果 明显。当全部沉井降水启动后 , 由于降水降漏漏斗的叠加 , 降深还增加 , 可达到设计 降水深度要求。 7 水平排水管施工 为实现 自流排水 , 节省电源 , 便于施工管理 , 在 每个沉井下游方向施工水平排水管。 ( 1 ) 钻探设备采用水平钻孔钻机或 G X Y一1型 钻机改进而成 , 水平排水管在沉井位 置往下游方 向 按 2 3 的坡度施工 , 开挖和浇筑反力墩 ; ( 2 ) 用硬质合金钻头带 13 1 4 6 m m套管送水钻进 成孔 , 达到设计深度后 , 反复用小径钻具在套管内送 水排渣 , 导向孔即告完成 , 并逐段上好套管和进行下 一 段施工, 直至达到沉井外壁 ; ( 3 ) 用0 1 0 8 m m钻具送高压清水反复清洗, 将 套管内尾矿砂洗净 , 然后换新 的硬质合金钻头钻穿 沉井壁 ; ( 4 ) 逐段下入水平排水管, 直至对接到沉井 中, 必要时抽水 降低 井 内水 位后 , 用人 工下入井 内将 0 1 o 8 m m水平排水管导入井 内, 并在管 口焊接固定 措施 ; 2 0 0 9年 1 1月 探矿工程( 岩土钻掘工程) 5 9 ( 5 ) 用顶杆 固定排水管 , 逐根拨 出套管 , 水平排 水管即施工完成 , 形成 自流排渗系统 。 8 降水效果 无砂混凝土沉井降水设施投入使用至今 已有 3 年 , 总的排水量基本不变 , 排 出的尾矿水不含砂 , 沉 井内的动水位稳定在坝面下 7 3 0 m左右 ; 在初期坝 之上第一级子坝上利用勘察钻孔成井的水位观测井 进行水位观测 , 浸润线埋深在 5 0 m之下 , 满足浸润 线标高的最低控制要求 。目前该尾矿坝仍在正常运 行 中。该尾矿坝在没有采用无砂混凝土沉井降水之 前 曾施工包裹土工布 的水平排渗管 , 起初有一定排 水量 , 但 降水效 果不 明显 , 1年 以后排水 量渐渐减 少 , 出现前面介绍的初期坝顶至第一级子坝的坝面 有尾矿水溢出, 局部有出现管涌现象。因此说明该 方法降低坝体浸润线效果 良好。 9结语 采用无砂混凝土沉井加水平排水管降水排渗具 有造价省 、 降水效果 好 , 不消耗 电源、 便 于管理等优 点。无砂混凝土作为沉井井壁 , 有 良好透水性和反 滤层的作用, 有效地降低坝体浸润线 , 加速尾矿 的固 结, 提高尾矿坝的稳定 , 是尾矿坝降低浸润线切实可 行的方法 , 在类似尾矿坝降水工程中具有借鉴 、 推广 应用的价值 。 参考文献: 1 付 贵海 , 张洪林 , 等 无砂混凝 土作反 滤层的试 验研 究 J 中 南公路工程 , 2 0 0 5, ( 6 ) : 4, 1 9 2 付贵海, 张洪林, 等 无砂混凝土试验研究 J 交通科技, 2 0 0 4, ( 5 ) : 5 6 3 黄文熙 土的工程性质 M 北京 : 水利 电力 出版 社 , 1 9 8 3 1 1 6 1 2 2 4 A Q 2 0 0 6 2 0 0 5 , 尾矿库安全技术规程 s 我国第三次获国际大陆科钻计划支持 中国地质调查局 网站消息近 日, 从 国际大陆科学钻 探 计划( mO P ) 总部德国地学中心( G F Z ) 传出喜讯, 中国地 质大学( 北京) 教授王成善等人联合美国、 奥地利等国科学家 申请的“ 白垩纪松辽盆地大陆科学钻探项 目” 获得批准。这 是我国继东海和青海湖大陆科学钻探之后 , 第三个获得国际 大陆科钻计划支持 的项 目。 该项 目的开展将 有助 于对地球 历史上 在陆地上 发生 的 快速气候变化过程研究的进一步深入, 并通过对快速气候变 化成因、 过程及其对环境、 生物的影响等综合研究, 为未来全 球气候变化趋势判断提供依据。 白垩纪距今约 6 5 0 0万年至 1 4亿年 , 是离现今人类生 活最近的典型温室气候时期。当时, 全球平均温度比现在高 1 0左右 , 大气中的二氧化碳浓 度是现在 含量 的 41 0倍 。 松辽盆地 是世界上最大 的白垩纪 陆相 含油气盆 地 , 有完 整 的 白垩纪沉积, 实施这项科学计划的地质条件极具优势。此次 申报的国际大陆钻探项 目有 2 0项, “ 白垩纪松辽盆地大陆科 学钻探项目连续高分辨率陆相沉积记录与温室气候变 化” 项 目经国际大陆科学钻探委员会专家委员会、 执行委员 会、 董事会审批, 成为最终获批的3个项 目之一。 此前, 由中国地质大学( 北京) 王成善教授担任首席科学 家的“ 9 7 3计划项 目” , 已经于 2 0 0 6年、 2 0 0 7年在松辽盆地完 成 了松科一井 ( S K一1 ) 科学钻孔 , 并 获得 2 4 8 5 8 9 m 的岩心 , 取 心率 达 9 6 4 6 , 取心层位包括 中 一上 白垩统 ( S K一1 ) 。 “ 白垩纪松辽盆地大陆科学钻探项目连续高分辨率 陆相沉积记录与温室气候变化” 的推进将进一步深化白垩纪 温室世界气候变化和重要地层界线的识别和海 一陆地层对 比、 生物对陆地环境变化响应的原因、 陆相沉积环境对白垩 纪大洋缺氧事件的响应、 陆相烃源岩的形成和白垩纪正极性 超时( C N S ) 的机制等气候变化与碳循环有关的地质事件间 联系等问题。 首都地面沉降研究与预昕成 果吸引业内关注 中国地质调查局网站消息北京市地勘局在北京市地 面沉降监测 、 研究 和预 防工作 已走在 世界前 列 , 一系列 成果 吸引了业内同行的关注。 据悉, 从 2 0 0 2年起 , 北京地勘局先后在顺义区天竺、 朝 阳区望京工业开发区 、 王 四营乡建成 3个 地面沉 降监 测站 和 北京市地面沉降监测研究中心, 建设工程地质孔、 基岩标、 分 层标、 地下水动态观测井、 孔隙水压力观测孔共计 5 3个, 分 别安装了自动化监测设备, 实现地面沉降自动化监测; 开展 了平原区3 0 0 0 k m 地面沉降调查。同时, 新建外围地下水 动态观测井 3 9眼, 进一步完善了外围地下水动态监测网, 初 步建立了北京市地面沉降监测系统框架 , 为北京市地面沉降 防治以及全市防灾减灾工作提供了有力的技术支持和保障。 后来 , 北京市地勘局承担的预警预报系统( 二期) 工程全 部建设完成并正式投入使用。这一地面沉降监测体系由7 个监测站、 7个基岩标 、 5 5个分层标、 3 7个地下水位观测孔、 1 6个孔隙水压力观测孔、 3 1 5个外 围地下水观测孔、 1 1 4个 G P $ 监 测点及 1 0 0个 专 门监 测点 共 同构 成 , 能 对 北京 4 0 0 0 k m 平原区地面沉降状况进行实时化、 可视化、 网络化监测。 同时, 也使北京首次实现了以城区为中心的整个平原区地面 沉降的实时监测。北京首次实现了对地面沉降的量化描述, 而通过这些海量数据的分析处理, 更可能对地面沉降的发展 趋势进行预测, 通过实施针对性 的防控措施 , 使地面沉降灾 害的防治由被动型转变为主动型。
展开阅读全文

开通  VIP会员、SVIP会员  优惠大
下载10份以上建议开通VIP会员
下载20份以上建议开通SVIP会员


开通VIP      成为共赢上传

当前位置:首页 > 环境建筑 > 工程监理

移动网页_全站_页脚广告1

关于我们      便捷服务       自信AI       AI导航        抽奖活动

©2010-2026 宁波自信网络信息技术有限公司  版权所有

客服电话:0574-28810668  投诉电话:18658249818

gongan.png浙公网安备33021202000488号   

icp.png浙ICP备2021020529号-1  |  浙B2-20240490  

关注我们 :微信公众号    抖音    微博    LOFTER 

客服