收藏 分销(赏)

普车实训图纸.doc

上传人:精**** 文档编号:4870689 上传时间:2024-10-16 格式:DOC 页数:9 大小:193.54KB 下载积分:6 金币
下载 相关 举报
普车实训图纸.doc_第1页
第1页 / 共9页
普车实训图纸.doc_第2页
第2页 / 共9页


点击查看更多>>
资源描述
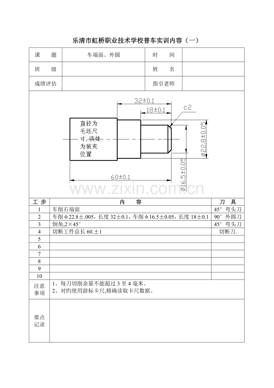
乐清市虹桥职业技术学校普车实训内容(一) 课 题 车端面、外圆 时 间 班 级 姓 名 成绩评估 指引老师 工 步 内 容 刀 具 1 车削右端面 45°弯头刀 2 车削φ22.8±.005,长度32±0.1,车削φ16.5±0.05,长度18±0.1 90°外圆刀 3 倒角,2×45° 45°弯头刀 4 切断工件总长60.±1 切断刀. 5 6 7 8 9 10 注意事项 1、每刀切削余量不能超过3至4毫米。 2、对旳使用游标卡尺,精确读取卡尺数据。 要点记录 乐清市虹桥职业技术学校普车实训内容(二) 课 题 车削端面、外圆、切槽. 时 间 班 级 姓 名 成绩评估 指引老师 工 步 内 容 刀 具 1 车削右端面 45°弯头刀 2 车削φ24.2±0.03,长度34±0.1,φ18.6±0.03,长度20±0.1. 90°外圆刀 3 切槽φ21.6±0.08,长度34±0.1 φ14.6±0.08,长度20±0.1 切断刀 4 倒角2×45 45°弯头刀 5 切断工件总长60±0.5 切断刀 6 7 8 9 10 注意事项 1、切断刀对刀时,刀刃和工件表面平行。 2、加工各尺寸时,记住大,中拖板起始位置, 3、保证各尺寸在规定公差范畴内. 要点记录 乐清市虹桥职业技术学校普车实训内容(三) 课 题 车端面、外圆、切槽、车圆锥面 时 间 班 级 姓 名 成绩评估 指引老师 工 步 内 容 刀 具 1 车削右端面 45°弯头刀 2 车削φ26.5±0.02,长度44±0.1,φ22.8±0.03,长度35±0.05,φ12.5±0.03,长度10±0.05 90°外圆刀 3 车圆锥面φ15.5至φ22.8±0.04 90°外圆 刀 4 切槽φ19.8±0.1,长度35±0.05 切槽刀 5 切断工件总长64±0.5 切断刀 6 7 8 9 10 注意事项 1、车圆锥面时,小拖板移位后,必须将90°外圆车刀主刀面刀刃和加工工件端面呈平行状态,然后锁紧刀台。 2、车锥度时,扳动小拖板手柄须双手交替配合,用力均匀,以保证锥面粗糙度。 要点记录 乐清市虹桥职业技术学校普车实训内容(四) 课 题 车端面、外圆、圆锥面、一般螺纹 时 间 班 级 姓 名 成绩评估 指引老师 工 步 内 容 刀 具 1 切料,留余量2至3毫米。 切断刀 2 车工件第一头端面, (螺纹面) 45°弯头刀 3 车削外圆φ26.5±0.03长度32±0.1, φ14±0.05长度12±0.2 90°外圆刀 4 车18.5至26.5圆锥面,公差范畴±0.15 90°外圆 刀 5 切退刀槽φ11±0.3 切槽刀 6 车螺纹,螺距1.5 螺纹刀 7 车第2面端面 45°弯头刀 8 车外圆φ32±0.1,长度21±0.5;φ28±0.05,长度18±0.15;φ18±0.03,长度10±0.1。 90°外圆刀 9 未注倒角、去毛刺。 45°弯头刀 10 注意事项 1、车螺纹时控制转速,采用正反车法。 2、螺纹小径计算公式:D-(0.6P×2 )。 如螺纹标记:M14×1.5,则螺纹小径为:螺纹大径14-(0.6×螺距1.5×2) =14-1.8=12.2(mm) 要点记录 乐清市虹桥职业技术学校普车实训内容(五) 课 题 车端面、外圆、切槽、车内外螺纹、滚花 时 间 班 级 姓 名 成绩评估 指引老师 工 步 内 容 刀 具 1 车螺母,备料车外圆φ32±0.1,切断料留余量2至3mm 外圆刀、切断刀 2 车左右端面控制总长,长度30±0.5 45°弯头刀 3 打中心孔,钻Φ20至通孔 中心钻、麻花钻 4 车孔φ22长度车通 内孔刀 5 车内 螺纹24×2 内螺纹刀 6 车螺栓右端面 45°弯头刀 7 车外圆φ32±0.1,长度80±0.5;车φ28±0.05,长度50±0.2; 车φ24,长度30±0.1。 90°外圆刀 8 切槽φ20±0.1 切槽刀 9 车螺纹M24×2 外螺纹刀 10 螺纹配合、滚花 滚花刀 注意事项 1、注意车内螺纹孔径不能直接达到24。 2、车螺栓时,工件较长,注意车削外圆和端面时加工余量不能太大,切槽时也须慢慢进给。 要点记录 乐清市虹桥职业技术学校普车实训内容(六) 课 题 综合练习(一) 时 间 班 级 姓 名 成绩评估 指引老师 工 步 内 容 刀 具 1 切料,留余量2mm 切断刀 2 车左端面 45°弯头车刀 3 车外圆φ30±0.04,长度55 90°偏刀 4 钻中心孔 中心钻 5 钻孔φ14,深24;扩孔φ20,深17 麻花钻 6 粗精车内孔φ26±0.04 内孔刀 7 切槽宽5mm 切槽刀 8 调头装夹,车端面,总长70±0.1 45°弯头车刀 9 车φ20外圆,倒角 90°偏刀 10 切槽宽5mm 切槽刀 11 车M20×2螺纹 螺纹车刀 注意事项 1、粗、精车时变换转速、进给量; 2、车内孔时注意退刀方向 要点记录 乐清市虹桥职业技术学校普车实训内容(七) 课 题 综合练习(二) 时 间 班 级 姓 名 成绩评估 指引老师 工 步 内 容 刀 具 1 切料,留余量2mm 切断刀 2 车左端面(内螺纹端面) 45°弯头车刀 3 车外圆φ30±0.02,长度35 90°偏刀 4 钻中心孔 中心钻 5 钻孔φ14,深20 麻花钻 6 粗精车内孔φ17.6±0.10 内孔刀 7 车内螺纹M20×2 内螺纹刀 8 调头装夹,车端面,总长60±0.1 45°弯头车刀 9 车外圆φ28±0.02,长30 ±0.06 90°偏刀 10 钻中心孔;钻孔φ14,深22±0.1 中心钻、麻花钻 11 车锥孔 内孔刀 注意事项 1、粗、精车时变换转速、进给量; 2、车内孔时注意退刀方向 要点记录 普车实训图纸(八) 课 题 车端面、外圆、宽槽、圆锥面 时 间 班 级 姓 名 成绩评估 指引老师 工 步 内 容 刀 具 1 车右端面 45°弯头车刀 2 车外圆φ26±0.02,长度40±0.08;外圆φ18±0.02,长度 20±0.08 90°偏刀 3 切槽φ20±0.05,长度46±0.1 切槽刀 4 车外圆φ24±0.02,长度60±0.12 90°偏刀 5 切槽φ20±0.05,长度60±0.12 切槽刀 6 车外圆φ30±0.1,长度85±0.2 90°偏刀 7 车圆锥面3处 90°偏刀 8 切断,长度85±0.2 切槽刀 9 10 注意事项 1、工件较长,注意控制切槽时转速; 2、切削较长槽时一般留0.5-0.2mm精车。 要点记录 普车实训图纸(九) 课 题 螺纹、锥度配合 时 间 班 级 姓 名 成绩评估 指引老师 件1 件2 工 步 内 容 刀 具 件1 1 车右端面 45°弯头车刀 2 车外圆φ30,长度50 90°偏刀 3 车外圆φ22,长度40±0.1 90°偏刀 4 车槽φ18±0.04,长度40±0.1 切槽刀 5 倒角,车螺纹M22×2 螺纹车刀 6 钻中心孔 中心钻 7 车锥面 90°偏刀 8 滚花 滚花刀 9 钻孔φ10,深30 麻花钻 件2 10 车左端面 45°弯头车刀 11 车外圆φ30,长度46 90°偏刀 12 车90°锥面 90°偏刀 13 车内螺纹M22×2 螺纹车刀 14 倒角;切断,长度46 切槽刀 注意事项 1、为保证滚花旳持续性,应滚花后加工锥面; 2、件2中内螺纹旳底孔直径经计算后得出,以免过大或过小。 要点记录
展开阅读全文

开通  VIP会员、SVIP会员  优惠大
下载10份以上建议开通VIP会员
下载20份以上建议开通SVIP会员


开通VIP      成为共赢上传

当前位置:首页 > 包罗万象 > 大杂烩

移动网页_全站_页脚广告1

关于我们      便捷服务       自信AI       AI导航        抽奖活动

©2010-2026 宁波自信网络信息技术有限公司  版权所有

客服电话:0574-28810668  投诉电话:18658249818

gongan.png浙公网安备33021202000488号   

icp.png浙ICP备2021020529号-1  |  浙B2-20240490  

关注我们 :微信公众号    抖音    微博    LOFTER 

客服