收藏 分销(赏)

毕业论文设计--塑料制品机械设备生产项目立项环境评估报告表.doc

上传人:丰**** 文档编号:4789798 上传时间:2024-10-12 格式:DOC 页数:21 大小:295KB 下载积分:10 金币
下载 相关 举报
毕业论文设计--塑料制品机械设备生产项目立项环境评估报告表.doc_第1页
第1页 / 共21页
毕业论文设计--塑料制品机械设备生产项目立项环境评估报告表.doc_第2页
第2页 / 共21页


点击查看更多>>
资源描述
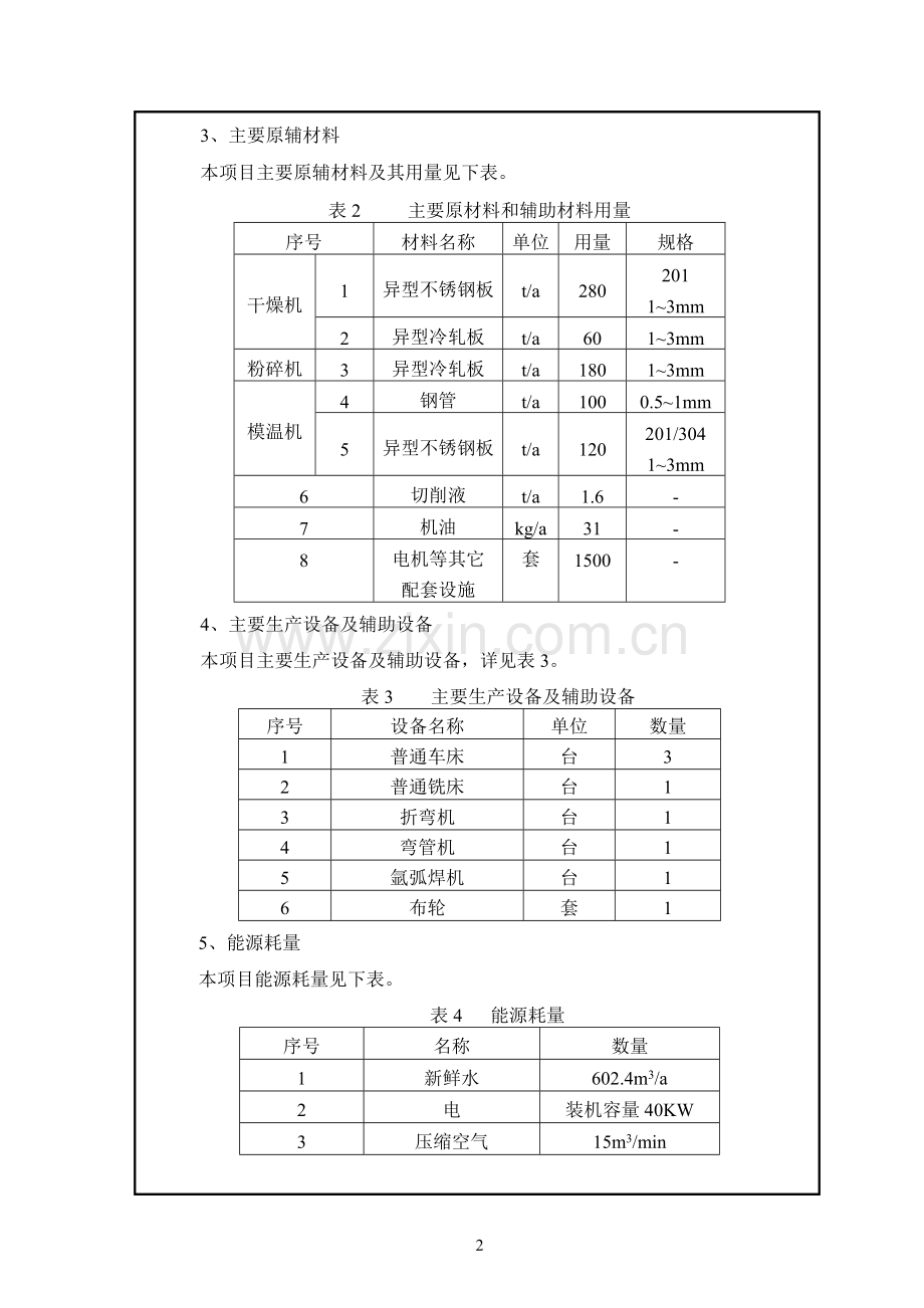
建设项目基本情况 项目名称 有限公司塑料制品机械设备生产项目 建设单位 法人代表 联 系 人 通讯地址 联系电话 传 真 - 邮政编码 建设地点 立项审批部门 XXXXX对外经济贸易委员会 批准文号 建设性质 新建 行业类别 及代码 塑料加工专用设备制造 C-3623 占地面积 (平方米) 1769.32 绿化面积 (平方米) - 总投资 (万美元) 15 其中:环保投资 (万元) 3.5 环保投资占总投资比例 3.1% 评价经费 (万元) 1.2 预期投产日期 2003年12月 工程内容及规模: 1、项目概况 XXXXXXXXXX有限公司选址于XXXXXXXXXX工业区XXXXX20号,租用XXXXX市 公司现有厂房进行生产,所租厂房总建筑面积约为1052.8m2。本项目经营范围:生产、加工、销售塑料制品机械设备,相关设备的安装及维修。 2、产品方案及生产规模 本项目产品方案及生产规模详见下表。 表1 主要产品及产量 序号 产品名称 单位 产量 1 干燥机 台/年 500 2 粉碎机 台/年 500 3 模温机 台/年 500 3、主要原辅材料 本项目主要原辅材料及其用量见下表。 表2 主要原材料和辅助材料用量 序号 材料名称 单位 用量 规格 干燥机 1 异型不锈钢板 t/a 280 201 1~3mm 2 异型冷轧板 t/a 60 1~3mm 粉碎机 3 异型冷轧板 t/a 180 1~3mm 模温机 4 钢管 t/a 100 0.5~1mm 5 异型不锈钢板 t/a 120 201/304 1~3mm 6 切削液 t/a 1.6 - 7 机油 kg/a 31 - 8 电机等其它 配套设施 套 1500 - 4、主要生产设备及辅助设备 本项目主要生产设备及辅助设备,详见表3。 表3 主要生产设备及辅助设备 序号 设备名称 单位 数量 1 普通车床 台 3 2 普通铣床 台 1 3 折弯机 台 1 4 弯管机 台 1 5 氩弧焊机 台 1 6 布轮 套 1 5、能源耗量 本项目能源耗量见下表。 表4 能源耗量 序号 名称 数量 1 新鲜水 602.4m3/a 2 电 装机容量40KW 3 压缩空气 15m3/min 6、公用工程 (1)给水:本项目用水由XXXXXXXXXX工业区给水管网提供,主要为员工洗手、冲厕等生活用水,用水量为2.4m3/d。 (2)排水:本项目排放污水主要为员工生活污水,经XXXXXXXXXX工业区污水管道最终排入开发区第九污水处理厂。本项目污水排放量约为2.16m3/d,年排水量约542.16m3。 (3)供电:本项目由XXXXXXXXXX工业区市政供电网供电。 (4)采暖及制冷:本项目生产车间及办公用房冬季采暖热源和夏季制冷均由室内独立空调提供。 (5)动力:本项目设计选用1台空气压缩机。 (6)食堂:本项目不设食堂,采用配餐制。 7、工作制度及定员 (1)工作制度:单班生产,每天8小时,年工作日为251天。 (2)定员:30人。 与本项目有关的原有污染情况及主要环境问题: 本项目选址于XXXXXXXXXX工业区XXXXX20号,租用XXXXX市 现有厂房用于生产,此厂房为新建厂房且首次被租用,因此本项目无原有污染及环境问题。 建设项目所在地自然环境社会环境简况 自然环境简况(地形、地貌、地质、气候、气象、水文、植被、生物多样性等): 1、地理位置 XXXXXXXXXX有限公司选址于XXXXXXXXXX工业区XXXXX20号,其东侧为XXXXX市精科工贸有限公司未租出的空厂房。本项目地理位置图见附图1、项目设备平面布置及周围环境简图见附图2。 2、气候特征 本地区属暖温带季风型大陆性气候,四季分明。春季干燥多风,夏季湿热多雨,秋季冷暖适宜,冬季干冷少雪。春秋季短,冬夏季长。 气温:绝对最高气温39.4℃,绝对最低气温-18.7℃,平均气温11.8℃; 风向:夏季主导风向SE,冬季主导风向NW,全年主导风向SW; 风速:最大风速26.7m/s,平均风速2.3m/s; 年平均降雨量:555mm。 3、地质、水文 XXX区自第四纪以来,一直处于沉积环境中,加之海陆变迁引起的海进、海退,造成了第四系地层复杂多变,新结构活动频繁,地震较多,地震烈度7度。 本地区无大的地表水系,地表水多为沟、叉、坑、塘形式,可利用地表水资源少,约2447×104m3。地下水交替属自然状态,浅层地下水(潜水)水位埋深1.4m。由于本地区地处广阔的咸水分布区范围内,浅层地下水很少开发利用。地下水的补给主要来自大气降水,其次为农业灌溉,所以其水位动态受气象因素影响明显,呈现出雨季水位上升,旱季水位下降,年水位变幅在1m左右,浅层地下水流向总的趋势呈西北——东南向。 社会环境简况(社会经济结构、教育、文化、文物保护等): 环境质量状况 建设项目所在地区域环境质量现状及主要环境问题(环境空气、地面水、地下水、声环境、生态环境等): 1、环境空气质量现状调查与分析 本项目空气环境质量现状利用XXX区控点——XXX区环保监测站2002年环境空气中常规因子SO2、NO2、PM10监测结果对建设地区环境空气质量现状进行分析,监测结果见表5。 表5 XXX区环境空气质量现状 单位:mg/m3 项目 时间 SO2 NO2 PM10 1月 0.122 0.071 0.157 2月 0.069 0.069 0.114 3月 0.056 0.062 0.078 4月 0.034 0.038 0.135 5月 0.036 0.023 0.133 6月 0.026 0.023 0.099 7月 0.034 0.028 0.052 8月 0.030 0.019 0.056 9月 0.029 0.018 0.094 10月 0.032 0.025 0.106 11月 0.044 0.030 0.120 12月 0.055 0.040 0.151 采暖期 0.069 0.055 0.125 非采暖期 0.032 0.025 0.096 年均值 0.047 0.037 0.108 年均值标准 0.06 0.08 0.10 由上表可见,该地区常规污染物SO2、NO2年均值均满足GB3095 -1996《环境空气质量标准》(二级),PM10超标,在采暖期SO2超标。这主要是因为冬季采暖燃煤和春季的扬沙、浮尘造成总悬浮颗粒物污染比较突出。 该地区环境空气质量达到或优于II级良好水平天数比例为81.8%。 2、声环境现状 现场踏勘表明,本项目选址附近没有显著噪声源,声环境质量较好。现场监测其昼间噪声现状值约51.3~56.6dB(A),满足《城市区域环境噪声标准》(3类)的限值要求。 主要环境保护目标: 本项目选址东南侧隔XXXXX约30m处为XXXX工业区职工公寓,附近其余区域均为其它工业企业。本评价以XXXX工业区职工公寓作为本项目主要环境保护目标。 评价适用标准 1、环境质量标准 (1)环境空气质量标准 环境空气质量评价采用《环境空气质量标准》GB3095-1996中的二级标准。 表6 环境空气质量标准 mg/m3 污染物 浓度限值 1小时平均 日平均 年平均 TSP - 0.30 0.20 SO2 0.50 0.15 0.06 NO2 0.24 0.12 0.08 (2)环境噪声标准 该项目所在地应执行GB3096-93《城市区域环境噪声标准》中的3类标准,具体数值见表7。 表7 城市区域环境噪声标准 单位:dB(A) 时 段 3类 昼 间 65 夜 间 55 2、污染物排放标准 (1)废水执行《污水综合排放标准》GB8978-96(三级)、氨氮执行 CJ3082-1999《污水排入城市下水道水质标准》,标准限值见表8。 表8 废水排放标准 (mg/l,pH除外) 污染因子 pH CODcr BOD5 SS 氨氮 动植物油 数值 6~9 500 300 400 35 100 (2)厂界噪声执行GB12348-90《工业企业厂界噪声标准》(III类),见下表。 表9 厂界噪声标准 [dB(A)] 时 段 等效声级Leq 依 据 昼 间 65 GB12348-90(III类) 夜 间 55 (4)GB18597-2001《危险废物贮存污染控制标准》。 总量控制指标 本项目建成后,该公司污染物排放总量见表10。 表10 本项目污染物排放量汇总表 类别 名称 本项目排放量 水污染物 CODCr 0.190t/a 氨氮 0.016t/a 上述污染物排放量基本是合理的,建议以此作为环保部门下达总量控制指标的参考依据。 建设项目工程分析 工艺流程简述(图示): 本项目主要生产塑料制品机械设备,如干燥机、粉碎机、模温机等,其主要生产工艺流程见图1。 钢管(生产模温机时使用) 包装入库 组装 异型板 焊接 折弯 机加工 打光 电机等其它 配套设施 废切屑、废切削液、废机油、废油棉纱 图1 本项目生产工艺流程图 工艺说明: 首先将不同的异型不锈钢板或异型冷轧板(由外协单位切割完成尺寸大小要求)进行机加工;然后使用折弯机或弯管机根据不同设备的要求进行折弯;折弯后,使用氩弧焊机对接缝处进行熔融焊接(不使用焊条,产生少量焊烟);然后由电动机带动布轮转动将焊接处打光;最后将加工完成的各个部件及其它配套设施进行组装(使用螺丝钉或铆钉),再包装入库。 主要污染工序: 1、施工期 本项目使用现有已建成的厂房,无土建工程,仅为设备的安装与调试,因此无施工期环境影响。 2、营运期 2.1大气污染物 本项目焊接工序采用熔融焊接,不使用焊条,只产生少量焊烟,约0.06kg/a,无组织排放,对厂房外环境空气质量不会产生显著影响。 本项目在打光工位采用半遮挡方式,产生的金属尘自然下落到地面,最后集中收集,对环境空气质量不会产生显著影响。 2.2水污染物 本项目排放废水主要是员工洗手、冲厕等少量生活污水。 本项目员工人数为30人,生活用水量按每人每天80L、排放系数按0.9计,则生活污水排放量为2.16m3/d,主要污染物为CODcr、BOD5、SS、氨氮、动植物油等,其具体水质状况类比同类企业生活污水水质情况:CODcr350mg/L、BOD5200 mg/L、SS300 mg/L、氨氮30mg/L、动植物油40mg/L。 2.3噪声 本项目噪声主要来源于空压机及机加工设备运行时产生的噪声,其中空压机选用低噪声设备,噪声源强约65dB(A);机加工设备噪声源强75dB(A)。 2.4固体废物 本项目固体废物主要为员工产生的生活垃圾、打光工序产生的金属尘以及机加工工序产生的少量废切屑、废切削液、废机油、废油棉纱,其产生量见表11。 表11 固体废物产生情况统计 序号 名称 产生量(t/a) 性质鉴别 1 生活垃圾 3.0 普通废物 2 金属尘 0.6 3 废切屑 3.7 4 废切削液 0.14 危险废物HW09 5 废机油、废油棉纱 0.13 危险废物HW08 - 总计 7.57 - 项目主要污染物产生及预计排放情况 内容 类型 排放源 污染物 名称 处理前产生浓度及产生量(单位) 排放浓度及排放量 (单位) 大气 污染物 焊接 焊烟 无组织排放 无组织排放 水 污 染 物 生活污水542.16m3/a pH 6~9 6~9 CODCr 350mg/L,0.19t/a 350mg/L,0.19t/a BOD5 200mg/L,0.11t/a 200mg/L,0.11t/a SS 300mg/L,0.16t/a 300mg/L,0.16t/a 动植物油 40mg/L,0.02t/a 40mg/L,0.02t/a 氨氮 30mg/L,0.016t/a 30mg/L,0.016t/a 固体 废物 办公区 生活垃圾 3.0t/a 0t/a 打光工序 金属尘 0.6t/a 机加工 废切屑 3.7t/a 废切削液 0.14t/a 废机油、废油棉纱 0.13t/a 噪声 主要为空压机及机加工设备运行时产生的噪声,噪声源强分别为 65dB(A)、75dB(A)。 主要生态影响(不够时可附另面) 无生态影响。 环境影响分析 施工期环境影响分析 本项目使用现有已建成的厂房,仅为设备安装,因此无施工期环境影响。 运营期环境影响分析 1、环境空气影响分析 本项目焊接工序采用熔融焊接,不使用焊条,只产生少量焊烟,约0.06kg/a,无组织排放,对厂房外环境空气质量不会产生显著影响。 本项目在打光工位采用半遮挡方式,产生的金属尘自然下落到地面,最后集中收集,对环境空气质量不会产生显著影响。 2、水环境影响分析 本项目生产过程中无生产废水产生,废水主要来源于员工洗手、冲厕等少量生活污水,排放量为2.16m3/d。 类比同类企业生活污水水质,预测本项目生活污水(厕所、盥洗室等排水)经化粪池处理后的生活污水水质情况见表12。 表12 本项目排水水质预测结果 排放源 水量 m3/d 污染因子 (mg/L) pH除外 pH CODcr BOD5 SS 氨氮 动植物油 生活污水 2.16 6~9 350 200 300 30 40 废水排放标准 - 6~9 500 300 400 35 100 由上表结果可以看出,本项目排放废水的水质能达到GB8978-96《污水综合排放标准》(三级)、氨氮达到CJ3082-1999《污水排入城市下水道水质标准》,满足开发区第九污水处理厂的进水水质要求,可直接排入XXXXXXXXXX工业区污水管网,最终进入开发区第九污水处理厂。 3、声环境影响分析 本项目噪声主要来源于空压机及机加工设备运行时产生的噪声,其中空压机选用低噪声设备,噪声源强约65dB(A);机加工设备噪声源强75dB(A)。本项目空压机及机加工设备均位于车间内,产生噪声经建筑隔声后,外放声压级低于65 dB(A),满足GB12348-90《工业企业厂界噪声标准》(III类)限值要求;经距离衰减后,对东南侧30m处的环境保护目标XXXX工业区职工宿舍的影响值分别为20.2 dB(A)、30.2 dB(A),因此本项目在采用低噪声设备、并采用消声减振等措施的前提下,不会对环境保护目标及附近声环境质量产生不利影响。 4、固体废物环境影响分析 本项目固体废物主要为员工产生的生活垃圾、打光工序产生的金属尘以及机加工工序产生的少量废切屑、废切削液、废机油、废油棉纱等,其产生量、性质鉴别以及处置方式见下表。 表13 固体废物产生状况、分类及去向 序号 名称 产生量(t/a) 类别 处置方式 1 生活垃圾 3.0 普通废物 由环卫部门清运 2 金属尘 0.6 3 废切屑 3.7 由物资回收部门回收 4 废切削液 0.14 危险废物HW09 交有资质单位处理 5 废机油、废油棉纱 0.13 危险废物HW08 - 总计 7.57 - - 上述废物去向可行,对于危险废物应设专用容器分类存放,妥善保管,与有资质单位签订处理协议,定期运往指定地点。在建设方对固体废物安全存放统一处理处置下,不会对环境造成二次污染。 依据《XXXXX市危险废物污染防治管理办法》和XXXXX市环保局文件《关于加强我市排放口规范化整治工作的通知》要求,对本项目危险废物厂内管理提出以下建议: (1)使用符合国家标准的容器盛装危险废物; (2)贮存容器均具有耐腐蚀、耐压、密封和不与所贮存的废物发生反应等特性; (3)贮存容器保证完好无损并具有明显标志; (4)建有堵截泄漏的群角,地面与群角由兼顾防渗的材料建造; (5)设有安全照明和观察窗口,并设有应急防护设施; (6)各危险废物暂存场所均设有符合《环境保护图形标志—固体废物贮存 (处置)场》(GB15562.2-1995)的专用标志; (7)设有专人专职对危险废物收集、暂存和保管进行管理。 5、排污口规范化建设 根据《XXXXX市污染源排放口规范化技术要求》,本项目应对废水、固废排放口进行规范化建设,规范化的方法和技术要求如下: 5.1废水排放口规范化建设 (1)在厂界处只设置一个污水排放口; (2)在污水排放口上设置采样点; (3)废水排放口环境保护图形标志牌应设在排放口附近醒目处。 5.2固体废物贮存、堆放场规范化建设 (1)各种固体废物堆放场所必须有防火、防扬散、防流失、防渗漏或其他防止污染环境的措施,禁止将危险废物混入非危险废物中贮存; (2)危险固体废物贮存场所,无论面积大小,其边界都应采用墙体或铁丝网封闭,并在其边界进出口设置标志牌。 6、项目建设可行性分析 本项目为外商投资项目,根据产业结构调整指导目录(2005年本),本项目不包含在其中的限制类、淘汰类名录中;根据XXXXX市产业技术进步指导名录(2005年-2010年)和外商投资产业指导目录(2004年),本项目不包含在其中的限制类、淘汰类或禁止类名录中,因此本项目建设符合国家产业政策。 本项目选址于XXXXXXXXXX工业区XXXXX20号,租用XXXXX市精科工贸有限公司现有厂房进行生产,选址可行。 7、环保投资估算 估算本项目环保投资约3.5万元,占工程总投资的3.1%,主要用于营运期降噪措施、设置固体废物暂存装置及排污口规范化,估算环保投资明细见表14。 表14 环保投资明细 序号 投资明细 投资额(万元) 1 营运期降噪措施 1.0 2 固体废物暂存装置 1.0 3 排污口规范化 1.5 合计 3.5 建设项目拟采取的防治措施及预期治理效果 内容 类型 排放源 污染物名称 防治措施 预期治理效果 大气 污染物 焊接 焊烟 无组织排放 不产生显著影响 水 污 染 物 生活污水 CODcr、BOD5、SS、动植物油、氨氮 生活污水经化粪池沉淀后经XXXX工业区污水管网排入开发区第九污水处理厂 达标排放 固体 废物 员工生活 生活垃圾 由当地环卫部门清运 不产生二次污染 机加工 废切屑 由物资回收部门回收 废切削液 委托有相关处理资质单位进行处置 废机油、废油棉纱 噪 声 空压机及机加工设备 设备噪声 采用低噪声设备,经建筑物隔声、距离衰减 厂界声环境质量达标 生态保护措施及预期治理效果 本项目租用XXXXX市精科工贸有限公司现有厂房用于生产,不具备绿化条件, 因此无生态保护措施。 结论与建议 结论: 1、 工程概况 XXXXXXXXXX有限公司选址于XXXXXXXXXX工业区XXXXX20号,租用XXXXX市精科工贸有限公司现有厂房进行生产,所租厂房总建筑面积约为1052.8m2。本项目经营范围:生产、加工、销售塑料制品机械设备,相关设备的安装及维修。本项目预计2007年12月投产。 2、 项目所在地区环境质量概况 该地区常规污染物SO2、NO2年均值均满足GB3095 -1996《环境空气质量标准》(二级),PM10超标,在采暖期SO2超标,主要是因为冬季采暖燃煤和春季的扬沙、浮尘造成总悬浮颗粒物污染比较突出;该地区环境空气质量达到或优于II级良好水平天数比例为81.8%;该地区现状昼间噪声达到GB3096-93《城市区域环境噪声标准》(3类),选址区域声环境质量较好。 3、建设项目污染物排放状况及环境影响 3.1大气污染物 本项目焊接工序采用熔融焊接,不使用焊条,只产生少量焊烟,约0.06kg/a,无组织排放,对厂房外环境空气质量不会产生显著影响。 本项目在打光工位采用半遮挡方式,产生的金属尘自然下落到地面,最后集中收集,对环境空气质量不会产生显著影响。 3.2水污染物 本项目排放废水主要是员工洗手、冲厕等少量生活污水,排放量为2.16m3/d。本项目营运期预测排放污水的水质能达到GB8978-96《污水综合排放标准》(三级)、氨氮达到CJ3082-1999《污水排入城市下水道水质标准》,满足开发区第九污水处理厂的进水水质要求,可直接排入XXXXXXXXXX工业区污水管网,最终进入开发区第九污水处理厂。因此本项目废水具有合理的排水去向。 3.3噪声 本项目噪声主要来源于空压机及机加工设备运行时产生的噪声,其中空压机选用低噪声设备,噪声源强约65dB(A);机加工设备噪声源强75dB(A)。本项目在采用低噪音设备、并采用消声减振等措施的前提下,噪声源经建筑隔声、距离衰减后,厂界噪声达标、对环境保护目标无显著影响。 3.4固体废物 本项目固体废物主要为员工产生的生活垃圾、打光工序产生的金属尘以及机加工工序产生的少量废切屑、废切削液、废机油、废油棉纱等,年产生量约7.57t/a。废切削液、废机油、废油棉纱等必须委托有资质单位外运处理,建设单位不得自行处置。各种垃圾都应分类收集,妥善存放。本项目各项固体废物排放去向合理,不会对环境造成二次污染。 4、本项目须采取的环保措施 4.1本项目营运期排放生活污水经化粪池处理后,水质能达到《污水综合排放标准》(三级)、氨氮达到《污水排入城市下水道水质标准》的要求,可通过XXXXXXXXXX工业区污水管网,最终进入开发区第九污水处理厂; 4.2营运期间产生的固体废物应分类收集,妥善存放并及时外运处理,确保不产生二次污染;危险废物必须由有资质单位处置; 4.3空压机及机加工设备采用低噪音设备,并采用消声减震等措施,避免厂界噪声超标。 4.4对废水排放口及固体废物贮存、堆放场进行规范化建设。 5、总量控制 本项目投入营运后,预计在满足达标排放前提下,排放各类污染物总量分别为:CODCr0.190t/a、氨氮0.016t/a。上述污染物均可做到达标排放,符合“一控双达标”的环保方针。建议将上述污染物排放总量作为环保行政主管部门总量控制的参考依据。 6、环保投资 估算本项目环保投资约3.5万元,主要用于营运期降噪措施、设置固体废物暂存装置及排污口规范化建设。 7、结论 本项目选址于XXXXXXXXXX工业区,选址可行;本项目符合国家的产业政策,具有合理的排水去向,在采取了污染控制措施后,各类污染物可做到达标排放,环境影响较小,本项目具有环境可行性。 8、环保对策建议 8.1废切削液、废机油、废油棉纱属于危险废物,必须委托有相关处理资质的单位进行处置或回收,建设单位不得自行处置; 8.2本项目应配备一名环保人员,专门负责本项目各项环保措施的实施。 18 预审意见: 公 章 经办人: 年 月 日 下一级环境保护行政主管部门审查意见: 公 章 经办人: 年 月 日 审批意见: 公 章 经办人: 年 月 日 建设项目环境影响报告表 项目名称:XXXXXXXXXX有限公司塑料制品机械设备生产项目 建设单位(盖章):XXXXXXXXXX有限公司 编制日期:2003年6月 国家环境保护总局制
展开阅读全文

开通  VIP会员、SVIP会员  优惠大
下载10份以上建议开通VIP会员
下载20份以上建议开通SVIP会员


开通VIP      成为共赢上传

当前位置:首页 > 学术论文 > 毕业论文/毕业设计

移动网页_全站_页脚广告1

关于我们      便捷服务       自信AI       AI导航        抽奖活动

©2010-2026 宁波自信网络信息技术有限公司  版权所有

客服电话:0574-28810668  投诉电话:18658249818

gongan.png浙公网安备33021202000488号   

icp.png浙ICP备2021020529号-1  |  浙B2-20240490  

关注我们 :微信公众号    抖音    微博    LOFTER 

客服