收藏 分销(赏)

喷锚支护验算书.doc

上传人:二*** 文档编号:4767285 上传时间:2024-10-12 格式:DOC 页数:5 大小:84.04KB 下载积分:5 金币
下载 相关 举报
喷锚支护验算书.doc_第1页
第1页 / 共5页
本文档共5页,全文阅读请下载到手机保存,查看更方便
资源描述
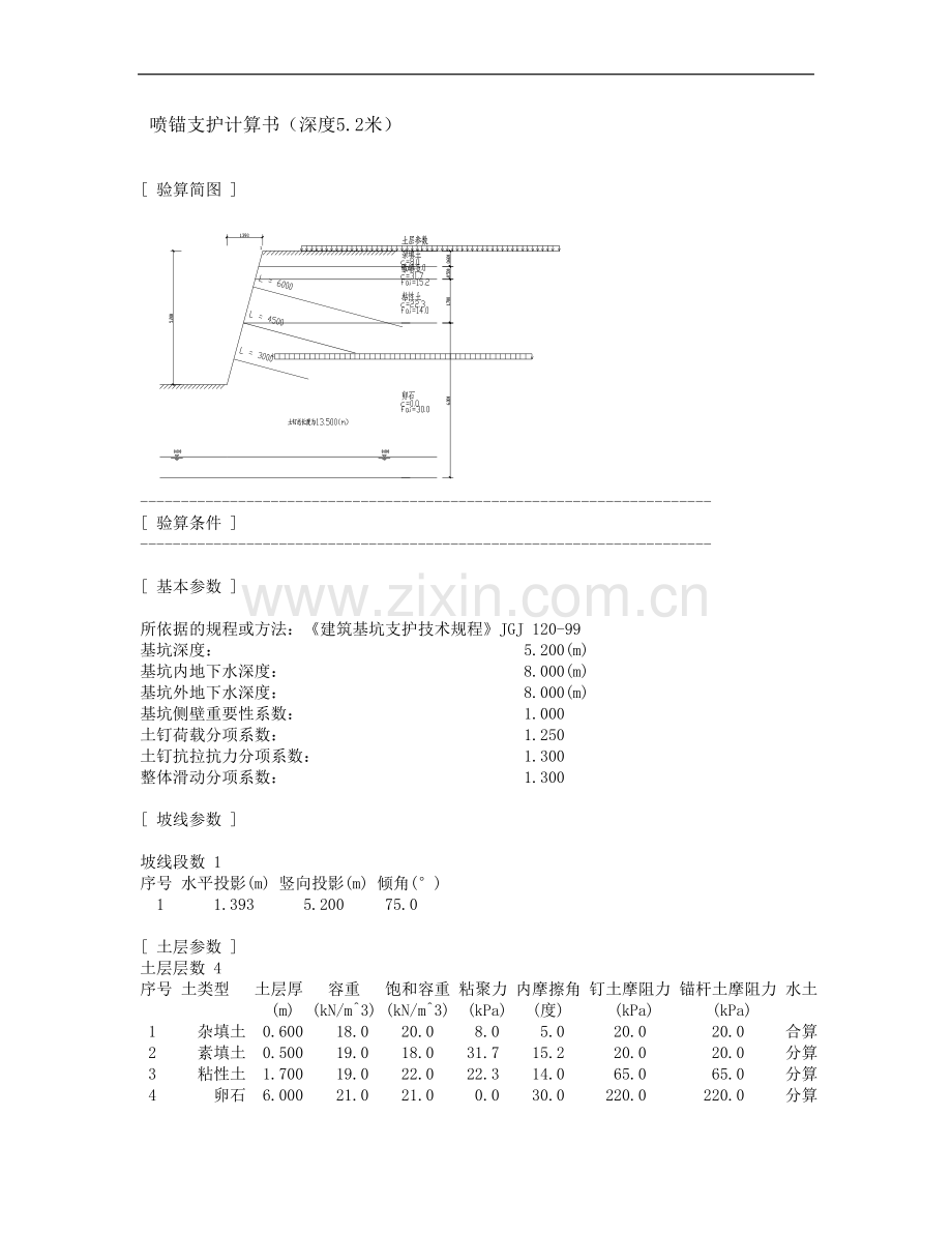
喷锚支护计算书(深度5.2米) [ 验算简图 ] ---------------------------------------------------------------------- [ 验算条件 ] ---------------------------------------------------------------------- [ 基本参数 ] 所依据的规程或方法:《建筑基坑支护技术规程》JGJ 120-99 基坑深度: 5.200(m) 基坑内地下水深度: 8.000(m) 基坑外地下水深度: 8.000(m) 基坑侧壁重要性系数: 1.000 土钉荷载分项系数: 1.250 土钉抗拉抗力分项系数: 1.300 整体滑动分项系数: 1.300 [ 坡线参数 ] 坡线段数 1 序号 水平投影(m) 竖向投影(m) 倾角(°) 1 1.393 5.200 75.0 [ 土层参数 ] 土层层数 4 序号 土类型 土层厚 容重 饱和容重 粘聚力 内摩擦角 钉土摩阻力 锚杆土摩阻力 水土 (m) (kN/m^3) (kN/m^3) (kPa) (度) (kPa) (kPa) 1 杂填土 0.600 18.0 20.0 8.0 5.0 20.0 20.0 合算 2 素填土 0.500 19.0 18.0 31.7 15.2 20.0 20.0 分算 3 粘性土 1.700 19.0 22.0 22.3 14.0 65.0 65.0 分算 4 卵石 6.000 21.0 21.0 0.0 30.0 220.0 220.0 分算 [ 超载参数 ] 超载数 2 序号 超载类型 超载值(kN/m) 作用深度(m) 作用宽度(m) 距坑边线距离(m) 形式 长度(m) 1 局部均布 10.000 0.000 10.000 1.507 条形 2 局部均布 75.000 4.200 10.000 0.457 条形 [ 土钉参数 ] 土钉道数 3 序号 水平间距(m) 垂直间距(m) 入射角度(度) 钻孔直径(mm) 长度(m) 配筋 1 1.500 1.400 15.0 80 6.000 1d20 2 1.500 1.400 15.0 80 4.500 1d25 3 1.500 1.400 15.0 80 3.000 1d28 [ 花管参数 ] 基坑内侧花管排数 0 基坑内侧花管排数 0 [ 锚杆参数 ] 锚杆道数 0 [ 坑内土不加固 ] [ 内部稳定验算条件 ] 考虑地下水作用的计算方法:总应力法 土钉拉力在滑面上产生的阻力的折减系数: 0.500 ******************************************************************* [ 验算结果 ] ******************************************************************* [ 局部抗拉验算结果 ] 工况 开挖深度 破裂角 土钉号 土钉长度 受拉荷载标准值 抗拔承载力设计值 抗拉承载力设计值 满足系数 (m) (度) (m) Tjk(kN) Tuj(kN) Tuj(kN) 抗拔 抗拉 1 1.600 43.0 0 2 3.000 44.2 1 6.000 4.7 80.7 66.0 13.789 11.272 3 4.400 46.9 1 6.000 0.0 72.2 66.0 999.000 999.000 2 4.500 16.8 153.7 103.1 7.308 4.901 4 5.200 47.7 1 6.000 0.0 67.6 66.0 999.000 999.000 2 4.500 16.6 136.9 103.1 6.610 4.976 3 3.000 55.1 104.9 129.3 1.523 1.877 [ 内部稳定验算结果 ] 工况号 安全系数 圆心坐标x(m) 圆心坐标y(m) 半径(m) 1 3.544 -0.504 7.486 4.154 2 2.143 -0.885 8.332 6.307 3 1.727 -2.702 7.469 7.279 4 1.387 0.374 3.250 3.271 基坑放坡验算书(深度6.4米) 天然放坡支护 ---------------------------------------------------------------------- [ 基本信息 ] ---------------------------------------------------------------------- 规范与规程 《建筑基坑支护技术规程》 JGJ 120-99 基坑等级 二级 基坑侧壁重要性系数γ0 1.00 基坑深度H(m) 6.400 放坡级数 1 超载个数 1 ---------------------------------------------------------------------- [ 放坡信息 ] ---------------------------------------------------------------------- 坡号 台宽(m) 坡高(m) 坡度系数 1 0.000 6.400 0.670 ---------------------------------------------------------------------- [ 超载信息 ] ---------------------------------------------------------------------- 超载 类型 超载值 作用深度 作用宽度 距坑边距 形式 长度 序号 (kPa,kN/m) (m) (m) (m) (m) 1 10.000 0.000 10.000 6.000 --- --- ---------------------------------------------------------------------- [ 土层信息 ] ---------------------------------------------------------------------- 土层数 4 坑内加固土 否 内侧降水最终深度(m) 8.000 外侧水位深度(m) 8.000 ---------------------------------------------------------------------- [ 土层参数 ] ---------------------------------------------------------------------- 层号 土类名称 层厚 重度 浮重度 粘聚力 内摩擦角 粘聚力 内摩擦角 (m) (kN/m3) (kN/m3) (kPa) (度) 水下(kPa) 水下(度) 1 素填土 1.50 19.0 --- 31.70 15.20 --- --- 2 粘性土 1.50 19.0 --- 22.30 14.00 --- --- 3 粉土 1.00 18.8 --- 11.10 9.50 --- --- 4 卵石 3.00 21.0 --- 0.00 30.00 --- --- ---------------------------------------------------------------------- [ 设计结果 ] ---------------------------------------------------------------------- ---------------------------------------------------------------------- [ 整体稳定验算 ] ---------------------------------------------------------------------- 天然放坡计算条件: 计算方法:瑞典条分法 应力状态:总应力法 基坑底面以下的截止计算深度: 0.00m 基坑底面以下滑裂面搜索步长: 5.00m 条分法中的土条宽度: 0.40m 天然放坡计算结果: 道号 整体稳定 半径 圆心坐标 圆心坐标 安全系数 R(m) Xc(m) Yc(m) 1 5.248 3.683 4.230 8.459 2 2.206 4.500 3.936 7.583 3 1.505 5.385 2.389 7.728 4 0.000 2.056 0.169 2.049
展开阅读全文

开通  VIP会员、SVIP会员  优惠大
下载10份以上建议开通VIP会员
下载20份以上建议开通SVIP会员


开通VIP      成为共赢上传

当前位置:首页 > 环境建筑 > 其他

移动网页_全站_页脚广告1

关于我们      便捷服务       自信AI       AI导航        抽奖活动

©2010-2025 宁波自信网络信息技术有限公司  版权所有

客服电话:0574-28810668  投诉电话:18658249818

gongan.png浙公网安备33021202000488号   

icp.png浙ICP备2021020529号-1  |  浙B2-20240490  

关注我们 :微信公众号    抖音    微博    LOFTER 

客服