收藏 分销(赏)

实验二正弦振荡器实验.doc

上传人:快乐****生活 文档编号:4758360 上传时间:2024-10-12 格式:DOC 页数:8 大小:1.16MB 下载积分:6 金币
下载 相关 举报
实验二正弦振荡器实验.doc_第1页
第1页 / 共8页
实验二正弦振荡器实验.doc_第2页
第2页 / 共8页


点击查看更多>>
资源描述
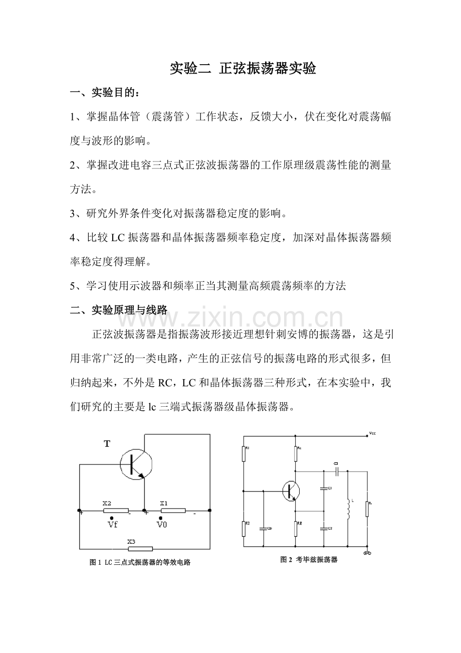
实验二 正弦振荡器实验 一、实验目的: 1、掌握晶体管(震荡管)工作状态,反馈大小,伏在变化对震荡幅度与波形的影响。 2、掌握改进电容三点式正弦波振荡器的工作原理级震荡性能的测量方法。 3、研究外界条件变化对振荡器稳定度的影响。 4、比较LC振荡器和晶体振荡器频率稳定度,加深对晶体振荡器频率稳定度得理解。 5、学习使用示波器和频率正当其测量高频震荡频率的方法 二、实验原理与线路 正弦波振荡器是指振荡波形接近理想针刺安博的振荡器,这是引用非常广泛的一类电路,产生的正弦信号的振荡电路的形式很多,但归纳起来,不外是RC,LC和晶体振荡器三种形式,在本实验中,我们研究的主要是lc三端式振荡器级晶体振荡器。 图1 LC三点式振荡器的等效电路 图2 考毕兹振荡器 如图所示:三点式振荡器的交流等效电路如图4-1所示。图中,X1、X2、X3为谐振回路的三个电抗。根据相位平衡条件可知,X1、X2必须为同性电抗,X3与X1、X2相比必须为异性电抗,且三者之间满足下列关系: X3=-(X1+X2) (4-1) 这就是三点式振荡器相位平衡条件的判断准则。在满足式(4-1)的前提下,X1、X2若呈容性,X3呈感性,则振荡器为电容反馈三点式振荡器;若X1、X2呈感性,X3呈容性,则为电感反馈三点式振荡器。 1、 电容三端式振荡器 电容三点式振荡器电路如图4-2所示,图中L和C1、C2组成振荡回路,反馈电压取自电容C2的两端,Cb和Cc为高频旁路电容,Lc为高频扼流圈,对直流可视为短路,对交流可视为开路。显然,该振荡器的交流通路满足相位平衡条件。若要它产生正弦波,还必须满足振幅条件和起振条件,即: (4-2) 式中为电路刚起振时,振荡管工作状态为小信号时的电压增益;为反馈系数,只要求出二者的值,便可知道电路有关参数与它的关系。 F越大,越容易起振。第二项表示输入电导对振荡的影响,和F越大,越不容易起振。可见,考虑到晶体管输入电导对回路的加载作用时,反馈系数F并不是越大越容易起振。可知,在晶体管参数、、一定的情况下,可以改变、和负载电导及F来保证起振。F一般取0.125~0.5。 2、振荡管工作状态对振荡器性能的影响 对于一个振荡器,在其负载阻抗及反馈系数F已经确定的情况下,静态工作点的位置对振荡器的起振以及稳定平衡状态(振幅大小,波形好坏)有着直接的影响。 工作点偏高,振荡管工作范围易进入饱和区,输出阻抗的降低将会使振荡波形严重失真,严重时甚至使振荡器停振;工作点偏低,避免了晶体管工作范围进入饱和区,对于小功率振荡器,一般都取在靠近截止区,但不能取得太低,否则不易起振。 由式(4-3)可知,实际的振荡电路在确定之后,其振幅的增加主要是靠提高振荡管的静态电流值,静态电流越大,输出幅度越大。但是如果静态电流取得太大,不仅会出现波形失真现象,而且由于晶体管的输入电阻变小同样会使振荡幅度变小。实际中静态电流值一般取0.5mA~1mA。 3、振荡器的频率稳定度 频率稳定度是振荡器的一项重要技术指标,它表示在规定的时间间隔内和规定的温度、湿度、电源电压等变化范围内,振荡频率的相对变化量。振荡频率的相对变化量越小,振荡器的频率稳定度越高。 改善振荡频率稳定度,必须减小振荡频率随温度、负载、电源等外界因素影响的程度。振荡器的电路结构和振荡回路是决定振荡频率稳定度的主要因素,因此,改善振荡频率稳定度的主要措施一是改善电路结构,减小电路分布参数对频率稳定度的影响;二是提高振荡回路在外界因素变化时保持频率稳定的能力,即提高振荡回路的标准性。 提高振荡回路标准性的方法除了采用稳定性好和高Q值的回路电容和电感外,还可以采用与正温度系数电感作相反变化的具有负温度系数的电容,以实现温度补偿作用;或采用部分接入法以减小不稳定的晶体管极间电容和分布电容对振荡频率稳定度的影响 石英晶体具有十分稳定的物理化学特性,在谐振频率附近,晶体的等效参数很大,很小,也不大,因此晶体Q值可达百万数量级,所以晶体振荡器的频率稳定度比LC振荡器高很多。 三、 实验电路参考图 由上图可以明显观测到电路产生正弦波,幅度约为0.791V,通过频率计来观测正弦波频率如下:10.756MHZ。与我们所预计的相差不大。 四、实验内容 1、按下开关K51,接通电源调整静态工作点。调W51 使VEQ=2V。即测P2与G间的电压。 2、(1)连接好J54、J52,调节可调电容CC51,通过示波器和频率计在TT51处观察振荡波形,并使振荡频率为10.7MHz(在本实验中可产生的频率范围在10MHz—12MHz)。 (2)断开J52,接通J53,微调CC52,使振荡频率为10.245MHZ。 3、观察振荡状态与晶体管工作状态的关系。断开J53,连好J52,用示波器在TT51 观察振荡波形,调节W51,观察TT51处波形的变化情况,观察何时波形开始失真,何时停振,并测量波形变化过程中晶体管的发射极电压,并计算当时的IE。 4、观察反馈系数对振荡器性能的影响(LC振荡)。重复步骤1,用示波器在TT51 处观察波形。分别连接J54、J55、J56 或组合连接使C56/C57||C58||C59 等于1/3、1/5、1/6、1/8 时,观测幅度的变化,同时分析反馈大小对振荡幅度的影响。 5、比较LC 振荡器和晶体振荡器频率稳定度。分别接通J53、J52,在TT51 处用频率计观察频率变化情况。 五、实验仪器 1、双踪示波器 一台 2、数字万用表 一块 3、高频电路实验箱一套 六、 实验结果图 七、实验报告内容 1、比较LC振荡器与晶体振荡器的优缺点。 答:LC震荡可用的频率范围宽,电路简单灵活,成本低,容易做到正弦波输出和可调频率输出。但它的频率稳定度低,温漂时漂都比较大。 晶体稳频振荡器的频率单一不可调,输出频率精度高,温漂时漂都很小, 2、分析为什么静态电流Ieo增大,输出振幅增加,而Ieo过大反而会使振荡器输出幅度下降? 答:这是三极管的自身特性决定的。当静态电流Ieo增大时,说明Ic,使得负载电压也增大。而三极管Ic过大时,HFE值会减小,使振荡器的放大器环节倍数降低,所以会降低输出幅度,而且会造成输出波形失真。如果过大,还会造成振荡器停振。 八、实验心得: 通过此次的实验,对正弦波的原理和结构有初步的认识,了解振荡器的工作状态时非线性,通常工作于丙类。了解了晶体管的工作状态以及震荡幅度与波形的决定性因素。通过深入的学习和实验了解它工作的优点和应用。
展开阅读全文

开通  VIP会员、SVIP会员  优惠大
下载10份以上建议开通VIP会员
下载20份以上建议开通SVIP会员


开通VIP      成为共赢上传

当前位置:首页 > 包罗万象 > 大杂烩

移动网页_全站_页脚广告1

关于我们      便捷服务       自信AI       AI导航        抽奖活动

©2010-2026 宁波自信网络信息技术有限公司  版权所有

客服电话:0574-28810668  投诉电话:18658249818

gongan.png浙公网安备33021202000488号   

icp.png浙ICP备2021020529号-1  |  浙B2-20240490  

关注我们 :微信公众号    抖音    微博    LOFTER 

客服