收藏 分销(赏)

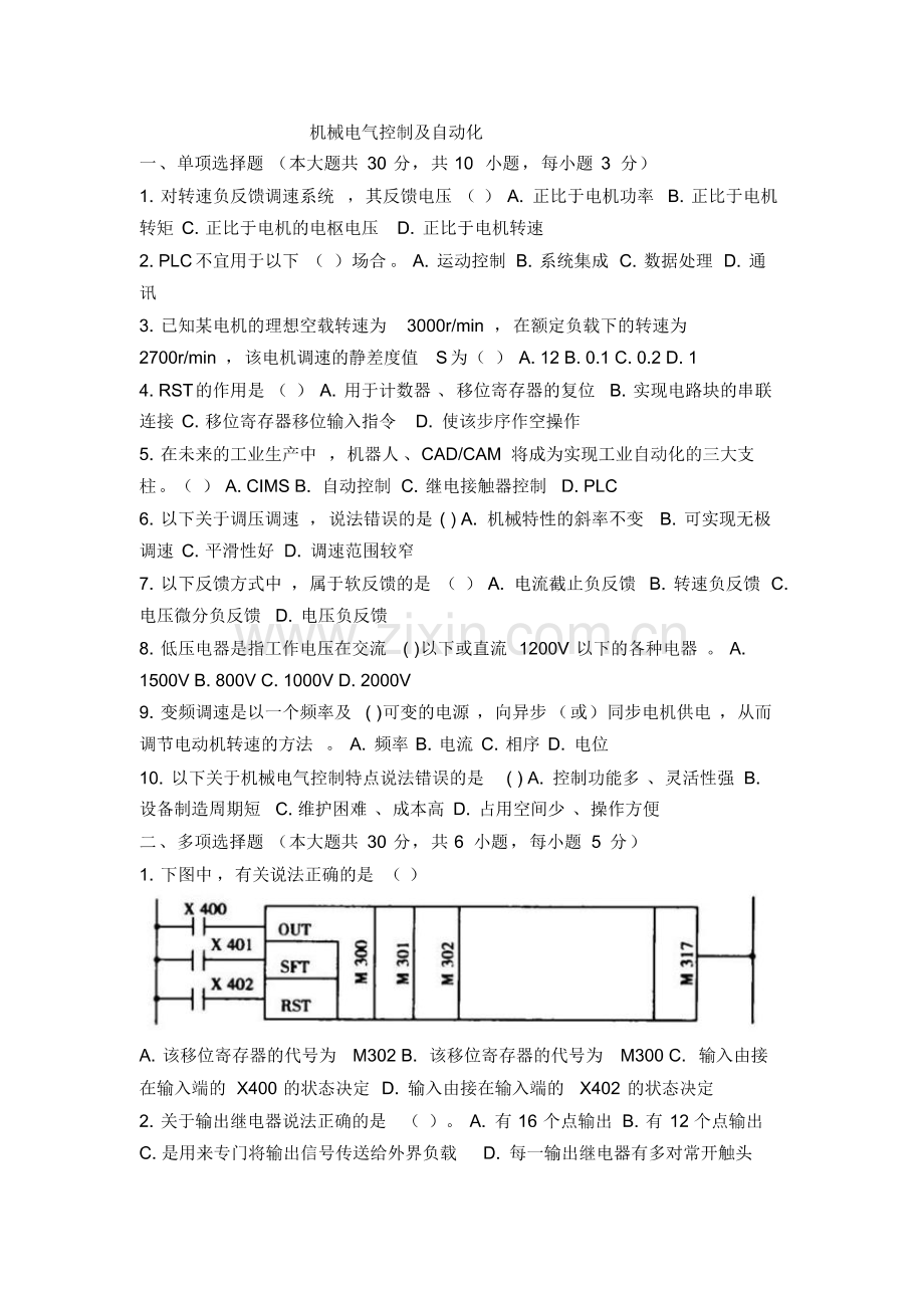
备考复习资料《机械电气控制与自动化》与参考答案.pdf

上传人:二*** 文档编号:4739660 上传时间:2024-10-11 格式:PDF 页数:14 大小:2.03MB 下载积分:5 金币
下载 相关 举报
备考复习资料《机械电气控制与自动化》与参考答案.pdf_第1页
第1页 / 共14页
本文档共14页,全文阅读请下载到手机保存,查看更方便
资源描述
展开阅读全文

开通  VIP会员、SVIP会员  优惠大
下载10份以上建议开通VIP会员
下载20份以上建议开通SVIP会员


开通VIP      成为共赢上传

当前位置:首页 > 教育专区 > 其他

移动网页_全站_页脚广告1

关于我们      便捷服务       自信AI       AI导航        抽奖活动

©2010-2026 宁波自信网络信息技术有限公司  版权所有

客服电话:0574-28810668  投诉电话:18658249818

gongan.png浙公网安备33021202000488号   

icp.png浙ICP备2021020529号-1  |  浙B2-20240490  

关注我们 :微信公众号    抖音    微博    LOFTER 

客服