收藏 分销(赏)

计算机控制关键技术实训总结报告.doc

上传人:二*** 文档编号:4594895 上传时间:2024-09-30 格式:DOC 页数:5 大小:126.04KB 下载积分:5 金币
下载 相关 举报
计算机控制关键技术实训总结报告.doc_第1页
第1页 / 共5页
本文档共5页,全文阅读请下载到手机保存,查看更方便
资源描述
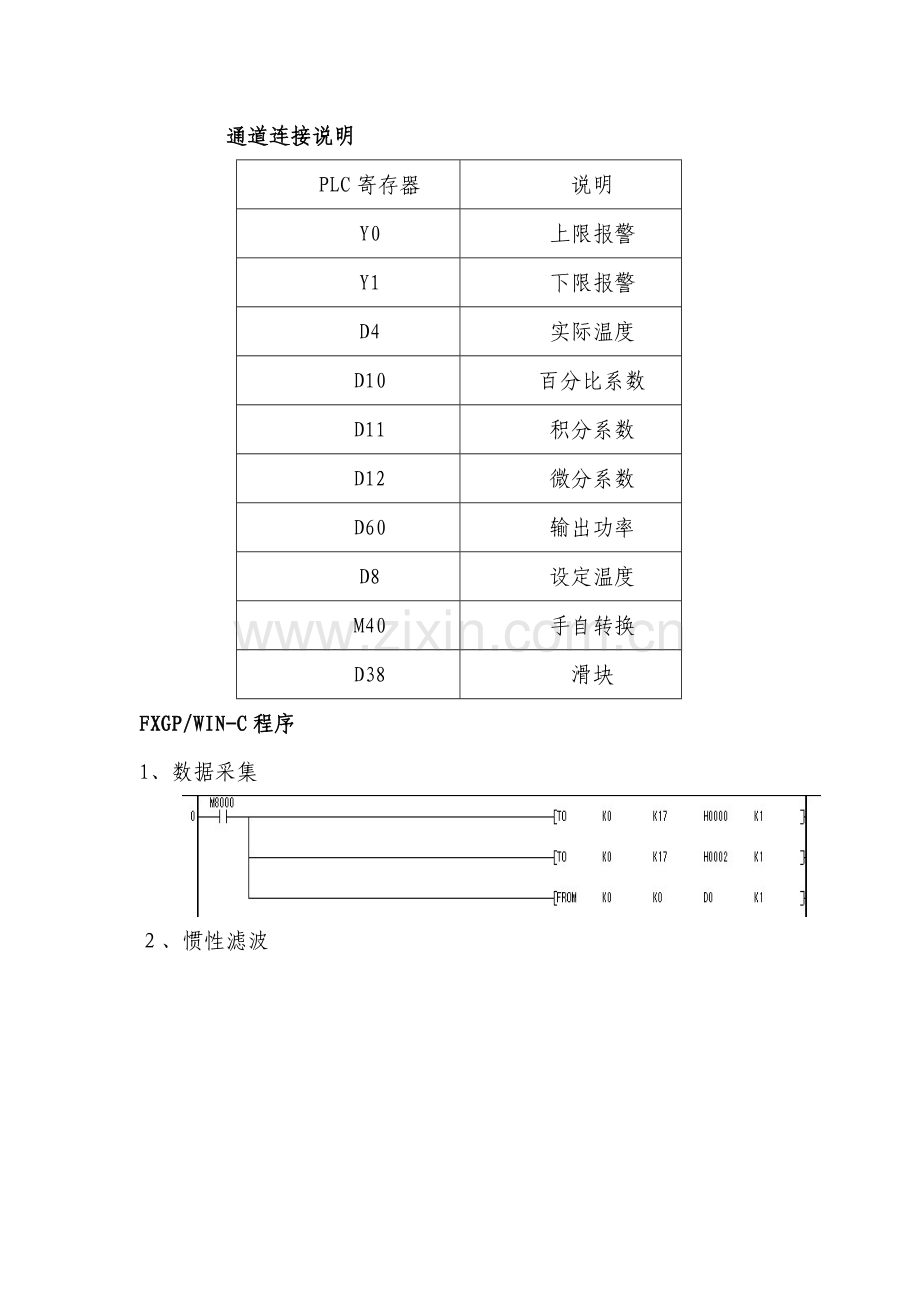
通道连接说明 PLC寄存器 说明 Y0 上限报警 Y1 下限报警 D4 实际温度 D10 百分比系数 D11 积分系数 D12 微分系数 D60 输出功率 D8 设定温度 M40 手自转换 D38 滑块 FXGP/WIN-C程序 1、数据采集 2、惯性滤波 3、标度变换 4、50度前全功率加温 5、手动控制 6、百分比步骤 7、积分步骤 8、微分步骤 9、求和 10、控制范围 11、上下限报警 12、数据输出 MCGS画面介绍 试验数据 上限温度 82 下限温度 78 设定温度 80 百分比系数 27 积分系数 2 微分系数 1 参考文件 1、《可编程控制器原理及应用(三菱机型)》高勤主编,北京电子工业出版社 .8 2、《计算机控制技术》(第2版)愈光昀主编,北京电子工业出版社 .3 3、《计算机监控系统设计和调试—组态控制技术》(第2版)袁秀英 石梅香主编北京电子工业出版社 .1
展开阅读全文

开通  VIP会员、SVIP会员  优惠大
下载10份以上建议开通VIP会员
下载20份以上建议开通SVIP会员


开通VIP      成为共赢上传

当前位置:首页 > 应用文书 > 报告/总结

移动网页_全站_页脚广告1

关于我们      便捷服务       自信AI       AI导航        抽奖活动

©2010-2026 宁波自信网络信息技术有限公司  版权所有

客服电话:0574-28810668  投诉电话:18658249818

gongan.png浙公网安备33021202000488号   

icp.png浙ICP备2021020529号-1  |  浙B2-20240490  

关注我们 :微信公众号    抖音    微博    LOFTER 

客服