收藏 分销(赏)

缆风锚锭设置专项方案.doc

上传人:快乐****生活 文档编号:4546319 上传时间:2024-09-27 格式:DOC 页数:6 大小:76.54KB 下载积分:6 金币
下载 相关 举报
缆风锚锭设置专项方案.doc_第1页
第1页 / 共6页
缆风锚锭设置专项方案.doc_第2页
第2页 / 共6页


点击查看更多>>
资源描述
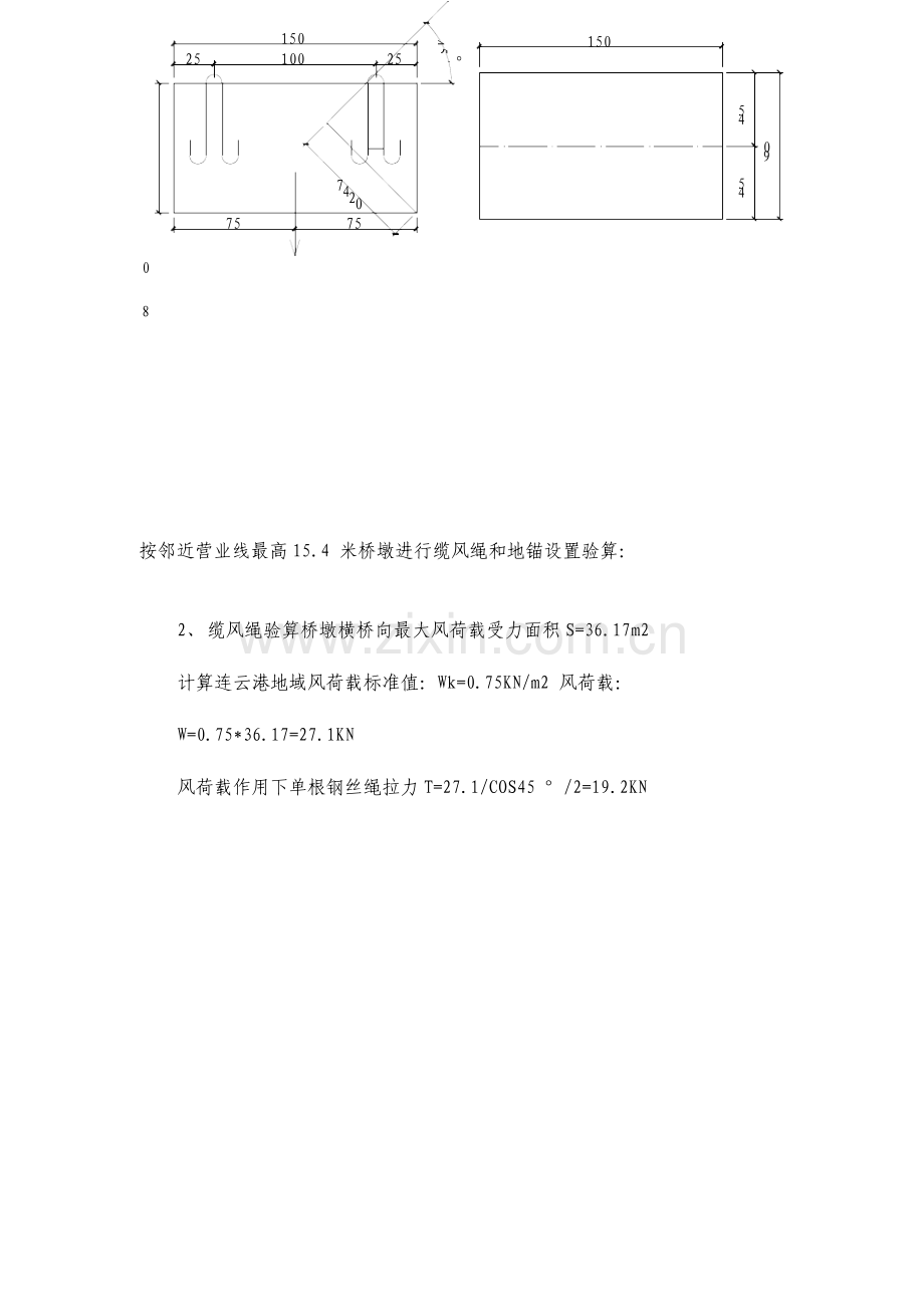
附件17、 缆风、锚锭设置专题方案 一、缆风绳及锚锭计算 1、墩身模板稳定用缆风绳计算 1、 地锚及缆风设置情况 地锚设置在桥墩中心8m 以外,大小里程端各设置一处。地锚采取0.8×0.9 ×1.5m 现浇C20 砼浇筑而成,地锚内设置φ10 钢筋网片。吊环采取φ20 圆钢制 作成几字形,浇筑地锚砼时预埋,埋深0.5m 。缆风绳采取6×37 型,直径17.5mm 钢丝绳,一端系于地锚,一端系桥梁墩身模板上。 图1 地锚详图 地锚剖面 地锚平面 25 25 100 150 75 75 150 4 5 4 5 9 0 7 4 2 0 4 5 ° 0 8 按邻近营业线最高15.4 米桥墩进行缆风绳和地锚设置验算: 2、 缆风绳验算桥墩横桥向最大风荷载受力面积S=36.17m2 计算连云港地域风荷载标准值:Wk=0.75KN/m2 风荷载:W=0.75*36.17=27.1KN 风荷载作用下单根钢丝绳拉力T=27.1/COS45 °/2=19.2KN 缆风绳钢丝绳最小破断拉力: Tmin=0.82 × 111.53 × 1850=169 KN 经验算, 采取 6 × 37 型, 直径 17.5 mm 钢丝绳作为缆风绳满足施工要求。 3 、地锚验算 地锚自重: G=0.8 × 0.9 × 1.5 × 25=27 KN (未考虑土体摩擦力) 风荷载作用下缆风绳对地锚竖向作用力: N=19.2 × COS45 ° =13.6 KN 抗倾覆验算: K=(27 × 0.75)/(19.2 × 0.742)=1.42 ≥ 1 施工地锚前,先进行管线位置确认,预防施工地锚基础挖断、挖伤管线。 2 、脚手架稳定性验算 依照附件 6-2 可知,墩身脚手架在 不组合风荷载时: (安全) 在组合风荷载时: (安全)。 故脚手架使用过程中不会发生倾覆。 但为了确保安全, 设置缆风防护。 缆风 采取 6 × 37 型,直径 17.5 mm 钢丝绳,锚锭用墩身模板锚锭。 3 、桩基钻孔桩施工稳定性验算 倾覆力矩: 2 X 40 × 1.5+6*0.6=123.6 KN.m 抗倾覆力矩: 80*3.5=280 KN.m 280/123.6=2.27 移机过程中,冲击钻机锤头须卸掉,也不会发生倾覆。 故冲击钻机施工和移机过程中不会发生倾覆。但为了确保安全,设置缆风防 护。缆风采取6×37 型,直径17.5mm 钢丝绳,锚锭用墩身模板锚锭。 二、 缆风绳和锚锭设置 地锚设置在桥墩中心外侧8m ,大小里程端各设置一处。地锚采取0.8×0.9 ×1.5m 现浇C20 砼浇筑而成,地锚内设置φ10 钢筋网片。吊环采取φ20 圆钢制作成几字形,浇筑地锚砼时预埋,埋深0.5m。详细见下列图 1、 墩身模板缆风绳为2根6×37 型,直径17.5mm 钢丝绳; 2、 脚手架缆风绳为2根6×37 型,直径17.5mm 钢丝绳; 3、 冲击钻机施工和移机过程中缆风绳为1根6×37 型,直径17.5mm 钢丝绳; 4、 道岔梁支架缆风绳每孔为 2 根6×37 型,直径17.5mm 钢丝绳,在 196—205# 墩布置。 5、 上述缆风绳共用锚锭。 6、 对崩塌后钻机、模板及脚手架等侵入铁路安全限界内按照上述标准设置缆风绳作为防倾覆方法。 7、 锚锭设置见下列图。 图2 锚锭布置图(每墩布置) 现有线 锚锭 承台 三、 缆风绳和锚锭施工 1、 锚锭施工次序:施工准备——锚锭预制——施工放线——现场探勘——施工确认——机械开挖——埋置锚锭——拉设缆风。 1、 锚锭开挖前须会同设备管理单位探明没有地下管线后方可进行,不然须待管线迁改后方可进行; 2、 锚锭采取C20 混凝土预制。待装地点基坑开挖后埋设,并将基坑周围扎实。 3、 缆风绳与地锚系接时,缆风绳与地面之间夹角按照不超出60 度控制,每端安装卡扣数量不少于3个,按照同一方向布置。 4、 锚锭锚筋必须采取圆钢,禁止用螺纹钢代替,必须确保锚筋埋置深度满 足要求。
展开阅读全文

开通  VIP会员、SVIP会员  优惠大
下载10份以上建议开通VIP会员
下载20份以上建议开通SVIP会员


开通VIP      成为共赢上传

当前位置:首页 > 包罗万象 > 大杂烩

移动网页_全站_页脚广告1

关于我们      便捷服务       自信AI       AI导航        抽奖活动

©2010-2026 宁波自信网络信息技术有限公司  版权所有

客服电话:0574-28810668  投诉电话:18658249818

gongan.png浙公网安备33021202000488号   

icp.png浙ICP备2021020529号-1  |  浙B2-20240490  

关注我们 :微信公众号    抖音    微博    LOFTER 

客服