收藏 分销(赏)

机床电气控制与PLC试卷A.doc

上传人:二*** 文档编号:4477825 上传时间:2024-09-24 格式:DOC 页数:3 大小:54.04KB 下载积分:5 金币
下载 相关 举报
机床电气控制与PLC试卷A.doc_第1页
第1页 / 共3页
本文档共3页,全文阅读请下载到手机保存,查看更方便
资源描述
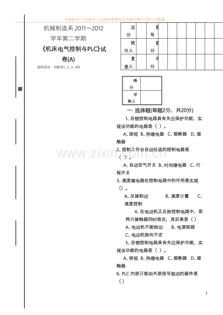
K2MG-E《专业技术人员绩效管理与业务能力提升》练习与答案 题 名 姓 答 准 号 学 不 内 线 级 班 封 密 校 学 机械制造系2011~2012学年第二学期 《机床电气控制与PLC》试卷(A) 适用班级:10数控1、2、3、4班 总分 题号 一 二 三 四 五 六 七 八 九 十 核分人 题分 复查人 得分 得分 评卷人 一. 选择题(每题2分,共20分) 1、自锁控制电路具有失压保护功能,实现该功能的电器是( )。 A、按钮 B、热继电器 C、熔断器 D、接触器 2、控制工作台自动往返的控制电器是( )。 A、自动空气开关 B、时间继电器 C、行程开关 3、速度继电器在控制电路中的作用是实现()。 A、反接制动 B、速度计量 C、速度控制 4、在电动机正反转控制电路中,若两只接触器同时吸合,其后果是( ) A、电动机不能转动 B、电源短路 C、电动机转向不定 5、自锁控制电路具有失压保护功能,实现该功能的电器是( )。 A、按钮 B、热继电器 C、熔断器 D、接触器 6、PLC内部只能由外部信号驱动的器件是( ) A、内部继电器 B、输入继电器 C、输入继电器 7、自动空气开关的符号为( ) A、QS B、SQ C、SB D、QF 8、下列电器哪一种属于主令电器( ) A、组合开关 B、按钮 C、接触器 D、热继电器 9、各电器线圈的接法( )。 A、只能并联 B、只能串联 C、根据需要可以并联或串联 10、AND指令的作用是( )。 A、用于单个常开触点与前面的触点相并列 B、用于单个常开触点与前面的触点相串列 C、用于单个常闭触点与前面的触点相串列 D、用于单个常闭触点与前面的触点相串列 得分 评卷人 二. 填空题(每空1分,共30分) 1、低压电器通常指工作在额定交流电压以下或直流电压以下电路中的电器,按工作原理分为和两类。 2、低压断路器具有、、保护功能。 3、接触器主要由、、组成。 4、CA6140车床主轴的正反转采用_____________实现。 5、数控机床按伺服系统分、、。 6、PLC由、、、及组成。 7、PLC的三种输出方式是:、、 。 8、CNC系统的软件分为______________和_______________。 9、数控系统的软件结构具有与特点。 10、数控机床PLC有与两种型式。 11、数控机床进给伺服系统一般是由和___________组成。 得分 评卷人 三、判断题(每题1分,共5分) 1、电气原理图中控制电路就是从电源到电动机绕组的大电流通过的路径。( ) 2、PLC是以CPU为核心的电子控制系统,实质上是一种工业控制专用计算机。( ) 3、PLC采用循环周期扫描工作方式。( ) 4、PLC 的输出继电器的线圈不能由程序驱动,只能由外部信号驱动。( ) 5、改变电动机任意两相绕组接电源的顺序,可以改变该三相交流电动机的转向( ) 得分 评卷人 四、简答题(每题5分,共20分) 1、简述交流接触器的工作原理 2、三相笼式异步电动机常用降压起动方法有哪几种? 3、电气控制系统的保护环节有那些? 4、PLC的工作过程分几个阶段?各阶段完成什么任务? 得分 评卷人 五、设计题(共25分)(10数控1、2、3班学生不做此题,10数控4班做此题) 设计三相异步电动机正、反转控制线路。要求如下: (1)电路具有正、反转互锁功能; (2)从正转→反转,或从反转→正转时,可直接转换; (3)具有短路、长期过载保护。 设计要求: (1)设计并绘出采用继电—接触器控制的电动机主电路和控制电路; (2)设计并绘出采用FX系列PLC控制的安装接线图; (3)绘出PLC梯形图; (4)编写PLC指令程序。 得分 评卷人 六、设计题(共25分)(10数控1、2、3班学生做此题,10数控4班不做此题) 1、根据语句表画出对应的梯形图。(10分) 0 LD X0 5 LDI X4 1 AND X1 6 AND X5 2 LD X2 7 ORB 3 AND X3 8 OUT Y6 4 ORB 2、设计笼型异步电动机星-三角降压起动的主电路和自动控制电路(15分) 世上没有一件工作不辛苦,没有一处人事不复杂。不要随意发脾气,谁都不欠你的 3
展开阅读全文

开通  VIP会员、SVIP会员  优惠大
下载10份以上建议开通VIP会员
下载20份以上建议开通SVIP会员


开通VIP      成为共赢上传

当前位置:首页 > 包罗万象 > 大杂烩

移动网页_全站_页脚广告1

关于我们      便捷服务       自信AI       AI导航        抽奖活动

©2010-2026 宁波自信网络信息技术有限公司  版权所有

客服电话:0574-28810668  投诉电话:18658249818

gongan.png浙公网安备33021202000488号   

icp.png浙ICP备2021020529号-1  |  浙B2-20240490  

关注我们 :微信公众号    抖音    微博    LOFTER 

客服