收藏 分销(赏)

钢结构制作焊接工艺评定方案.doc

上传人:丰**** 文档编号:4367895 上传时间:2024-09-13 格式:DOC 页数:14 大小:651.91KB 下载积分:8 金币
下载 相关 举报
钢结构制作焊接工艺评定方案.doc_第1页
第1页 / 共14页
钢结构制作焊接工艺评定方案.doc_第2页
第2页 / 共14页


点击查看更多>>
资源描述
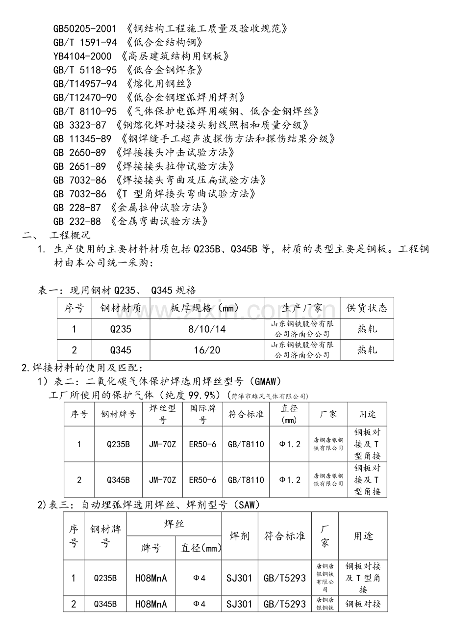
钢结构制作焊接工艺评定方案 编制:________ 审核:________ 批准:________ 菏泽汇隆杭萧钢构有限公司 一、 总则 1、本焊接工艺评定方案针对菏泽汇隆杭萧钢构有限公司生产工艺评定。 2、焊接工艺评定执行标准 GB 50661-2011 钢结构焊接规范 GB50205-2001 《钢结构工程施工质量及验收规范》 GB/T 1591-94 《低合金结构钢》 YB4104-2000 《高层建筑结构用钢板》 GB/T 5118-95 《低合金钢焊条》 GB/T14957-94 《熔化用钢丝》 GB/T12470-90 《低合金钢埋弧焊用焊剂》 GB/T 8110-95 《气体保护电弧焊用碳钢、低合金钢焊丝》 GB 3323-87 《钢熔化焊对接接头射线照相和质量分级》 GB 11345-89 《钢焊缝手工超声波探伤方法和探伤结果分级》 GB 2650-89 《焊接接头冲击试验方法》 GB 2651-89 《焊接接头拉伸试验方法》 GB 7032-86 《焊接接头弯曲及压扁试验方法》 GB 7032-86 《T 型角焊接头弯曲试验方法》 GB 228-87 《金属拉伸试验方法》 GB 232-88 《金属弯曲试验方法》 二、 工程概况 1. 生产使用的主要材料材质包括Q235B、Q345B等,材质的类型主要是钢板。工程钢材由本公司统一采购: 表一:现用钢材Q235、 Q345规格 序号 钢材材质 板厚规格(mm) 生产厂家 供货状态 1 Q235 8/10/14 山东钢铁股份有限公司济南分公司 热轧 2 Q345 16/20 山东钢铁股份有限公司济南分公司 热轧 2.焊接材料的使用及匹配: 1)表二:二氧化碳气体保护焊选用焊丝型号(GMAW) 工厂所使用的保护气体(纯度99.9%)(菏泽市雄风气体有限公司) 序号 钢材牌号 焊丝型号 国际牌号 符合标准 直径(mm) 厂家 用途 1 Q235B JM-70Z ER50-6 GB/T8110 Ф1.2 唐钢唐银钢铁有限公司 钢板对接及T型角接 2 Q345B JM-70Z ER50-6 GB/T8110 Ф1.2 唐钢唐银钢铁有限公司 钢板对接及T型角接 2)表三:自动埋弧焊选用焊丝、焊剂型号(SAW) 序号 钢材牌号 焊丝 焊剂 符合标准 厂家 用途 牌号 直径(mm) 1 Q235B H08MnA Ф4 SJ301 GB/T5293 唐钢唐银钢铁有限公司 钢板对接及T型角接 2 Q345B H08MnA Ф4 SJ301 GB/T5293 唐钢唐银钢铁有限公司 钢板对接及T型角接 3.本次焊接工艺评定报告的命名方式为HLHX-HP-XXXXXX。 表四:焊接坡口形式: 序号 焊接方法 坡口形式 坡口尺寸 焊接位置 母材材质 母材板厚 适用厚度 备注 1 GMAW α=60°; t=10; p=3; b=2; 平焊 Q235B 10 3~20 2 SAW t=10; b=0; 平焊 Q235B 10 3~20 3 GMAW α=45°; t=10; p=3; b=0; 平焊 Q235B 10 3~20 4 SAW t=10; b=2; 平焊 Q235B 10 3~20 5 GMAW α1=45°; α2=60°; t=16; p=0; b=0;H1=2/3 (t-p)=10.5; H2=1/3 (t-p)=5.5; 平焊 Q345B 16 3~32 6 SAW α=60°; t=16; p=6; b=0; 平焊 Q345B 16 3~32 7 GMAW α1=45°; α2=60°; t=16; p=0; b=0;H1=2/3 (t-p)=10.5; H2=1/3 (t-p)=5.5; 平焊 Q345B 16 3~32 8 SAW α=60°; t=16; p=6; b=0; 平焊 Q345B 16 3~32 4.焊接工艺评定试件检验试样的类别和试样数量 根据钢结构焊接规范《GB50661-2011》6.4.2条款,对焊接工艺评定试件进行以下项目的检测; 表五:试件检测项目及数量 试件形式 试件厚度 无损探伤 试件数量 拉伸 面弯 背弯 侧弯 冲击 宏观酸蚀及硬度 焊缝区 热影响区粗晶区 对接接头 10 要 2 2 2 - 3 3 - 对接接头 16 要 2 - - 4 3 3 - T型接头 10 要 - - - - - - 2 T型接头 16 要 - - - - - - 2 5.评定合格的试件厚度与工程适用厚度范围 三、 焊接工艺评定安排 1、 试件备料 下料时记下钢板批号、熔炼号。 1)表六:试件选用规格及数量 序号 材质 下料规格 是否开坡口 数量 用于焊接 接头形式 1 Q235B 500X200X10 否 2 对接接头 是 2 2 Q345B 700X300X16 是 2 对接接头 是 2 3 Q235B 300X150X10 是 1 T型接头 否 3 4 Q345B 300X150X16 是 2 T型接头 否 2 2)引弧、熄弧板制备规格及数量 序号 接头形式 材质 下料规格 数量 是否开坡口 备注 1 对接接头 Q235B 50X40X10 4 是 与表四:序号1配合使用 2 对接接头 Q235B 80X50X10 2 否 与表四:序号2配合使用 3 T型接头 Q235B 50X40X10 2 是 与表四:序号3配合使用 80X50X10 2 否 4 T型接头 Q235B 100X80X10 2 否 与表四:序号4配合使用 80X50X10 2 5 对接接头 Q345B 50X40X16 4 是 与表四:序号5配合使用 6 对接接头 Q345B 50X40X16 4 是 与表四:序号6配合使用 7 T型接头 Q345B 50X40X16 2 是 与表四:序号7配合使用 80X50X16 2 否 8 T型接头 Q345B 80X50X16 2 是 与表四:序号8配合使用 100X80X16 2 否 3) 坡口加工 试板与引弧、熄弧板开破口形式按照表四进行加工。 4)试件要求 I:试件待焊接表面和两侧应均匀、光洁,且应无毛刺、裂纹和其他对焊缝质量有不利影响的缺陷。待焊接表面及距焊缝坡口边缘位置30mm范围内不得有影响正常焊接和焊缝质量的氧化皮、锈蚀、油脂、水等杂质。 II:焊接接头坡口的加工或缺陷的清除可采用机械加工、热切割、碳弧气刨、铲凿或打磨等方法。 III:采用热切割方法加工的坡口表面质量应符合行业标准《热切割、气割质量和尺寸偏差》JB/T 10045.3的有关规定。钢材厚度不大于100mm时,割纹深度不应大于0.2mm,如若割纹超过要求,应采用打磨清除。 6)焊剂的烘干 焊剂使用前应按照制造厂家推荐的温度进行烘焙,受潮或结块的焊剂严禁使用。 2、焊接过程 (1)焊接过程中应认真填写焊接参数记录表,焊接参数应详实明确。 焊接参数的记录由技术和质量完成,焊接过程当中的照片由技术负责。 (2)埋弧焊焊接引熄弧板焊缝长度不少于50mm,二氧化气体保护焊焊接引熄弧板焊缝长度不少于30mm。 (3)角焊缝焊脚高度 序号 板厚t 焊脚K 附图 1 10 6 2 16 10 3、 试件焊接完成后,标记试件材料、焊接方法,妥善放置供后续检测使用。 四、 焊接工艺评定指导书 工程名称 汇隆杭萧焊接生产工艺评定 指导书编号 HLHX-HP-20160701 母材钢号 Q235B 板厚 10mm 供货状态 热轧 生产厂 山东钢铁股份有限公司济南分公司 焊接材料 生产厂 牌号 类型 烘干制度(℃×h) 备注 焊条 焊丝 唐钢唐银钢铁有限公司 ER50-6 实心焊丝Φ1.2 / 镀铜 焊剂或气体 菏泽市雄风气体有限公司 CO2 99.9% / / 焊接方法 GMAW 焊接位置 平焊 焊接设备型号 NBC-500 电源及极性 直流反接 预热温度(℃) / 层间温度 ≤230℃ 后热温度(℃)及时间(min) / 焊后处理 / 接头及坡口尺寸图 α=60°;t=10;p=3;b=2; 焊接顺序图 焊接工艺参数 道次 焊接方法 焊条或焊丝 焊剂或保护气 保护气流量(l/min) 电流(A) 电压(V) 焊接速度(cm/min) 热输入(kj/cm) 焊接速度(cm/min) 牌号 Φ(㎜) 1/2 GMAW ER50-6 1.2 CO2 20~25 250~270 26~28 35~38 10.74 30~40 3 GMAW ER50-6 1.2 CO2 20~25 250~270 26~28 35~38 10.74 30~40 焊前清理 除油、锈等 层间清理 清理焊渣、飞溅、氧化物等 背面清根 碳弧气刨清根、磨光机打磨 技术措施 其他:1、试件待焊接表面和两侧应均匀、光洁,且应无毛刺、裂纹;待焊接表面及距焊缝坡口边缘位置30mm范围内不得有影响正常焊接和焊缝质量的氧化皮、锈蚀、油脂、水等杂质。 2、焊接接头坡口的加工或缺陷的清除可采用碳弧气刨、打磨等方法。 3、割纹深度不应大于0.2mm,如若割纹超过要求,应采用打磨清除。 编制 日期 审核 日期 工程名称 汇隆杭萧焊接生产工艺评定 指导书编号 HLHX-HP-20160702 母材钢号 Q235B 板厚 10mm 供货状态 热轧 生产厂 山东钢铁股份有限公司济南分公司 焊接材料 生产厂 牌号 类型 烘干制度(℃×h) 备注 焊条 焊丝 唐钢唐银钢铁有限公司 ER50-6 实心焊丝Ф1.2 / 镀铜 焊剂或气体 菏泽市雄风气体有限公司 CO2 99.9% / / 焊接方法 GMAW 焊接位置 平焊 焊接设备型号 NBC-500 电源及极性 直流反接 预热温度(℃) / 层间温度 ≤230℃ 后热温度(℃)及时间(min) / 焊后处理 / 接头及坡口尺寸图 α=45°;t=10;p=3;b=0; 焊接顺序图 焊接工艺参数 道次 焊接方法 焊条或焊丝 焊剂或保护气 保护气流量(1/min) 电流(A) 电压(V) 焊接速度(cm/min) 热输入(kj/cm) 焊接速度(cm/min) 牌号 Φ(㎜) 1/2 GMAW ER50-6 1.2 CO2 15~20 250~270 26~28 35~38 10.74 30~40 3 GMAW ER50-6 1.2 CO2 15~20 240~260 26~28 38~40 10.38 30~40 焊前清理 除油、锈等 层间清理 清理焊渣、飞溅、氧化物等 背面清根 碳弧气刨清根、磨光机打磨 技术措施 其他:1、试件待焊接表面和两侧应均匀、光洁,且应无毛刺、裂纹;待焊接表面及距焊缝坡口边缘位置30mm范围内不得有影响正常焊接和焊缝质量的氧化皮、锈蚀、油脂、水等杂质。 2、焊接接头坡口的加工或缺陷的清除可采用碳弧气刨、打磨等方法。 3、割纹深度不应大于0.2mm,如若割纹超过要求,应采用打磨清除。 编制 日期 审核 日期 工程名称 汇隆杭萧焊接生产工艺评定 指导书编号 HLHX-HP-20160703 母材钢号 Q345B 板厚 16mm 供货状态 热轧 生产厂 山东钢铁股份有限公司济南分公司 焊接材料 生产厂 牌号 类型 烘干制度(℃×h) 备注 焊条 焊丝 唐钢唐银钢铁有限公司 ER50-6 实心焊丝 Ф1.2 / 镀铜 焊剂或气体 菏泽市雄风气体有限公司 CO2 99.9% / / 焊接方法 GMAW 焊接位置 平焊 焊接设备型号 NBC-500 电源及极性 直流反接 预热温度(℃) / 层间温度 ≤230℃ 后热温度(℃)及时间(min) / 焊后处理 / 接头及坡口尺寸图 α1=45°;α2=60°;t=16;p=0; b=0;H1=10.5; H2=5.5; 焊接顺序图 焊接工艺参数 道次 焊接方法 焊条或焊丝 焊剂或保护气 保护气流量(1/min) 电流(A) 电压(V) 焊接速度(cm/min) 热输入(kj/cm) 焊接速度(cm/min) 牌号 Φ(㎜) 1/2 GMAW ER50-6 1.2 CO2 15~20 250~270 26~28 35~38 10.74 30~40 3 GMAW ER50-6 1.2 CO2 15~20 250~270 26~28 32~35 12.6 30~40 焊前清理 除油、锈等 层间清理 清理焊渣、飞溅、氧化物等 背面清根 碳弧气刨清根、磨光机打磨 技术措施 其他:1、试件待焊接表面和两侧应均匀、光洁,且应无毛刺、裂纹;待焊接表面及距焊缝坡口边缘位置30mm范围内不得有影响正常焊接和焊缝质量的氧化皮、锈蚀、油脂、水等杂质。 2、焊接接头坡口的加工或缺陷的清除可采用碳弧气刨、打磨等方法。 3、割纹深度不应大于0.2mm,如若割纹超过要求,应采用打磨清除。 编制 日期 审核 日期 工程名称 汇隆杭萧焊接生产工艺评定 指导书编号 HLHX-HP-20160704 母材钢号 Q345B 板厚 16mm 供货状态 热轧 生产厂 山东钢铁股份有限公司济南分公司 焊接材料 生产厂 牌号 类型 烘干制度(℃×h) 备注 焊条 焊丝 唐钢唐银钢铁有限公司 ER50-6 实心焊丝Ф1.2 / 镀铜 焊剂或气体 菏泽市雄风气体有限公司 CO2 99.9% / / 焊接方法 GMAW 焊接位置 平焊 焊接设备型号 NBC-500 电源及极性 直流反接 预热温度(℃) / 层间温度 ≤230℃ 后热温度(℃)及时间(min) / 焊后处理 / 接头及坡口尺寸图 α1=45°;α2=60°; t=16;p=0;b=0;H1=10.5; H2=5.5; 焊接顺序图 焊接工艺参数 道次 焊接方法 焊条或焊丝 焊剂或保护气 保护气流量(1/min) 电流(A) 电压(V) 焊接速度(cm/min) 热输入(kj/cm) 焊接速度(cm/min) 牌号 Φ(㎜) 1/2 GMAW ER50-6 1.2 CO2 15~20 250~270 26~28 35~38 10.74 30~40 3 GMAW ER50-6 1.2 CO2 15~20 240~260 26~28 38~40 10.38 30~40 焊前清理 除油、锈等 层间清理 清理焊渣、飞溅、氧化物等 背面清根 碳弧气刨清根、磨光机打磨 技术措施 其他:1、试件待焊接表面和两侧应均匀、光洁,且应无毛刺、裂纹;待焊接表面及距焊缝坡口边缘位置30mm范围内不得有影响正常焊接和焊缝质量的氧化皮、锈蚀、油脂、水等杂质。 2、焊接接头坡口的加工或缺陷的清除可采用碳弧气刨、打磨等方法。 3、割纹深度不应大于0.2mm,如若割纹超过要求,应采用打磨清除。 编制 日期 审核 日期 工程名称 汇隆杭萧焊接生产工艺评定 指导书编号 HLHX-HP-20160705 母材钢号 Q235B 板厚 10mm 供货状态 热轧 生产厂 山东钢铁股份有限公司济南分公司 焊接材料 生产厂 牌号 规格 烘干制度(℃×h) 备注 焊条 焊丝 唐钢唐银钢铁有限公司 H08MnA Ф4 / 镀铜 焊剂 莱芜市槲林焊接材料有限公司 SJ301 99.9% 250℃~300℃ X2h / 焊接方法 SAW 焊接位置 平焊 焊接设备型号 MZ-1000 电源及极性 直流反接 预热温度(℃) / 层间温度 ≤230℃ 后热温度(℃)及时间(min) / 焊后处理 / 接头及坡口尺寸图 t=10;b=0 焊接顺序图 焊接工艺参数 道次 焊接方法 焊丝 焊剂 保护气流量(1/min) 电流(A) 电压(V) 焊接速度(cm/min) 热输入(kj/cm) 焊接速度(cm/min) 牌号 Φ(㎜) 1 SAW H08MnA 4 SJ301 / 550 ~ 600 32~34 43 27.1 35~40 2 SAW H08MnA 4 SJ301 / 600 ~ 650 34~35 43 30 35~40 焊前清理 除油、锈等 层间清理 清理焊渣、飞溅、氧化物等 背面清根 碳弧气刨清根、磨光机打磨 技术措施 其他:1、试件待焊接表面和两侧应均匀、光洁,且应无毛刺、裂纹;待焊接表面及距焊缝坡口边缘位置30mm范围内不得有影响正常焊接和焊缝质量的氧化皮、锈蚀、油脂、水等杂质。 2、焊接接头坡口的加工或缺陷的清除可采用碳弧气刨、打磨等方法。 3、割纹深度不应大于0.2mm,如若割纹超过要求,应采用打磨清除。 编制 日期 审核 日期 工程名称 汇隆杭萧焊接生产工艺评定 指导书编号 HLHX-HP-20160706 母材钢号 Q235B 板厚 10mm 供货状态 热轧 生产厂 山东钢铁股份有限公司济南分公司 焊接材料 生产厂 牌号 规格 烘干制度(℃×h) 备注 焊条 焊丝 唐钢唐银钢铁有限公司 H08MnA 实心焊丝 / 镀铜 焊剂或气体 莱芜市槲林焊接材料有限公司 SJ301 99.9% 250℃~300℃ X2h / 焊接方法 SAW 焊接位置 平焊 焊接设备型号 MZ-1000 电源及极性 直流反接 预热温度(℃) / 层间温度 ≤230℃ 后热温度(℃)及时间(min) / 焊后处理 / 接头及坡口尺寸图 t=10;b=0 焊接顺序图 焊接工艺参数 道次 焊接方法 焊丝 焊剂 保护气流量(1/min) 电流(A) 电压(V) 焊接速度(cm/min) 热输入(kj/cm) 焊接速度(cm/min) 牌号 Φ(㎜) 1 SAW H08MnA 4 SJ301 / 550 ~ 600 32~34 43 27.1 35~40 2 SAW H08MnA 4 SJ301 / 600 ~ 650 34~35 43 30 35~40 焊前清理 除油、锈等 层间清理 清理焊渣、飞溅、氧化物等 背面清根 碳弧气刨清根、磨光机打磨 技术措施 其他:1、试件待焊接表面和两侧应均匀、光洁,且应无毛刺、裂纹;待焊接表面及距焊缝坡口边缘位置30mm范围内不得有影响正常焊接和焊缝质量的氧化皮、锈蚀、油脂、水等杂质。 2、焊接接头坡口的加工或缺陷的清除可采用碳弧气刨、打磨等方法。 3、割纹深度不应大于0.2mm,如若割纹超过要求,应采用打磨清除。 编制 日期 审核 日期 工程名称 汇隆杭萧焊接生产工艺评定 指导书编号 HLHX-HP-20160708 母材钢号 Q345B 板厚 16mm 供货状态 热轧 生产厂 山东钢铁股份有限公司济南分公司 焊接材料 生产厂 牌号 规格 烘干制度(℃×h) 备注 焊条 焊丝 唐钢唐银钢铁有限公司 H08MnA 实心焊丝 / 镀铜 焊剂或气体 莱芜市槲林焊接材料有限公司 SJ301 99.9% 250℃~300℃ X2h / 焊接方法 SAW 焊接位置 平焊 焊接设备型号 MZ-1000 电源及极性 直流反接 预热温度(℃) / 层间温度 ≤230℃ 后热温度(℃)及时间(min) / 焊后处理 / 接头及坡口尺寸图 α=60°;t=16;p=6;b=0; 焊接顺序图 焊接工艺参数 道次 焊接方法 焊丝 焊剂 保护气流量(1/min) 电流(A) 电压(V) 焊接速度(cm/min) 热输入(kj/cm) 焊接速度(cm/min) 牌号 Φ(㎜) 1 SAW H08MnA 4 SJ301 / 550~ 600 32~34 43 27.1 35~40 2 SAW H08MnA 4 SJ301 / 650~670 34~36 46 30 35~40 焊前清理 除油、锈等 层间清理 清理焊渣、飞溅、氧化物等 背面清根 碳弧气刨清根、磨光机打磨 技术措施 其他:1、试件待焊接表面和两侧应均匀、光洁,且应无毛刺、裂纹;待焊接表面及距焊缝坡口边缘位置30mm范围内不得有影响正常焊接和焊缝质量的氧化皮、锈蚀、油脂、水等杂质。 2、焊接接头坡口的加工或缺陷的清除可采用碳弧气刨、打磨等方法。 3、割纹深度不应大于0.2mm,如若割纹超过要求,应采用打磨清除。 编制 日期 审核 日期 工程名称 汇隆杭萧焊接生产工艺评定 指导书编号 HLHX-HP-20160709 母材钢号 Q345B 板厚 16mm 供货状态 热轧 生产厂 山东钢铁股份有限公司济南分公司 焊接材料 生产厂 牌号 规格 烘干制度(℃×h) 备注 焊条 焊丝 唐钢唐银钢铁有限公司 H08MnA Ф4 / 镀铜 焊剂或气体 莱芜市槲林焊接材料有限公司 SJ301 99.9% 250℃~300℃ X2h / 焊接方法 SAW 焊接位置 平焊 焊接设备型号 MZ-1000 电源及极性 直流反接 预热温度(℃) / 层间温度 ≤230℃ 后热温度(℃)及时间(min) / 焊后处理 / 接头及坡口尺寸图 α=60°;t=16;p=6;b=0; 焊接顺序图 焊接工艺参数 道次 焊接方法 焊丝 焊剂 保护气流量(1/min) 电流(A) 电压(V) 焊接速度(cm/min) 热输入(kj/cm) 焊接速度(cm/min) 牌号 Φ(㎜) 1 SAW H08MnA 4 SJ301 / 550~ 600 32~34 43 27.1 35~40 2 SAW H08MnA 4 SJ301 / 650~670 34~36 46 30 35~40 焊前清理 除油、锈等 层间清理 清理焊渣、飞溅、氧化物等 背面清根 碳弧气刨清根、磨光机打磨 技术措施 其他:1、试件待焊接表面和两侧应均匀、光洁,且应无毛刺、裂纹;待焊接表面及距焊缝坡口边缘位置30mm范围内不得有影响正常焊接和焊缝质量的氧化皮、锈蚀、油脂、水等杂质。 2、焊接接头坡口的加工或缺陷的清除可采用碳弧气刨、打磨等方法。 3、割纹深度不应大于0.2mm,如若割纹超过要求,应采用打磨清除。 编制 日期 审核 日期 五、 试件试样的试验与检验 1、试件的外观检验应符合下列要求: 对接、角接及T形接头: 1)焊缝不得有裂纹、未焊透、未熔合、焊瘤、气孔、夹渣等缺陷; 2)焊缝咬边总长度不得超过焊缝两侧长度的15%,咬边深度不得超过0.5mm; 3)焊缝外形尺寸应符合下表的要求。 对接、角接及T形接头焊缝外形尺寸允许偏差(mm) 焊缝余高偏差 焊缝宽度比坡口每侧增宽 角焊缝焊脚尺寸偏差 焊缝表面凹凸高度差 焊缝表面宽度差 不同宽度(B)的对接焊缝 角焊缝 对接与角接组合焊缝 差值 不对称 在25mm焊缝长度内 在150mm焊缝长度范围内 B<20;0~3 B≥20;0~4 0~3 0~5 1~3 0~3 0~1 ≤2.5 ≤5 六、记录和报告 1、记录 焊接工艺评定的实施过程中,对工艺评定试件焊接的过程和结果进行记录。表格如下 下: 焊接工艺评定记录表 工程名称 指导书标号 焊接方法 焊接位置 设备型号 电源及极性 母材钢号 类别 生产厂 母材规格 供货状态 焊 接 材 料 接头尺寸及施焊道次顺序 焊条 牌号 类型 生产厂 批号 烘干温度(℃) 时间(min) 焊丝 牌号 规格(mm) 生产厂 批号 焊剂或气体 牌号 规格(mm) 生产厂 烘干温度(℃) 时间(min) 施 焊 工 艺 参 数 记 录 道次 焊接方法 焊条(焊丝) 直径(mm) 保护气体流量 (1/mim ) 电流 (A) 电压 (V) 焊接速度 (cm/min) 热输出 ( kJ/cm) 备注 施焊环境 室内/室外 环境温度(℃) 相对湿度 % 预热温度(℃) 层间温度(℃) 后热温度 时间(min) 后热处理 技术措施 焊前清理 层间清理 背面清根 其 他 焊工姓名 资格代号 级别 施焊日期 年 月 日 记 录 日期 年 月 日 审核 日期 年 月 日
展开阅读全文

开通  VIP会员、SVIP会员  优惠大
下载10份以上建议开通VIP会员
下载20份以上建议开通SVIP会员


开通VIP      成为共赢上传

当前位置:首页 > 品牌综合 > 技术交底/工艺/施工标准

移动网页_全站_页脚广告1

关于我们      便捷服务       自信AI       AI导航        抽奖活动

©2010-2026 宁波自信网络信息技术有限公司  版权所有

客服电话:0574-28810668  投诉电话:18658249818

gongan.png浙公网安备33021202000488号   

icp.png浙ICP备2021020529号-1  |  浙B2-20240490  

关注我们 :微信公众号    抖音    微博    LOFTER 

客服