收藏 分销(赏)

朔黄铁路32m超低高度预应力混凝土简支T梁适应30t轴重货车加固改造分析.pdf

上传人:fa****a 文档编号:43665 上传时间:2021-06-02 格式:PDF 页数:5 大小:313.39KB 下载积分:1 金币
下载 相关 举报
朔黄铁路32m超低高度预应力混凝土简支T梁适应30t轴重货车加固改造分析.pdf_第1页
第1页 / 共5页
朔黄铁路32m超低高度预应力混凝土简支T梁适应30t轴重货车加固改造分析.pdf_第2页
第2页 / 共5页


点击查看更多>>
资源描述
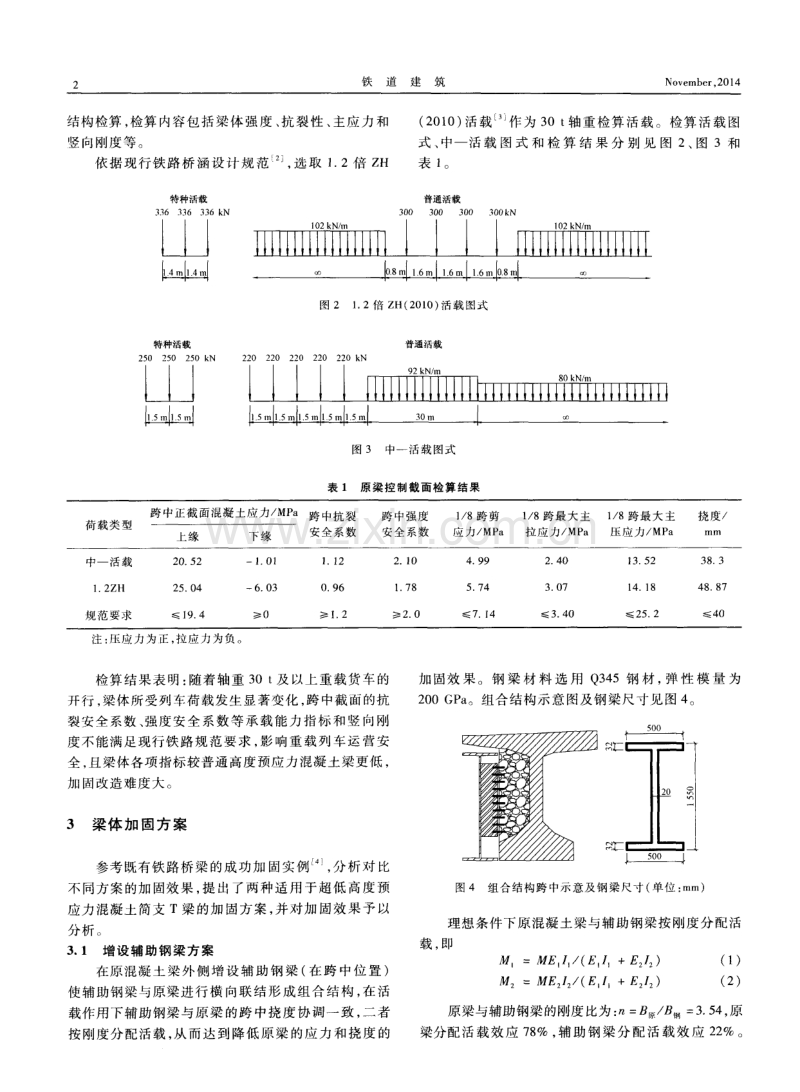
2 0 1 4年第 1 1 期 铁道建筑 Ra i l wa y Eng i n e e r i n g 文章编 号 : 1 0 0 3 — 1 9 9 5 ( 2 0 1 4 ) 1 1 - 0 0 0 1 — 0 5 朔黄铁路 3 2 m 超低高度预应力混凝土简支 T梁 适应 3 0 t 轴重货 车加 固改造分析 闫晓夏 , 柯在 田 , 徐 玉胜 , 苏永华 , 马 林 ( 1 . 中 国铁道科学研究 院 深圳研 究设计院 , 广东 深 圳 5 1 8 0 3 4 ; 2 . 中国铁道科 学研 究院 铁道建筑研究所 , 北京 1 0 0 0 8 1 ) 摘 要 : 对 朔黄铁 路跨 度 3 2 m超低 高度预 应 力混凝 土 简 支 T梁适 应轴 重 3 0 t 及 以上 重载货 车 ( 1 . 2倍 Z H ( 2 0 1 0 ) 活载 ) 进行 了检 算 分析 , 结 果表 明 梁体 的竖 向刚度 和 力学性 能 已不能 满足 现行 铁 路 规 范的 要 求 , 需对桥 梁进 行 加 固改造 。选取顶 升预 弯辅 助 钢 梁的加 固方案 , 使 原 混凝 土 梁和预 弯辅 助 钢 梁组 成 组 合 结构 , 在 活载 作 用下二 者 跨 中挠度 协 调 一致 , 在 3 0 t 轴 重 活载 作 用下 梁体 的抗 裂 性 、 强度 和 竖 向刚度 等 各项关键指标均满足现行规 范要 求, 能够达到预期加 固效果。 关键 词 : 重载 铁路 超 低 高度 简 支 T梁 加 固改造 中图分 类号 : U 4 4 1 . 4 ; U 4 4 5 . 7 2 文献 标识 码 : A 铁路重载运输在集中、 大宗 、 长距离货物运输方面 具有 明显 的经济优势, 其运输效益 已由国内外铁路运 输行业业绩所证实。近年来 , 随着新技术的应用 , 铁路 重 载运输 得 到 了快速 发展 , 运 输效 率不 断提 高 , 并 已成 为世 界 铁路 货物 运输 的 主要 发展方 向之一 。 我 国既 有铁路 普 通高 度 预应力 混凝 土梁 的高跨 比 h / L ( h为粱高, 为跨度) 一般为 1 / 1 1~1 / 1 3 , 低高度 预应力混凝土梁的高跨 比 h / L一般为 1 / 1 4—1 / 1 6 , 超 低 高度 预应 力混 凝 土 梁 的高 跨 比 h / L一 般 1的 系 数 。 辅助 钢梁 分 配 的活载 效应 为 : :B 铜 / ( B钢十 B宴) M, 又 n=B / B =3 . 5 4 , 贝 0 =( 1 4 - n ) / ( 1+r / n ) 。 当 取值 l~ 2之 间时 , 对 应 的 如 图 6所 示 。 图 6 y与 r /之 间 关 系 假设用多项式关系替代原 与 之间的倒 数关 系 , 多项式 为 , , = 。 + +C ,X + +e 。求解 得 : Y: 0 . 0 4x 一0. 4 0 x 。+1 .3 2 x 一 2 . 4 4 x+2 . 4 4 。其 中 表 示 原梁系数 , 对多项式二次求导 , 得到多项式拐点 , 解 得 =1 . 6 8 ; 实测 静 活载 ( 中一 活载 ) 作 用下 , 跨度 3 2 i n 超低 高度 预应 力 混 凝 土 梁 的跨 中挠 度 为 2 3 . 3 mm, 理 论值为 3 8 . 3 m m, 求解系数 =1 . 6 4 , 实测与理论 比值 为 9 7 . 6 % , 根 据 田=1 . 6 8 , 计算 得 到实 际刚度 折减 系 数 为 0 . 6 5 。 此外 , 由于原梁可近似按均布荷载作用 , 辅助钢梁 按集 中荷载 作用 , 二 者跨 中挠度 协 调一致 时 , 必然 使 二 者在活载分配时不能完全按照刚度进行 , 因此引入辅 助钢梁分配活载理论折减 系数 , 理论折减 系数 13计 算 如下 述 。 根 据材 料力 学 计算组 合 梁 的挠 度 。 原 混凝 土 梁 的挠度 为 。= 筹 ㈩ 辅 助钢 梁 的挠度 为 := 1而 P l 3 ( 4 ) 在活载作用下辅助钢梁与原梁的跨 中挠度协调一 致 , 即 0 9 / t o =1 , 得到原梁均布荷载与辅助钢梁集 中 荷载 的关 系为 P = 詈 q z ㈩ 将 g 带 人式 ( 1 ) , 求得 辅助 钢梁 活载 跨 中弯矩 为 = 1 . 2 5 ME , / ( E。 , 。+E , : ) ( 6 ) 则在 M =M 时 , M = 0 . 8 = 。 而将 P带入式 ( 2 ) , 则可求得原混凝土梁活载跨 中弯矩 为 M =0 . 8 ME. , . /( E. , 。+E , 2 ) ( 7) 则在 M = M 时 , M = 0 . 8 M 。 由上 述 分析 可知 , 当原 梁按 刚度 分 配活载 , 且 原梁 与辅 助钢 梁 活载作 用 下 跨 中挠度 协调 一 致 时 , 辅 助 钢 梁 分担 的活 载弯矩 较 按刚 度分 配 时 大 2 0 % ; 当辅 助 钢 梁 按 刚度分 配活 载 , 且 原梁 与辅 助 钢 梁 活 载作 用 下 跨 中挠度协调一致时 , 原梁分担 的活载弯矩较按 刚度分 配 时小 2 0 % 。则 辅 助 钢 梁 分 配 活 载 理 论 折 减 系 数 取 值 为 0 . 8 。 综 合上 述分 析 可 知 , 辅 助钢 梁 分 配 活 载 折 减 系数 由两部 分组 成 , 分别 为 实 际折 减 系 数 和 理 论 折 减 系 数 , 因此 , 辅 助 钢梁分 配 活载折 减 系数 为 O /=y =0 . 6 5 x 0 . 8 :0 . 5 2 ( 8 ) 则辅 助钢 梁跨 中弯 矩为 M 2 实际 o l E2 l 2 M 0. 5 2E2 l 2 M E1 , 1-4 - E2 f 2 E1 , 1 +E2 , 2 ( 9) 原混 凝 土梁跨 中弯矩 为 实际= 一 = 【 1 52 . , . 1 0 【 ) 一 依 据铁 路桥 涵规 范 , 跨 度 3 2 IT I 简支 粱列 车活 载 冲 4 铁道 建筑 击系数 为 + = + 94 则考 虑辅 助钢 梁分 配活 载折 减 系数和 活载 冲击 系数 后 ( 1 1 ) 加 固效果 计算 如表 2 。 表 2增设辅助钢梁后原梁跨 中截面加 固效 果 表 1 、 表 2表 明 , 在原梁 外 侧增 设 辅 助 钢梁 的加 固 方 案 , 在 1 . 2倍 Z H( 2 0 l 0 ) 活载 作 用下 , 梁 体 的力 学 性 能 和竖 向刚度 有很 大提 升 , 加 固效果显 著 , 但跨 中截 面 混凝 土 应力 超 出规范 限 值 , 且 抗 裂 安 全 系数 小 于 规 范 要求 , 因此只通过在原混凝土梁外侧增设辅助钢梁 , 使 辅助钢梁与原梁进行横 向联结形成组合结构的加固方 法 , 不能达到轴重 3 0 t 重载货车作用下跨度 3 2 m超低 高 度预 应力 混凝 土 简支 T梁 的加 固效 果 。 因此 , 需 要 重新 设计 辅助 钢梁 的加 固方 案 。 3 . 2顶升 预 弯钢梁 方 案 在原辅助钢梁的基础上 , 对钢梁进行预 弯设置 , 即通 过 构 造 措 施 将 预 弯 钢 梁 与 原 混 凝 土 梁横 隔板 在 跨 中位 置 横 向联 结 , 同时 顶 升 钢 梁 的两 端 , 消 除 辅 助 钢梁 的预拱度 后 固定 辅助 钢梁 , 使原梁 与预 弯钢梁 协 同作 用 , 形 成 组 合 结 构 。顶 升 预 弯 钢 梁 的 方 案 在 顶 升 钢 梁 过 程 中对 原 混 凝 土梁 和 钢梁 跨 中位 置 的横 向联结要求较 高 , 为保证 顶梁 时原梁 与预弯 钢梁 的 横 向联结 不 被 破 坏 , 应 对 原 梁 跨 中位 置 横 隔 板 进 行 加 固处理 。 预 弯钢 梁预拱 度 按照 △= _厂 自 重+ △原 + 活 载 设 置 , 为保证原梁加固效果 , 不计入钢梁分配活载折减 系数 O / , 预拱度 设 置为 6 6 m m。需 要顶 升 的距 离为 A =△一 f 自 重= 5 2 . 2 8 m m, 通 过公 式 A =P 1 3 / ( 4 8 E , : ) 求 得 钢 梁 两端 的顶 升力 P =P / 2 。为 防 止 顶 钢 梁 时 在 钢梁 与 原混凝 土 梁联结 的跨 中位 置 产生下 挠 而影 响原 梁 的 加 固效 果 , 选 取 顶 升 距 离 为 5 0 m m, 计 算 得 到 顶 升 力 P 而为 1 7 5 k N, 选 取 顶升 力 为 1 5 0 k N。通 过顶 升 预弯 钢 梁 , 使 原混 凝土 梁 部 分 恒 载 由钢 梁承 担 。加 固效 果 计 算过程 中 , 考虑 原梁 不利 工况 , 计人 钢 梁分 配活 载折 减 系数 ; 考 虑辅 助钢 梁不 利工 况 , 则 不计 入 钢 梁 分配 活 载折 减系 数 , 且 选 取 最 不 利 活 载 弯 矩 组 合 。加 固 效果 如 表 3 。 表 3顶升预弯钢梁加 固效果 表 3加 固效果 表 明 , 在 1 . 2倍 Z H( 2 【 】 l 0 ) 活载 作用 下 , 原 超低 高度 预应 力 混 凝 土梁 和增 设 的 预 弯辅 助钢 梁 的各 项力 学 承载能 力指 标 和竖 向刚度 均满 足现 行铁 路 规 范 的要 求 , 能够 达 到加 固效 果 , 满足 轴重 3 0 t 重载 货 车 的运 营要求 。 3 . 3 小 结 常用 的改变 梁体 截 面 性 质 加 固 方法 , 如增 大 截 面 法 、 粘贴 钢板 法 、 增设 体 外 预 应 力 法 、 预 应 力碳 纤 维 片 材加 固 等 , 由 于受 到 梁 体 高 度 的限 制 , 不 能 满 足 轴 重 3 0 t 重 载货 车作 用下 跨 度 3 2 m 超 低 高 度预 应 力 混 凝土 简支 梁 的加 固要 求 , 因 此 提 出 顶升 预 弯 辅 助 钢 梁 的加 固方 案 。通过 增 设 预 弯 辅 助 钢 梁 与 原 混 凝 土 梁 横向联结形成组合结构 , 分担原梁 的活载 效应 , 同时 引 入辅 助 钢 梁 分 配 活 载 折 减 系 数 这 一 概 念 , 模 拟 原 梁 与辅 助 钢 梁实 际 的 内力 分 配 ; 顶 升 预 弯 辅 助 钢 梁 , 在 分担 原 梁 活 载 的基 础 上 承 担 原 梁 的 部 分 恒 载 , 达 到 降低 原 梁 应 力 和 挠 度 、 适 应 轴 重 3 0 t 重 载 货 车 的 加 固 目标 2 0 1 4年第 1 1 期 闫晓夏等 : 朔黄铁路 3 2 m超低高度预应力混凝土 简支 T梁适应 3 0 t 轴重货车加 固改造分析 5 4 结 论 本文以跨 度 3 2 m超低高度预应力混 凝土简支 T 梁 为研 究对 象 , 对 朔 黄铁 路 计 划 开行 轴 重 3 0 t 重 载 货 车条 件 下 的梁体 加 固改 造 技 术 进 行 了 深 入研 究 , 得 到 以下 结论 : 1 ) 随着 重载 铁路 的发 展 , 梁 体所 受 列 车 荷 载 和 二 期恒 载 显著 增加 , 各 项 力 学 性 能 和竖 向 刚度 已不 能 满 足现行铁路规范的要求 , 影响梁体 的使用安全 , 需对梁 体进行加固改造 。 2 ) 常用 的改变梁体 截面性质 的加 固方法 不能满 足轴重 3 0 t 重载货车作用下梁体的加 固改造要求 , 提 出顶 升 预弯 辅 助钢 梁 的加 固措 施 , 使 原 混 凝 土 梁 和 预 弯钢 粱 形成 组合 结构 , 同时通 过顶 升 预弯辅 助 钢梁 , 使 钢 梁 在分担 原 梁活 载 的 同 时 承担 原 梁 的部 分 恒 载 , 以 达到降低原梁应力和挠度 、 适应轴重 3 0 t 重载货车的 加 固 目标 。 3 ) 计算 原 梁 活 载 效 应 时 引 入 辅 助 钢 梁 分 配 活 载 折 减 系数 这一 概念 , 模 拟 原 混 凝 土 梁 与 辅 助钢 梁 实 际 的内力 分配 , 使加 固效 果最 大化 。 4 ) 顶升预弯钢梁 的加 固方案 , 对既有铁路超低高 度 预应 力混 凝土 简支 梁适 应轴 重 3 0 t 重 载货 车 的加 固 改造 、 保证朔黄铁路重载运输 的顺利实施具有一定 的 理 论和 实践 意义 。 参 考 文 献 [ 1 ] 苏永华 , 马林. 既有铁 路跨度 2 4 m低 高度部 分预应力 混凝 土简支箱 梁 试验 评 估 [ R] . 北 京 : 中 国铁 道 科学 研 究 院 , 2 011 . [ 2 ] 中华人 民共 和国铁 道部. T B 1 0 0 0 2 . 3 —2 0 0 5 铁路 桥涵 钢 筋混凝 土和预应力混凝土结构设 计规范 [ S ] . 北京 : 中国铁 道出版社 , 2 0 1 0 . [ 3 ] 胡所亭 . 铁 路 重载 运输 条件 下桥 梁 活载标 准 研究 [ D] . 北 京 : 中国铁道科学研究 院 , 2 0 1 3 . [ 4 ] 万墨林 , 混凝土 结构加 固技术 [ M] . 北 京 : 中 国建 筑工业 出 版 社 , 1 9 9 5 . [ 5 ] 孙训 方. 材料力学 [ M] . 北京 : 高等教育 出版社 , 2 0 0 2 . [ 6 ] 彭全敏 , 白玉川 , 王海 良. 预应力碳 纤维 片材加 固桥梁使 用 阶段应力分析初探 [ J ] . 铁道建筑 , 2 0 0 9 ( 6 ) : 1 5 — 1 8 . Re i n f o r c e me n t a n d r e c o n s t r u c t i o n o f 3 2 m - s p a n s u p e r - l o w h e i g ht p r e s t r e s s e d c o n c r e t e s i mp l y — s u p p o r t e d T- g i r d e r o n S h uo z ho u- Hu a n g h u a g a ng r a i l wa y s u i t a b l e f o r 3 0 -- t o n a x l e - l o a d f r e i g ht wa g o n t r a v e l l i n g YAN Xi a o x i a 。 ,KE Za i t i a n , XU Yu s h e n g , S U Yo n g h u a , MA L i n ( 1 . S h e n z h e n Re s e a r c h a n d D e s i g n I n s t i t u t e, C h i n a Ac a d e my o f R a i l wa y S c i e n c e s , S h e n z h e n G u a n g d o n g 5 1 8 0 3 4, Ch i n a 2 . Ra i l wa y E n g i n e e r i n g Re s e a r c h I n s t i t u t e , C h i n a Ac a d e my o f Ra i l w a y S c i e n c e s , B e i j i n g 1 0 0 0 8 1 , C h i n a ) Abs t r a c t : Thr o ug h t he c a l c ul a t i on s of 3 2 m — s pa n s up e r — l o w h e i g ht p r e s t r e s s e d c o nc r e t e s i mpl y— s up po r t e d T— g i r de r o n t h e S h uoz ho u— Hua ng h ua g a ng r a i l wa y und e r 3 0一 t on he a v y ha ul r a i l wa y, i t i nd i c a t e d t ha t th e a c t ua l f o r c e 。 b e a r i ng p e r f o r ma nc e a nd t he s t i ffne s s of t h e g i r de r c o ul d no t m e e t t h e r e q ui r e me n t o f t he r a t i ng s t a nda r d, t h us de m a nd i n g the s t r e n g t h e n i n g a n d r e t r o fi t . A r e i n f o r c i n g me tho d wi t h a p r e — b e n t s t e e l b e a m wa s s e l e c t e d . T h e o r i gi n a l c o n c r e t e gi r d e r a nd t he pr e — b e n t s t e e l be a m we r e c omb i ne d t o a c o mpo s i t e s t r uc t ur e, a nd t he de f l e c t i o n o f the c o m p o s i t e s t r u c t ur e wa s c o or d i n a t e d u nd e r l i ve l o a d. I t i n di c a t e d th a t t h e c r a c k r e s i s t a n c e, t h e s t r e ng th a n d t he ve r t i c a l s ti ffne s s m e e t the r e qu i r e m e nt of t he c ur r e nt r a t i ng c o de, p r o vi ng i t s r e i nf o r c e me n t e ffe c t . Ke y w o r d s : He a v y h a u l r a i l wa y ; S u p e r 。 l o w h e i g h t s i mp l y - s u p p o r t e d T— gi r d e r ; Re i n f o r c e me n t a n d r e c o n s t r u c ti o n ; Co mpos i t e s t r uc t ur e ( 责任 审编 孟庆伶)
展开阅读全文

开通  VIP会员、SVIP会员  优惠大
下载10份以上建议开通VIP会员
下载20份以上建议开通SVIP会员


开通VIP      成为共赢上传

当前位置:首页 > 环境建筑 > 加固修缮

移动网页_全站_页脚广告1

关于我们      便捷服务       自信AI       AI导航        抽奖活动

©2010-2026 宁波自信网络信息技术有限公司  版权所有

客服电话:0574-28810668  投诉电话:18658249818

gongan.png浙公网安备33021202000488号   

icp.png浙ICP备2021020529号-1  |  浙B2-20240490  

关注我们 :微信公众号    抖音    微博    LOFTER 

客服