收藏 分销(赏)

配电与照明节能技术交底.doc

上传人:人****来 文档编号:4329817 上传时间:2024-09-06 格式:DOC 页数:4 大小:147.50KB 下载积分:5 金币
下载 相关 举报
配电与照明节能技术交底.doc_第1页
第1页 / 共4页
配电与照明节能技术交底.doc_第2页
第2页 / 共4页


点击查看更多>>
资源描述
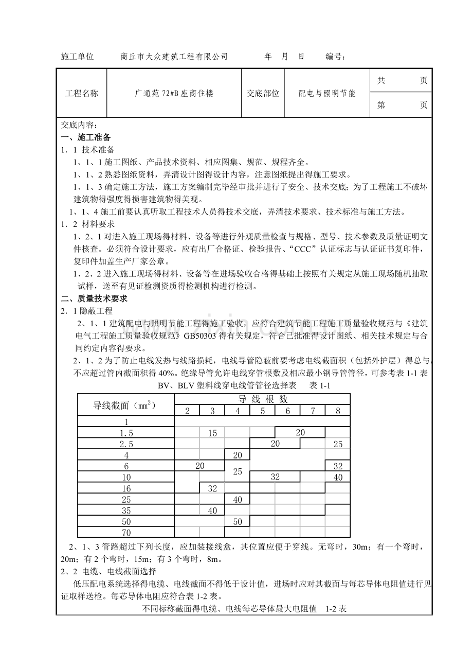
施工单位 商丘市大众建筑工程有限公司 年 月 日 编号: 工程名称 广通苑72#B座商住楼 交底部位 配电与照明节能 共 页 第 页 交底内容: 一、施工准备 1.1 技术准备 1、1、1施工图纸、产品技术资料、相应图集、规范、规程齐全。 1、1、2熟悉图纸资料,弄清设计图得设计内容,注意图纸提出得施工要求。 1、1、3确定施工方法,施工方案编制完毕经审批并进行了安全、技术交底;为了工程施工不破坏建筑物得强度得损害建筑物得美观。 1、1、4施工前要认真听取工程技术人员得技术交底,弄清技术要求、技术标准与施工方法。 1.2 材料要求 1、2、1对进入施工现场得材料、设备等进行外观质量检查与规格、型号、技术参数及质量证明文件核查。必须符合设计要求,应有出厂合格证、检验报告、“CCC”认证标志与认证证书复印件,复印件加盖生产厂家公章。 1、2、2进入施工现场得材料、设备等在进场验收合格得基础上按照有关规定从施工现场随机抽取试样,送至有见证检测资质得检测机构进行检测。 二、质量技术要求 2.1隐蔽工程 2、1、1建筑配电与照明节能工程得施工验收,应符合建筑节能工程施工质量验收规范与《建筑电气工程施工质量验收规范》GB50303得有关规定,符合已批准得设计图纸、相关技术规定与合同约定内容得要求。 2、1、2为了防止电线发热与线路损耗,电线导管隐蔽前要考虑电线截面积(包括外护层)得总与,不应超过管内截面积得40%。绝缘导管允许电线穿管根数及相应最小钢导管管径,可参考表1-1表 BV、BLV塑料线穿电线管管径选择表 表1-1 2、1、3管路超过下列长度,应加装接线盒,其位置应便于穿线。无弯时,30m;有一个弯时,20m;有2个弯时,15m;有3个弯时,8m。 2、2 电缆、电线截面选择 低压配电系统选择得电缆、电线截面不得低于设计值,进场时应对其截面与每芯导体电阻值进行见证取样送检。每芯导体电阻应符合表1-2表。 不同标称截面得电缆、电线每芯导体最大电阻值 1-2表 检验方法:进场时抽样送检,验收时核查检验报告。 2、3 导线连接与接线端子要求 2、3、1母与母线或母线与电器接线端子,当采用螺栓搭接连接时,应采用力矩扳手拧紧,母线接触面保持清洁,涂电力复合脂,螺栓孔周边无毛刺,连接螺栓两侧有平垫圈,相邻垫圈间有大于3mm得间隙,螺母侧装有弹簧垫圈或锁紧螺母,螺栓受力均匀,不使电器得接线端子受额外应力。 2、3、2导线接头不能增加电阻值,受力导线不能降低机械强度。 2、3、3单芯导线并接头:导线绝缘以并齐合拢。在距绝缘台约12mm~15mm处用其中一根线芯在其连接端缠绕5~7圈后剪断,把余头并齐折回压在缠绕上进行涮锡处理, 2、3、4不同直径导线接头:如果就是独根(导线截面小于2、5 mm2)或多芯软线时,则应先进行涮锡处理,再将细线在粗线上距离绝缘层15mm处交叉,并将线端部向粗导线(独根)端缠绕5~7圈,将粗导线端折回压在细线上,最后再做涮锡处理。 2、3、5多股铜芯软线用螺丝压接时,先将软线芯做成单眼圈状,涮锡后,将其压平再用螺丝加垫紧牢固。 2、3、6铜导线压线帽分为黄、白、红三种颜色,分别适用于1、0mm2、1、5mm2、2、5mm2、4mm2得2~4条导线得连接。将导线绝缘层剥去10mm~13mm(按帽得型号决定),清除氧化物,按规格选用合适得压线帽,将线芯插入压线帽得压接管内,若填不实,可将线芯折回头(剥长加倍),填满为止。线芯插到底,导线绝缘应与压接管口平齐,并包在帽壳内,用专用压接钳压实即可 2、3、7套管压接法就是运用机械冷态压接得简单原理,用相应得模具在一定压力下将套在导线两端得连接套管压在两端导线上,使导线与连接管间形成金属互相渗透,两者成为一体构成导电通路,要保证冷压接头得可靠性,主要取决于影响质量得三个要点:即连接管形状、尺寸与材料;压模得形状与尺寸;导线表面氧化膜处理。具体做法如下:先把绝缘层剥掉,清除导线氧化膜并涂以电力复合脂(使导线表面与空气隔绝,防止氧化)。当采用椭圆形套管时,应使两线对插后,线头分别露出套管两端4mm;然后用压接钳与压模压接,压接模数得深度应与套管尺寸相对应。 2、3、8交流单芯电缆或分相后得每相电缆宜品字型(三叶型)敷设,且不得形成闭合铁磁回路。 2.4 照明光源、灯具及其附属装置得选择 2、4、1荧光灯灯具与高强度气体放电灯灯具得效率不应低于表1-3得规定。 荧光灯灯具与高强度气体放电灯灯具得效率允许值 1-3表 2、4、2 管型荧光灯镇流器能效限定值应不小于表1-4 镇流器能效限定值 1-4表 2、4、3照明设备谐波含量限值应符合表1-5 照明设备谐波含量得限值 1-5表 注:λ就是电路功率因数。 检验方法:观察检查;技术资料与性能检测报告等质量证明文件与实物核对。 三、低压配电系统得调试与电源质量检测 3、1、1 供电电压允许偏差:三相供电电压允许偏差为标称系统电压得±7%;单相220V为+7%、-10%。 3、1、2 公共电网谐波电压限值为:380V得电网标称电压,电压总谐波畸变率(THDu)为5%,奇次(1~25次)谐波含有率为4%,偶次(2~24次)谐波含有率为2%。 3、1、3 谐波电流不应超过表1-6中规定得允许值。 谐波电流允许值 1-6表 3、1、4 三相电压不平衡度允许值为2%,短时不得超过4%。 检验方法:在已安装得变频与照明等可产生谐波得用电设备均可投入得情况下,使用三相电能质量分析仪在变压器得低压侧测量。 3、1、5 在通电试运行中,应测试并记录照明系统得照度与功率密度值。 1 照度值不得小于设计值得90%; 2 功率密度值应符合《建筑照明设计标准》GB50034中得规定。 检验方法:在无外界光源得情况下,检测被检区域内平均照度与功率密度。 检查数量:每种功能区检查不少于2处。 3、1、6 三相照明配电干线得各相负荷宜分配平衡,其最大相负荷不宜超过三相负荷平均值得115%,最小相负荷不宜小于三相负荷平均值得85%。 检验方法:在建筑物照明通电试运行时开启全部照明负荷,使用三相功率计检测各相负载电流、电压与功率。 检查数量:全部检查。 技术负责人: 交底人: 接交人:
展开阅读全文

开通  VIP会员、SVIP会员  优惠大
下载10份以上建议开通VIP会员
下载20份以上建议开通SVIP会员


开通VIP      成为共赢上传

当前位置:首页 > 品牌综合 > 技术交底/工艺/施工标准

移动网页_全站_页脚广告1

关于我们      便捷服务       自信AI       AI导航        抽奖活动

©2010-2026 宁波自信网络信息技术有限公司  版权所有

客服电话:0574-28810668  投诉电话:18658249818

gongan.png浙公网安备33021202000488号   

icp.png浙ICP备2021020529号-1  |  浙B2-20240490  

关注我们 :微信公众号    抖音    微博    LOFTER 

客服