收藏 分销(赏)

槽钢理论重量表大全.pdf

上传人:天**** 文档编号:4289401 上传时间:2024-09-03 格式:PDF 页数:11 大小:124.26KB 下载积分:8 金币
下载 相关 举报
槽钢理论重量表大全.pdf_第1页
第1页 / 共11页
槽钢理论重量表大全.pdf_第2页
第2页 / 共11页


点击查看更多>>
资源描述
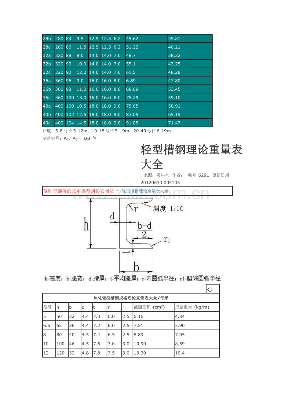
槽钢理论重量表大全槽钢理论重量表大全 来源:作者:编号 29145 更新日期 20120630 005104复制带链接的文本推荐到其它网站槽钢理论重量表大全热轧普通槽钢规格理论重量表大全热轧普通槽钢规格理论重量表大全/每米每米h-高度;b-腿宽;d-腰厚;t-平均腿厚;r-内圆弧半径;r1-腿端圆弧半径尺寸hbdtrr1截面面积理论重量型号(mm)(cm2)(kg/m)5 50 37 4.5 7.0 7.0 3.50 6.93 5.44 6.3 63 40 4.8 7.5 7.5 3.75 8.444 6.63 8 80 43 5.0 8.0 8.0 4.0 10.24 8.04 10 100 48 5.3 8.5 8.5 4.25 12.74 10.00 12.6 126 53 5.5 9.0 9.0 4.5 15.69 12.37 14a 140 58 6.0 9.5 9.5 4.75 18.51 14.53 14b 140 60 8.0 9.5 9.5 4.75 21.31 16.73 16a 160 63 6.5 10.0 10.0 5.0 21.95 17.23 16 160 65 8.5 10.0 10.0 5.0 25.15 19.74 18a 180 68 7.0 10.5 10.5 5.25 25.69 20.17 18 180 70 9.0 10.5 10.5 5.25 29.29 22.99 20a 200 73 7.0 11.0 11.0 5.5 28.83 22.63 20 200 75 9.0 11.0 11.0 5.5 32.83 25.77 22a 220 77 7.0 11.5 11.5 5.75 31.84 24.99 22 220 79 9.0 11.5 11.5 5.75 36.24 28.45 25a 250 78 7.0 12.0 12.0 6.0 34.91 27.47 25b 250 80 9.0 12.0 12.0 6.0 39.91 31.39 25c 250 82 11.0 12.0 12.0 6.0 44.91 35.32 28a 280 82 7.5 12.5 12.5 6.2 40.02 31.42 28b 280 84 9.5 12.5 12.5 6.2 45.62 35.81 28c 280 86 11.5 12.5 12.5 6.2 51.22 40.21 32a 320 88 8.0 14.0 14.0 7.0 48.7 38.22 32b 320 90 10.0 14.0 14.0 7.0 55.1 43.25 32c 320 92 12.0 14.0 14.0 7.0 61.5 48.28 36a 360 96 9.0 16.0 16.0 8.0 6.89 47.80 36b 360 98 11.0 16.0 16.0 8.0 68.09 53.45 36c 360 100 13.0 16.0 16.0 8.0 75.29 59.10 40a 400 100 10.5 18.0 18.0 9.0 75.05 58.91 40b 400 102 12.5 18.0 18.0 9.0 83.05 65.19 40c 400 104 14.5 18.0 18.0 9.0 91.05 71.47 长度:5-8 号长 5-12m;10-18 号长 5-19m;20-40 号长 6-19m制造钢号:A3,A3F,B3F 等轻型槽钢理论重量表轻型槽钢理论重量表大全大全 来源:资料室 作者:编号 6291 更新日期20120630 005105复制带链接的文本推荐到其它网站轻型槽钢理论重量表大全热轧轻型槽钢规格理论重量表大全热轧轻型槽钢规格理论重量表大全/每米每米型号h bdtr r1 截面面积(cm2)理论重量(kg/m)5 50 32 4.4 7.0 6.0 2.5 6.16 4.846.5 65 36 4.4 7.2 6.0 2.5 7.51 5.90 8 80 40 4.5 7.4 6.5 2.5 8.89 7.05 10 100 46 4.5 7.6 7.0 3.0 10.90 8.59 12 120 52 4.8 7.8 7.5 3.0 13.30 10.4 14 140 58 4.9 8.1 8.0 3.0 15.60 12.3 14a 140 62 4.9 8.7 8.0 3.0 17.00 13.3 16 160 64 5.0 8.4 8.5 3.5 18.10 14.2 16a 160 68 5.0 9.0 8.5 3.5 19.50 15.3 18 180 70 5.1 8.7 9.0 3.5 20.70 16.3 18a 180 74 5.1 9.3 9.0 3.5 22.20 17.4 20 200 76 5.2 9.0 9.5 4.0 23.4 18.4 20a 200 80 5.2 9.7 9.5 4.0 25.2 19.8 22 220 82 5.4 9.5 10.0 4.0 26.7 21.0 22a 220 87 5.4 10.2 10.0 4.0 28.8 22.6 24 240 90 5.6 10.0 10.5 4.0 30.6 24.0 24a 240 95 5.6 10.7 10.5 4.0 32.9 25.8 27 270 95 6.0 10.5 11 4.5 35.2 27.7 30 300 100 6.5 11.0 12 5 40.5 31.8 33 330 105 7.0 11.7 13 5 46.5 36.5 36 360 110 7.5 12.6 14 6 53.4 41.9 40 400 115 8.0 13.5 15 6 61.5 48.3 标记举例:普通碳素钢甲类平炉 3 号沸腾钢 180mmX70mmX5.1mm 的热轧轻型槽钢的标记为:180mm*70mm*5.1mm 不等边角钢理论重量不等边角钢理论重量表表 来源:ab126 作者:编号 8026 更新日期20120630 005104复制带链接的文本推荐到其它网站不等边角钢理论重量表 热轧不等边角铁规格重量表热轧不等边角铁规格重量表/每米每米尺寸(毫米)角钢号数bBtr截断面积(厘米 2)理论重量(公斤/米)表面积(米2/米)2.5/1.62516343.51.1621.4990.9121.1760.0800.0793.2/23220343.51.4921.9391.1711.5220.1020.1014/2.540253441.8902.4671.4841.9360.1270.1274.5/2.845283452.1492.8061.6872.2030.1430.1435/3.25032345.52.4313.1771.9082.4940.1610.1605.6/3.65636 34562.7433.5904.4152.1532.818 3.4660.1810.1800.1806.3/46340456774.0584.9935.9086.8023.1853.9204.6385.3390.2020.2020.2010.2017/4.5704545677.54.5475.6096.6477.6573.5704.4035.2186.0110.2260.2250.2250.2257.5/57550586.1254.8080.24568107.2609.46711.5905.6997.4319.0980.2450.2440.2448/58050567886.3757.5608.7249.8675.0055.9356.8487.7450.2550.2550.2550.2545.6/3.65636 34562.7433.5904.4152.1532.818 3.4660.1810.1800.1806.3/46340456774.0584.9935.9086.8023.1853.9204.6385.3390.2020.2020.2010.2017/4.5704545677.54.5475.6096.6477.6573.5704.4035.2186.0110.2260.2250.2250.2257.5/575505681086.1257.2609.46711.5904.8085.6997.4319.0980.2450.2450.2440.2448/58050567886.3757.5608.7249.8675.0055.9356.8487.7450.2550.2550.2550.2549/5.69056 567897.2128.5579.88011.1835.6616.717 7.7568.7790.2870.2860.2860.28610/6.31006367810109.61711.11112.58415.4677.5508.7229.87812.1420.3200.3200.3190.31910/810080678101010.63712.30113.94417.1678.3509.65610.94613.4760.3540.3540.3530.35311/7110706781010.63712.30113.9448.3509.65610.9460.3540.3540.3531017.16713.4760.35312.5/8125807810121114.09615.98919.71223.35111.06612.55115.47418.3300.4030.4030.4020.40214/91409081012141218.03822.26126.40030.45614.16017.47520.72423.9080.4530.4520.4510.45116/10160100101214161325.31530.05434.70939.28119.87223.59227.24730.8350.5120.5110.5100.51018/11180110101214161428.37333.71238.96744.13922.37326.46430.58934.6490.5710.5710.5700.56920/12.5200125121416181437.91243.86749.73955.52629.76134.43639.04543.5880.6410.6400.6390.639角钢理论重量表角钢理论重量表 来源:资料室 作者:编号 19415 更新日期 20120630 005104复制带链接的文本推荐到其它网站角钢理论重量表 热轧等边角铁规格重量表热轧等边角铁规格重量表/每米每米尺寸(毫米)角钢号数AbTr截断面积(厘米 2)理论重量(公斤/米)表面积(米 2/米)220343.51.1321.4590.8891.1450.0780.0772.525343.51.4321.8591.1241.4590.0980.0973.030344.51.7492.2761.3731.7860.1170.1173.6363454.52.1092.7563.3821.6562.1632.6540.1410.1410.1414.04034552.3593.0863.7911.8522.4222.9760.1570.1570.1564.545345652.6593.4864.2925.0762.0882.736.3693.9850.1770.1770.1760.1765.050345.52.9713.8972.3323.0590.1970.1975.050565.54.8035.6883.7704.4650.1960.1965.65634586.03.3434.3905.4158.3672.6243.4464.2516.5680.2210.2200.2200.2196.36345681074.9786.1437.2889.51511.6573.9074.8225.7217.4699.1510.2480.2480.2470.2470.2467704567885.5706.8758.1609.42410.6674.3725.3976.4067.3988.3730.2750.2750.2750.2750.2747.57556781097.3678.79710.16011.50314.1265.8186.9057.9769.03011.0890.2950.2940.2940.2940.2938805697.9129.3976.2117.3760.3150.314781010.86012.30315.1268.5259.65811.8740.3140.3140.31399067810121010.63712.30113.94417.16720.3068.3509.65610.94613.47615.9400.3540.3540.3530.3530.35210100678101211.93213.79615.63819.2619.36610.83012.27615.120 0.3930.3930.3930.392101001214161222.80026.25629.62717.89820.61123.2570.3910.3910.39011110781012141215.19617.23821.26125.20029.05611.92813.53216.69019.78222.8090.4330.4330.4320.4310.43112.512581012141411.93213.79615.63819.26115.50419.13322.69626.1930.4920.4910.4910.49014140101214161427.37332.51237.56742.53921.48825.52229.49033.3930.5510.5510.5500.54916160101214161631.50237.44143.29649.06724.72929.39133.98738.5180.6300.6300.6290.62918180121416181642.24148.89655.46761.95533.15938.38343.54248.6340.7100.7090.7090.7082020014161820241854.64262.01369.30176.50590.66142.89448.68054.40160.05671.1680.7880.7880.7870.7870.785常用金属材料比重表常用金属材料比重表 来源:ab126 作者:编号 42124 更新日期20120630 005104复制带链接的文本推荐到其它网站常用金属材料比重表常用金属材料的比重参考表常用金属材料的比重参考表材料名称比重(克/厘米3)材料名称比重(克/厘米3)灰口铸铁6.67.4白口铸铁7.47.7可锻铸铁7.27.4工业纯铁7.87钢材7.85铸钢7.8低碳钢(含碳 0.1%)7.85中碳钢(含碳 0.4%)7.82高碳钢(含碳 1%)7.81高速钢(含钨 9%)8.3高速钢(含钨 18%)8.7不锈钢(含铬 13%)7.75纯铜(紫铜)8.9纯镍8.85硅2.33铅11.34工业纯铝2.71锌板7.2锌阳极板7.15铅板11.37锡7.3锇22.5铱22.4铂21.45金19.32钨19.3钽16.6汞13.6钍11.5银10.5钼10.2鉍9.8钴8.9镉8.65铌8.57锰7.43铬7.19铈6.9锑6.68锆6.49碲6.24钒6.1钛4.51钡3.5铍1.85镁1.74钙1.55钠0.97钾0.86砷5.73硒4.84硼2.34各种合金金属比重表各种合金金属比重表H96 黄铜合金8.8H90 黄铜合金8.7H68 黄铜合金8.5H62 黄铜合金8.5HPb74-3 铅黄铜8.7HPb63-3 铅黄铜8.5HPb59-1 铅黄铜8.5HSn90-1 锡黄铜8.8HSn70-1 锡黄铜8.54HSn62-1 锡黄铜8.5HSn60-1 锡黄铜8.5HAl77-2 铝黄铜8.6HAl67-2.78.5HAl60-1-1 铝黄铜8.5HAl66-6-3-2 铝黄铜8.5HMn58-2 锰黄铜8.5HMn57-3-1 锰黄铜8.5HMn55-3-1 锰黄铜8.5HFe59-1-1 铁黄铜8.5HSi80-3 硅黄铜8.5HNi65-5 镍黄铜8.5QSn4-3 锡青铜8.8QSn4-4-2.5 锡青铜8.75QSn4-4-4 锡青铜8.9QSn6.5-0.1 磷青铜8.8QSn6.5-0.4 磷青铜8.8QSn7-0.2 磷青铜8.8QSn4-0.3 磷青铜8.9QAl5 铝青铜8.2QAl7 铝青铜7.8QAl9-2 铝青铜7.6QAl9-4 铝青铜7.5QAl10-3-1.5 铝青铜7.5QAl10-4-4 铝青铜7.5QBe2 铍青铜8.3QBe2.15 铍青铜8.3QSi1-3 硅青铜8.6QSi3-1 硅青铜8.4QCd1.0 镉青铜8.80ZQSn3-12-5 铜合金(锡青铜)8.69ZQSn3-7-5-1 铜合金(锡青铜)8.7ZQSn5-5-5 铜合金(锡青铜)8.84ZQSn6-6-3 铜合金(锡青铜)8.82B5 铜合金8.9B19 铜合金8.9B30 铜合金8.9BMn3-12 锰白铜8.4BMn40-1.5 锰白铜8.9BMn43-0.5 锰白铜8.9BFe30-1-1 铁白铜8.9BFe5-1 铁白铜8.9BZn15-20 锌白铜8.6BAl6-1.5 铝白铜8.7NSi0.19 镍合金8.85NGu28-2.5-1.58.85NMg0.1 钛合金8.85NGr9 镁合金8.7LF2 铝合金2.68LF3 铝合金2.67LF5 铝合金2.65LF6 铝合金2.64LF10 铝合金(铝镁)2.65LF11 铝合金2.65LF12 铝合金2.63LF21 铝合金2.73LY1 铝合金2.76LY2 铝合金2.75LY6 铝合金2.76LY7 铝合金2.76LY8 铝合金2.8LY9 铝合金2.8LY10 铝合金2.8LY11 铝合金2.8LY12 铝合金2.78LY16 铝合金2.84LY17 铝合金2.84LD2 铝合金2.7LD5 铝合金2.75LD6 铝合金2.75LD7 铝合金2.8LD8 铝合金2.77LD10 铝合金2.8LC3 超硬铝合金2.85LC4 超硬铝合金2.85LC6 超硬铝合金2.89LC9 超硬铝合金2.85ZL101 铝合金2.66ZL102 铸造铝合金(铝硅)2.65ZL103 铝合金2.7ZL104 铝合金(铝硅)2.65ZL105 铝合金2.68ZL201 铝合金(铝铜)2.78ZL203 铝合金2.8ZL301 铝合金(铝镁)2.55ZL401 铝合金2.95ZZnAl10-5 锌合金6.3ZZnAl9-1.5 锌合金6.2ZZnAl4-1 锌合金6.7ZZnAl4 锌合金6.6ZChSnSb12-4-10 锡合金 7.52ZChSnSb11-6 锡合金7.38ZChSnSb8-4 锡合金7.39ZChSnSb4-4 锡合金7.34ZChPbSb16-16-2 锡合金 9.29ZChPbSb15-5-3 锡合金9.6ZChPbSb15-10 锡合金9.73ZChPbSb15-5 锡合金10.04ZChPbSb10-6 锡合金10.24YG3X 钨钢1515.3YG4C 钨钢14.915.2YG6X 钨钢14.615YG6A 钨钢14.615YG6 钨钢14.615YG8N 钨钢14.514.9YG8 钨钢14.514.9YG8C 钨钢14.514.9YG11C 钨钢1414.4YG15 钨钢1314.2YW1 钨钢12.613.5YW2 钨钢12.413.5YT5 钨钢12.513.2YT14 钨钢11.212YT30 钨钢9.39.7YN10 硬质合金钢6.3
展开阅读全文

开通  VIP会员、SVIP会员  优惠大
下载10份以上建议开通VIP会员
下载20份以上建议开通SVIP会员


开通VIP      成为共赢上传

当前位置:首页 > 环境建筑 > 其他

移动网页_全站_页脚广告1

关于我们      便捷服务       自信AI       AI导航        抽奖活动

©2010-2025 宁波自信网络信息技术有限公司  版权所有

客服电话:0574-28810668  投诉电话:18658249818

gongan.png浙公网安备33021202000488号   

icp.png浙ICP备2021020529号-1  |  浙B2-20240490  

关注我们 :微信公众号    抖音    微博    LOFTER 

客服