收藏 分销(赏)

全国高中化学所有气体制备实验方程汇总.doc

上传人:丰**** 文档编号:4288866 上传时间:2024-09-03 格式:DOC 页数:6 大小:469.01KB 下载积分:6 金币
下载 相关 举报
全国高中化学所有气体制备实验方程汇总.doc_第1页
第1页 / 共6页
全国高中化学所有气体制备实验方程汇总.doc_第2页
第2页 / 共6页


点击查看更多>>
资源描述
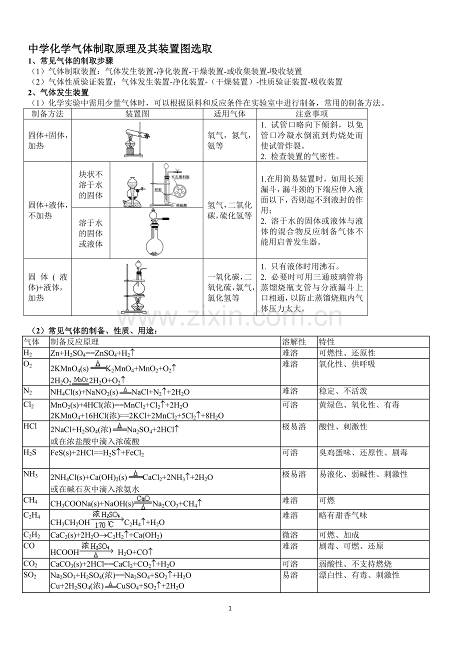
中学化学气体制取原理及其装置图选取 1、常见气体的制取步骤 (1)气体制取装置:气体发生装置-净化装置-干燥装置-或收集装置-吸收装置 (2)气体性质验证装置:气体发生装置-净化装置-(干燥装置)-性质验证装置-吸收装置 2、气体发生装置 (1)化学实验中需用少量气体时,可以根据原料和反应条件在实验室中进行制备,常用的制备方法。 制备方法 装置图 适用气体 注意事项 固体+固体,加热 氧气,氮气,氨等 1. 试管口略向下倾斜,以免管口冷凝水倒流到灼烧处而使试管炸裂。 2. 检查装置的气密性。 固体+液体,不加热 块状不溶于水的固体 氢气,二氧化碳,硫化氢等 1.在用简易装置时,如用长颈漏斗,漏斗颈的下端应伸入液面以下,否则起不到液封的作用; 2. 溶于水的固体或液体与液体的混合物反应制备气体不能用启普发生器。 溶于水的固体或液体 固体(液体)+液体,加热 一氧化碳,二氧化硫,氯气,氯化氢等 1. 只有液体时用沸石。 2. 必要时可用三通玻璃管将蒸馏烧瓶支管与分液漏斗上口相通,以防止蒸馏烧瓶内气体压力太大。 (2)常见气体的制备、性质、用途: 气体 制备反应原理 溶解性 特性 H2 Zn+H2SO4==ZnSO4+H2­ 难溶 可燃性、还原性 O2 2KMnO4(s)K2MnO4+MnO2+O2­ 2H2O22H2O+O2­ 难溶 氧化性、供呼吸 N2 NH4Cl(s)+NaNO2(s)NaCl+N2­+2H2O 难溶 稳定、不活泼 Cl2 MnO2(s)+4HCl(浓)==MnCl2+Cl2­+2H2O 2KMnO4+16HCl(浓)==2KCl+2MnCl2+5Cl2­+8H2O 可溶 黄绿色、氧化性、有毒 HCl 2NaCl+H2SO4(浓)Na2SO4+2HCl­ 或在浓盐酸中滴入浓硫酸 极易溶 酸性、刺激性 H2S FeS(s)+2HCl==H2S­+FeCl2 可溶 臭鸡蛋味、还原性、剧毒 NH3 2NH4Cl(s)+Ca(OH)2(s)CaCl2+2NH3­+2H2O 或在碱石灰中滴入浓氨水 极易溶 易液化、弱碱性、刺激性 CH4 CH3COONa(s)+NaOH(s)Na2CO3+CH4­ 难溶 可燃 C2H4 CH3CH2OHC2H4­+H2O 难溶 略有甜香气味 C2H2 CaC2(s)+2H2O®C2H2­+Ca(OH2) 微溶 可燃、加成 CO HCOOH H2O+CO­ 难溶 剧毒、可燃、还原 CO2 CaCO3(s)+2HCl==CaCl2+CO2­+H2O 可溶 弱酸性、不支持燃烧 SO2 Na2SO3+H2SO4(浓)==Na2SO4+SO2­+H2O Cu+2H2SO4(浓)CuSO4+SO2­+2H2O 易溶 漂白性、有毒、刺激性 NO 3Cu+8HNO3(稀)3Cu(NO3)2+2NO­+4H2O 难溶 剧毒、易被氧化 NO2 Cu+4HNO3(浓)==Cu(NO3)2+2NO2­+2H2O 易溶 有毒、氧化性、红棕色、刺激性 3、冷凝回流装置、冷却装置 用于气体发生装置上部,冷凝回流易挥发的反应物 用于流程中间,冷凝分离易液化的气体 4、净化装置与干燥装置 (1)装置基本类型: 洗气瓶 液体除杂剂(不加热) U形管 干燥管 固体除杂剂(不加热) 固体除杂剂(加热) 实验室制备的气体常常带有酸雾和水汽,有时需要净化和干燥。酸雾可用水或物质的水溶液除去,然后根据气体性质选用浓硫酸、无水氯化钙、碱石灰等吸收水汽。通常可使用洗气瓶、U形管或干燥管等仪器进行净化或干燥。液体(如水、浓硫酸等)一般装在洗气瓶内,无水氯化钙和碱石灰等固体装在U形管或干燥管内。气体中如还有其他杂质,则应根据具体情况分别用不同的洗涤液或干燥剂进行处理。矚慫润厲钐瘗睞枥庑赖。 (2)净化剂的选择 选择气体吸收剂应根据气体的性质和杂质的性质而确定,所选用的吸收剂只能吸收气体中的杂质,而不能与被提纯的气体反应。一般情况下:①易溶于水的气体杂质可用水来吸收;②酸性杂质可用碱性物质吸收;③碱性杂质可用酸性物质吸收;④水分可用干燥剂来吸收;⑤能与杂质反应生成沉淀(或可溶物)的物质也可作为吸收剂。聞創沟燴鐺險爱氇谴净。 (3)常用的气体干燥剂按酸碱性可分为三类: ①酸性干燥剂,如浓硫酸、五氧化二磷、硅酸胶体。酸性干燥剂能够干燥显酸性或中性的气体,如CO2、SO2、NO2、HCl、H2、Cl2 、O2、CH4等气体。残骛楼諍锩瀨濟溆塹籟。 ②碱性干燥剂,如生石灰、碱石灰、固体NaOH。碱性干燥剂可以用来干燥显碱性或中性的气体,如NH3、H2、O2、CH4等气体。酽锕极額閉镇桧猪訣锥。 ③中性干燥剂,如无水氯化钙等,可以干燥中性、酸性、碱性气体,如O2、H2、CH4等。 (4)净化与干燥注意事项 一般情况下,若采用溶液作除杂试剂,则是先除杂后干燥;若采用加热除去杂质,则是先干燥后加热。 在选用干燥剂时,显碱性的气体不能选用酸性干燥剂,显酸性的气体不能选用碱性干燥剂。 有还原性的气体不能选用有氧化性的干燥剂,不能用浓 H2SO4干燥 NH3、H2S、HBr、HI、SO3、C2H4等。彈贸摄尔霁毙攬砖卤庑。 能与气体反应的物质不能选作干燥剂,如不能用CaCl2来干燥NH3(因生成 CaCl2·8NH3)。 5、收集装置 根据气体的性质不同(即在水中的溶解度大小,相对于空气的密度大小),可有三种收集方法。 收集方法 实验装置 典型气体 适用气体 注意事项 排水集气法 H2、O2、NO、CO、CH4、CH2=CH2、CH≡CH 难溶于水的气体 1.集气瓶应先装满水,不能有气泡。 2. 停止收集时,应先拔出导管或者移走水槽,才能移开灯具。 向下排气法 H2、NH3、CH4 CH≡CH 比空气轻的气体 1. 集气导管应尽量接近集气瓶底。 2. 在空气中易氧化的或密度与空气接近的气体不宜用排气法,如一氧化氮等。 向上排气法 Cl2、HCl、CO2、SO2、O2、H2S 比空气重的气体 注意:(1)排气法集气时,应使气体导管伸到瓶底。 (2)能溶于水且溶解度不大的气体,可以用排某些饱和溶液的方法收集。如:CO2可用排饱和碳酸氢钠溶液法收集;Cl2可用排饱和食盐水法收集。(H2S呢?)謀荞抟箧飆鐸怼类蒋薔。 (3)Cl2、HCl、H2S、NO2、SO2均有毒,最好用下图装置用排气法收集: a口进气,b口出气,b口应连接尾气处理装置,防止有毒气体排入空气。 (4)用排水法收集满气体后,怎样从水槽中取出集气瓶? 用玻璃片在水面下盖住集气瓶口,将玻璃片与集气瓶一起移出水面,将盖有玻璃片的集气瓶放在桌上(考虑气体密度确定瓶口在上在下)。厦礴恳蹒骈時盡继價骚。 6、防倒吸装置 (1)将装置切断: 将有可能产生液体倒吸的系统切断,以防止液体倒吸,如用排水法收集气体,当实验结束时,必须先从水槽中将导管拿出来,然后熄灭酒精灯。茕桢广鳓鯡选块网羈泪。 (2)设置防护装置 ①倒立漏斗式:如图甲所示,这种装置可以增大气体与吸收液的接触面积,有利于吸收液对气体的吸收。当易溶性气体被吸收液吸收时,导管内压强减少,吸收液上升到漏斗中,由于漏斗容积较大,导致烧杯中液面下降,使漏斗口脱离液面,漏斗中的吸收液受自身重力的作用又流回烧瓶内,从而防止吸收液的倒吸。鹅娅尽損鹌惨歷茏鴛賴。 ②肚容式:如图乙所示,当易溶于吸收液的气体由干燥管末端进入吸收液被吸收后,导气管内压强减少,使吸收液倒吸进入干燥管,吸收液本身质量大于干燥管内外压强差,吸收液受自身重量的作用又流回烧杯内,从而防止吸收液的倒吸。这种装置与倒立漏斗很类似。籟丛妈羥为贍偾蛏练淨。 ③蓄液式:如图丙所示,当吸收液发生倒吸时,倒吸进来的吸收液被预先设置的蓄液装置贮存起来,以防止吸收液进入受热仪器或反应容器。这种装置又称安全瓶(两管都要高)。預頌圣鉉儐歲龈讶骅籴。 ④平衡压强式:如图丁所示,为防止反应体系中压强减少,引起吸收液的倒吸,可以在密闭装置系统中连接一个能与外界相通的装置,起着自动调节系统内外压强差的作用,防止溶液的倒吸。渗釤呛俨匀谔鱉调硯錦。 7、尾气吸收装置 (1)基本原则 对于有毒、有害的气体尾气必须点燃或用适当的溶液加以吸收,使它们变为无毒、无害、无污染的物质。如尾气Cl2、SO2、Br2(蒸气)等可用NaOH溶液吸收;尾气H2S可用CuSO4或NaOH溶液吸收;尾气CO可用点燃法,将它转化为CO2气体。铙誅卧泻噦圣骋贶頂廡。 (2)常用装置 ①对于极易溶于水的气体可用水吸收,用装置(2)、(3),防止倒吸〖其中装置(3)用于吸收少量气体,效果不如(2)好〗,例如HCl、HBr、NH3。擁締凤袜备訊顎轮烂蔷。 ②对于溶解速率不快的气体可用装置(1),一般使气体与吸收剂发生化学反应而被吸收,例如:Cl2、H2S、SO2等可用NaOH溶液吸收。贓熱俣阃歲匱阊邺镓騷。 ③对于可燃性有毒气体,可用装置(4),经点燃除掉,例如:CO。也可以用气囊加以收集。 8、气体体积的测量 对于难溶于水且不与水反应的气体,可借助排出水的体积,用量筒或滴定管测定,从而确定气体的体积。要求量器中的液面与瓶内的液面相平。坛摶乡囂忏蒌鍥铃氈淚。 常用的测量装置如下: 9、气密性的检验 (1)、基本方法: ①受热法:将装置只留下1个出口,并先将该出口的导管插入水中,后采用微热(手捂、热毛巾捂、酒精灯微热等),使装置内的气体膨胀。观察插入水中的导管是否有气泡。停止微热后,导管是否出现水柱。蜡變黲癟報伥铉锚鈰赘。 ②压水法:如启普发生器气密性检查 ③吹气法(不常用,略) (2)、基本步骤: ①观察气体出口数目,若有多个出口,则通过关闭止水夹.分液漏斗活塞或用水封等方法,只装置只剩一个气体出口。買鲷鴯譖昙膚遙闫撷凄。 ②采用加热法、水压法、吹气法等进行检查 ③观察气泡、水柱等现象得出结论。 注:若连接的仪器很多,应分段检查。 (3)、实例 【例1】如何检查图A装置的气密性 图A 图B 方法:如图B将导管出口埋入水中,用手掌或热毛巾焐容积大的部位,看水中的管口是否有气泡逸出, 过一会儿移开焐的手掌或毛巾,观察浸入水中的导管末端有无水上升形成水柱。若焐时有气泡溢出,移开焐的手掌或毛巾,有水柱形成,说明装置不漏气。綾镝鯛駕櫬鹕踪韦辚糴。 【例2】请检查下面装置的气密性 方法:关闭分液漏斗活塞,将将导气管插入烧杯中水中,用酒精灯微热园底烧瓶,若导管末端产生气泡,停止微热,有水柱形成,说明装置不漏气。驅踬髏彦浃绥譎饴憂锦。 【例3】启普发生器气密性检查的方法, 图A 图B 图C 方法:如图所示。关闭导气管活塞,从球形漏斗上口注入水,待球形漏斗下口完全浸没于水中后,继续加入适量水到球形漏斗球体高度约1/2处,做好水位记号 静置几分钟,水位下降的说明漏气,不下降的说明不漏气。猫虿驢绘燈鮒诛髅貺庑。 【例4】检查下面有长颈漏斗的气体发生装置的气密性。 方法1:同启普发生器。…若颈中形成水柱,静置数分钟颈中液柱不下降,说明气密性良好,否则说明有漏气现象。锹籁饗迳琐筆襖鸥娅薔。 方法2:向导管口吹气,漏斗颈端是否有水柱上升 用橡皮管夹夹紧橡皮管,静置片刻,观察长颈漏斗颈端的水柱是否下落若吹气时有水柱上升,夹紧橡皮管后水柱不下落,说明气密性良好。構氽頑黉碩饨荠龈话骛。 【例5】检查图A所示简易气体发生器的气密性。 图A 图B 方法:关闭K,把干燥管下端深度浸入水中(图B所示),使干燥管内液体面低于烧杯中水的液面,静置一段时间,若液面差不变小,表明气密性良好。輒峄陽檉簖疖網儂號泶。 【例6】 图A 图B 方法:如图所示。关闭导气管活塞,从U型管的一侧注入水,待U型管两侧出现较大的高度差为止, 静置几分钟,两侧高度差缩小的说明漏气,不缩小的说明不漏气。尧侧閆繭絳闕绚勵蜆贅。 10、装置改进 (1)在固(液)液加热制气时,如果气体产生较快,或所连装置较多, 烧瓶内气压较高,分液漏斗中的液体可能不易滴下。 为使分液漏斗中的液体顺利滴下,可设计如下装置: (2)在某些制备气体和反应的装置中,右装置可防止因后续装置堵塞而造成的压强增大。 (3)制乙炔的装置,可在气体发生装置内部导气管口,放一团棉花,以免反应产生的石灰乳堵塞导管产生危险。 11、拆卸时的安全性和科学性。 (1)对有尾气吸收装置的实验,必须将尾气导管提出液面后才能熄灭酒精灯,以免造成溶液倒吸; (2)用氢气还原氧化铜的实验应先熄灭加热氧化铜的酒精灯,同时继续通氢气,待加热区冷却后才能停止通氢气,这是为了避免空气倒吸入加热区使铜再被氧化;识饒鎂錕缢灩筧嚌俨淒。 (3)拆卸用排水法收集需加热制取气体的装置时,需先把导气管从水槽中取出,才能熄灭酒精灯,以防止水倒吸;凍鈹鋨劳臘锴痫婦胫籴。 (4)拆卸后的仪器要清洗、干燥、归位。 6
展开阅读全文

开通  VIP会员、SVIP会员  优惠大
下载10份以上建议开通VIP会员
下载20份以上建议开通SVIP会员


开通VIP      成为共赢上传

当前位置:首页 > 教育专区 > 高中化学

移动网页_全站_页脚广告1

关于我们      便捷服务       自信AI       AI导航        抽奖活动

©2010-2025 宁波自信网络信息技术有限公司  版权所有

客服电话:0574-28810668  投诉电话:18658249818

gongan.png浙公网安备33021202000488号   

icp.png浙ICP备2021020529号-1  |  浙B2-20240490  

关注我们 :微信公众号    抖音    微博    LOFTER 

客服