收藏 分销(赏)

浅谈南水北调渠道混凝土塑性收缩裂缝的成因和预防.pdf

上传人:wang****lang 文档编号:40969 上传时间:2021-05-27 格式:PDF 页数:3 大小:251.58KB 下载积分:1 金币
下载 相关 举报
浅谈南水北调渠道混凝土塑性收缩裂缝的成因和预防.pdf_第1页
第1页 / 共3页
浅谈南水北调渠道混凝土塑性收缩裂缝的成因和预防.pdf_第2页
第2页 / 共3页


点击查看更多>>
资源描述
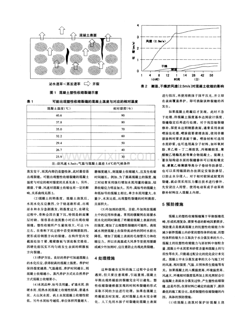
浅谈南水北调渠道混凝土 塑性收缩裂缝的成因和预防 弥俊锋 ( 陕西水利水电工程集团有限公司 陕西 渭南 7 1 4 0 0 0 ) 摘要结合南水北调中线京石段渠道边坡混凝土衬砌出现的塑性收缩裂缝,讨论了该裂缝的特点、 成 因、 影响因素及预防处理措施等, 供水利施工人员参考。 关键词 混凝土 ; 塑性 收缩裂缝 ; 成 因; 预 防 中图分类号 : 1" M4 3 1 文献标识码 : B 南水北调中线京石段应急供水工程 S 1 0标段 , 地处 石家 庄北 3 0 k in, 渠道 边 坡 1: 2 . 5, C 2 5混凝 土 衬砌 厚 度 1 0 e m, 混凝 土下为 防渗土工膜和 3 e m聚乙烯保 温 板 , 每仓 面宽 1 2 m, 长 1 8 m, 混凝土布 料 和 振 捣 均 由专 用渠 道 衬 砌 机 械 完 成 , 收 面由人工完成。 在一次作业过程中, 施工 人员意外发现 ,夜间完成布料和振捣的 两 仓 混 凝 土 在 人 工 收面 压 光 过 程 中 , 表 面出现了很多不规则细小裂缝 ,边压光 边出现 , 且无法制止。在已完成的 5 0 0多 米 渠 道首 次 出现 这种 现 象 ,并 且在 后 续 跨渠道交通桥搭板预制施工 中,也 出现 类 似 裂缝 ,本 文 就该 种裂 缝 的 成 因和 预 防处理 进行 简单 阐述 。 混凝土自浇筑开始就要经受外界环境 和其本身的各种因素的作用,使混凝土产 生应 力 ,当应力超过混凝 土的极 限强度 或 其应力变形超过混凝土的极限变形值, 混 凝 土结构物就要产生裂缝 。塑性收缩 裂缝 是混凝土裂缝中常见的一种裂缝,是指新 拌混凝 土浇 筑后尚在塑性状态 时发生 的收 缩 裂缝 。 1塑性收缩裂缝的特点 布不规则。 塑性收缩裂缝发生在混凝土终凝前, 浇筑后 4小时 一l O小时左右 ,大部分属表 面 裂 缝 , 裂缝 宽 度 较 细 ,一 般 不 大 于 0 . 3 m m。这类裂缝走向通常不规则, 无固定 方向, 一般呈对角斜线状 , 且纵横交错 , 较 严重时, 裂缝之间也会相互贯通 , 局部裂缝 将会贯穿整个混凝土结构,部分裂缝也将 达到结构 1 / 3 —1 / 2的深度。 这种裂缝一般出现在混凝土较薄的结 构表 面 , 如 现浇楼板 混凝 土 、 道 路混凝 土 、 渠道衬砌等混凝土。 在结构断面~] 0 0 m m时,容易发生此种 裂缝。 在大风和高温的季节里 , 大面积的暴 露混凝土最容易出现。 塑性收缩裂缝和干缩裂缝不同, 虽然 都是混凝土失水产生的表面张力引起, 但 干 缩 主要是 混凝 土 终 凝后 内部水 泥 石 的 空 隙水蒸发 而产 生 , 干缩量 随龄期 逐渐 增 长 ,形成 的裂缝 一般垂 直于 长度方 向; 塑 性 收缩 裂缝 是 由于混 凝土 终 凝前 表 面 失 水引起毛细管压力而产生的表面裂缝 。 分 2塑性收缩裂缝的成因和机理 从 混凝土本身来分 析 ,塑性收缩裂 缝 主要是由于混凝土表面水分蒸发速度大于 其内部水分外移的速度,新浇混凝土正在 形成强度或强度微弱时,当表面水分向外 蒸 发时 , 引起局部产生应力 , 当蒸发速度 大 于泌水速率时,混凝土内部砂浆的收缩力 大于水泥浆的胶结力, 就会发生局部开裂; 低水胶 比混凝土拌和物 , 体 内 自由水少 , 水 化生成物又迅速填充毛细孔 ,阻碍泌水上 升 , 因此表 面更易 出现塑性表面开裂 。过了 混凝土的初凝时间,便具备了一定的抗裂 能力 , 不会再发生塑性收缩裂缝( 见图 1 ) 。 3影响混凝土塑性收缩裂缝的主 要因素 ( 1 ) 外界气温和环境影响。刚刚浇筑完 成的混凝土, 在炎热或大风天气 , 往往因为 外界气温较高 , 空气中相对湿度较小 , 表面 高 , 与 裂隙面 粘结好 , 在 细小 的裂 隙 中 , 水 泥以薄膜的形式充填。 5边坡、 挡墙施工 喷锚支护范围为高程 1 7 4 7 m 一 1 8 2 1 m 范围内贴坡挡墙外的坡面。采用 书2 8 锚 筋 、 人岩深度 4 m、 钢筋网采用 6 . 5钢筋铺 安, 网孔间距 2 0 c m 2 0 e ra, 扎丝绑扎。 喷层 厚 度 1 5 e m, 标 号 C 2 0 。 共 施 喷 面 积 1 1 3 1 8 m 2 , 方 量 1 6 9 7 m , 锚杆总数 1 4 1 6根 。 根据现场地质情况, 贴坡挡墙范围扩大 为 1 7 4 8 .0 m~ 1 7 7 0 . 0 m; 1 7 6 8 . 7 5 m 1 7 9 6 .0 0 m; 1 7 7 6 . 6 6 m~ 1 8 1 6 . 0 0 m。 实 际施 工 贴 坡 挡 墙 C 2 0钢筋混凝土量 4 4 6 0 . 3 3 m 3( 含埋石砼 2 3 3 .6 4 m3 ) 。固墙 锚筋 、 随机锚筋共 1 0 7 6根 , 钢筋制安( 含锚筋外露部分) 6 5 . 0 t 。 6结语 2 0 0 2年 7月 2 8 E l 水库下 闸蓄水 , 2 0 0 2 年8 月 6日 水位蓄至 1 7 8 0 .0 m, 坝后量水堰 测出的渗漏量仅增加了3 L / m i n ,稳定到 8 月 1 2日, 水 位继 续上 升 , 渗 漏量 无明显 增 加。 8 月 2 8日 水位至约 1 7 9 3 m, 坝后渗漏量 稳定。 经几年的水库正常的运行及观测, 表 明水库渗漏处理效果良好。陕西承剩 参考文献 『 l l ( , g工建筑物水泥灌浆施工技术规范》 ( DL / T 5 1 4 8 — 2 0 0 1 ) 【 s 】 . 【 2 】 《 锚 杆喷 射 混凝 土 支护技 术 规 范 》 ( GB 5 0 0 8 6 — 2 0 0 1 ) [ s 】 . [ 3 ]3《水 工 预 应 力 锚 固 施 工 规 范 》 ( DT/ T5 1 7 6 — 2 0 0 3 ) [ S 1 . [ 4 】 《 水库大坝安全事故防范与除险加固技 术标准手册》 [s 】 . ( 责任 编辑 : 黄灵芝 ) C o o C C 混凝土表面 泌 水 速 率 开 裂 图 1 混凝土塑性收缩裂缝示意 4 3 2 姆 警1 O 表 1 可能出现塑性收缩裂缝的混凝土温度与对应的相对湿度 厂 / / — 贼 / / /干 燥 一 / / 二 /— — — 槐 1 4 8 1 2 1 l 4 2 8 4 2 5 6 ( 小时) 时间 ( 日) 表 2 潮湿 、 干燥淤风速( 2 . 5 m, s ) 对混凝土收缩的影响 混凝 土温度 ( ℃) 相对湿 度( %) 4 0 . 6 9 0 3 7I 8 8 0 3 5.O 7 0 3 2. 2 6 0 2 9.4 5 0 2 6. 7 4 0 2 3.9 3 0 注: 设风速 4 . 5 I n , s ; 气温与混凝土温差 5 . 6 ℃的气候条件 蒸发变干, 而其内部仍是塑性体 , 此时最容易 出现 裂缝。可能 出现 塑性收缩裂缝 的混凝土 温度 与对应 的相对湿度的关系见表 1 。另外 , 潮湿 、 干燥 、 风速对混 凝土收缩也有 一定的影 响 , 关系 曲线见图 2 。 ( 2 ) 混凝土的坍落度 。混凝土浇筑后 , 水 泥水 化反 应 激烈 , 分 子链 逐 渐 形成 , 出现 泌水和水分急剧蒸发, 坍落度过大, 在硬化 过程 中, 骨料会 因自重下沉 , 特别是斜面薄 层衬砌 ,很容易在浇筑数小时后 出现收缩 裂 缝 。塑性 收缩 所产 生 量级 很 大 , 可达 1 % 左 右。在 骨料 下沉 过程 中若 受到钢 筋阻 挡 , 便 形成 沿 钢筋 方 向 的裂缝 。在构 件 竖 向变 截面处如 T梁 、 箱梁腹板与顶底板交接处 , 因 硬化 前 沉实 不均 匀 将 发生 表 面的顺 腹 板 方 向裂缝 。 ( 3 ) 养护方法。良好的养护可加速混凝土 的水化反应, 获得较高的混凝土强度。养护时 保持湿度越高、 气温越低、 养护时间越长 , 则 混凝土 收缩越小 。蒸 汽养护方式 比 自然养护 方式 混凝 土收缩要 小。 ( 4 ) 水泥品种、 标号及用量。矿渣水泥、 快 硬水泥、 低热水泥混凝土收缩性较高, 普通水 泥 、火山灰水 泥 、矾土水泥 混凝土收缩性 较 低。另外水 泥标 号越低 、 单 位体积用量越 大 、 磨细度越大, 则混凝土收缩越大 , 且发生收缩 时间越长。例如, 为了提高混凝土的强度, 施 工时经常采用强行增加水泥用量的做法 , 结 果收缩应力明显加大。另外, 高标号的混凝土 和低标号 的混凝 土相 比, 单方水泥 用量大 , 水 量 少 , 水灰 比低 , 出现塑性 裂缝 的时间提 前 , 且 面积大 。 ( 5 ) 外加剂的使用。目前, 外加剂在混凝 土中的应用和普遍 ,常用的缓凝剂在延缓水 泥水化 的同时 降低了终凝前混凝 土表面的抗 拉强度, 增加了出现塑性裂缝的可能性。高效 减水剂使混凝 土在保 持流动性 的同时水胶 比 降低,增加了混凝土表面的毛细管压力和收 缩应力。所以在高温或大风季节里使用缓凝 或减 少外加剂时 , 应注意防止出现此类裂缝 。 4处理措施 这种 裂 缝 在实 际 的施 工 过程 中会 经 常 遇到, 但只要注意观察 , 引起重视 , 混凝土 早 期 出 现终 凝前 的 裂缝 完全 可 以避 免 。塑 性 收缩 裂缝 根据 发 现 的时 间和裂 缝 的形 式 采取不同的方法进行处理。如果在混凝土 终凝前及时发现 ,此时混凝土尚未完全硬 化 ,人 工 先用 木 抹子 对 裂缝 处混 凝 土表 面 进行拍压 , 再使用铁抹子抹平压光, 并立即 在表 面覆 盖 养护 ,即可 消除 该种 裂 缝 的再 发 生 。 如 果混 凝 土终 凝后 才 发 现 ,此 时不 急 于处理 , 待 混 凝土 强度 基 本 达到设 计 强度 、 裂缝 稳定 后 再进 行处 理 。对 于浅 层 细 裂缝 修 补 , 深 度未 达 到钢 筋表 面 , 通 常采 用 表 面 喷涂法处理 , 喷涂前要清理表面 , 使用非潮 湿涂料时要求表面干燥。喷涂材料可选用 水泥砂浆, 也可选用高分子材料 , 如环氧树 脂 、 苯乙烯 一丁二烯胶乳 、 丙烯酸胶乳 、 聚 醋 酸 乙烯 酯乳 胶 等 聚合 物混 凝土 。混凝 土 蓄水结构迎水面的裂缝修补可以粘贴橡皮 板 、 聚氯乙烯薄膜等高分子卷材作防渗层 , 也可 以采用锚固的办法固定安装防渗层 , 以防止水分侵人。对于相对较深或较宽的 裂缝 , 就必须采用压力灌注技术进行修补, 先安设注入用管 ,使用电动泵或手动泵将 修 补材 料注入 混凝 土 内部 。 5预 防措 施 混凝 土的塑性收缩裂缝 属于早期裂缝 范 畴, 形成机理复杂, 需要考虑的影响因素颇多, 预防重点是提高混凝土的抗塑性收缩能力和 减少新拌混凝土内砂浆的塑性体积收缩, 而塑 性体积收缩大小又取 决于水分蒸发率 的大小 。 混凝土 的抗塑性收缩能力 与原材料 中细 粒含 量 、 混凝土中水泥浆和砂浆含量和混凝土 的匀 质性等有关, 只能通过配合比的优化设计来完 成。混凝土中水分蒸发速率的大小与施工时 的风速、 相对湿度、 气温 、 日照和养生措施等有 关。如果混凝土的人模温度高、 环境温度高、 风速大、 环境相对湿度低再加上阳光照射会引 起混凝土表面水分蒸发过快 , 产生塑性收缩裂 缝, 这是外因; 在原材料已确定的前提下, 提供 最优的施工配合比, 是控制塑性收缩裂缝的内 因。具体的预防措施: ( 1 ) 在 混凝 土浇 筑 时 保 护 好 混 凝 土 浇 石门水库灌区沥水沟渡槽斜井施工技术分析 穆爱明 ( 陕西水利水电工程集团有限公司第四工程公司 陕西 渭南 7 1 4 0 0 0 ) 摘要边墩斜井施工是汉中石门水库渡槽工程的一个难点项目, 斜井开挖的质量和工期制约着后续工 程的施工。 本工程斜井采用全断面 自上而下的开挖方式, 根据地质情况, 采用钢拱架和喷锚进行 支护, 解决了施工中所遇到的问题。通过本文的介绍, 对同类地质条件下斜井开挖提供参考。 关键词 水 利水 电工 程; 斜井 ; 施工技术 中图分类号 : T V 6 7 2 + . 3 文献标识码 : B 1工 程概 况 石 门水库灌 区沥水沟渡槽工 程位于陕 西省汉 中市 境内 , 属于震后改建工 程 , 该渡 槽全长 1 6 9 . 1 3 m, 渡槽设计水流量为 3 0 m 3 / s , 渡槽为3 跨 , 标准跨度 4 3 m, 属于钢筋砼拱 肋排架结构。全渡槽共有 3 1 根桩基( 其中 斜桩 4根 ) , 直径 分别 为 1 . 2 m一2 . 7 m, 深度 为 1 4 . 2 m 3 0 r a 。 2地质条件 地表地质为第四系全新统人工填土和 砂 卵石层 , 较 为松散 , 下面 为绿 泥石云母千 枚 岩 , 强 度低 , 遇 水易 风化 , 千枚 岩构造 发 育岩体破碎 , 属软岩。设计盖梁底 4 m一 8 m 见地下水 。 3斜井开挖技术 本工程有 4 根斜井桩 , 桩径为 2 . 7 m, 桩 长 1 8 m, 斜度为 5 O . 7 3 。。斜井开挖参照隧 道开 挖的方法 ,采用全断 面 自上而下 的开 挖方式施工, 开挖遵循“ 短进尺, 快支护, 勤 量测 ” 的原则施工 , 井 口地 段采用破碎锤 开 挖 ,井 身岩质地段全断面施 工采取风钻 钻 眼, 光面爆破。 3 . 1 测量放线 开挖轮廓线采用断面支距法画出, 即 先在掌子面上测设出斜井中线,以中线为 纵轴 , 以开挖轮廓的拱顶为原点, 沿纵轴向 下每 隔 5 0 e m( 即纵 向支距 ) 向左 、 向右量 取 横向支距, 画出开挖轮廓线点 , 并在掌子面 上点 出各炮 眼位置 。 3 _2 钻孑 L 作业 利用 Y T - 2 8风枪及简易架按 画好 的点 位进行钻孔, 开口时慢慢推进 , 并特别注意 钻杆 的方向与掌子面垂直 ,如遇破碎岩 石 卡钎 时应慢 慢来 回推进 , 使之拔 出 , 周边 眼 开眼要在轮廓 上误差不大 于 5 e m。掘进 眼 均匀分 布 , 底板眼要相互平行 ( 不包括周 边 眼及掏槽眼) , 孔底要在同一平面上 , 爆出 的断面要整齐 , 便于下一循环作业。 3 .3开挖爆破设计 爆破设计主要包括炮孔布置、各孔药 量及起爆网络等。由于每次爆破设计大同 小异 。 所 以均 以固定格式 的图表提 出。 首 先应当说 明,爆破设计 应在施工实 践中不断修正和优化 , 工程中并不存在唯 一 的正确设计。 爆破 设计条 件 : 井 柱开 挖直径 3 m( 开 挖断面面积 7 m ) 循环进尺 l m, 每次爆破石 方量 7 m , 岩石为千枚岩, 岩石坚固性系数 f = 6 ~ 8 , 钻孔直径 4 O m m一 4 2 m m, 炸药选 用粉状乳化炸药卷, 每卷 1 5 0 g , 长 2 0 c m 。 3 - 3 . 1 炮孔布置 ( 1 ) 掏槽 孔 : 采 用锥 形掏槽 , 布 置 4个 孔 ,孔 口所 在 圆 圈直径 0 . 8 m,孔 底 间距 0 .3 m, 孔深 l _ 2 m。 ( 2 ) 中空 孑 L: 布 置 在 圆 心位 置 , 孑 L 深 1 . 3 m, 孑 L 径等于或大于其他炮孔。 ( 3 ) 辅 助孔 : 布置在掏槽孔 与周边孔 之 间, 孔 深 1 .0 m, 共布置 1 O个孑 L 。 测 风 装 通 } 膏 装 嚷 进 入 ----一It 枪 — — _ _ . 药 — — . _ . 风 — — _ - - 危 - -— 一lip 谴 — — _ 锚 — — _ - . 下 钻 爆 降 运 支 — — 量 孔 破 尘 循 石 输 护 环 图 1 全断面法开挖施工工艺流 程框 图 筑 面, 尽量避免或减少 风吹 日晒 , 特别 是 高温和大风天气。如果有条件 , 可用 喷 雾 法 湿 润 混 凝 土 上 方 空 气 或 设 置 遮 阴篷 , 防 止 阳光 直 射 , 也 可设 置 风 障 , 减 少 现场风速 , 来降低混凝土表面的水分 蒸发速度。 浇筑完毕后要尽早将表面加 以覆盖 , 如果面积大 , 可以分块覆盖 , 并 及 时洒 水 养 生 。 ( 2 ) 为减小混凝 土塑性 收缩 , 施 工时应 控制好水灰比, 避免过长时间的搅拌 , 降低 混凝土的入模温度, 下料不宜太快, 振捣要 密实, 竖向变截面处宜分层浇筑。 ( 3 ) 在混凝土配合 比设 计时 , 尽量 减少 使用缓凝和减水型外加剂,这样可以提高 终凝前混凝土的表面抗拉强度。混凝土凝 结时间延长 , 暴 露的时间长 , 表 面失水量就 增加 ,出现塑性裂缝 的可能性就 加大 。另 外,在混凝士中掺加适量的引气剂有助于 减少收缩裂缝 。 ( 4 ) 在有钢筋的薄层混凝土中, 对于温 度和收缩引起 的裂缝 ,增配构造 钢筋可 明 显提高混凝土的抗裂性,尤其是薄壁结构 ( 壁厚 2 0 e m~ 6 0 e ra) 。 构造上配筋宜优先采 用小直径钢筋 ( 8 —4 ) 1 4 ) 、小间距布置 l O e m~1 5 e ra,全截面构造配筋率不宜低于 0 _ 3 %, 一般 可采用 0 .3 % ~0 . 5 %。 6结 语 塑性收缩裂缝虽然自混凝土的表面发 展 , 如果 不采 取措 施 预防 , 不 仅影 响 混凝 土的外观质量 ,当裂缝产生在钢筋附近 时, 将影响混凝土结构的耐久性。本文根 据南水j B 调中线京石段应急供水工程中 遇到的此类裂缝,通过成因机理分析, 结 合实践验证,总结了一些预防处理措施 , 以期对水利工程施工同类裂缝的防治处 理提供参考。陕西水利 ( 责任编辑 : 黄 灵芝) C o G C
展开阅读全文

开通  VIP会员、SVIP会员  优惠大
下载10份以上建议开通VIP会员
下载20份以上建议开通SVIP会员


开通VIP      成为共赢上传

当前位置:首页 > 环境建筑 > 基础工程/设备基础

移动网页_全站_页脚广告1

关于我们      便捷服务       自信AI       AI导航        抽奖活动

©2010-2026 宁波自信网络信息技术有限公司  版权所有

客服电话:0574-28810668  投诉电话:18658249818

gongan.png浙公网安备33021202000488号   

icp.png浙ICP备2021020529号-1  |  浙B2-20240490  

关注我们 :微信公众号    抖音    微博    LOFTER 

客服