收藏 分销(赏)

汽车维修服务有限公司接车单(表格模板、DOC格式).doc

上传人:快乐****生活 文档编号:4087443 上传时间:2024-07-29 格式:DOC 页数:2 大小:53.54KB 下载积分:5 金币
下载 相关 举报
汽车维修服务有限公司接车单(表格模板、DOC格式).doc_第1页
第1页 / 共2页
汽车维修服务有限公司接车单(表格模板、DOC格式).doc_第2页
第2页 / 共2页
本文档共2页,全文阅读请下载到手机保存,查看更方便
资源描述
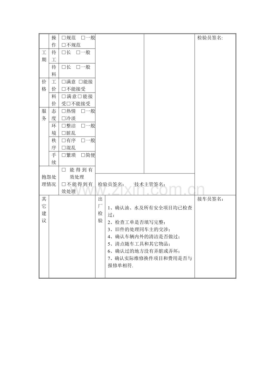
××汽车维修服务有限公司接车单 工单号: 地址: 联系电话: 传真: 投诉电话: 车主:地址:电话:传真:联系人: 车牌号:型号/年份:引擎号:车架号:公里数:燃油量: F-1/2—E 维修类别: 入厂时间:约定交车时间:修正交车时间:出厂时间:接车员:调度员: 故障陈述 换 件 项 目 数量 单位 单价 金额 维 修 项 目 工时 工价 作业 班组 开工 时间 完工 时间 客户签字: 约定联络时间: 接 车 前 的 检 查 □车匙 □备胎 □轮盖 □行驶证 □随车工具 □故障灯 说 明 班组长: 检验员: 接车员: 服务专员: 工时费用总计: 材料费用总计: 估价人: 付款方式 ╳划痕 ☉凹陷 √破损 检查人: 1。车内贵重物品由客户自行带走,否则如有遗失,本厂恕不负责; 2.车主同意上述维修项目并授权本厂对无法修复零件予以更换; 3。客户自带配件与客户要求更换副厂件的,本厂恕不负责质量保修. 转帐支票□ 现金□ 其它□ 请留下您宝贵的意见! 以便我们为您提供更好的服务 尊敬的车主阁下: 我中心已遵照您的尊意,将您的座驾□修理□保养□检验完毕,经检查发现您的座驾还有以下问题,敬请您早作处理,以确保您旅途愉快! 完工检验 质 量 技术 □好 □一般 □差 检验结果: 处理意见: 备注: 班组签名: 检验员签名: 设备 □先进 □落后 检查结果: 处理意见: 操作 □规范 □一般 □不规范 工 期 待工 □长 □一般 待料 □长 □一般 价 格 工价 □满意 □能接 □不能接受 料价 □满意□能接受□不能接受 服 务 态度 □热情 □一般 □冷淡 环境 □整洁 □一般 □脏乱 秩序 □有序 □一般 □混乱 手续 □繁琐 □简便 抱怨处理情况 □ 能得到有效处理 □不能得到有效处理 检验员签名: 技术主管签名: 其 它 建 议 出 厂 检 验 1、确认油、水及所有安全项目均已检查过; 2、检查工单是否填写完整; 3、旧件的处理同车主的交涉; 4、确认车辆内外的清洁是否做过; 5、清点随车工具和其它物品; 6、确认过的地方没有弄脏或弄坏; 7、确认实际维修换件项目和费用是否与报修单相符. 接车员签名:
展开阅读全文

开通  VIP会员、SVIP会员  优惠大
下载10份以上建议开通VIP会员
下载20份以上建议开通SVIP会员


开通VIP      成为共赢上传

当前位置:首页 > 行业资料 > 机械/制造/汽车

移动网页_全站_页脚广告1

关于我们      便捷服务       自信AI       AI导航        抽奖活动

©2010-2026 宁波自信网络信息技术有限公司  版权所有

客服电话:0574-28810668  投诉电话:18658249818

gongan.png浙公网安备33021202000488号   

icp.png浙ICP备2021020529号-1  |  浙B2-20240490  

关注我们 :微信公众号    抖音    微博    LOFTER 

客服