收藏 分销(赏)

人工挖孔桩验收表格.doc

上传人:丰**** 文档编号:3901611 上传时间:2024-07-23 格式:DOC 页数:11 大小:232.54KB 下载积分:8 金币
下载 相关 举报
人工挖孔桩验收表格.doc_第1页
第1页 / 共11页
人工挖孔桩验收表格.doc_第2页
第2页 / 共11页


点击查看更多>>
资源描述
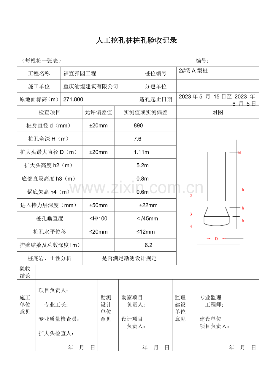
人工挖孔桩桩孔验收记录 (每根桩一张表) 编号: 工程名称 福宣雅园工程 桩位编号 2#楼A型桩 施工单位 重庆渝煌建筑有限公司 分包单位 原地面标高(m) 271.800 造孔起止日期 2023年5 月 15日至 2023 年6 月 5日 检查项目 允许偏差值 实测值或实测偏差 附图 桩身直径d(mm) ±20mm 890 桩孔全深H(m) 7.6 扩大头最大直径D(m) ±20mm 1.11m 扩大头高度h2(m) 5.2m 底部直段高度h3(m) 0.8m 锅底矢高h4(m) 0.6m 进入持力层深度(mm) ±50mm ±22mm 桩孔垂直度 <H/100 < /45mm 桩孔水平位移 ≤20mm ≤12mm 护壁结数及总数深度(m) 6.2 桩底岩、土性分析 是否满足勘测设计规定 验收 结论 施工 单位 意见 项目负责人: 专业工长: 专业质量检查员: 扩大头检查人: 年 月 日 勘测 设计 单位 意见 勘察项目 负责人: 设计项目 负责人: 年 月 日 监理 建设 单位 意见 专业监理 工程师: 建设单位 项目负责人: 年 月 日 人工挖孔桩验收记录 表 编号: 工程名称 福宣雅园工程 日期 轴线 部分 桩号 桩径(cm) 护壁情况(cm) 有效长度(cm) 扩高(cm) 扩径(cm) 矢高(cm) 积水(cm) 验收 记录 2-4/2-E 105 10 820 620 1220 50 2-6/2-E 910 10 760 520 1110 70 1-2/1-C 910 10 260 180 1119 100 1-2/1-E 905 10 480 300 1112 80 1-3/1-E 920 1 520 410 1119 85 存在问题及解决结果 验收结论 参与 单位 签字 盖章 建设单位: 设计单位: 监理单位: 施工单位: 勘察单位: 人工挖孔桩验槽检查记录 工程名称 福宣雅园工程 平 面 位 置 示 意 基础名称 挖孔桩 桩位编号 2#楼2-6/2-E 施工单位 重庆渝煌建筑有限公司 检查内容记录 检查项目 设计或验收规定 实际检查情况 桩身各层地质构造示意 桩身孔径d(mm) 900 10 桩底扩孔D(mm) 200 210 桩底持力层规定 ±50mm ±22mm 桩端进入持力层深度(mm) 1700 1600 地下水位情况(m) 0.5-1 1 桩位允差(mm) ≤50mm ≤22mm 桩孔垂直度 <0.5% <0.1% 桩顶标高(m) 271.800 275.600 桩底标高(m) 检查情况及检查结论 参与验槽单位 建设、监理单位代表: 年 月 日 设计单位代表: 年 月 日 地质勘察单位代表: 年 月 日 施工单位代表: 年 月 日 人工挖孔桩钢筋隐蔽检查记录 工程名称 基础名称 施工单位 桩位编号 检查内容 检查项目 设计规定 实际情况 桩筋布置示意 桩身直径(mm) 桩长(m) 桩 主 钢 筋 级别规格 钢筋总长度 进一步承台长度 钢筋数量 保护层厚度 桩 箍 筋 级别规格 箍筋长度 箍筋形式 箍筋间距(mm) 焊 接 加 劲 箍 级别规格 箍筋形式 箍筋间距(mm) 搭接焊长度(mm) 护 壁 钢 筋 护壁材质及厚度 级别规格 水平筋间距(mm) 竖向筋间距(mm) 检查情况及结论 建设单位代表: 年 月 日 监理单位代表: 年 月 日 设计单位代表: 年 月 日 施工单位代表: 年 月 日 人工挖孔桩中线检查记录 工程名称 福宣雅园工程 桩号 2#楼型桩 桩位 mm 孔口标高 275.600 设计桩顶标高 271.800 检查日期 2023年6 月 5日 W E S N 施工单位代表 监理单位代表 桩基施工记录(砼浇筑) 工程名称 福宣雅园工程 基础名称 2#楼 施工单位 重庆渝煌建筑有限公司 桩位编号 A型桩 施工记录 桩径(D) 890mm 桩孔全深(H) 7.6 扩底最大直径 1110mm 孔壁材质及厚度 100mm 桩孔验槽结论 桩钢筋隐蔽检查结论 桩芯设计强度等级 设计其它规定 砼设计 配合比 水泥 细骨料 粗骨料 水 外加剂 1 施工配合比 砼原料材料 情况 水泥品种及强度等级: 复验结果: 细骨料产地及品种: 复验结果: 粗骨料产地及品种: 复验结果: 外加剂产地及品种: 有效期: 水质情况: 初次使用配合比开盘鉴定结果 浇筑时间 塌落度 气候 情况 天气 搅拌方式 运送方式 气温 浇筑厚度 防止离析措施 施工单位代表: 年 月 日 监理单位代表: 年 月 日 建设单位代表: 年 月 日 桩基施工记录(挖孔) 工程名称 基础名称 施工单位 桩基编号 施工记录 设计桩径 孔中位移检查值 扩底最大直径 孔壁材质及厚度 日期 挖孔深度(m) 累计挖孔深度(m) 护壁深度(m) 累计护壁深度(m) 土层情况 备注 桩孔验槽时间: 桩孔验槽深度: 施工单位代表: 检查人: 监理单位代表: 人工桩桩底土质验槽照片 桩号: 拍片人: 贴照片处 混凝土灌注桩(钢筋笼)工程检查批质量验收登记表 GB50202-2023 (Ⅰ) 01□□ 01□□ 单位(子单位)工程名称 分部(子分部)工程名称 验收部位 施工单位 项目经理 分包单位 分包项目经理 施工执行标准名称及编号 施工质量验收规范的规定 施工单位检查 评估记录 监理(建设)单位 验收记录 主控 项目 1 主筋间距(mm) ±10 2 长度(mm) ±100 一般 项目 1 钢筋材质检查 设计规定 2 箍筋间距(mm) ±20 3 直径(mm) ±10 施工单位检查评估结果 专业工长(施工员) 施工班组长 项目专业质量检查员: 年 月 日 监理(建设)单位验收结论 专业监理工程师: (建设单位项目专业技术负责人): 年 月 日 混凝土灌注桩工程验收批质量记录验收登记表 GB50202-2023 (Ⅱ) 01□□ 单位(子单位)工程名称 分部(子分部)工程名称 验收部位 施工单位 项目经理 分包单位 分包项目经理 施工执行标准名称及编号 施工质量验收规范的规定 施工单位检查 评估记录 监理(建设)单位 验收记录 主控 项目 1 桩位 第5.1.4条 2 孔深(mm) ﹢300 3 桩体质量检查 设计规定 4 混凝土强度 设计规定 5 承载力 设计规定 一般 项目 1 垂直度 第5.1.4条 2 桩径 第5.1.4条 3 泥浆比重(粘土和砂性土中) 1.15~1.20 4 泥浆面标高(高于地下水位)(m) 0.5~1.0 5 沉渣厚度: 端承桩(mm) ≤50 摩擦桩(mm) ≤150 6 混凝土坍落度 水下灌注(mm) 160~220 干施工(mm) 70~100 7 钢筋笼安装深度(mm) ±100 8 混凝土充盈系数 >1 9 桩顶标高(mm) ﹢30,﹣50 施工单位检查评估结果 专业工长(施工员) 施工班组长 项目专业质量检查员: 年 月 日 监理(建设)单位验收结论 专业监理工程师: (建设单位项目专业技术负责人): 年 月 日
展开阅读全文

开通  VIP会员、SVIP会员  优惠大
下载10份以上建议开通VIP会员
下载20份以上建议开通SVIP会员


开通VIP      成为共赢上传

当前位置:首页 > 包罗万象 > 大杂烩

移动网页_全站_页脚广告1

关于我们      便捷服务       自信AI       AI导航        抽奖活动

©2010-2026 宁波自信网络信息技术有限公司  版权所有

客服电话:0574-28810668  投诉电话:18658249818

gongan.png浙公网安备33021202000488号   

icp.png浙ICP备2021020529号-1  |  浙B2-20240490  

关注我们 :微信公众号    抖音    微博    LOFTER 

客服