收藏 分销(赏)

质量管理体系要素要求岗位职能分配表.doc

上传人:丰**** 文档编号:3855820 上传时间:2024-07-22 格式:DOC 页数:5 大小:50.04KB 下载积分:6 金币
下载 相关 举报
质量管理体系要素要求岗位职能分配表.doc_第1页
第1页 / 共5页
质量管理体系要素要求岗位职能分配表.doc_第2页
第2页 / 共5页


点击查看更多>>
资源描述
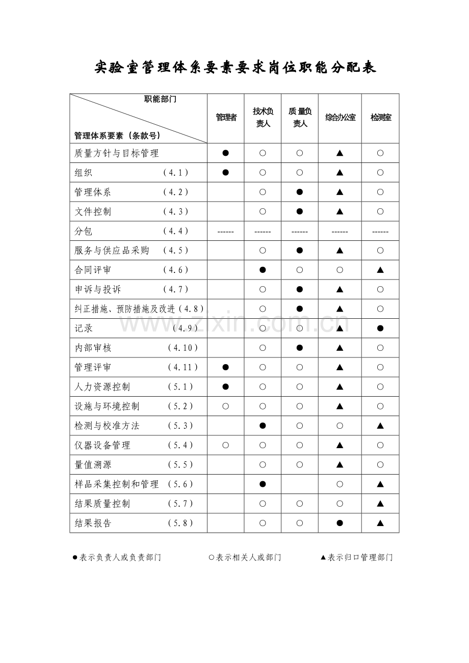
实验室管理体系要素要求岗位职能分配表 职能部门 管理体系要素(条款号) 管理者 技术负 责人 质 量负责人 综合办公室 检测室 质量方针与目标管理 ● ○ ○ ▲ ○ 组织 (4.1) ● ○ ○ ▲ ○ 管理体系 (4.2) ○ ● ▲ ○ 文件控制 (4.3) ○ ● ▲ ○ 分包 (4.4) ------ ------ ------ ------ ------ 服务与供应品采购 (4.5) ○ ● ▲ ○ 合同评审 (4.6) ● ○ ○ ▲ 申诉与投诉 (4.7) ○ ● ▲ ○ 纠正措施、预防措施及改进(4.8) ○ ● ▲ ○ 记录 (4.9) ○ ○ ▲ ● 内部审核 (4.10) ○ ● ▲ ○ 管理评审 (4.11) ● ○ ○ ▲ ○ 人力资源控制 (5.1) ● ○ ○ ▲ ○ 设施与环境控制 (5.2) ○ ○ ○ ▲ ○ 检测与校准方法 (5.3) ● ○ ○ ▲ 仪器设备管理 (5.4) ○ ○ ○ ▲ ○ 量值溯源 (5.5) ○ ○ ▲ ○ 样品采集控制和管理 (5.6) ● ○ ▲ 结果质量控制 (5.7) ○ ○ ○ ▲ 结果报告 (5.8) ○ ○ ● ▲ ●表示负责人或负责部门 ○表示相关人或部门 ▲表示归口管理部门 十六、结果质量控制程序 15.1目的 为保证检测、检测工作的正常实施,实现对检测过程的有效控制并对测试结果进行验证和对检测水平进行测试的内容和要求,确保测试结果准确、可靠符合有关规程、规范、技术要求和本公司的质量方针,质量目标,特制定本程序。 15.2 范围 本程序适用于公司所有检测、检测项目及技术验证活动的全过程。 15.3 职责 (1)技术负责人 负责组织对检测、检测过程和结果进行验证审核。 负责检测车间验证工作的组织实施。 负责对车辆检测项目的检测工作进行计划和实施,组织测试人员对测试结果进行验证,并对测试人员的测试水平进行定期考核。 (2)质量负责人 组织内部审核和监督检查,负责质量监督网成员对检测、检验过程和结果实施监督。 15.4 程序 15.4.1 业务室受理检测、检验委托任务 15.4.1.1业务室人员应熟悉本公司的检测项目和检测能力,与客户保持良好的沟通,及时了解客户的要求。 15.4.1.2开展检测、检验和工作必须具备下列条件: (1) 具有有效的检测和检测资质; (2) 具备有效的检测和检验规程、规范和标准 (3) 检测、检验和仪器设备具有有效的检定或校准证书; (4) 检测、检验人员必须取得所从事的项目的上岗证; (5) 具有检测、检验仪器设备正常工作所需的环境条件和工作场所。 15.4.1.3 业务室根据检测、检测任务的性质及本公司的能力,与客户协商签署检测和检测委托合同。 15.4.2检测和检验人员应按委托合同的要求选择检测和检验规程、规范和作业指导书。 15.4.3检测、检测的实施 (1)检测的实施过程执行国家相关标准及公司制定的《作业指导书》。 (2)检测的实施业务室将车辆移交检测车间(外观检测员或引车员),双方应做好车辆、附件及技术资料的交接。 (3)技术部人员准备好仪器设备、标准物质,保证其处于受控状态。 (4)检测人员根据检测要求,按有关检测方法标准进行试验。 (5)对于异常情况和现象的处理, 报技术负责人处理。 15.4.4 数据处理 (1)检测、检验人员应认真观测并采集检测、检验数据,如实记录。 (2)原始记录的填写、修改、保存和销毁应严格执行《记录控制程序》。 (3)检测、检测数据的计算和处理应按检测标准和《数据保护的程序》进行。 (4)审核人应根据检测规程、标准的要求,对数据处理过程及处理结果逐项进行校核,保证数据处理及检测结果无误后方可签字。 15.4.5报告的编制 (1)技术负责人应对检测、检验结果的实施验证审核,以确保报告的正确性和有效性。 (2)质量负责人负责组织对检测报告进行监督检查。 15.4.6结果质量的控制 (1)档案管理员负责整理备份纸质检测报告单并归档保存和电子备份的编制存档。 (2)档案管理员负责对影象监控录制的硬盘备份并存案。 15.4.7申诉和投诉的处理 质量部负责受理客户投诉及申诉,执行《处理客户申诉和投诉的程序》。 15.4.8监督 (1)质量负责人组织质量监督对检测、检验过程和结果进行定期或不定期检查和抽查。 (2)本公司组织内部审核时,把检测、检验过程和结果作为审核重点之一。 15.5车辆测试的考核验证 (1)已知车辆的考核验证:由技术负责人将已验过的留样,送交原测试人员按原测试方法重新测试,或由某一测试人员按规定方法测试。 (2)未知车辆的考核验证:由技术负责人送交测试人员测试。 以上考核验证应做好记录。 15.6 水平测试与比对实验 (1)检测车间每年至少组织一次比对实验。 (2)对承担同一测试项目的几个测试人员应不定期地对同一车辆进行同项目的测试对比。 (3)检测车间的比对试验由技术部组织记录,交综合办公室归档,并将有关情况及时报技术负责人。 (4)适当时,使用统计技术对结果进行评审,以便发现发展趋势 15.7 质量记录: 《检测结果监督记录》 设备无偿转赠协议 现有位于太原市小店区永康南路30号的综合机动车检测线设备,产权属太原市小店区诚志机动车检测站所有,太原市小店区诚志机动车检测站自愿将综合机动车检测线设备无偿转赠给太原市诚绍机动车检测有限公司作为 机动车综合检测 营业场所,使用期限为终身。 太原市小店区诚志机动车检测站盖章: 太原市诚绍机动车检测有限公司盖章: 年 月 日
展开阅读全文

开通  VIP会员、SVIP会员  优惠大
下载10份以上建议开通VIP会员
下载20份以上建议开通SVIP会员


开通VIP      成为共赢上传

当前位置:首页 > 包罗万象 > 大杂烩

移动网页_全站_页脚广告1

关于我们      便捷服务       自信AI       AI导航        抽奖活动

©2010-2026 宁波自信网络信息技术有限公司  版权所有

客服电话:0574-28810668  投诉电话:18658249818

gongan.png浙公网安备33021202000488号   

icp.png浙ICP备2021020529号-1  |  浙B2-20240490  

关注我们 :微信公众号    抖音    微博    LOFTER 

客服