收藏 分销(赏)

常见建筑工程质量通病列表图讲课稿.doc

上传人:a199****6536 文档编号:3793415 上传时间:2024-07-18 格式:DOC 页数:16 大小:3.79MB 下载积分:8 金币
下载 相关 举报
常见建筑工程质量通病列表图讲课稿.doc_第1页
第1页 / 共16页
常见建筑工程质量通病列表图讲课稿.doc_第2页
第2页 / 共16页


点击查看更多>>
资源描述
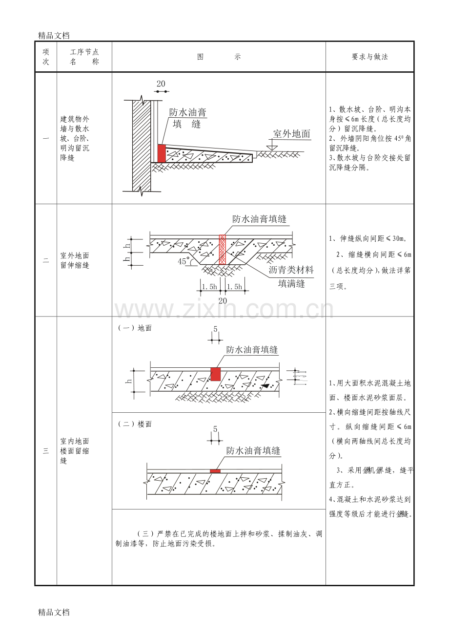
精品文档 项 次 工序节点 名 称 图 示 要求与做法 一 建筑物外 墙与散水 坡、台阶、 明沟留沉 降缝 1、散水坡、台阶、明沟本身按≤6m长度(总长度均分)留沉降缝。 2、外墙阴阳角位按450角留沉降缝。 3、散水坡与台阶交接处留沉降缝分隔。 二 室外地面 留伸缩缝 1、伸缝纵向间距≤30m。 2、缩缝横向间距≤6m(总长度均分),做法详第三项。 三 室内地面 楼面留缩 缝 (一)地面 1、用大面积水泥混凝土地面、楼面水泥砂浆面层。 2、横向缩缝间距按轴线尺寸。纵向缩缝间距≤6m(横向两轴线间总长度均分)。 3、采用金界 机金界 缝,缝平直方正。 4、混凝土和水泥砂浆达到强度等级后才能进行金界 缝。 (二)楼面 (三)严禁在已完成的楼地面上拌和砂浆、揉制油灰、调制油漆等,防止地面污染受损。 项 次 工序节点 名 称 图 示 要求与做法 四 变形沉降 缝 (一)楼面 B—设计缝宽; H—设计面层厚度; D—找平层厚度; 1、一面层按设计。 2、—5厚钢板。 3、 形不锈 钢或铝合金封口板。 4、—24#镀锌 形铁皮。 5、一塑料胀锚木 牙螺丝@500 C/C固定 形 镀锌铁皮。 6、一塑料胀锚不 锈钢螺丝@500 C/C固定 形 封口板。 7、一沥青胶泥填 嵌。 8、一硅铜胶封缝。 (二)墙面 (三)天面 G1.2.3-设计结构宽度 项 次 工序节点 名 称 图 示 要求与做法 八 屋面保护 层留伸缩 缝。 ①柔性防水屋面; 宜采用绿豆砂或块料作保护层。 块料按④点要求分块。 ②水泥砂浆; 缝宽10mm,防水油膏填缝。 按1m2面积分块,纵向长度≤6m (按总长均分) ③细石混凝土; 缝宽20mm,防水油膏填缝。 按1m2面积分 块,纵向长度≤6m (按总长均分) ④块状材料: 缝宽20mm,防水油膏填缝。 1、架空按≤100m2面积分块。 2、座砌按≤36m2面积分块。 ⑤珍珠岩或轻质陶粒保温层; 1、按6×6m设置纵横排气孔管。 2、按36 m2设置一个排气孔。 3、屋面宽度≥10m设置通风屋脊。 九 厨、浴厕、 阳台、外走道等地 面低于居室地面 ①厨、浴厕间、阳台、外走道地面低于 居室地面相对标高15mm。 ②厨、浴厕、阳台、外走道等处的地漏 低于相对地面标高10mm。 十 腰线、挑 檐、雨蓬 做滴水线 项 次 工序节点 名 称 图 示 要求与做法 十 一 窗楣做鹰 咀,外窗 台低于内 窗台,外 窗台做向 外排水坡 1、窗楣及窗台块料贴面,其外角采用夹角镶贴。 2、窗楣突出线时按第十项施工。窗台突出线时,按第五项施工。 3、铝合金窗外周边留宽5mm深8mm槽,防水胶密封。 4、安装用螺丝应用铜或不锈钢螺丝。 5、钢窗内外窗台 高差>10mm。 铝合金窗下框必须有泄水结构, 如无时; ①推拉窗:导轨在靠两边框位处铣 8mm宽口泄水。 ②平开窗:在框靠中梃位置每个扇 洞铣一个宽8mm口泄水。 项 次 工序节点 名 称 图 示 要求与做法 十 二 墙面、地 面镶贴块 料面 ①不允许有小于1/4的块料。 ②条形饰面砖不得小于1/2砖。 ③独立柱用条形饰面砖时,宽度方向必须用整砖。 ④地面铺400×400以下块料必须通缝。400×400以上块料可用分色块料分隔。 ⑤天面、地面块料铺贴缝宽≥2mm以防膨胀起鼓变形。 ⑥露台铺贴块料时,地面四周留缝20mm宽,防水油膏填缝。 1、镶贴前进行模数计算和预排、使排砖和拼缝均匀。 2、非整砖行排在阴角处或次要部位。 3、阴阳角方正顺直,不得出现鼠尾现象。 4、采取措施消除空鼓和裂纹。 十 三 楼梯步级 ①级面平整、宽度均匀一致,防滑条采用石米、铁砂时应高出级面5mm;采用铜条时应高出2mm,并顺直、牢固。 ②相邻两级差不得超过10mm。 十 四 木门窗安装 ①按规范要求做好锚固。 ②铰链要用开槽机双面开槽,槽深浅度一致。 ③门窗安装的留缝宽度: (1)门窗扇与框间立缝的留缝宽度为1.5-2.5mm。 (2)框与扇间上缝的留缝宽度为1.0-1.5mm。 (3)门扇与地面间缝: a)外门留缝宽度为4-5mm。 b)内门留缝宽度为6-8mm。 c)卫生间门留缝宽度为10-12mm。 1、门窗上下冒头必须刨光,刷 油漆。 2、油漆不得污染小五金。 项 次 工序节点 名 称 图 示 要求与做法 十 五 天面地漏 斜水坡度 及防渗 十 六 管道穿越 楼板、屋 面的套管 埋设 套管的选用、加 工大样及埋设工艺 要求详见有关标准 图集。 十 七 镀锌水管 的连接 ①生活给水管及DN≤100mm的非生活给水管 (如消防、空调等)不得焊接。 ②DN>100mm的非生活给水管,在特别情况下, 可允许采用焊接,但不得减少通水截面,并 须作防锈处理。 项 次 工序节点 名 称 图 示 要求与做法 十 八 立管(包 括生活和 消 防 给 水、排水、 空调水系 统及输送 其它介质 的各种立 管)要离 墙敷设 1、管卡设置要符合规范要求,且工艺合理。 2、管背墙面平直,装饰(粉刷)到位,不得补油漆污染。 3、PVC管的金属管卡与管外表面之间应垫软垫片。 十 九 管道(包 括生活和 消防给 水、排水、 空调水等 管道)在 屋面、楼 地面上的 敷设 1、严禁无支托架(墩)沿地面敷设,应采用膨胀螺栓固定型钢支(托)架的敷设方式。在支架安装损坏结构及防水层处,必须做好防水处理。 2、管道经过建筑物的伸缩缝或沉降缝处,应装设合适的补偿装置(如伸缩节、伸缩弯管等)。 项 次 工序节点 名 称 要 求 与 做 法 二 十 防雷与接 地装置的 安装 ①外露的避雷针(带)及引下线等防雷装置,当选用碳素型钢时,须作热镀锌处理。镀锌层被破坏时须补涂防锈底漆后再涂面漆。 ②当用圆钢作避雷针(带)及引下线时: (1)连接应采用双面搭接连续焊,焊缝长度不小于直径的6倍,焊缝外观应良好。 (2)转角处的弯曲半径应正确,一般R≥60mm。 (3)外露的避雷带应采用热镀锌的专门夹式支持码支持,避免支持件与避雷带焊接(如图示)。 (4)避雷针(带)及引下线等应横平竖直,牢固可靠;无倾斜,弯曲和高低起伏。 ③用钢管作防雷接地装置(含针、带等)时,管壁厚不应小于2.5mm。管对接焊时,管内应设置合适的衬管。补管外径应与被连接钢管内径相吻合,衬管长度不应小于其外径的4倍。 ④从接地体引上的保安接地和防雷接地干线(利用建筑物钢筋除外),应在距首层地面1.5-1.8m处设置断接卡,断接卡处应有明显的接地标志及可靠的保护措施(如带有门锁的保护箱等)。利用建筑物钢筋引上的,也应在距首层地面1.5-1.8m处引出易于操作维护的永久性测试点。测试点应有明显示的接地标志及可靠的防损防腐措施。 项 次 工序节点 名 称 要 求 与 做 法 二 十 一 电 气 线 路、电气 照明器具 和箱、盘、 柜安装 ①插座、螺口灯头的接线须正确,严禁调错及漏接。 ②同一房间内高位和低位开关、插座的安装标高应一 致,允差5mm;并列安装的开关、插座应平齐,允 差0.5mm。 ③对地面的安装标高低于2.4m的金属外壳灯具和其 它电器,其金属外壳须可靠接地保护。 ④顶棚的灯具和器具应专门设置独立的固定吊点。 ⑤顶棚内的灯具外壳应设有管孔或带管孔的接线盒,灯 具的金属外壳和金属线盒应设接地端子。 ⑥箱、盘、柜上装有电器的可开启门或面板应用合适 截面的裸铜软线与箱、盘、柜体作跨接。 ⑦同一建筑物内的各相线应分别为同一种颜色(如黄、 绿、红色),地线必须为黄绿双色,零线宜为淡蓝色。 ⑧干线和支路的空气、漏电开关配选应正确合理,产 品质量可靠。 项 次 工序节点 3、竞争对手分析名 称 图1-1大学生月生活费分布要 求 与 做 法 据介绍,经常光顾“碧芝”的都是些希望得到世界上“独一无二”饰品的年轻人,他们在琳琅满目的货架上挑选,然后亲手串连,他们就是偏爱这种DIY的方式,完全自助。二 创业首先要有“风险意识”,要能承受住风险和失败。还要有责任感,要对公司、员工、投资者负责。务实精神也必不可少,必须踏实做事;十 5、你认为一件DIY手工艺制品在什么价位可以接受?二 随着社会经济、文化的飞跃发展,人们正从温饱型步入小康型,崇尚人性和时尚,不断塑造个性和魅力的现代文化价值观念,已成为人们的追求目标。因此,顺应时代的饰品文化显示出强大的发展势头和越来越广的市场,从事饰品销售是有着广阔的市场空间。镀锌线管 服饰□ 学习用品□ 食品□ 休闲娱乐□ 小饰品□敷设 ①线管与线槽(盒)、箱、盘、柜等连接时,严禁用熔焊方式开孔,且应采用内外迫母锁紧固定,管端螺纹外露2-3扣(<5mm)。管口应有护线塑料套咀。 (2)东西全②在安装壁灯、吸顶灯、吊灯等电器的部位应设接线盒。 ③跨接地线应采用专门的接地线卡并正确选用跨接导线,且连接牢固可靠;不应采用熔焊跨接。 ④在露天和潮湿场所明装时,不得用薄壁线管。其配套的盒、箱应齐全可靠。铁盒、箱及有关配件用热镀锌件。 ⑤明配(含吊顶内)的线管应排列整齐美观。支(吊架、卡码设置合理,固定点间距均匀;其中管卡与终端、弯头中点、电器器具或盒(箱、盘、柜)边缘的距离均宜为150-500mm。 (2) 文化优势二 十 为此,装潢美观,亮丽,富有个性化的店面环境,能引起消费者的注意,从而刺激顾客的消费欲望。这些问题在今后经营中我们将慎重考虑的。三 风管安装 ①风管的连接应严密,无脆裂,缝隙应填密封胶。 ②保温棉应与风管外表面紧贴严密,胶钉应牢固且间距合理。 ③风管系统应按规范装设防火阀。 ④支架应按规范设置。 项 次 工序节点 名 称 要 求 与 做 法 二 十 四 空调水系 统与风机 盘管安装 ①冷凝水管道坡向合理,无渗漏,运行前应作排水试验。 ②冷冻供回水管严禁渗漏,且保温严密、到位。 ③三速开关接线正确,各档风速应有明显区别。 二 十 五 电梯安装 ①电梯机房设备安装: (1)曳引机承重梁的非支承部位应明显离开楼地面,严禁在梁底填塞建材。 (2)控制柜正面和维修侧面距墙面均不小于600mm,且距机械设备不小于 500mm。 (3)钢丝绳与楼板孔边间隙均应为20-40mm,楼板通向井道的孔四周应有不低于50mm高的防水台阶。 (4)电线管(槽)的敷设也应符合建筑电气装置的有关施工规范。 ②电梯轿厢层站、部件的安装: (1)指示信号清晰、准确,光电数码管无缺画;面板平正、无缺损,且不应嵌入墙面。 (2)层门地坎高于装修完成地面2-5mm。 (3)防止门夹人的安装保护装置(安全触板或光电装置)灵敏可靠。 安全触板动作的碰撞力应不大于5N。 项 次 工序节点 名 称 要 求 与 做 法 二 十 六 检查井、 沉砂井、 井环、盖 与道路路 面接顺。 1、井盖高度与路面高程一致。 2、井砌完后,应及时装上预制井环。安装前应校核井环面标高与路面标高是否一致。无误后才许坐浆垫稳。 3、井底应平顺,不得有建筑杂物,管底与井底位置要准确。 4、一定要保证井的收口砖数,用M10水泥砂浆砌双偶砖,内壁1:2水泥砂浆批档15厚,且井环的灰缝要平整饱满。 5、井框、井盖必须完整无损,安装平稳,位置正确。 项 次 工序节点 名 称 图 示 要求与做法 五 女儿墙压 顶、阳台 栏板压顶 面做向内 排水坡, 下面做鹰嘴或滴水 线 块料面层交接位做法设计无明确要求时,按图示施工。 六 屋面防水 层与女儿 墙交接阴 角位做圆 弧 1、防水层往女儿墙身做高≥250mm。 2、离女儿墙面 200mm留全长伸缩缝。 七 架空隔热 层、刚性 保护层离 开女儿墙 间距 1、架空隔热层尚要按第八项④点要求留伸缩缝。 2、刚性保护层尚要按第八项③点要求留伸缩缝。 项 次 工序节点 名 称 要 求 与 做 法 三十 桥梁、立 交 (一)构筑物各部分: ①混凝土桥梁构筑物各部位不得有蜂窝、露筋等现象,表面保持 清水砼,不得抹水泥浆及砂浆; ②桥面砼铺装层拉毛压纹应纹深一致、耐磨; ③伸缩缝必须全部贯通,不得堵塞或变形; ④支座接触面必须严密,不得有空隙; ⑤梁、板、柱的砼表面平整度允许偏差为5mm/2m。 (二)防撞栏: ①防撞栏砼应坚实、平整,无裂缝、蜂窝、麻面、烂脚; ②防撞栏线条应直顺,不得歪斜、扭曲,其伸缩缝必须贯通。防撞栏压顶允许偏差为5mm/10m。 (三)桥台后填土: ①水平分层填筑、分层夯实; ②按规范,合理选择松铺厚度压实机具和压实方法; ③严格控制回填材料的质量,(含水量、粒径等); ④逐层检测纵横断面标高、坡度、平整度和压实度。 项 次 工序节点 名 称 要 求 与 做 法 二 十 七 侧入式进 水井集水 口、进水 口标准尺 寸控制 1、侧入式进入井应按设计图尺寸建造,正常情况下,集水口长度应达到2920mm,进水口长度为640mm。 2、进水口入井处应保证入口宽度达到300mm。 3、竖隔栅前进水位置应比两侧平石面低30mm。 项 次 工序节点 名 称 要 求 与 做 法 二 十 八 水泥混凝 土路面 ①板面、边角应整齐,不得有大于0.3mm的裂缝,不 得有露石、浮浆、脱皮、印痕、积水等现象。 ②路面附属构筑物,应事先按设计标高予以升降,使能与铺筑的路面连接平顺,对扰动过的部分路基及构筑物周围,要认真检修夯实,加固处理妥善。 ③伸缩缝必须垂直道路中线,缝隙宽度必须一致。伸缝两边相邻的混凝土板必须完全断开,两边板面应保持齐平顺直,缩缝的施工应采用切缝法。缝隙填塞前必须将缝内的砂泥、垃圾清除干净,并应在缝壁粘附紧密,灌缝饱满不渗水,且不突出路面,缝缘应清洁。 ④砼路面板平整度允许偏差为5mm/3m,相邻板高差为3mm,纵横缝直顺度允许偏差为10mm/20m,井框与路面高差为3mm。 ⑤道路附属构筑物及人行道: (1)侧石、缘石必须稳固,应线直、弯顺,无折角,顶面应平整无错牙,侧石勾缝严密饱满,不得阻水。侧石直顺度允许偏差10mm/100mm,相邻块高差3mm/20m,缝宽±3mm/20m。 (2)预制块人行道铺砌必须平整稳定,灌缝应饱满,不得有翘动现象,不得有积水现象。 二 十 九 沥青混凝 土路面 ①表面应平整、坚实, 不得有脱落、掉渣、裂缝、推挤、烂边、粗细料集中等现象。 ②接搓应紧密、平顺,烫缝不应枯焦。 ③见水泥混凝土路面②。 ④面层与路面缘石及雨水进水口,排水井、水制井及通讯线路等外缘壁面应接顺,不得有积水现象。 ⑤沥青砼路面平整度允许偏差5mm/3m,井框与路面的高差5mm。 ⑥道路附属构筑物及人行道,见水泥混凝土路面⑤。 精品文档
展开阅读全文

开通  VIP会员、SVIP会员  优惠大
下载10份以上建议开通VIP会员
下载20份以上建议开通SVIP会员


开通VIP      成为共赢上传

当前位置:首页 > 教育专区 > 其他

移动网页_全站_页脚广告1

关于我们      便捷服务       自信AI       AI导航        抽奖活动

©2010-2026 宁波自信网络信息技术有限公司  版权所有

客服电话:0574-28810668  投诉电话:18658249818

gongan.png浙公网安备33021202000488号   

icp.png浙ICP备2021020529号-1  |  浙B2-20240490  

关注我们 :微信公众号    抖音    微博    LOFTER 

客服