收藏 分销(赏)

农业园区兴隆坳模板扣件钢管高支撑架施工方案概要.doc

上传人:丰**** 文档编号:3679617 上传时间:2024-07-13 格式:DOC 页数:21 大小:514KB 下载积分:10 金币
下载 相关 举报
农业园区兴隆坳模板扣件钢管高支撑架施工方案概要.doc_第1页
第1页 / 共21页
农业园区兴隆坳模板扣件钢管高支撑架施工方案概要.doc_第2页
第2页 / 共21页


点击查看更多>>
资源描述
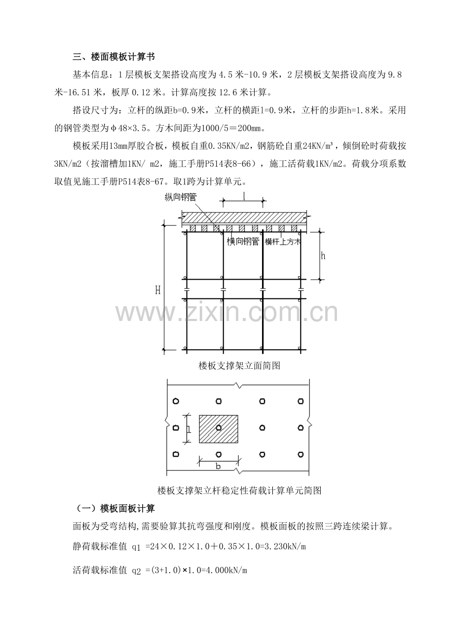
目 录 一、工程概况 2 二、计算依据 2 三、楼面模板计算书 2 四、梁模板计算书 7 五、模板支撑体系搭设 17 六、主要项目施工技术措施 18 七、技术质量保证措施 20 八、安全生产保证措施 21 三、楼面模板计算书 基本信息:1层模板支架搭设高度为4.5米-10.9米,2层模板支架搭设高度为9.8米-16.51米,板厚0.12米。计算高度按12.6米计算。 搭设尺寸为:立杆的纵距b=0.9米,立杆的横距l=0.9米,立杆的步距h=1.8米。采用的钢管类型为φ48×3.5。方木间距为1000/5=200mm。 模板采用13mm厚胶合板,模板自重0.35KN/m2,钢筋砼自重24KN/m³,倾倒砼时荷载按3KN/m2(按溜槽加1KN/ m2,施工手册P514表8-66),施工活荷载1KN/m2。荷载分项系数取值见施工手册P514表8-67。取1跨为计算单元。 楼板支撑架立面简图 楼板支撑架立杆稳定性荷载计算单元简图 (一)模板面板计算 面板为受弯结构,需要验算其抗弯强度和刚度。模板面板的按照三跨连续梁计算。 静荷载标准值 q1 =24×0.12×1.0+0.35×1.0=3.230kN/m 活荷载标准值 q2 =(3+1.0)×1.0=4.000kN/m 面板按矩形截面计算的截面抵抗矩W和截面惯性矩I分别为: W =1/6bh2=90×1.8×1.8/6=48.60cm3;(施工手册79页) I =1/12bh3=90×1.8×1.8×1.8/12=43.74cm4;(施工手册79页) (1)抗弯强度计算 f = M / W < [f] (《建筑施工扣件式钢管脚手架安全技术规范》第5.2.1条) 其中 f —— 面板的抗弯强度计算值(N/mm2); M —— 面板的最大弯距(N.mm); W —— 面板的净截面抵抗矩; [f] —— 面板的抗弯强度设计值,取15N/mm2;(施工手册第4版P510) M = 0.100ql2 (施工手册第4版P516表8-74) 其中 q —— 荷载设计值(kN/m); 经计算得到 M =0.1×(1.2×3.230+ 1.4×4.000)×0.20×0.20=0.038kN.m 经计算得到面板抗弯强度计算值 f =0.038×900×900/(900×48.60)=0.70N/mm2 由于面板的抗弯强度 f < [f],所以满足要求! (2)挠度计算 v = 0.677ql4/100EI<[v]= l/250 (施工手册第4版P516表8-74和P79表2-102) E=4000(施工手册第4版P509) 面板最大挠度计算 v =0.677×3.230×200.00×200.00×200.00×200.00/(100×4000×486000.00)=0.018mm 面板的最大挠度小于200.00/200,满足要求。 (二)支撑木方的计算 木方按照均布荷载下连续梁计算。 1、荷载的计算 (1)钢筋混凝土板自重(kN/m): q11 =24×0.12×0.20=0.567kN/m (2)模板的自重线荷载(kN/m): q12 = 0.35×0.20=0.070kN/m (3)活荷载为施工荷载标准值与倾倒混凝土时产生的荷载(kN/m): 经计算得:活荷载标准值 q2 =(3×0.9)×0.20=0.540kN/m 静荷载 q1 =1.2×0.567 + 1.2×0.07=0.764kN/m 活荷载 q2 =1.4×0.540=0.756kN/m 2、木方的计算 按照三跨连续梁计算,最大弯矩考虑为静荷载与活荷载的计算值最不利分配的弯矩和,计算公式如下: 均布荷载 q = 1.520kN/m 最大弯矩 M = 0.1ql2=0.1×1.520×0.9×0.9=0.123kN.m(施工手册第4版P516表8-74) 最大剪力 Q=0.55×0.9×1.520=0.752kN(施工手册第4版P516表8-74) 最大支座力 N=1.1×0.9×1.520=1.50kN(左右支座相加为最大) 截面惯性矩I和截面抵抗矩W分别为: W ==1/6bh2=10×5×5/6=41.67cm3; I =1/12bh3 =10×5×5×5/12=104.17cm4; (1)木方抗弯强度计算 抗弯计算强度f = M / W < [f] (《建筑施工扣件式钢管脚手架安全技术规范》第5.2.1条) 弯计算强度 f=0.117×1000000/(41.67×1000)=2.80N/mm2 木方的抗弯计算强度小于17N/mm2,满足要求。(施工手册第4版P79表2-98) (2)木方抗剪计算 最大剪力的计算公式如下: Q = 0.6ql(施工手册第4版P516表8-74) 截面抗剪强度必须满足: T = 3Q/2bh < [T](工程力学教材P84) 截面抗剪强度计算值T=3×1391/(2×100×50)=0.417N/mm2 截面抗剪强度设计值 [T]=1.6N/mm2(施工手册第4版P79表2-98) 由于木方的抗剪强度计算值T<[T],所以满足要求。其余同此计算。 (3)木方挠度计算 最大变形v = 0.677ql4/100EI<[v]= l/200 (施工手册第4版P516) E=10000 q=q11+q12=0.637 kN/m v =0.677×0.637×1000.0×1000.0×1000.0×1000.0/(100×10000×104.17×10000) =0.447mm 由于木方的最大挠度小于1000 /200,所以满足要求。 (三)横向支撑钢管计算 横向支撑钢管按照集中荷载作用下的连续梁计算。 集中荷载P取木方支撑传递力。 支撑钢管计算简图 经过连续梁的计算得到 最大弯矩 Mmax=0.918kN.m 最大变形 vmax=2.536mm 最大支座力 Qmax=8.001kN 抗弯计算强度 f=0.918×1000000/5080=180.71N/mm2 支撑钢管的抗弯计算强度小于205.0N/mm2,满足要求。 支撑钢管的最大挠度小于1000/150与10mm,满足要求。 (四)扣件抗滑移的计算 纵向或横向水平杆与立杆连接时,扣件的抗滑承载力按照下式计算(规范5.2.5): R ≤ Rc 其中 Rc —— 扣件抗滑承载力设计值,取8.0kN; R —— 纵向或横向水平杆传给立杆的竖向作用力设计值; 计算中R取最大支座反力,R=8.001kN 单扣件抗滑承载力满足要求。 (五)立杆的稳定性计算荷载标准值 作用于模板支架的荷载包括静荷载、活荷载和风荷载。 1、静荷载标准值包括以下内容: (1)脚手架钢管的自重(kN):查《建筑施工手册》P194页,标准值取0.0996; NG1 = 0.0996×12.6=1.255kN (2)模板的自重(kN): NG2 = 0.35×1.0×1.0=0.350kN (3)钢筋混凝土楼板自重(kN): NG3 = 24.00×0.1×1.0×1.0=2.400kN 经计算得到,静荷载标准值 NG = NG1+NG2+NG3 = 4.005kN。 2、活荷载为施工荷载标准值与倾倒混凝土时产生的荷载。 经计算得到,活荷载标准值 NQ = (1.0+3)×1.0×1.0=4.000kN 3、不考虑风荷载时,立杆的轴向压力设计值计算公式 N = 1.2NG + 1.4NQ=1.2×4.005+1.4×4.000=10.406KN 《建筑施工扣件式钢管脚手架安全技术规范》5.6.2-1 (六)立杆的稳定性计算 立杆的稳定性计算公式 《建筑施工扣件式钢管脚手架安全技术规范》5.3.1-1 =10.406*1000/0.353*4.89*100= 60.2N/mm2。 < [f],满足要求! N =10.406kN; 由长细比 l0/i=139 查表得:0.353;施工手册P197表5-18 i =1.58(cm) 施工手册P197表5-17 A =4.89(cm2) 施工手册P197表5-17 W =5.08 (cm3) 施工手册P197表5-17 [f] = 205.00N/mm2;施工手册P197表5-19 l0 —— 计算长度 (m); 由公式计算 l0 =h +2a=1800+2*200=2200mm 模板承重架应尽量利用剪力墙或柱作为连接连墙件。 四、梁模板计算书 1层梁模板支架搭设高度为4.5-10.3米,梁截面尺寸为250×600,2层模板支架搭设高度为10.6-16.6米,梁截面尺寸为300×700和300×1100。其余梁断面为200×600、250×550、250×650、200×400等,板厚为12cm,跨度为8-17米,采用主次梁结构,模板采用13厚胶合板,50*100木方,φ48*3.5钢管组成满堂脚手架。只要10.6米高度250×600和16.6米高度300×1100.梁模板架子满足要求即可。 4.1 10.6米高度.梁模板计算书 (一)基本信息 (1)梁参数 梁底木方宽度为100mm,梁底木方高度为50mm,梁底木方根数4根,承重立杆横向间距为0.9m,纵向间距为0.9m。梁底支撑小横杆间距0.5米。模板采用13mm胶合板。 (2)脚手架参数 脚手架搭设高度按10.0m计算(减去梁高),脚手架步距为1.8m。采用的钢管类型为φ48×3.5。 (3)荷载参数 模板与木块自重为0.35KN/m2,混凝土和钢筋自重为24KN/m2,梁截面宽度B为0.25m,梁截面高度D为0.6m,倾倒混凝土的荷载标准值为3KN/m2,均布荷载标准值为1KN/m2。 (二)模板面板计算 面板为受弯结构,需要验算其抗弯强度和刚度。模板面板的按照3跨连续梁计算。 作用荷载包括梁与模板自重荷载,施工活荷载等。 1.荷载的计算: (1)钢筋混凝土梁自重(kN/m): q1 = 24×0.6×0.25=3.60kN/m (2)模板的自重线荷载(kN/m): q2 = 0.35×0.25×(2×0.6+0.25)/0.25=0.507kN/m (3)活荷载为施工荷载标准值与倾倒混凝土时产生的荷载(kN): 经计算得到,活荷载标准值 P1 = (3+1)×0.25×0.25=0.25kN 均布荷载 q =1.2×10.800+1.2×0.805=13.926 kN/m 集中荷载 P =1.4×1.00=1.4 kN 面板的截面惯性矩I和截面抵抗矩W分别为: W =50.00×1.80×1.80/6=27.00cm3; I =50.00×1.80×1.80×1.80/12=24.30cm4; 计算简图 根据《施工手册》P51页表2-12三等跨梁内力和挠度系数,经过计算得到从左到右各支座力分别为 N1=0.825KN N2=3.363KN N3=3.363KN N4=0.825KN 最大弯矩 M = 0.056kN.m 2、抗弯强度计算 经计算得到面板抗弯强度计算值f =0.056×1000×1000/(1000×27.00)=2.07N/mm2 面板的抗弯强度设计值 [f],取30N/mm2; 由于面板的抗弯强度 f < [f],所以满足要求! 3、挠度计算 最大变形v = 0.677ql4/100EI<[v]= l/250 (施工手册第4版P516) E=4000 q=q1+q2=10.8+0.085=10.885N/mm V=0.677×10.885×167.0×167.0×167.0×167.0/(100×4000×24.3×10000) =0.06mm 面板的最大挠度小于167/250,满足要求! (三)梁底支撑木方的计算 1.梁底木方计算 按照三跨连续梁计算,最大弯矩考虑为静荷载与活荷载的计算值最不利分配的弯矩和,计算公式如下: 均布荷载 q =3.363/0.5=6.726kN/m 最大弯矩 M =0.1×6.726×0.5×0.5=0.168kN.m 最大剪力 Q=0.6×0.5×6.726=2.018kN 最大支座力 N=1.1×0.5×6.726=3.699kN 木方的截面惯性矩I和截面抵抗矩W分别为: W = 10.00×5.00×5.00/6=41.67cm3; I = 10.00×5.00×5.00×5.00/12=104.17cm4; (1)木方抗弯强度计算 抗弯计算强度 f=0.168×1000000/(41.67×1000)=4.03N/mm2 木方的抗弯计算强度小于17N/mm2,满足要求。 (2)木方挠度计算 最大变形 v =0.677×6.726×500.0×500.0×500.0×500.0/(100×10000×104.17×10000)=0.273mm 由于木方的最大挠度小于500.0/250,所以满足要求。 (四)梁底支撑钢管计算 1.梁底支撑横向钢管计算 横向支撑钢管按照集中荷载作用下的连续梁计算。 集中荷载P取木方支撑传递力。 支撑钢管计算简图 经过连续梁的计算得到 最大弯矩 Mmax=-1.398kN.m 最大变形 vmax=4.493mm 最大支座力 Qmax=4.188kN 抗弯计算强度 f=-1.398×1000000/5080=-275.20N/mm2 支撑钢管的抗弯计算强度小于205.0N/mm2,满足要求。 支撑钢管的最大挠度小于1000/150与10mm,满足要求。 2.梁底支撑纵向钢管计算 纵向支撑钢管按照集中荷载作用下的连续梁计算。 集中荷载P取横向支撑钢管传递力。 支撑钢管计算简图 根据《施工手册》P51页表2-12三等跨梁内力和挠度系数,经过连续梁的计算得到 最大弯矩 Mmax=0.733kN.m 最大变形 vmax=1.918mm 最大支座力 Qmax=9.004kN 抗弯计算强度 f=0.733×1000000/5080=144.29N/mm2 支撑钢管的抗弯计算强度小于205.0N/mm2,满足要求。支撑钢管的最大挠度小于1000/150与10mm,满足要求。 (五)扣件抗滑移的计算 纵向或横向水平杆与立杆连接时,扣件的抗滑承载力按照下式计算(规范5.2.5): R ≤ Rc 其中 Rc —— 扣件抗滑承载力设计值,取8.0kN; R —— 纵向或横向水平杆传给立杆的竖向作用力设计值; 计算中R取最大支座反力R=9.004kN 单扣件抗滑承载力不满足要求,采用双扣件! (六)立杆的稳定性计算 立杆的稳定性计算公式 = 10.82 *1000/0.353*4.89*100= 62.68N/mm2。 < [f],满足要求! 横杆的最大支座反力 N1=9.004kN (已经包括组合系数1.4) 脚手架钢管的自重 N2 = 1.2×0.129×11.7=1.81kN, N = 9.004+1.81=10.82kN 由长细比 l0/i=139 查表得:0.353;施工手册P197表5-18 i =1.58(cm) 施工手册P197表5-17 A =4.89(cm2) 施工手册P197表5-17 W =5.08 (cm3) 施工手册P197表5-17 [f] = 205.00N/mm2;施工手册P197表5-19 l0 —— 计算长度 (m); 由公式计算 l0 =h +2a=1800+2*200=2200mm 模板承重架应尽量利用剪力墙或柱作为连接连墙件。 4.2 7.7米高度.梁模板计算书 模板支架层度为7.7米,计算高度6.3米,基本尺寸为:梁截面 B×D=500.0mm×1400.0mm,承重立杆横向间距为0.6m,梁支撑立杆的横距(跨度方向) l=0.5米,立杆的步距 h=1.8米。其余同上。 采用的钢管类型为φ48×3.5。 (一)模板面板计算 面板为受弯结构,需要验算其抗弯强度和刚度。模板面板的按照多跨连续梁计算。 作用荷载包括梁与模板自重荷载,施工活荷载等。 1.荷载的计算: (1)钢筋混凝土梁自重(kN/m):q1 = 24×1.4×0.5=16.800kN/m (2)模板的自重线荷载(kN/m):q2 = 0.35×0.25×(2×1.4+0.5)/0.5=0.578kN/m (3)活荷载为施工荷载标准值与倾倒混凝土时产生的荷载(kN): 经计算得到,活荷载标准值 P1 = (3+1)×0.5×0.25=0.500kN 均布荷载 q =1.2×16.800+1.2×0.578=20.854 kN/m 集中荷载 P =1.4×0.500=0.700 kN 面板的截面惯性矩I和截面抵抗矩W分别为: W =25.00×1.80×1.80/6=13.50cm3; I =25.00×1.80×1.80×1.80/12=12.15cm4; 计算简图 根据《施工手册》P51页表2-12三等跨梁内力和挠度系数,经过计算得到从左到右各支座力分别为 N1=1.341KN N2=4.233KN N3=4.233KN N4=1.341KN 最大弯矩 M = 0.067kN.m 最大变形 V = 0.1mm 2、抗弯强度计算 经计算得到面板抗弯强度计算值 f =0.067×1000×1000/(1000×13.50)=4.96N/mm2 面板的抗弯强度设计值 [f],取30N/mm2; 由于面板的抗弯强度 f < [f],所以满足要求! 3、挠度计算 面板最大挠度计算值 v = 0.1mm 面板的最大挠度小于167/250,满足要求! (二)梁底支撑木方的计算 1.梁底木方计算 按照三跨连续梁计算,最大弯矩考虑为静荷载与活荷载的计算值最不利分配的弯矩和,计算公式如下: 均布荷载 q =4.233/0.25=16.932kN/m 最大弯矩 M =0.1×16.932×0.25×0.25=0.106kN.m 最大剪力 Q=0.6×0.25×16.932=2.540kN 最大支座力 N=1.1×0.25×16.932=4.656kN 木方的面惯性矩I和截面抵抗矩W分别为: W = 10.00×5.00×5.00/6=41.67cm3; I = 10.00×5.00×5.00×5.00/12=104.17cm4; (1)木方抗弯强度计算 抗弯计算强度 f=0.106×1000000/(41.67×1000)=2.54N/mm2 木方的抗弯计算强度小于17N/mm2,满足要求。 (2)木方挠度计算 最大变形 v =0.677×16.932×250.00×250.00×250.00×250.00/(100×10000×104.17×10000) =0.043mm 由于木方的最大挠度小于250.00/250,所以满足要求。 (三)梁底支撑钢管计算 1. 梁底支撑横向钢管计算 横向支撑钢管按照集中荷载作用下的连续梁计算。 集中荷载P取木方支撑传递力。 支撑钢管计算简图 经过连续梁的计算得到 最大弯矩 Mmax=-0.984kN.m 最大变形 vmax=1.477mm 最大支座力 Qmax=5.574kN 抗弯计算强度 f=-0.984×1000000/5080=-193.70N/mm2 支撑钢管的抗弯计算强度小于205.0N/mm2,满足要求。支撑钢管的最大挠度小于600/150与10mm,满足要求 2.梁底支撑纵向钢管计算 纵向支撑钢管按照集中荷载作用下的连续梁计算。 集中荷载P取横向支撑钢管传递力。 支撑钢管计算简图 根据《施工手册》P51页表2-12三等跨梁内力和挠度系数,经过连续梁的计算得到 最大弯矩 Mmax=0.488kN.m 最大变形 vmax=0.319mm 最大支座力 Qmax=11.984kN 抗弯计算强度 f=0.488×1000000/5080=96.06N/mm2 支撑钢管的抗弯计算强度小于205.0N/mm2,满足要求。支撑钢管的最大挠度小于500/150与10mm,满足要求。 (四)扣件抗滑移的计算 纵向或横向水平杆与立杆连接时,扣件的抗滑承载力按照下式计算(规范5.2.5): R ≤ Rc 其中 Rc —— 扣件抗滑承载力设计值,取8.0kN; R —— 纵向或横向水平杆传给立杆的竖向作用力设计值; 计算中R取最大支座反力,R=11.984kN 单扣件抗滑承载力不满足要求,采用双扣件! (五)立杆的稳定性计算 立杆的稳定性计算公式 =12.96*1000/0.353*4.89*100=75.1N/mm2。 < [f]=205N/mm2,满足要求! 横杆的最大支座反力 N1=11.984kN (已经包括组合系数1.4), 脚手架钢管的自重 N2 = 1.2×0.129×6.3=0.975kN, N = 11.984+0.975=12.96kN 由长细比 l0/i=139 查表得:0.353;施工手册P197表5-18 i =1.58(cm) 施工手册P197表5-17 A =4.89(cm2) 施工手册P197表5-17 W =5.08 (cm3) 施工手册P197表5-17 [f] = 205.00;施工手册P197表5-19 由公式计算 l0 =h +2a=1800+2*200=2200mm 模板承重架应尽量利用剪力墙或柱作为连接连墙件。 五、模板支撑体系搭设 本工程1-3层2-6/A-B和4-6/A-C轴梁板高度为10.4米,3-5层4-6/A-D轴梁板高度为8.4米,6-9层4-6/B-C轴梁板高度为12.6米,属于高架支模施工,且梁跨度为16米,为.梁。砼布料机布置在2-6/A-B和4-6/A-D轴范围以外梁板上,板底支撑杆加密1倍。 模板搭设:模板采用18厚胶合板,支撑体系采用50*100木方,φ48*3.5钢管组成满堂脚手架,承重立杆横向间距为1米,纵向间距为1米。500×900和500×950.梁底加设一道立杆,间距1米;500×1400.梁底加设一道立杆,间距0.5米;架高1.8m。木方间距按25cm施工。 1、满搭支撑架体系布置 满搭支撑架由立杆、水平杆、剪刀撑以及连接它们的扣件组成。立杆、水平杆、剪刀撑均采用Φ48×3.5普通焊接钢管,钢管长度宜4~6m。扣件采用直角扣件、旋转扣件、对接扣件,满搭支撑架立杆搭设平面图见附图1、2、3,梁板模板支撑立面图见附图4。 2、立杆 立杆从地面起开始布置,具体布置见满堂支撑架立杆搭设平面图附图1、2、3。 3、水平杆 首先在满搭支撑架底部距离地面200mm处纵横设一道扫地杆,然后按纵横两个方向布置水平杆,水平杆步距为1800mm,水平杆与立杆用扣件连接牢固。1-1剖面图见附图8。 纵向或横向水平杆与立杆连接时,主梁底部和板底部的纵向或横向水平杆及找平杆与立杆用双扣件连接,增加抗滑移能力。 4、剪刀撑 剪刀撑在垂直于砼主梁的截面方向布置,剪刀撑与水平面夹角应控制在45°~60°之间,剪刀撑间距2米排距为8m。平行于主梁的截面,剪刀撑应按构造进行布置。见附图5-7。 5、加密杆 1.4米高.梁在梁中间增加一道加密杆,间距0.5米,0.9米高.梁在梁中间增加一道加密杆,间距1.0米,1-1剖面图见附图8。 6、安全围护 在满搭支撑架5.5m高度处满挂一层兜网,兜网要挂设牢固。 7、材质要求 满搭支撑架立杆对接及立杆与水平杆、剪刀撑连接必须牢固、可靠,不得使用严惩锈蚀变形、断裂、脱焊的钢管与扣件。 六、主要项目施工技术措施 1.模板支架的构造要求: a.梁板模板高支撑架根据设计要求采用单立杆; b.立杆之间必须按步距满设双向水平杆,确保两方向足够的设计刚度; c.梁和楼板荷载相差较大时,可以采用不同的立杆间距,但只宜在一个方向变距、而另一个方向不变。 2.立杆步距的设计: a.当架体构造荷载在立杆不同高度轴力变化不大时,可以采用等步距设置; b.当中部有加强层或支架很高,轴力沿高度分布变化较大,可采用下小上大的变步距设置,但变化不要过多; 3.整体性构造层的设计: a.当支撑架高度≥20m或横向高宽比≥6时,需要设置整体性单或双水平加强层; b.单水平加强层可以每4--6米沿水平结构层设置水平斜杆或剪刀撑,且须与立杆连接,设置斜杆层数要大于水平框格总数的1/3; c.在任何情况下,高支撑架的顶部和底部(扫地杆的设置层)必须设水平加强层。 4.剪刀撑的设计: a.沿支架四周外立面应满足立面满设剪刀撑; b.中部可根据需要并依构架框格的大小,每隔8m设置。 5.顶部支撑点的设计: a.最好在立杆顶部设置支托板,其距离支架顶层横杆的高度不宜大于400mm; b.顶部支撑点位于顶层横杆时,应靠近立杆,且不宜大于200mm; c.支撑横杆与立杆的连接扣件应进行抗滑验算,当设计荷载N≤12kN时,可用双扣件;大于12kN时应用顶托方式。 6.支撑架搭设的要求: a.严格按照设计尺寸搭设,立杆和水平杆的接头均应错开在不同的框格层中设置; b.确保立杆的垂直偏差和横杆的水平偏差小于《扣件架规范》的要求; c.确保每个扣件和钢管的质量是满足要求的,每个扣件的拧紧力矩都要控制在45-60N.m,钢管不能选用已经长期使用发生变形的; 7.施工使用的要求: a.精心设计混凝土浇筑方案,确保模板支架施工过程中均衡受载,最好采用由中部向两边扩展的浇筑方式; b.严格控制实际施工荷载不超过设计荷载,对出现的超过最大荷载要有相应的控制措施,钢筋等材料不能在支架上方堆放; c.浇筑过程中,派人检查支架和支承情况,发现下沉、松动和变形情况及时解决。 d.砼布料机尽量不要放在高支模架外,如必须放在高支模架上,需根据计算加固模板架子。 8、各处模板安装允许偏差,如下表: 序号 项 目 允许偏差(㎜) 1 轴线位移 5 2 底模上表面标高 ±5 3 柱、墙、梁截面尺寸 +4 -5 4 层高垂直度 ≤5m 6 ≥5m 8 5 相邻两板表面高低差 2 6 表面平整度 5 9、模板的拆除: 1)拆模的时间应按同条件养护的混凝土试块强度来确定,其标准为: (1)跨度大于8m的板、梁,混凝土的强度须达到100%。 (2)跨度小于8m的板、梁,混凝土的强度须达到75%。 (3)悬臂构件混凝土的强度须达到100%。 (4)墙侧模的拆除,其混凝土的强度应在其表面及棱角不致因拆模而受损伤时,方可拆除。 2)拆除侧墙模板时,应先分块或分段拆除其支撑、卡具及连接件,然后拆除模板。如模板与混凝土粘结较紧,可用木槌敲击模板使之松动,然后拉下,不得乱砸。 3)拆下的模板、配件等,严禁抛扔,要有专人接应传递,按指定的地点堆放,并做到及时清理、维修和涂刷好隔离剂,以备待用。 4)本工程模板架子较高,除混凝土的强度必须达到100%外,还必须保证同时有两层模板架(卸荷)不拆除。 5)模板架拆除时应先拆除上层架子,后拆除下层架子,严禁从下而上拆除。 七、技术质量保证措施 1、质量保证措施、细部处理方法 1)拉通线全过程监控,支模安装后全面检查纠正,浇筑砼时随时校正。 2)所有模板侧向应平整以保证拼缝紧密,模板薄厚应一致,若相差大的应加垫片,施工中发现板缝过大应贴胶带纸。 3)保护模板的拆模方法-安装时最后在边角处安装小块三角形或长方形模板。如一个开间铺2块大模板,中间可有意铺1条小模,拆模用铁撬先拆出这个小模,然后用木楔楔入,使模板与砼表面脱离,再用铁撬撬模。拆墙模板时应先用木楔先楔入,使模板与砼表面脱离,再用铁撬撬模。 2、技术交底制度 1)工程开工前,项目部技术部门根据设计文件、图纸向施工管理人员进行工程内容交底。 3)现场施工管理人员向专业班长、组员进行工程结构、工艺标准、技术标准、安全生产全员交底。 4)交底制度以书面交底为主,交底资料必须详细准确、直观、符合施工规范和工艺细则要求,并经第二人复核确认无误后,方可交付使用,交底资料应妥善保存备查。 3、质量、技术管理制度 1)由技术部门根据设计文件、图纸编制施工组织设计方案,突出本工程的难点、特殊部位,制定专项技术措施。 2)对于特殊工种人员一定要持有特殊工种操作证书,并经定期审核合格,方可上岗作业。 3)在施工过程中,继续进行施工方案优化工作,以求得施工方案的先进、科学和成熟。施工过程中,工序细节的优化随时可能有,通过不断优化施工方案,提高施工管理人员的技术管理水平和作业组员的操作水平,从而保证工程质量的提高。 4)按配板设计循序拼装,以保证模板系统的整体稳定。预埋件与预留孔洞必须位置准确,安设牢固。 5)模板体系安装好后,必须满足设计要求的几何尺寸,且具有足够的强度,刚度和稳定性。 6)与混凝土接触的模板面涂隔离剂。 7)模板安装好后表面要平整,接缝不至于漏浆,对于过大的接缝要用胶纸粘贴。 8)拆模时,侧模在混凝土强度能保证构件不变形、棱角完整时,方可拆除。拆模板后,在楼面堆荷较多的部位,应在适当位置板底加回头顶。 八、安全生产保证措施 模板安装必须按模板的施工设计方案进行,严禁任意变动;模板及其支撑系统在安装过程中,必须设置临时固定设施,严防倾覆;安装模板应按工序进行,当模板没有固定前,不得进行下一道工序作业,禁止利用拉杆、支撑攀登上落; 泵送砼时要确保模板和支撑有足够的强度、刚度和稳定性,在模板设计是根据泵送砼对模板侧压力大的特点,对模板进行计算。 布料设备不得碰撞或直接搁置在模板上,手动布料杆下的模板和支架应进行加固。 浇筑砼时应派专人看护模板,如发现模板倾斜、位移、局部鼓胀时,应及时采取措施。 模板上架设的电线和使用的电动工具,应采用36伏的低压电源或采取其他有效的安全措施。 登高作业时,各种配件应放在工具箱或工具袋中,严禁放在模板或脚手架上;各种工具应系挂在操作人员身上或放在工具袋,不得掉落。 装拆模板时,上下应有人接应,随拆随运转,并应把活动部件固定牢靠,严禁堆放在脚手板上和抛掷。必须采用稳固的登高工具,高度超过3.5米时,必须搭设脚手架。装拆施工时,除操作人员外,下面不得站人。高处作业时,操作人员应挂上安全带。 安装墙、柱模板时,应随时支撑固定,防止倾覆。高层建筑施工时,应有防雷措施。 拆模板,应经施工技术人员按试块强度检查,确认混凝土已达到拆模强度时,且必须经施工负责人同意,方可拆除。操作时应按顺序分段进行,不允许让模板方料自由落下,严禁猛撬落和拉倒; 拆除模板前,应将下方一切预留洞口及建筑物周围用木板或安全网作防护围蔽,防止模板方料坠落伤人; 完工后,不得留下松动和悬挂的模板方料等,拆下的模板方料应及时运送到指定地点集中堆放稳妥。 河南×建××大厦工程项目部 2007年6月28日
展开阅读全文

开通  VIP会员、SVIP会员  优惠大
下载10份以上建议开通VIP会员
下载20份以上建议开通SVIP会员


开通VIP      成为共赢上传

当前位置:首页 > 品牌综合 > 施工方案/组织设计

移动网页_全站_页脚广告1

关于我们      便捷服务       自信AI       AI导航        抽奖活动

©2010-2026 宁波自信网络信息技术有限公司  版权所有

客服电话:0574-28810668  投诉电话:18658249818

gongan.png浙公网安备33021202000488号   

icp.png浙ICP备2021020529号-1  |  浙B2-20240490  

关注我们 :微信公众号    抖音    微博    LOFTER 

客服