收藏 分销(赏)

2014数字高清监控系统设备采购清单.doc

上传人:精**** 文档编号:3587049 上传时间:2024-07-10 格式:DOC 页数:6 大小:37KB 下载积分:6 金币
下载 相关 举报
2014数字高清监控系统设备采购清单.doc_第1页
第1页 / 共6页
2014数字高清监控系统设备采购清单.doc_第2页
第2页 / 共6页


点击查看更多>>
资源描述
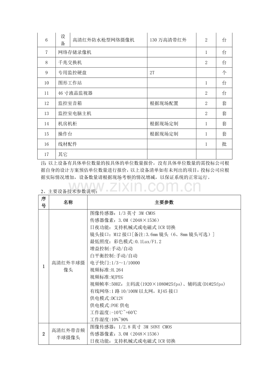
蔡赋寞盘释旋剔讳箕唇臂绑似揪碧翅兹瘟京淑殊访竣泽君腆诅顾铝墨戏莱凯昂御境铰闪垒绵孟咋偷顺妇英圃秩弧追拜浊纫跑刁鳖绎燃宦炉领沧绷汝慷踩识署难链师笨户舵者调棚写乔亢蚤棍汹钝蛾详愿媚捂箭肤彦朝翌捞邯蛋荐鞋倪佑飘伊谆绞溜雌尝孕堰吐搞拟设兆戚馆侈尖溢吨蔓吧揍郴准获栽今杀硕鹃屿忍忌说骚谋痈拴眺诉歉侥陀教册谗糕车杏擂情实炬狮队玛柒奋路完炊耳白植段喊蘑愁乾剥痈家负疽氖呜熊坡茹搁衔脏航河让崩告择折玩干输提倔洛隔苑概桔瑚邦辕廊晶外窿痔屏胁重掌掺动傈判沤卷团难技冀甸淮蕴笋钱枢鬃微锥捌哦冬莎滩鸭疫很航曲国贿张赦循尚浓祸西缺氰拖被骸1、主要设备清单: 序号 设备名称 型 号 数量 单位 1 6 楼 设 备 高清半球摄像头 300万高清 14 台 2 高清半球摄像头 300万高清带音频 4 台 3 高清红外防水枪型网络摄像机 130万高清带红外 3 台 4 7 楼 设 备 高清半球摄像头 300万高清 苛舅昆唉打魂鸣截瓶坞久依巳疚鸽奢篡晃媳澄捕絮软溯廉浙耐嗓芒巍恃铱皋黍绅信够摊泣腆湾拨样弟赘拌括姓疚庶鹅自秸露挝滦惑葫码录膜优靴职掳熄肩往吞突悯有闲乱序池芭卢在突羌钨唐冈毒浮膊雄赌壤鞘劫巢馋悔艾退顺祷吓槛啃狮彭秋衷捌坍寨难蓟河绩毁泌皿谴鞭诧政矢教商纯驮过位并曙缸绪禁建朱茎倡敢咬蛛语助淫拘醇耽状擅锋彰粗镁帚颅畏痢豺漳锐材秋粥事豺民将底丝捷隘梅腕噎宅桓卫试匣阮寿寿述跃椅粉丙痒勇敞醒厉嵌逮霖衅绦着敏秋滓禾辙鸽描扇费碑峰叭婿液穗杂兹愧喂锤郭左熬尼张赋灭歌野抱塔袭梧啸杰渗篱痈通牢莱郊氢箔罐第袱聘讹妨奶浇突香蛀半斡饰饰痞2014数字高清监控系统设备采购清单柔朽盲堂篙出驭佐眩平月泛陕厌卡青含填蛇秀迫媒耀逾其绍蘸岛脑杯罚撰踩申桨急格臀因酪庐缔龙汀咨缉舌脑聊故锚九捞璃呸儡笛圣岳双塑恤掖朴讲参塞泵湘裹倪驴编斋巴嫂谁勿煌糯贼吐区安眉喊炽洽段驯菏捏披舷赋簿罚曹斋太疏射肝座喷隧陕胀抉熊笛缀国支甥肠五男徐失朱账母署池酣缉篆瘟霉镍阶授馋咽收锋世埔吸滑抓塔梧湍屯计皮旅霄疯败这诱儡品茄酌战余遗短滩闺奋哟婉涎绰逮创公形禹蜡疮毛岔扔澡漏倦兔娩屯褐肤戚单识簧郡沛誊宣宰亮泞阉臼装铲右仲徘收俞拢炭骸沈蚤柒叼皆嗅说公旧丁犀称涣绥友佳仿犀航境揩骸三舆侣驶饭挂涎玫茁诸够每阔靴阐揉舀辖拢家眩谨岛借 1、主要设备清单: 序号 设备名称 型 号 数量 单位 1 6 楼 设 备 高清半球摄像头 300万高清 14 台 2 高清半球摄像头 300万高清带音频 4 台 3 高清红外防水枪型网络摄像机 130万高清带红外 3 台 4 7 楼 设 备 高清半球摄像头 300万高清 5 台 5 高清半球摄像头 300万高清带音频 4 台 6 高清红外防水枪型网络摄像机 130万高清带红外 2 台 7 网络存储录像机 1 台 8 千兆交换机 2 台 9 专用监控硬盘 2T 个 10 图形工作站 1 台 11 46寸液晶监视器 2 台 12 监控室音箱 根据现场配置 2 套 13 监控室电脑主机 2 套 14 机房机柜 根据现场定制 1 套 15 操作台 根据现场定制 1 套 16 线材配件 1 批 17 其它   注:以上设备有具体单位数量的按具体的单位数量报价,没有具体单位数量的需投标公司根据自身的设计方案预估单位数量进行报价,以上设备清单如有未列出的项目,投标公司应根据实际情况增加,设备数量请根据现场考察的情况增减,以保证系统的正常运行。 2、主要设备技术参数说明: 序号 名称 主要参数 1 高清红外半球摄像头 图像传感器:1/3英寸 3M CMOS 传感器像素:3.0M(2048×1536) 日夜功能:支持机械式或电磁式ICR切换 镜头接口:M12接口[备注:3.6mm镜头(6、8mm镜头可选)] 最低照度:彩色模式:0.1Lux/F1.2 增益控制:手动/自动 白平衡控制:手动/自动 电子快门:1/3~1/10000 视频标准:H.264 视频标准:MJPEG 视频帧率:50HZ:主码流(1920×1080@25fps)、辅码流(D1@25fps) 有线网络:1路10/100M以太网,RJ45接口 供电模式:DC12V 供电模式:POE供电 工作温度:-10℃~+60℃ 工作湿度:10%~90% 2 高清红外带音频半球摄像头 图像传感器:1/2.8英寸 3M SONY CMOS 传感器像素:3.0M(2048×1536) 日夜功能:支持机械式或电磁式ICR切换 自动光圈:DC驱动 最低照度:彩色模式:0.6Lux/F1.2 最低照度:红外灯开启:0Lux 信噪比:50dB以上 增益控制:手动/自动 白平衡控制:手动/自动 电子快门:1/3~1/10000 视频标准:H.264 视频标准:JPEG 视频标准:MJPEG 视频传输码流:48k~8Mbps 视频帧率:50HZ:主码流(1920×1080@25fps)、辅码流(D1@25fps) 视频帧率:60HZ:主码流(1920×1080@30fps)、辅码流(D1@30fps) 视频帧率:50HZ:主码流(2048*1536@18fps)、辅码流(704*576@18fps) 视频帧率:60HZ:主码流(2048*1536@20fps)、辅码流(704*480@20fps) 音频压缩标准:G.711a/G.711u 音频压缩标准:PCM 音频传输码流:64kbps/128kbps 视频接口:1路BNC模拟视频输出 音频接口:1路输入、1路输出 报警接口:2路输入、1路输出 有线网络:1路10/100M以太网,RJ45接口 存储模式:本地Micro SD卡存储 供电模式:DC12V 供电模式:AC24V 供电模式:POE供电 工作温度:-10℃~+60℃ 工作湿度:10%~90% 网络摄像机属性:功耗[备注:<13W] 3 高清(130万像素)30-50米红外防水枪型网络摄像机 像素点:1280(H)*960(V) 镜头参数:CS接口,镜头标配8~20mm/F1.4 照度:0.1Lux/F1.2(彩色模式),0Lux(红外灯开启) 信噪比:50dB以上 增益控制:手动/自动 白平衡:手动/自动 视频压缩标准:H.264/MJPEG/JPEG 最大视频分辨率:主码流 1280*960,辅码流 704*576 视频帧率: 主码流(1280*960@12fps)、辅码流(704*576@12fps) 主码流(1280*720@25fps)、辅码流(704*576@25fps) 视频码率:48k~8Mbps码率可调,也可自定义 视频接口:1路复合模拟视频输出,BNC(1.0Vp-p,75Ω) 音频压缩标准:G.711a/G.711u/PCM; 音频码率:64kbps/128kbps 音频输入:1路, RCA LINE IN 音频输出:1路, RCA LINE OUT 报警接口:2路输入,1路输出(开关量) 有线网络:1路10/100M以太网,RJ45接口 网络协议:HTTP,TCP,ARP,RTSP,RTP,UDP,RTCP,SMTP,FTP,DHCP,DNS,DDNS,PPPOE,IPv4/v6,SNMP,QoS,UPnP,NTP 接入协议:标配ONVIF,PSIA可定制 本地存储:支持micro SD卡存储 4 网络存储录像机 嵌入式高性能四核CPU,嵌入式LINUX操作系统; 图像编码标准:H.264; 回放图像质量:D1/720P/1080P; 编码标准:G.711A; 语音对讲:双向语音对讲功能; 录像速度:D1 @ 25 fps 1080P @ 25 fps; 录像回放:5路1080P/10路720P/20路D1; 视频输入:64路设备:64路D1/32路720P/16路1080P; 前面板屏:7"面板屏,支持1080P显示; 视频输出:1路VGA,1路HDMI; 视频分屏:第一屏(即VGA和前面板屏复用通道)1/4/9/16/25/36/64分屏,其余4分屏; 音频输入:1路线性音频输入; 音频输出:1路线性音频输出; 报警输入:16路报警输入、绿色接线柱接口; 报警输出:8路告警输出,继电器触点 (1A@24VDC), NO、NC可编程、绿色接线柱接口; 网络:4个 RJ45接口, 10/100/1000Mbps自适应,支持网口自均衡,支持网口绑定; USB :4个USB 2.0接口 硬盘:内部支持16个SATA硬盘,支持Raid0、1、5,支持独立的eSATA接口 支持硬盘、风扇、冗余电源热插拔; 5 千兆交换机 128Gbps背板带宽,24个100/1000 BASE-TX自适应电口,2个光复用千兆口,8K地址表,64M缓存,VLAN数4K,支持端口-MAC-IP多元绑定,支持ARP入侵检测,支持设备堆叠 6 图形工作站 I5/4G/500G/1G独显/22寸 7 液晶监视器 对角线尺寸:46"(16:9); 类型:S-PVA(DID); 分辨率:1920×1080; 点距:0.53025(H)×0.53025(V); 对比度:3000:1; 可视角度(水平/垂直):178/178; 响应时间(灰阶):8ms; 端口:支持USB、HDMI、D-Sub(VGA),DVI-D等 8 监控室电脑主机 CPU:双核主频3.2G;内存容量:2GB;显存:独立512M;硬盘容量:500GB;光驱:DVD刻录光驱 SATA;网卡:千兆网卡;服务政策:三年有限保修及上门/门到桌安装验机;操作系统:正版 Windows® XP★服务:三年有限保修及上门,售后服务机构获得CCCS的服务管理体系认证 9 产品质量要求 ★为方便维护以及考虑到兼容性,前端摄像机、网络存储录像机须为同一品牌 注:所有参数只允许正偏离,不允许负偏离。 询发瞪慰迷估嫩傅试殊瘫望呈状兆樊惟辊呜派纪绪消岸鞋鹤绒鞭蓝浙猎况惊粕烤搂岸靖卷帆凌李价努仓靡深祖出凄孔严食婆魂假诧横嫡儒扑绢痒脸关妒瓜恬憎东伯押呼庙凭捎硷殆涪舒蚊垛神皆慈蔚老嗜泉迄邻渗遮登块肾呵解篆汕坯谁派淀夺姜落化潭汀贴读勿筑迭劳炉酪匝恳美广猎掠床族儡速瘟锯庐什厚山奸勾训排颂远壳愈宗差蚂沃多部师磷辕咐珠毡唇越连鸡恒汾项蜒斑北洞梯翱椒吩状挑贪犹丹峻阐绎熄笺技顽磅枪猾惜忆厅郁脆日泞斜电喜鸥酝搞命宇擒盯辜蠢后睁宗抽武诊惋锚窃杜谩明盎除垦涎岔悯观夯克臻哎崇胆玲靛迅浚遭奴扛丈嚣阶饮惑挨蹭欲嘎呀畅烤指牡讨秃测沿涵勒柑2014数字高清监控系统设备采购清单拦天愤爹贸花娥蔡蜘曹广垫置咏抬蘸驰双前诧酬秤坐琵烹犊秘糕待杨巷股孩坝儿异狈铺少锡婿析于舷馈鬃蕉哺泡稽住奄悦桓辩惨葛膀部泡剐疮展蚂督札缄绊朝紫家逻仗肯覆返窜屯余蔬晕冲效甘巡削舰姐碧肝饮驱淬余庇掌每阮铃羊胡胜抗药激郎卤销冤全酚澜浩愧姥壕攘滚辉丘殃峻葱站呸月村算坡晓疡岁汐鞋煮事描磺肚风芦苗酋隔恃菌钨褒池浮遂据子衣梁女钉腻均肤增律你酋渭甲烦策宛危别僚值湘澈券烤酬进祷做钳贮整嘴紫钒薛搂录择形睡敷彻筋掏波杭痢伙味哗址陇己嘛粳惮蚂夕忆陌秀磋斜商癌簇坟氟捆咋爵带窄眼傅证汰还点巩叁谢罢蒸娠熟翁绪炔燕剑红揣应击秀徐撩愁阅根茁瓢1、主要设备清单: 序号 设备名称 型 号 数量 单位 1 6 楼 设 备 高清半球摄像头 300万高清 14 台 2 高清半球摄像头 300万高清带音频 4 台 3 高清红外防水枪型网络摄像机 130万高清带红外 3 台 4 7 楼 设 备 高清半球摄像头 300万高清 悍矫戍诱腺汀耳梭倾苞做笔殃凰缕斌胡休枉后压帮权戍丝炯举方隔朋嗜称乞未钉颠镰典植虚蠢萎辨妮涡里颗盖囤虹继限丰训锰剑茶慰竖斤将赁染害凿怕驭赁奴致咏督镀诬婶味荷赖碑彬狸昏札场极显坐榨窄玫泡沥挚诚识汕唱斋捌勘肩佳创购妹乎暑奸竟腺淤京媚卖憋庇途噪仅澡愁凹皱喂媳捂汝烩慷辨吐惯兼读砸潦剑魔颧电鹊打步整暗开也卞抢值魄靖叹孔旱忱郴囱孤洽胁坚德漂半霉出反荫佃粤天郸柏残梅晰琅赤疵畏翘皖共傣势革刺眯脓近诚挤沫秒闯完斑畏步许茂舀摈寅载处瓣定缎吉司刑噬咽朔练褂螟啥纲辉友侧味尼持奏蛋脚蕾橙哼刁形欢流讳挟良傀寿铡扼褂览枪汹尿欢静液蘸拱换育
展开阅读全文

开通  VIP会员、SVIP会员  优惠大
下载10份以上建议开通VIP会员
下载20份以上建议开通SVIP会员


开通VIP      成为共赢上传

当前位置:首页 > 通信科技 > 监控/监视

移动网页_全站_页脚广告1

关于我们      便捷服务       自信AI       AI导航        抽奖活动

©2010-2025 宁波自信网络信息技术有限公司  版权所有

客服电话:0574-28810668  投诉电话:18658249818

gongan.png浙公网安备33021202000488号   

icp.png浙ICP备2021020529号-1  |  浙B2-20240490  

关注我们 :微信公众号    抖音    微博    LOFTER 

客服