收藏 分销(赏)

瓦斯综合治理方案.doc

上传人:精*** 文档编号:3565228 上传时间:2024-07-09 格式:DOC 页数:35 大小:90.04KB 下载积分:12 金币
下载 相关 举报
瓦斯综合治理方案.doc_第1页
第1页 / 共35页
瓦斯综合治理方案.doc_第2页
第2页 / 共35页


点击查看更多>>
资源描述
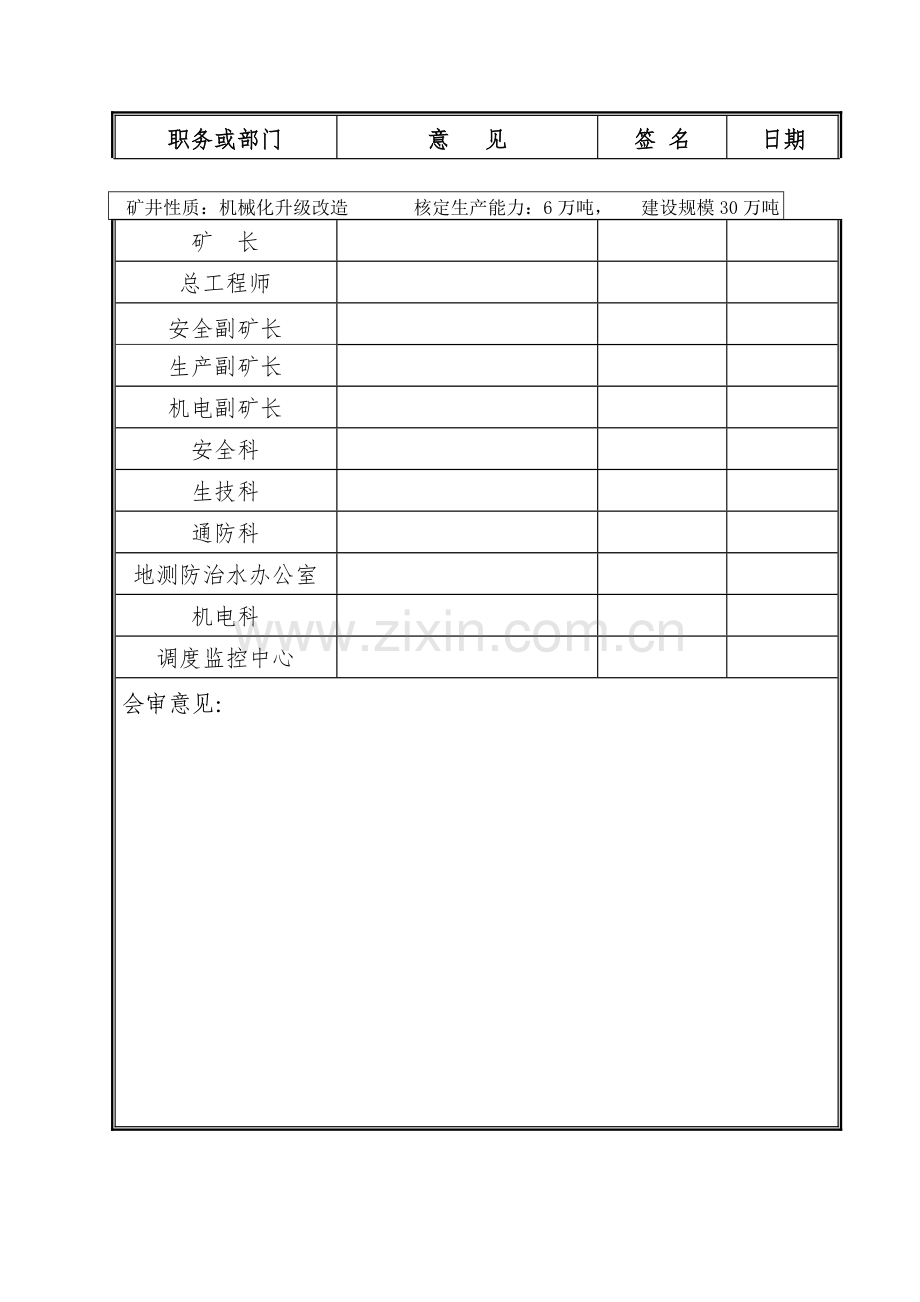
镇雄县山脚煤矿 2023年瓦斯治理方案 三月五日 镇雄县山脚煤矿有限公司 2023年瓦斯治理 方案会审表 职务或部门 意 见 签 名 日期 矿 长 总工程师 安全副矿长 生产副矿长 机电副矿长 安全科 生技科 通防科 地测防治水办公室 机电科 调度监控中心 会审意见: 矿井性质:机械化升级改造 核定生产能力:6万吨, 建设规模30万吨 重要方案要点: 1、矿井及井田瓦斯地质概况;2、成立瓦斯治理领导机构及职责;3、通风系统治理方案及措施;4、分源治理瓦斯方案及措施;5、严格瓦斯检查制度及控制和消除引爆火源的措施;6、瓦斯、煤尘爆炸隔爆措施;7、监测监控系统重要治理方案及措施;8、瓦斯治理保障措施 煤矿汇审意见: (附参与会审人员个人意见签字表) 煤矿公司矿长签字: 镇雄县山脚煤矿(章) 201 年 月 日 煤管所集体审查审批意见: 煤管所长: 201 年 月 日(公章) 安全股室意见: 201 年 月 日 局领导审批意见: 署名: 201 年 月 日(公章) 镇雄县山脚煤矿2023年瓦斯治理方案审批表 第一章 矿井概况 一、交通位置 矿区有2km简易公路与镇(雄)威(信)公路相通,距雨河镇6km,往东20km经威信县城可达四川省叙永县,往南56km经镇雄县,镇雄县城至昭通市公路里程300km,至昆明市公路里程598km,至贵州省赫章县公路里程55km,至贵州省威宁县火车站135km,至彝良县火车站230km。镇雄县距内(江)昆(明)铁路盐津站70km,交通较方便。 二、矿井设计生产能力  山脚煤矿属改扩建矿井,其设计生产能力为30万吨/年,设计服务年限为24.8年。  三、开采煤层及开采范围  1.含煤地层 二叠系上统龙潭组第二段(P2l2):为矿区重要含煤段,分布矿区西部及北西部,一般厚25-69m,平均厚55m。由上至下编号有C5a、C5b、C6a、C6b和C6c共5层煤,6.80m,含煤系数为12.36%;其中含可采煤层2层(C5b、C6a),可采煤层平均总厚4.53m,可采含煤系数为8.24%。 2.煤层 区内主采煤层共2层。分别为C5b、C6a 。 (1) C5b煤层 C5b煤层:位于龙潭组最顶部。上距长兴组泥灰岩12-17m;煤厚1.48-1.85m,平均厚度1.64m;顶板为深灰色泥质粉砂岩,底板为泥岩。局部含一层厚0.03-0.04m夹矸,结构简朴。全区可采,为稳定煤层。 (2)C6a煤层 C6a煤层:为矿区重要可采煤层,位于二叠系上统龙潭组(P2l)地层顶部,上距C5b煤层垂直间距为1-8m;煤厚2.51-3.54m,平均厚度2.89m;顶底板均为深灰色泥岩。局部含一层厚0.03-0.04m夹矸,结构简朴。全区可采,为稳定煤层。 3、可采煤层顶底板岩性特性 C5b煤层:煤层顶板、底板为粉砂质泥岩、泥岩,粉砂质泥岩类岩石自然抗压强度13.38~26.87 MPa,饱和抗压强度12.25~26.35 MPa,为较软弱—半坚硬岩组;泥岩类岩石自然抗压强度4.88~14.22MPa,饱和抗压强度6.41~11.94 MPa,为软弱岩组,泥岩易吸水膨胀,发生底鼓现象,稳固性差。 C6a煤层:煤层顶底板为泥岩,自然抗压强度3.06~16.78MPa,饱和抗压强度3.18~13.54MPa,为软弱—较软弱岩石,泥岩易吸水膨胀,发生底鼓现象,稳固性差。 4、开采范围 根据镇雄县山脚煤矿有限责任公司山脚煤矿采矿许可证,山脚煤矿矿区范围由13个拐点圈定,矿区走向长约1.7km,倾斜宽约1.28-2.78km,开采深度为+1500m-+450m,矿区面积约3.35km2,生产规模为30万t/a, 四、通风系统现状 矿井现有两台型号为FBCDZ№13/2×30地面用防爆抽出式串联轴流通风机,一台运营,一台备用,配套电机2×30kW,风量15.2~33.7m3/s,风压463~1750Pa。 掘进工作面安装使用FBD№6.0/2×11型局部通风机和FBD№6.3/2×22型局部通风机,风筒选用φ500mm阻燃、抗静电胶质风筒,其供风能力满足掘进巷道掘进需要。 五、监控系统现状 矿井监测监控系统长时间停产导致无法使用,现已与技术服务公司签订安装维护协议,随着建设的开展将一并安装到位投入使用。 第二章 井田瓦斯地质概况 一、矿井瓦斯、煤层自燃倾向性 根据历年瓦斯等级鉴定结论,矿井最大相对瓦斯涌出量8.87m3/t,最大绝对瓦斯涌出量1.02m3/min,属瓦斯矿井。根据云南省煤炭产品质量检查站的鉴定报告:C5b煤层自燃倾向性分类为II类,属自燃煤层,C6a煤层自燃倾向性分类为III类,属不易自燃煤层,C5b煤层、C6a煤层无煤尘爆炸性。 二、地质构造 矿区允许开采范围位于石坎向斜西翼,倾角35°~48°,矿区东侧发育有F1断层,且位于煤层露头边沿,对矿井的开采无影响。矿区构造复杂限度为简朴类型。 第三章 瓦斯治理方案及措施 一、成立瓦斯治理领导机构及职责 1.成立机构 组 长:毛福选(矿长) 副组长:秦光国(总工程师) 成 员:蒋义建(安全副矿长) 苏坤凤(生产副矿长) 廖艳平(机电副矿长) 李华伯 (通防技术员) 廖黄飞 (地测技术员) 陈举藩(机电技术员) 毛朝沛(采煤技术员) 谢先强 (掘进技术员) 2.领导机构具体职责、规定 (1)组长对矿井防治瓦斯事故全面负责,定期检查,平衡矿井防治瓦斯工作,解决所需人、财、物等问题,保证矿井防治瓦斯工作正常进行。 (2)矿总工程师对防治瓦斯事故负技术责任,负责组织编制、审批、实行、检查矿井防治瓦斯工作规划、计划和措施,指导矿井开展防治瓦斯工作。 (3)按照岗位责任制,各分管副矿长、技术员对分管范围内的瓦斯管理工作负责,负责贯彻所分管业务范围内的瓦斯防治工作。 (4)相关科室和施工队负责人:对分管单位业务范围内的防治瓦斯工作负管理责任。 (5)相关单位技术员:对分管单位业务范围内的防治瓦斯工作负技术责任。 (6)瓦斯防治工作领导小组定期召开瓦斯防治专题会议,由矿总工程师负责组织有关人员(涉及矿分管领导、科室和施工队负责人),实行参会人员签到制度。领导小组要认真执行“一通三防”隐患排查整改制度,会议列出的“一通三防”隐患必须按照“五贯彻”规定进行整改闭合管理。 (7)每月底前召开瓦斯治理综合分析例会,按照“通风可靠、抽采达标、监控有效、管理到位”的煤矿瓦斯综合治理工作体系和基本规定和“风量足、断面够、系统顺、设施牢、不失爆”原则,总结当月防治瓦斯工作,根据矿井下月生产安排,逐头逐面分析瓦斯灾害情况,安排下月灾害预报和防治瓦斯工程计划,保证矿井安全生产。 (8)天天的矿调度会议均要把防瓦斯工作放在首位,领导小组应组织参会相关人员必须逐头逐面进行分析,对采掘工作面出现地质构造变化,煤层变薄、变厚、应力集中区要及时分析瓦斯变化情况。 (9)矿井进行反风演习、通风系统调整时,瓦斯防治工作领导小组必须召开专题会议进行部署。 二、通风系统治理方案及措施 (一)采掘布掘 1.开拓布置 矿井开拓方式为平硐+斜井综合开拓,目前矿井有三对井硐,即:+1408m主斜井标高,+1409m回风平硐,新掘+1418m回风斜井,矿井现开采水平为+1220m,目前+1418m回风斜井正在施工之中,机械化改造升级首采区开拓布置暂运用原有生产通风系统。 2、井巷施工 根据《镇雄县山脚煤矿有限公司2023年度生产计划》,2023年度矿井计划完毕机械化升级改造扩建建设井巷工程3693m,其中新掘井巷工程量1286m,维护改造原有巷道工程量2407m。全年计划组织两个岩巷掘进工作面和两个改扩维修点,目前新回风斜井正在施工中,其供风于地面安设局扇风机供应,井下仅布置一个岩巷掘进工作面(新回风斜井、回风上山)和两个改扩维修点(轨道暗斜井、11501采面回风巷)。 (二)通风系统 1.通风系统合理可靠 (1)主扇通风 (1)矿井目前安装使用FBCDZNo13/2×30对旋轴流式重要通风机2台,额定风量18.3~28.3m3/s,风压:H=150~1800Pa,其中1台运营,1台备用。后期+1418m回风斜井按照设计规定安装FBCDZNo18-6/2×90对旋轴流式重要通风机2台,额定风量30~65m3/s,风压:H=300~3300Pa,其中1台运营,另1台备用。 (2)矿井现有6台FBD№5.6/2×11型矿用防爆对旋局部通风机,额定风量360~230m3/min,额定风压风压:620~4230Pa,,4台FBD№6.0/2×22型矿用防爆对旋局部通风机,额定风量470~300m3/min,额定风压:770~4300Pa。 (2)局扇通风 建设期间岩巷掘进工作面配备FBD№6.0/2×22型矿用隔爆压入式对旋轴流局部通风机,采用Φ500mm抗静电阻燃柔性风筒供风,可以满足规定。局部通风机重要参数详见表1。 表1 局部通风机重要参数 型号 局部通风机重要参数 功率(kW) 风量(m3/min) 全风压(Pa) 全压效率(%) 噪声(dB) FBD№6.3/2×22 22×2 470~300 770~4300 ≤80 ≤25 改扩维修点配备FBD№5.0/2×11型矿用隔爆压入式对旋轴流局部通风机,采用Φ500mm抗静电阻燃柔性风筒供风,可以满足规定。局部通风机重要参数详见表2。 表2 局部通风机重要参数 型号 局部通风机重要参数 功率(kW) 风量(m3/min) 全风压(Pa) 全压效率(%) 噪声(dB) FBD№5.0/2×11 11×2 360~230 620~4230 ≤75 ≤25 (3)通风方式 矿井通风方式为并列式,通风方法为机械抽出式. (4)通风系统 根据矿井的开拓部署及通风方式,矿井目前采用“一进一回”通风,新鲜风流由+1408m主斜井进入,经井底车场、暗主斜井(皮带斜井)、区段运送巷进入各掘进工作面及改扩维修点;掘进工作面和改扩维修点污风经回风巷、总回风上山,+1409m回风平硐、引风硐,然后由重要通风机排出地面;后期随着+1418m新回风斜井与+1350m南运送巷贯通后,矿井通风系统随之改变,形成“两进一回”通风,即+1408m主斜井和+1409m辅助平硐(现回风平硐)进风,+1418m回风斜井回风。 掘进工作面及改扩维修点采用局部通风机压入式供风。 2.加强通风管理防止瓦斯积存的措施 (1)通风异常是导致瓦斯积存的重要因素,建立一个安全可靠、完整的、独立的通风系统,采用中央并列式通风方式,重要通风机工作方法为抽出式,通风机房有专人值班管理主扇风机。 (2)矿井配备了2台重要通风机,一台工作,一台备用。 (3)矿井总风量计算符合本矿实际情况,合理进行风量分派,准时每旬进行测风,在阻力计算中进行了风速验算和校核。 (4)建立完善的通风设施和通风系统的检查制度。配备足够数量的通风安全检测仪表,仪表必须由国家授权的安全仪表计量检查单位进行检查。 (5)加强局部通风及局部风机管理。 掘进工作面采用局部通风机通风,局部通风机配备有同等能力的备用局部通风机,并能自动切换。正常工作的局部通风机采用三专(专用开关、专用电缆、专用变压器)供电,当正常工作的局部通风机故障时,备用局部通风机能自动启动,保持掘进工作面正常通风。 ②局部通风机和启动装置,安装在进风巷道中,距掘进巷道回风口均大于10m;全风压供应该处的风量必须大于局部通风机的吸入风量,杜绝循环通风,局部通风机安装地点到回风口间的巷道中的最低风速必须符合《煤矿安全规程》有关规定。   ③局部通风机必须由指定人员负责管理,保证正常运转,天天应进行一次正常工作的局部通风机与备用局部通风机自动切换实验,每15天要进行瓦斯、风电闭锁实验一次。实验记录要存档备查。   ④局部通风机安装和拆除应由生产部门提出申请,通风、机电等部门审查并共同实行。   ⑤严禁3台以上(含3台)的局部通风机同时向1个掘进工作面供风。不得使用1台局部通风机同时向2个作业的掘进工作面供风。  (6)风筒管理   ①采用抗静电、阻燃风筒,风筒直径不得低于500mm。   ②加强对风筒的维护,风筒必须整齐,转弯应平缓,破损的风筒必须及时修补,减少风筒的漏风,保证工作面迎头有足够的风量。   ③掘进工作面施工过程中,风筒出风口应随工作面掘进及时移动,保证掘进工作面有足够风量,风筒出口到掘进工作面的距离不得超过5m。   ④风筒吊挂要平、直、紧、稳,逢环必挂。   ⑤风筒在拐弯、过风墙处要用硬质风筒,不准拐死弯。   ⑥风筒间接口严密,无破口(末端20m除外),无反接头,采用双反压边。 3.及时安全地解决已积存的瓦斯 (1)因检修、停电或其他因素停止重要通风机运转时,必须制定停风措施。 (2)使用局部通风机供风的地点必须实行风电闭锁,保证当正常工作的局部通风机停止运转或停风后能切断停风区内所有非本质安全型电气设备的电源。正常工作的局部通风机故障,切换到备用局部通风机工作时,该局部通风机通风范围内应停止工作,排除故障;待故障被排除,恢复到正常工作的局部通风机后方可恢复工作,使用2台局部通风机同时供风的,2台局部通风机都必须同时实现风电闭锁。 (3)使用局部通风机通风的掘进工作面,不得停风;因检修、停电、故障等因素停风时,必须将人员所有撤至全风压进风流处,并切断电源。 恢复通风前,必须由专职瓦斯检查员检查瓦斯。只有在局部通风机及其开关附近10m以内风流中的瓦斯浓度都不超过0.5%时,方可由指定人员启动局部通风机。 (4)矿井必须有因停电和检修重要通风机停止运转或通风系统遭到破坏以后恢复通风,必须编制排放瓦斯和送电安全措施。恢复正常通风后,所有受到停风影响的地点,都必须通过通风、瓦斯检查人员检查,证实瓦斯浓度低于1.0%以下,无危险后,方可恢复工作。所有安装电动机及其开关的地点附近20m的巷道内,都必须检查瓦斯,只有瓦斯浓度符合《煤矿安全规程》规定期,方可启动。 (5)临时停工地点,不得停风;否则必须切断电源,设立栅栏,揭示警标,严禁人员进入,并向调度室报告。停工区内瓦斯或二氧化碳浓度达成3.0%或其他气体浓度超过《煤矿安全规程》规定不能立即解决时,必须在24h内封闭完毕。 (6)恢复已封闭的停工区或采掘工作接近这些地点时,必须事先排除其中积聚的瓦斯。排除瓦斯工作必须制定安全技术措施。 (7)严禁在停风或瓦斯超限区域内作业。 4.加强瓦斯排放工作的安全管理 (1)瓦斯排放实行分级管理制度。 ①临时停风时间短,瓦斯浓度不超3%的采掘工作面,由通风队和瓦斯检查员负责就地排放。   ②巷道瓦斯浓度超过3%,排放瓦斯风流途径路线短、直接进入回风系统,不影响其他采掘工作面的排放瓦斯的安全措施必须由矿总工程师组织有关部门共同审查签字批准,由矿山辅助救护队排放,并报县级煤炭管理部门备查。 ③掘进巷道瓦斯积聚或贯通已封闭的停工区,瓦斯浓度超过3%,排放瓦斯路线长,影响范围大,排放瓦斯风流切断采掘工作面的安全出口,其排放瓦斯的安全措施必须由矿总工程师组织有关部门共同审查签字批准,由矿山辅助救护队排放,并报县级煤炭管理部门备查。 ④批准的排放瓦斯的安全措施必须由矿总工程师负责组织贯彻,责任贯彻到人,并签字备查。 ⑤由通风科负责监督排放瓦斯的安全措施的实行,必须有安全检查人员在现场监督检查,安全措施不贯彻,绝对严禁排放瓦斯;若发现违章排放瓦斯,必须责成立即停止,并追查责任,严厉解决。 (2)局部通风机因故停止运转,在恢复通风前,必须一方面检查瓦斯,只有停风区中最高瓦斯浓度不超过0.5%和最高二氧化碳浓度不超过1.5%,且符合上述第三条启动局部通风机的条件时,方可人工启动局部通风机,恢复正常通风。 (3)停风区中瓦斯浓度超过1.0%或二氧化碳浓度超过1.5%,最高瓦斯浓度和二氧化碳浓度不超过3.0%时,必须采用安全措施,控制风流排放瓦斯。 (4)停风区中瓦斯浓度或二氧化碳浓度超过3.0%时,必须制订安全排瓦斯措施,报矿技术负责人批准。 (5)在排放瓦斯过程中,排出的瓦斯与全风压风流混合处的瓦斯和二氧化碳浓度都不得超过1.5%,且采区回风系统内必须停电撤人,其他地点的停电撤人范围应在措施中明确规定。只有恢复通风的巷道风流中瓦斯浓度不超过1.0%和二氧化碳浓度不超过1.5%时,方可人工恢复局部通风机供风巷道内电气设备的供电和采区回风系统内的供电。 (6)独头巷道长或封闭的独头巷道启封后排放瓦斯采用逐段通风排放法:排放由外向内逐段分段进行,先准备一节5m长的短风筒,接在密闭外的风筒上,用于冲淡启封密闭墙的开口孔洞瓦斯,控制风筒的排风量,使冲淡后的瓦斯浓度低于1.5%,正常后再分段接长风筒逐段排放巷道积存瓦斯,直到全独头积存瓦斯排放完转入正常通风时止。 5.硐室通风管理措施 (1)井下独立通风硐室的通风系统 根据矿井开拓系统布置,井下需独立通风的硐室为机电硐室。 机电硐室的通风线路为:主斜井→联络巷→轨道下山→机电硐室→回风斜井→地面。 (2)采用扩散通风的硐室及通风规定 硐室深度不超过6m、入口宽度不小于1.5m而无瓦斯涌出,可采用扩散通风。根据本矿的开拓布置,井下临时避难硐室、临时材料库、临时水仓均采用扩散通风的硐室。 6.井下通风设施管理   (1)通风设施竣工后,必须由通风科会同施工单位进验收,不合格的必须经整改合格后方能投入使用。   (2)每月由矿技术负责人牵头,对矿井通风设施进行一次全面的检查。矿安全员必须天天对井下通风设施进行巡视,发现问题及时解决,并向矿地面值班室报告。   (3)各生产班组对本区域的通风设施负责管理,任何单位和个人不得随意破坏或拆除通风设施。   (4)各生产区域的负责人、瓦检员,必须对所辖区域的通风设施的管理和使用负责,保证通风设施随时处在正常工作状态。发现问题时,应立即向地面值班室报告,及时组织人员修复。   (5)井下的正向风门必须联锁,严禁矿车冲撞风门。   (6)掘进工作面的专职瓦检员必须及时缝补风筒破口或更换风筒,保证碛头风量符合作业规程的规定。   (7)通风设施前后10米范围内严禁堆放材料、设备及其它杂物。   (8)采空区必须及时封闭。采煤工作面回采结束后,必须及时用永久密闭封闭采空区,在密闭前必须设立栅栏和警标,严禁人员入内。密闭墙施工前,必须拆除同封闭区相连通的轨道、铁管、电缆等。   (9)井下盲巷和临时停风地点必须设立密闭和栅栏,定期检测瓦斯和氧气浓度,并挂牌管理严禁任何人违章进入。 7.通风设施及减少风阻、防止漏风的措施 (1)根据通风需要,安设风门、调节风门。 (2)同一井巷内安设两道风门时,必须保证两道门不同时启动,以导致风流短路。 (3)勿在巷道内堆放杂物,保证巷道的有效断面。 (4)严格按设计掘进、支护巷道,以保护巷道断面尺寸。 (5)加强对各种通风设施和巷道的平常管理。 (6)对相邻巷道的掘进时,尽量减少放炮震动,同时注意加强支护,防止岩体(或煤体)松动或破碎,以有效防止漏风。 (7)加强对各通风设施的管理,相应密闭的地点应采用构筑物或永久密闭装置密闭,以保证满足通风及其它功能需要。 8.巷道贯通管理 (1)在掘进巷道同其它巷道或老空、老巷贯通时,为防止通风、瓦斯、水、火、放炮事故的发生,必须制定专门的安全技术措施,报矿技术负责人批准。 (2)掘进巷道贯通综掘50米、炮掘20米前,安全员必须向安全科和矿技术负责人报告,并下达贯通告知书,告知相关部门和作业人员。 (3)相向掘进的巷道相距20米前,必须停止一个工作面的掘进,撤出人员,并保持正常的通风和瓦斯检查。正常掘进的工作面,每次放炮前,班组长和瓦检员必须共同到停掘的工作面检查通风和瓦斯浓度。当瓦斯浓度超限时,必须先停止掘进面的工作,然后进行解决。只有在两个掘进工作面的瓦斯浓度都在1%以下时,方可放炮。放炮前,两个工作面都必须设立警戒。放炮后,班组长、放炮员、瓦检员必须巡视放炮地点,只有当两个工作面的通风、支护等都正常时,方可进行其它工作。 (4)间距小于20米的平行巷道掘进时,必须停止一个工作面。 (5)掘进巷道在穿老空前,必须制定穿老空的安全措施。 (6)掘进巷道贯通前,地测科应先绘制准确的测量图,随时掌握巷道进度,及时安排进行巷道贯通的通风系统调整工作。对特殊地段,必须坚持“有掘必探,先探后掘”的原则。 (7)被贯通巷道必须保持正常通风,瓦斯浓度必须在1%以下。 (8)贯通时,安全员,掘进队负责人必须在现场指挥。贯通后,通风科应立即组织人员调整通风系统。 (9)不得在应力集中区和地质构造复杂区贯通。 (10)巷道贯通前,必须保证停掘巷道和贯通的正常通风,每次爆破前,必须派专人和瓦斯检查工共同到停掘的工作面检查工作面及其回风流中的瓦斯浓度,瓦斯浓度超限时,必须先停止掘工作面的工作,然后解决瓦斯,只有在2个工作面及其回风流中的瓦斯浓度都在1.0%以下时,掘进的工作面方可爆破,每次爆破前,2个工作面入口必须有专人警戒。 (11)巷道贯通后,必须停止采区内的一切工作,立即调整通风系统,风流稳定后,瓦检员检查工作面及回风流中的瓦斯浓度都在1.0%以下后,方可恢复作业。 三、分源治理瓦斯方案及措施 分源治理瓦斯是针对瓦斯来源的涌出量与涌出规律的特性采用相应的措施。 矿井瓦斯涌出的区域可分为回采区、掘进区和已采区。瓦斯来源是分源治理的基本依据。要同时测定矿井各回采区、各掘进区回风流中的瓦斯量,得到矿井瓦斯涌出量平衡表及周期性动态。 1.已采区:必须及时封闭,并保证密闭质量,以控制其瓦斯涌出。   已采区瓦斯涌出特点是:随着采止时间的增长,涌出量渐减;地面大气压力变化必然引起矿井井下大气压力的变化,对瓦斯涌出有着密切的关系,其涌出量会随之波动,气压减少时涌出量增大。因此大气压力变动季节,应加强对采空区瓦斯的观测与管理。当老空区涌出量较大时,应进行抽放瓦斯,抽放这种瓦斯方法简易,工程量小,容易奏效。 2.掘进区:涌出的瓦斯重要是煤巷所在煤层自身的瓦斯。 掘进区局部冒顶积存的瓦斯:可在支架顶梁处安设导风板冲淡瓦斯或用充填黄土的方法解决。 掘进瓦斯的涌出治理:可采用湿润煤体与洒水;减少一次爆破量与爆破深度;间歇掘进但不断风;双巷掘进;缩短独头掘进巷道的长度;加强通风,严格通风管理;限制掘进速度等措施。 3.回采区:回采工作面的瓦斯涌出特性与涌出量是回采区治理瓦斯的基础。 回采工作面采用U形通风系统,这种系统具有漏风小的优点,但在上隅角附近由于采空区涌出的瓦斯大部分在这里集中,同时在此处风速低,风量局限性,容易积存瓦斯而超限。解决措施:采用采空区留管抽放方法进行瓦斯抽放,将高浓度瓦斯通过抽放管抽到地面排放;在工作面上隅角附近设立木板隔墙或帆布风障,迫使一部分风流流经上隅角,将积存瓦斯冲淡、排出。 顶板附近瓦斯解决:若回采工作面风速未能保证设计风速而小于1m/s,则容易使瓦斯浮于巷道顶板附近,形成一个比较稳定的带状瓦斯层,这即是瓦斯的层状集聚。解决办法是保证回采工作面的设计风速,使瓦斯与风流能充足地紊流混合,冲淡及排出。  4.井下停风地点栅栏外风流中的瓦斯浓度天天至少检查1次。  5.在生产过程中,要组织专职人员及时封闭废弃的盲巷及采空区,对暂不运用巷道应封闭或挂危险牌,加强这些地方的瓦斯监测,防止瓦斯聚集。对回风顺槽中聚集的煤尘应组织专人按期清扫,消除瓦斯煤尘爆炸隐患。 四、严格瓦斯检查制度 1.矿井必须建立严格的瓦斯及其他有害气体的检查制度。   2.瓦斯检查员必须经三级以上资质煤矿安全培训机构培训,持有其颁发的任职资格证书。 3.矿井总回风巷或一翼回风巷瓦斯或二氧化碳浓度不得超过0.75%;采区回风顺槽、采掘工作面回风顺槽风流中瓦斯浓度不得超过1.0%,二氧化碳浓度不得超过1.5%。 4.矿井必须建立安全仪表计量检查制度。建立矿井安全监测监控系统。   5.建立完备的瓦斯和其他气体检查制度。矿长、矿技术负责人、爆破工、采掘区队长、通风区队长、工程技术人员、班长、流动电钳工、安全监测工、抽水工、密闭工、钻探工等特作岗位工种人员下井时,必须携带便携式甲烷检测报警仪。瓦斯检查工必须携带光学甲烷检测仪和便携式甲烷检测报警仪。 6.采煤工作面、掘进工作面必须配备专职瓦斯检查员经常检查瓦斯各作业地点每班至少检查三次,其它用风地点每班至少检查一次,本班无人作业的地点每班至少检查一次,密闭前每周至少检查一次。水泵房、煤仓上下口、其他巷道的瓦斯每班至少检查1次;井下停风地点的密闭、栅栏外风流中的瓦斯浓度天天至少检查1次,挡风墙外的瓦斯浓度每周至少检查1次。 7.瓦斯检查人员执行瓦斯巡回检查制度,并认真填写瓦斯检查班报。每次检查结果必须记入瓦斯检查班报手册和检查地点的记录牌上,并告知现场工作人员。瓦斯浓度超过1.0%时,瓦斯检查工有权责令现场人员停止工作,并撤到安全地点。通风瓦斯日报必须送矿长、矿技术负责人审查并签字。瓦斯手册、瓦斯牌板、瓦斯台账必须三对口。 8.在采煤工作面回风上隅角或掘进迎头不大于5m处悬挂便携式甲烷检测报警仪,一旦出现瓦斯涌出现象,立即停止作业、撤出人员、切断电源,向矿领导报告,制定专门措施解决。 五、控制和消除引爆火源措施 (一)井下爆破防止引燃瓦斯措施   1.井下每个爆破作业点的爆破工作必须由一名专职放炮员担任,爆破工必须是经有资质部门培训考试合格后持证上岗,使用专用发爆器,爆破母线采用绝缘好的双线并独立悬挂且距电缆0.5米以上,严禁与其它动力、通信电缆接触,不允许有破口或明接头。   2.采掘工作面或其他作业地点风流中瓦斯浓度达成1.0%时,必须停止用电钻打眼;爆破地点附近20m以内的风流瓦斯浓度达成1.0%时,严禁爆破。 3.井下放炮:放炮必须遵守井下爆破的有关内容的规定。 (1)采、掘工作面都必须使用安全等级不低于三级的煤矿许用含水炸药和煤矿许用雷管。使用煤矿许用毫秒电雷管时,最后一段的延期时间不得超过130毫秒。   (2)采、掘工作面应采用毫秒爆破。在掘进工作面必须全断面起爆,在采煤工作面,严禁使用两台放炮器同时进行放炮。   (3)炮眼封泥应用水炮泥,水炮泥外剩余的炮眼部分,应用粘土炮泥封实。   (4)炮眼封泥严禁用煤粉,块状材料或其他可燃性材料,无炮泥或不实的炮眼,严禁放炮。   (5)炮眼内发现异状、温度骤高骤低、有显著瓦斯涌出、煤岩松散、透老空等情况时,不准装药放炮。   (6)放炮母线、连接线和电雷管脚线必须互相扭紧并悬挂,不得同轨道、金属管、钢丝绳、刮板输送机等导电体相接触。严禁使用固定放炮母线。   (7)在放炮地点20m内,有矿车、未清除的煤、矸或其他物体堵塞巷道1/3以上时,不准装药放炮。   (8)解决瞎炮(涉及残炮)必须在班组长直接指导下进行,并应在当班解决完毕。假如当班未能解决完毕,放炮员必须同下一班放炮员在现场交接清楚。   (9)放炮时,应采用正向起爆。   (10)放炮必须严格执行“一炮三检查”(装药前、放炮前、放炮后)和“三人连锁”(放炮员、班组长、瓦检员)制度,严禁采用糊炮、明火放炮和一次装药多次放炮。   (11)炮眼深度和炮眼的封泥长度应符合下列规定: ①炮眼深度小于0.6m时,不得装药、爆破;在特殊条件下,如挖底、刷帮、挑顶确需浅眼爆破时,必须制定安全措施,炮眼深度可以小于0.6m,但必须封满炮泥。   ②炮眼深度为0.6~1m时,封泥长度不得小于炮眼深度的1/2。   ③炮眼深度超过1m时,封泥长度不得小于0.5m。   ④炮眼深度超过2.5m时,封泥长度不得小于1m。   ⑤光面爆破时,周边光爆炮眼应用炮泥封实,且封泥长度不得小于0.3m。   ⑥工作面有2个或2个以上自由面时,在煤层中最小抵抗线不得小于0.5m,在岩层中最小抵抗线不得小于0.3m。浅眼装药爆破大岩块时,最小抵抗线和封泥长度都不得小于0.3m。   (12)严格执行《规程》中关于爆破材料和井下放炮的各条规定。 4.采用远距离爆破,启爆地点必须设在进风侧反向风门之外的全风压通风的新鲜风流中或避难硐室内。 (二)电气防爆措施   1.机电设备入井前必须由机电矿长组织检查其“产品检查合格证”、“防爆合格证”、“煤矿矿用产品安全标志”是否齐全,并检查其安全性能,合格后,方准入井安装使用。大修后的设备入井前必须经其检查合格后方可入井。 2.井上、下装设防雷电装置;井下不得带电检修搬迁电气设备、电缆和电线;电气设备实行挂牌管理,电缆悬挂必须符合规定,井下机电设备硐室防火设施必须齐全,并有机电设备运营记录。 3.井下供电应做到“两全”、“三坚持”、“三无”、“四有”、“两全”,   (1)防护装置全,绝缘用品全。 (2)“三坚持”坚持使用检漏继电器,坚持使用煤电钻、照明和信号综合保护装置,坚持使用瓦斯电、风电闭锁。 (3)“三无”无鸡爪子、无羊尾巴、无明接头。 4.“四有”有过流和漏电保护装置,有螺钉和弹簧垫,有密封圈和挡板,有接地保护装置。   5.井下电气设备、仪器、仪表、电缆、照明灯具等的选择规定:   (1)允许使用经安全检测鉴定,并取得煤矿矿用产品安全标志的矿灯。 (2)普通型携带式电气测量仪表,必须在瓦斯浓度1.0%以下的地点使用,并实时监测使用环境瓦斯浓度。   (3)煤矿安全监控设备之间必须使用专用阻燃电缆或光缆连接,严禁与调度电话电缆或动力电缆等共用。   (4)井下照明线必须使用阻燃电缆,电压不得超过127V。 6.电气设备防爆当班电工每班检查一次,机电科天天检查一次,杜绝失爆现象。停电的电气设备每次启动前都必须检查瓦斯,只有瓦斯浓度在0.5%以下时才干启动电机。   7.停风、停电的工作面,未经排放检查瓦斯,严禁送风送电。   8.有故障的供电线路,不准强行送电。严禁带电检修和移动电气设备。   9.电气设备的保护装置失灵后,不准送电 (三)防止撞击产生火花的措施   1.防止机械摩擦火花和冲击火花的产生,采用安设过热保护装置,使用难引火性合金工具(如使用铵铜合金工具等)等措施。   2.高分子聚合材料制品,如风筒、运送胶带等,容易因摩擦而积聚静电,当其静电放电时,也许引燃瓦斯、煤尘或发生火灾。因此井下应采用无静电、难燃的聚合材料制品,其内、外两层表面电阻都必须不大于3×108Ω,并应在使用过程中保持此值。 3.采掘工作面或其他作业地点风流中,电动机或其他开关安设地点附近20m以内风流中瓦斯浓度达成1.5%时,必须停止工作、切断电源,撤出人员,进行解决。   4.矿灯的管理和使用要遵守下列规定: (1)矿井完好的矿灯总数,至少应比经常用灯的总人数多10%。   (2)矿灯集中统一管理。每盏矿灯必须编号,经常使用矿灯的人员必须专人专灯。 (3)矿灯应保持完好。如有亮度不够、电线破损、灯锁不良、灯头密封不严、灯头松动、玻璃破裂等情况时,严禁发放。发出的矿灯,最低应能连续正常使用11h。严禁使用假冒伪劣矿灯。 (4)严禁使用矿灯人员拆开、敲打、撞击矿灯。人员出井后,必须立即将矿灯交还矿灯房。   (5)在每次换班2h内,灯房人员必须把没有还矿灯人员的名单报矿调度室。   (6)矿灯必须装有可靠的短路保护装置,并装有短路保护器。 (四)防止产生引燃瓦斯爆炸的明火火源措施 1.严格执行入井人员检身制度。   2.严禁携带烟草和点火物品下井;严禁穿着化纤衣服;严禁进行电焊、气焊和喷灯焊接工作,井下需要进行电焊、气焊和喷灯焊接时,应严格遵守《煤矿安全规程》有关规定并制定电焊、气焊和喷灯焊接的安全技术措施。   3.井口房及通风机房周边20m内严禁使用明火。井下严格严禁使用灯泡取暖和使用电炉。矿灯应完好,否则不得发出矿灯。应爱惜矿灯,严禁在井下拆开、敲打、撞击矿灯。   4.井下严禁存放汽油、煤油和变压器油等易然易爆物品。 (五)防止地面雷电波及井下措施 井上、下必须装设防雷电装置,并遵守下列规定:   1.经由地面架空线路引入井下的供电线路,必须在入井处装设防雷电装置。   2.由地面直接入井的轨道及露天架空引入(出)的管路,必须设立绝缘装置,必须在井口附近将金属体进行不少于2处的良好的集中接地。   3.通信线路必须在入井处装设熔断器和防雷电装置。 六、瓦斯、煤尘爆炸隔爆措施 (一)防止灾害扩大的措施   1.矿井重要通风机安设反风装置,井下各通风构筑物均按反风规定设立,满足井下灾害发生时全矿井及局部反风需要,减少灾害损失。 2.重要通风机出风井口安装防爆门,防止爆炸事故发生后重要通风机损坏,影响全矿井通风。   3.加强职工安全教育,下井人员必须配备压缩氧自救器,熟悉避灾路线。   4.各工作面必须采用独立通风,串联通风不得超过一次,并且要制定具体措施。   5.不使用的废弃巷道必须及时封闭。   6.编制矿井灾害防止和瓦斯爆炸事故解决计划,防止灾害的发生。   7.风井井口设立防爆门,防止爆炸产生的冲击波摧毁重要通风机,从而导致救灾和恢复生产的困难。   8.主扇有反风装置,能在10min内改变风流方向。 (二)隔爆措施   隔绝瓦斯、煤尘爆炸传播可采用喷雾洒水、撒布岩粉、隔爆水棚(水棚、岩粉棚)等措施,本矿重要采用以下措施。 1.防尘降尘
展开阅读全文

开通  VIP会员、SVIP会员  优惠大
下载10份以上建议开通VIP会员
下载20份以上建议开通SVIP会员


开通VIP      成为共赢上传

当前位置:首页 > 包罗万象 > 大杂烩

移动网页_全站_页脚广告1

关于我们      便捷服务       自信AI       AI导航        抽奖活动

©2010-2026 宁波自信网络信息技术有限公司  版权所有

客服电话:0574-28810668  投诉电话:18658249818

gongan.png浙公网安备33021202000488号   

icp.png浙ICP备2021020529号-1  |  浙B2-20240490  

关注我们 :微信公众号    抖音    微博    LOFTER 

客服