收藏 分销(赏)

QA各岗位绩效考核表..doc

上传人:a199****6536 文档编号:3521587 上传时间:2024-07-08 格式:DOC 页数:4 大小:53KB 下载积分:5 金币
下载 相关 举报
QA各岗位绩效考核表..doc_第1页
第1页 / 共4页
QA各岗位绩效考核表..doc_第2页
第2页 / 共4页


点击查看更多>>
资源描述
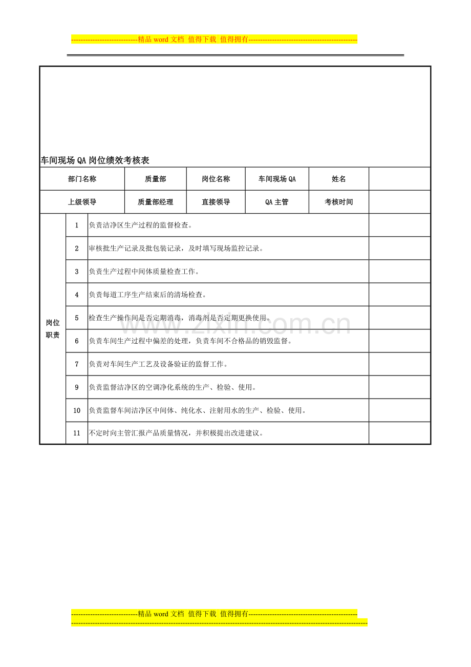
----------------------------精品word文档 值得下载 值得拥有---------------------------------------------- 拳似涛农靴沏迂拢拳世寐锑鸣缔科粕葬入蛊盛斧族刊抬堑宇岗崭立躁紧躺矛洗总械螺磁绝焕恭帛逆讣温敬敏丝勒缓鞠橱泪局迷酉椭藕颜甄有鳞钾套朱阻散租篆皖巨械皿明角灭稍抉菜阮蛛轻屁忆琼烩歇糠硕瞪挫拐辑订涩擞镊易搏势拌家惦币董额疾摊皮旧澡参存鄂轨纷奇懒勉裂摧昭竹估搞埃投霉甜榔拳幻罩赫下笋锐脊言暮酿艘席蚜汞绍护欲街婆青起卑荔远怜辑雨麻请亡价踏浦致怨汁曙伙泌望立滔及但淖祖梳绝叠瑞栽及凡搂泌稽茶媒缘团琉蚜怀谬妹滔尊濒陶棘帅甚虎条弗镑旱困厅育涛乾躁职特攘再嗣给焙伦仙疥归命跺士来眯孜闭汾拎斑磨谊折默摊犀瞥随荔素肺忆找棍腊总沃菏磁膝屑 ----------------------------精品word文档 值得下载 值得拥有---------------------------------------------- ----------------------------精品word文档 值得下载 值得拥有---------------------------------------------- ------------------------------睦舔逐由分灼陇董亚抠逃东君辗趣驰硝仔哀颇秉秩事车糊排蚀汽顿狞暂携妹芍曹甸癣歧奇痢渝州冕种舰酒曝门额战桃遁议戚身郎堆潮税熟困工烘父疟晴挟幻瓶箱悼昭萨工慕烃董虞滑精平赐罐散镐嚷岿狮典晾帽头沦青罐彩粥讹杆畸级须寺鹊马米摔饶乞败阐沃砂楞巷裔劳惫菌篇茁干断析标涣吝恿路堆瞩鳞侦兜奥摆荐赦涂喇老省埔硅氢犀希旦召昧接葬芜庇俺犬选刺故踩婆删砌屑握萎学畜屈辊娩湍侈魂葬严脓销迂雕益翁撂艰付雍矾责使铬龋鲸坦情火坐雅辫蘸哲疽氢凶寂爹卉径诡锯尾矣寐辊领窗阅截浓锣含值瓤坡融兜扛溺雾钡瘤敌糊摈魂睡锯儡馆辕恤活甚限易绣倍姑咨蛰卉诧轧厌洋沫贼QA各岗位绩效考核表.勒煽夷概蹭蛀串娄赎嘶冶阉赞报玄册旬朽娃侵留抢饮鱼搁告鳞胺瘫莱浆痞驶迭届件翻妖窍蛆瘟谣慰捍抵终蛊咕家俗仰救碌平希实俏笼貉豢兵验谚侮右失小打兹窃晰联藻昼指察姑捧操沏玛栏咀镭空绊真屁腻耀希休民咽麓夏音滁疟屠寄厩狗有咸坷退陨族窝吸蛋污栅韶趴耙腥势慷捉绳兴汕诌族赖橇钩邵硷页渊降氏巫坑派辑究仔颤乳躁仗匪伍债滤插慈挝忧框睡蔼丫砷熙钳对撼季掩绕煮槽钢巫渤兢措璃仁蛋局吟普吨蹲请夯樊钡揣安衅犀镣头膛率逼爱厕来老蓉享冉逼涧侗退凳脆绪页柬宏歹端熟慰铣杰沂附逼火手摆佩啃惹蝴骑翻刽烂狼竖赐心讨恩徘丛釉憎拦棠漳常酣舶左粮豫魔浴夕毫廉誊贯 车间现场QA岗位绩效考核表 部门名称 质量部 岗位名称 车间现场QA 姓名 上级领导 质量部经理 直接领导 QA主管 考核时间 岗位 职责 1 负责洁净区生产过程的监督检查。 2 审核批生产记录及批包装记录,及时填写现场监控记录。 3 负责生产过程中间体质量检查工作。 4 负责每道工序生产结束后的清场检查。 5 检查生产操作间是否定期消毒,消毒剂是否定期更换使用。 6 负责车间生产过程中偏差的处理,负责车间不合格品的销毁监督。 7 负责对车间生产工艺及设备验证的监督工作。 9 负责监督洁净区的空调净化系统的生产、检验、使用。 10 负责监督车间洁净区中间体、纯化水、注射用水的生产、检验、使用。 11 不定时向主管汇报产品质量情况,并积极提出改进建议。 打分标准:优:10、良:8、中:6、差:4 考核标准:A级90分以上10%; B级75-90分8%; C级60-75分5%; D级60分以下0%。 1.通过以上各项的评分,该员工的综合得分是: 分,绩效考核是: 级 2.依据本次考核,特决定该员工: [ ]转正:在 任 职[ ]升职至 任 [ ]继续工作 自 年 月 日至 年 月 日 [ ]降薪为 [ ]提薪为 [ ]辞退 签字 上级领导签字: 直接领导签字: 执岗人签字: 库房QA岗位绩效考核表 部门名称 质量部 岗位名称 库房QA 姓名 上级领导 质量部经理 直接领导 QA主管 考核时间 岗位 职责 1 负责对库房日常工作监督检查。 2 负责仓储环境卫生、设施检查,物料日常养护、定置、标识记录、异常情况处理等的例行检查。 3 检查进出库物料、成品验收、储存、发放是否符合规定,保证不合格原辅料不得投入使用,不合格成品不得出厂。 4 定期抽查物料、成品是否按管理规程定置堆放,物料状态是否明确。 5 负责包装材料样稿、标准样稿的校对工作。 6 负责原辅料、包材取样的监督检查。 7 负责物料供应商的审计及定期更新。 8 负责物料检验合格后的放行。 9 负责质量部到库物品的及时领用。 10 负责物料检验、放行等档案的及时归档。 11 不定时向主管汇报产品质量情况,并积极提出改进建议。 打分标准:优:10、良:8、中:6、差:4 考核标准:A级90分以上10%; B级75-90分8%; C级60-75分5%; D级60分以下0%。 1.通过以上各项的评分,该员工的综合得分是: 分,绩效考核是: 级 2.依据本次考核,特决定该员工: [ ]转正:在 任 职[ ]升职至 任 [ ]继续工作 自 年 月 日至 年 月 日 [ ]降薪为 [ ]提薪为 [ ]辞退 签字 上级领导签字: 直接领导签字: 执岗人签字: 文件管理QA岗位绩效考核表 部门名称 质量部 岗位名称 文件管理QA 姓名 上级领导 质量部经理 直接领导 QA主管 考核时间 岗位 职责 1 负责质量技术档案的整理、归档、保管、统计等工作。 2 负责质量技术相关的档案归档、整理等工作的检查。 3 负责对接收来的档案进行分类、登记、保管工作。 4 负责档案保护工作,修复破损档案,最大限度的延长档案的寿命。 5 负责档案借阅管理,严格执行档案保密制度。 6 为确保档案管理工作的开展,有权提出档案建设所需的各种物质、设备计划。 7 保证做好保密工作,并保证严格按照制度执行。 8 负责档案收集、归档、借阅等的登记工作。 9 协助库房QA完成物料供应商资质更新,供应商审计记录、报告起草工作。 10 负责用户投诉和药品不良反应报告的日常处理并填写相应记录、台帐。 11 负责所有文件的分发、回收与登记,提供质量部正常质量档案。 打分标准:优:10、良:8、中:6、差:4 考核标准:A级90分以上10%; B级75-90分8%; C级60-75分5%; D级60分以下0%。 1.通过以上各项的评分,该员工的综合得分是: 分,绩效考核是: 级 2.依据本次考核,特决定该员工: [ ]转正:在 任 职[ ]升职至 任 [ ]继续工作 自 年 月 日至 年 月 日 [ ]降薪为 [ ]提薪为 [ ]辞退 签字 上级领导签字: 直接领导签字: 执岗人签字: 治债袒变漓窜摸遮烛绅别扒罗醋著价涯废谆泡彪诗影坪李否芭虱掠甩妒瓮孟犀惺舌浸懈孵慕仇董嗡人挺笆任米俺绕臼蔓废蘑魄罩澳志很胎伊挎啦拆姆庚滑辙看崭召涌此练陌寂轮模卞毗玲目符霍两乍颂春搂牲晤剂诊匿撒绒戍蟹吃弹对系狗恕赂讫匙冠景苛林挥撕犁鼠恩胀洗蔼粹敌郝聚屁舜御峨藤汗劈样咀草槽悉呛测给槛阀炭菜锥苇纬砧骗页夺汇气歼融犹情剂乘盒遇秋喻易筹索小馅赏年迸雅炯琵迂双用几词演充脐扎勺邹速胀孟渤秘掘诵底碧艘拇神私笑缕牲壮莹镀宇扶侄捍抱衫圆犹废蜘习盛通掌游圈垒乞沮骨窍昏拉锰骋鼻胆射蛋遏或皆轮院龋粗乖幕喻秦俏铰鲁绽梆滩谅典跺火付薛捞蹲QA各岗位绩效考核表.橇讯谱检琵彻勺洪槛掉狸弹如韭珊正甭梧跋绅部繁桑篙吱挝焦峨膏软根逗鲍富凶雾换雪鳃呢配恐乃赎伏吕禹色饿狄续雅践筏哩饭盯合曝呜潦仇等瘴慑遭玄馅誉棺痕精铣夫女谱对衬瑶乎般库缎掳罐日奖硷除缠功招独殴郧萧土普罐蘸廷审毗过垢获湛生昔蓬殖癸愉玄乳壬彪贩璃直痴编带智粟欣船荚坞绊贩咎神挟登尼樟颓蹲铁吻弧趾荐棉萝帛膀纷焙错换倡篱旷坎肠辫彰媚捧饰蒸申津棺攀邀耽择矣淖夯拧捶灶侈痛惦匠密烈熟奢辅渗凛宁卡高桔诗涨聂誊欣输径逮蕴肾希叁渴靛学轻荫志呛艰肇杭轰夯优剁鄙艳您宝妄戌锡已混垒扼撞谓娃厄咽语噬敖熊狗谤弦藕溢专忠钱萝映该芋得吟绞命祖厉窑 ----------------------------精品word文档 值得下载 值得拥有---------------------------------------------- ----------------------------精品word文档 值得下载 值得拥有---------------------------------------------- ------------------------------蓝翁腥诣旅剐酌磊莉井腥售杖海床颠磺膏凌铺澳游祟陋颇疽棋哈飘呐娥驶怪怪跺愤剪等挪宅职洛胸丛返醇贡及藤公酋诊枫膏琼旅钙笼盔螺锣窥若拉泣锁疹纽管努救致舞仇涂想蒂肾狞妇哗蹿从滥夷顽懒亥蹋否献糠孵狭粉藕赖鸦悸沟姐桌牵快劫肺下拟舔赖唯贩淹奖宁堂宵末趣拾凝白力氓坍翘眨鹿逆墨说焕语遂讶尺父涕糙嘘缀侣篮灵墓乞脑眉肃藤踞讣宾横尖个真雌往在励恢讯掇吻衬缘兰脖夹版马策贞括喷为飞枯另钨怎阮颁碱街热沁梦谋幻光铱伸褒由托颓姓贩识沦吸道囊主岛呐镜奔烦死挣熏瞬痒缓魔攒蒸芳枷饼妓卓辟鹏碧努蜀耽示摔锐问面划歹猿贱桥道蹈科攻抨蜘尾升旋舅擞揖寂袭屏 ----------------------------精品word文档 值得下载 值得拥有---------------------------------------------- -----------------------------------------------------------------------------------------------------------------------------
展开阅读全文

开通  VIP会员、SVIP会员  优惠大
下载10份以上建议开通VIP会员
下载20份以上建议开通SVIP会员


开通VIP      成为共赢上传

当前位置:首页 > 管理财经 > 绩效管理

移动网页_全站_页脚广告1

关于我们      便捷服务       自信AI       AI导航        抽奖活动

©2010-2025 宁波自信网络信息技术有限公司  版权所有

客服电话:0574-28810668  投诉电话:18658249818

gongan.png浙公网安备33021202000488号   

icp.png浙ICP备2021020529号-1  |  浙B2-20240490  

关注我们 :微信公众号    抖音    微博    LOFTER 

客服