收藏 分销(赏)

地基与基础混凝土工程.doc

上传人:可**** 文档编号:3349543 上传时间:2024-07-02 格式:DOC 页数:8 大小:104.50KB 下载积分:10 金币
下载 相关 举报
地基与基础混凝土工程.doc_第1页
第1页 / 共8页
地基与基础混凝土工程.doc_第2页
第2页 / 共8页


点击查看更多>>
资源描述
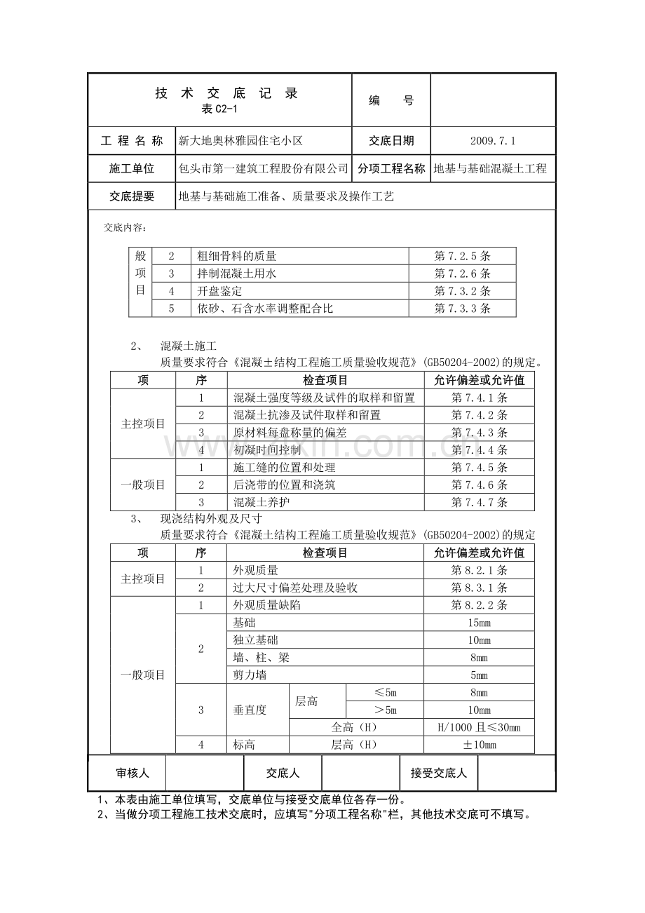
技 术 交 底 记 录 表 C2-1 编 号 工 程 名 称 新大地奥林雅园住宅小区 交底日期 2009.7.1 施工单位 包头市第一建筑工程股份有限公司 分项工程名称 地基与基础混凝土工程 交底提要 地基与基础施工准备、质量要求及操作工艺 交底内容:审核人 交底人 接受交底人 1、本表由施工单位填写,交底单位与接受交底单位各存一份。2、当做分项工程施工技术交底时,应填写分项工程名称栏,其他技术交底可不填写。一、一、施工准备施工准备 1、作业条件(1)混凝土浇筑部位的模板、钢筋、预埋件及管线等全部安装完毕,模板内的杂物和钢筋油污等要清理干净,模板的缝隙和孔洞已堵严。完成钢筋、模板的隐检、预检工作。(2)混凝土泵车调试运转正常,骨料在泵管中流动不得有较大晃动,否则要立即进行加固泵管,浇筑混凝土用的架子及马道已支搭完毕,并经检验合格。(3)夜间施工配备好足够的夜间照明设备,混凝土浇筑时,要使混凝土浇筑移动方向与泵送方向相反。(4)检查模板下口、洞口及角模处拼接,大面模板拼接处是否严密,柱加固是否可靠,各种连接件及支撑是否牢固,是否按要求进行加固。(5)墙体钢筋应有可靠的定位与混凝土保护层措施。(6)现场工长已对班组长交底,明确混凝土浇筑顺序,以及结合浆的数量。(7)“混凝土浇灌申请”已由现场工长填写完毕,并经施工单位技术负责人签字确认,报监理单位。(8)已经做好施工前应具备的电力、机械及通讯、人员等的准备。2.施工机具 1.地泵、插入式振捣器、振捣棒。2.木袜子、23m 杠尺、塑料薄膜、小白线。胎模采用烧结普通砖,M7.5 水泥砂浆砌筑,内侧及顶面采用 1:2.5 水泥砂浆抹面。3.考虑混凝土浇筑时侧压力较大,砖胎模外侧面必须采用木方及钢管进行支撑加固,支撑间距不大于 1.5m。二二.质量要求质量要求 1、混凝土原材料及配合比设计 质量要求符合混凝土结构工程施工质量验收规范(GB50204-2002)的规定。项项 序序 检查项目检查项目 允许偏差或允许值允许偏差或允许值 主控项目 1 水泥进场检验 第 7.2.1 条 2 外加剂质量及应用 第 7.2.2 条 3 混凝土中氯化物、碱的总含量控制 第 7.2.3 条 4 配合比设计 第 7.3.1 条 一1 矿物掺合料质量及掺量 第 7.2.4 条 技 术 交 底 记 录 表 C2-1 编 号 工 程 名 称 新大地奥林雅园住宅小区 交底日期 2009.7.1 施工单位 包头市第一建筑工程股份有限公司 分项工程名称 地基与基础混凝土工程 交底提要 地基与基础施工准备、质量要求及操作工艺 交底内容:审核人 交底人 接受交底人 1、本表由施工单位填写,交底单位与接受交底单位各存一份。2、当做分项工程施工技术交底时,应填写分项工程名称栏,其他技术交底可不填写。般项目 2 粗细骨料的质量 第 7.2.5 条 3 拌制混凝土用水 第 7.2.6 条 4 开盘鉴定 第 7.3.2 条 5 依砂、石含水率调整配合比 第 7.3.3 条 2、混凝土施工 质量要求符合混凝结构工程施工质量验收规范(GB50204-2002)的规定。项项 序序 检查项目检查项目 允许偏差或允许值允许偏差或允许值 主控项目 1 混凝土强度等级及试件的取样和留置 第 7.4.1 条 2 混凝土抗渗及试件取样和留置 第 7.4.2 条 3 原材料每盘称量的偏差 第 7.4.3 条 4 初凝时间控制 第 7.4.4 条 一般项目 1 施工缝的位置和处理 第 7.4.5 条 2 后浇带的位置和浇筑 第 7.4.6 条 3 混凝土养护 第 7.4.7 条 3、现浇结构外观及尺寸 质量要求符合混凝土结构工程施工质量验收规范(GB50204-2002)的规定 项项 序序 检查项目检查项目 允许偏差或允许值允许偏差或允许值 主控项目 1 外观质量 第 8.2.1 条 2 过大尺寸偏差处理及验收 第 8.3.1 条 一般项目 1 外观质量缺陷 第 8.2.2 条 2 基础 15mm 独立基础 10mm 墙、柱、梁 8mm 剪力墙 5mm 3 垂直度 层高 5m 8mm 5m 10mm 全高(H)H/1000 且30mm 4 标高 层高(H)10mm 技 术 交 底 记 录 表 C2-1 编 号 工 程 名 称 新大地奥林雅园住宅小区 交底日期 2009.7.1 施工单位 包头市第一建筑工程股份有限公司 分项工程名称 地基与基础混凝土工程 交底提要 地基与基础施工准备、质量要求及操作工艺 交底内容:审核人 交底人 接受交底人 1、本表由施工单位填写,交底单位与接受交底单位各存一份。2、当做分项工程施工技术交底时,应填写分项工程名称栏,其他技术交底可不填写。全高 30mm 5 截面尺寸+8mm,-5mm 6 电梯井 井筒长、宽对定位中心线+25mm,0mm 井筒全高(H)垂直度 H/1000 且30mm 7 表面平整度 8mm 8 预埋件 10mm 预埋螺栓 5mm 预埋管 5mm 9 预留洞中心线位置 15mm 三三.工艺流程工艺流程 作业准备混凝土搅拌混凝土运输混凝土浇筑与振捣养护。四四.操作工艺操作工艺 1 1、基础底板混凝土施工基础底板混凝土施工 (1)基础底板一般较厚,混凝土工程量一般也较大,因此,混凝土施工时,必须考虑混凝土散热的问题,防止出现温度裂缝。(2)一般采用矿渣硅酸盐水泥进行混凝土配合比设计,设置后浇带。(3)混凝土必须连续浇筑,一般不得留置施工缝,所以各种混凝土材料和设备机具必须保证供应。(4)墙体施工缝处宜留置企口缝,或按设计要求留置。(5)墙柱甩出钢筋必须用塑料套管加以保护,避免混凝土污染钢筋。2 2、墙体混凝土施工墙体混凝土施工 (1)混凝土搅拌:每次浇筑混凝土前 1.5h 左右,由施工现场专业工长填写申报“混凝土浇灌申请书”,由建设(监理)单位和技术负责人或质量检查人员批准,每一台班都应填写。技 术 交 底 记 录 表 C2-1 编 号 工 程 名 称 新大地奥林雅园住宅小区 交底日期 2009.7.1 施工单位 包头市第一建筑工程股份有限公司 分项工程名称 地基与基础混凝土工程 交底提要 地基与基础施工准备、质量要求及操作工艺 交底内容:审核人 交底人 接受交底人 1、本表由施工单位填写,交底单位与接受交底单位各存一份。2、当做分项工程施工技术交底时,应填写分项工程名称栏,其他技术交底可不填写。用于承重结构及抗渗防水工程使用的混凝土,采用预拌混凝土的,开盘鉴定是指第一次使用的配合比,在混凝土出厂前由混凝土供应单位自行组织有关人员进行开盘鉴定;现场搅拌的混凝土由施工单位组织建设(监理)单位、搅拌机组、混凝试配单位进行开盘鉴定工作。共同认定试验室签发的混凝土配合比确定的组成材料是否与现场施工所用材料相符,以及混凝土拌合物性能是否满足设计要求和施工需要。如果混凝土和易性不好,可以在维持水灰比不变的前提下,适当调整砂率、水及水泥量,至和易性良好为止。(2)混 凝 土 运 输 混凝土从搅拌地点运至浇筑地点,延续时间尽量缩短,根据气温控制在 l2h之内。当采用预拌混凝土时,应充分搅拌后再卸车,不允许任意加水,混凝土发生离析时,浇筑前应二次搅拌,已初凝的混凝土不能使用。(3)混凝土浇筑、振捣:墙体浇筑混凝土前,在底部接搓处先均匀浇筑 5cm 厚与墙体混凝土成分相同的减石子砂浆。用铁锹均匀入模,不应用吊斗直接灌入模内。利用混凝土杆检查浇筑高度,一般控制在 40cm 左右;分层浇筑、振捣。混凝土下料点应分散布置。墙体连续进行浇筑,上下层混凝土之间时间间隔不得超过水泥的初凝时间,一般不超过 2h。墙体混凝土的施工缝宜设在门洞过梁跨中 1/3 区段。当采用平模时留在内纵横墙的交界处,应留垂直缝。接搓处应撮捣密实。浇筑时随时清理落地灰。洞口浇筑时,使洞口两侧浇筑高度对称均匀,振捣棒距洞边 30cm 以上,宜从两侧词时振捣,防止洞日变形。大洞口下部模板应开口,并保证振捣密实。振捣:插入式振捣器移动间距不宜大于振捣器作用部分长度的 1.25 倍,一般应小于 50cm.门洞口两侧构造柱要振捣密实,不得漏振。每一振点的延续时间,以表面呈现浮浆和不再沉落为达到要求,避免碰撞钢筋、模板、预埋件、预埋管等,发现有变形、移位,各有关工种相互配合进行处理。墙上口找平:混凝土浇筑振捣完毕,将上口甩出的钢筋加以整理,用木抹子按预定标高线,将墙上表面混凝土找平。拆模养护:混凝土浇筑完毕后,应在 12h 以内加以覆盖和浇水。常温时混凝土强度大于 1.2MPa;冬期时掺防冻剂,使混凝土强度达到 4MPa 时拆模。保证拆模时,技 术 交 底 记 录 表 C2-1 编 号 工 程 名 称 新大地奥林雅园住宅小区 交底日期 2009.7.1 施工单位 包头市第一建筑工程股份有限公司 分项工程名称 地基与基础混凝土工程 交底提要 地基与基础施工准备、质量要求及操作工艺 交底内容:审核人 交底人 接受交底人 1、本表由施工单位填写,交底单位与接受交底单位各存一份。2、当做分项工程施工技术交底时,应填写分项工程名称栏,其他技术交底可不填写。墙体不粘模、不掉角、不裂缝,及时修整墙面、边角。常温时及时喷水养护,养护期一般不少于 7d,浇水次数应能保持混凝土有足够的润湿状态。3 3、顶板混凝土施工顶板混凝土施工 (1)浇筑板混凝土的虚铺厚度应略大于板厚,用平板振捣器垂直浇筑方向来回振捣,厚板可用插入式振捣器顺浇筑方向拖拉振捣,并用钢插尺检查混凝土厚度,振捣完毕后用长木抹子抹平,表面拉毛。4.4.浇筑完毕后及时用塑料布覆盖混凝土,并浇水养护。做好混凝土保温养护和试块制作的工作。混凝土试块按要求现场应取一组标准养护试块、备用块一组(如混凝土方量大,应按试验要求取),24 组同条件养护试块:1 组为同条件拆模试块、一组为同条件 600 度试块。冬施混凝土应增加 2 组试块:1 组测抗冻临界强度,约 27d,应与测温结合起来,在结构温度降到抗冻剂规定温度前试压,判断是否超过抗冻临界强度 4MPa,如达不到 4MPa,继续降温,则有可能冻坏,应增加保温、加热养护等措施,使受冻面强度超过 4Mpa;另 1 组测冬施转常温强度,冬施转常温后再养护 28d,即次年 4 月 12 日试压所得到的混凝土强度。可根据气候及楼层情况不定期制作)。5.5.按同条件混凝土试验报告提供的数据控制好拆模时间(同条件试块强度达到1.2MPa),使拆模时墙体不粘模、不掉角、不裂缝,无混凝的质量缺陷,达到光滑平整,质量要求达到规范的要求,养护根据现场情况提供不同方法。6.混凝土养护:混凝土应派专人养护,养护方法一般为刷养护剂或喷水养护。喷水养护应每隔 2h 养护一次,养护期不小于 7d。刷养护剂时,基层应洒水湿润,待表面无明水时,开始刷养护剂,刷完养护剂后,严禁再向墙面喷水养护。五、成品保护五、成品保护 技 术 交 底 记 录 表 C2-1 编 号 工 程 名 称 新大地奥林雅园住宅小区 交底日期 2009.7.1 施工单位 包头市第一建筑工程股份有限公司 分项工程名称 地基与基础混凝土工程 交底提要 地基与基础施工准备、质量要求及操作工艺 交底内容:审核人 交底人 接受交底人 1、本表由施工单位填写,交底单位与接受交底单位各存一份。2、当做分项工程施工技术交底时,应填写分项工程名称栏,其他技术交底可不填写。(1)要保证钢筋和垫块的位置正确,不得踩楼梯、楼板的弯起钢筋,不碰动预埋件和插筋。在楼板上搭设浇筑混凝土使用的浇筑人行道,保证楼板钢筋的负弯矩钢筋的位置。(2)不用重物冲击模板,不在梁或楼梯踏步模板吊模上踩,应搭设跳板,保护模板的牢固和严密。(3)已浇筑楼板、楼梯踏步的上表面混凝土要加以保护,必须在混凝土强度达到1.2MPa 以后,方准在面上进行操作及安装结构用的支架和模板。(4)在浇筑混凝土时,要对已经完成的成品进行保护,对浇筑上层混凝土时流下的水泥浆要专人及时地清理干净,洒落的混凝土也要随时清理干净。(5)所有甩出钢筋,在进行混凝土施工时,必须用塑料套管或塑料布加以保护,防止混凝土污染钢筋。(6)对阳角等易碰坏的地方,应当有保护措施,专入负责。(7)冬期施工在已浇的楼板上覆盖时,要在铺好的脚手板上操作,尽量不踏脚印。(8)顶板混凝土及防水工程完工后,应尽快进行回填土工作。六、应注意的质量问题六、应注意的质量问题 1.蜂窝:原因是混凝土一次下料过厚,振捣不实或漏振,模板有缝隙使水泥浆流失,钢筋较密而混凝土坍落度过小或石子过大,墙根部模板有缝隙,以致混凝土中的砂浆从下部涌出而造成。2.露筋:原因是钢筋垫块位移、间距过大、漏放导致钢筋紧贴模板。板底部振捣不实,也可能出现露筋。3.麻面:拆模过早或模板表面漏刷隔离剂或模板湿润不够,构件表面混凝土易粘附在模板上造成麻面脱皮,或因混凝土气泡多,振捣不足。4.孔洞:原因是钢筋较密的部位混凝土被卡,未经振捣就继续浇筑上层混凝土。5.缝隙与夹渣层:施工缝处杂物清理不净或未浇底浆等原因,易造成缝隙、夹渣层。6.现浇楼板面和楼梯踏步上表面平整度偏差太大:主要原因是混凝土浇筑后,表面不用抹子认真抹平。冬期施工在覆盖保温层时,上人过早或未垫板进行操作。0 万 U 豆体验卡 技 术 交 底 记 录 表 C2-1 编 号 工 程 名 称 新大地奥林雅园住宅小区 交底日期 2009.7.1 施工单位 包头市第一建筑工程股份有限公司 分项工程名称 地基与基础混凝土工程 交底提要 地基与基础施工准备、质量要求及操作工艺 交底内容:审核人 交底人 接受交底人 1、本表由施工单位填写,交底单位与接受交底单位各存一份。2、当做分项工程施工技术交底时,应填写分项工程名称栏,其他技术交底可不填写。卡号:50D890668267e3349e33 密码:686d03401eefba96faba 奖品名称:500 万 U 豆体验卡 卡号:50De7a00c543af387fc0 密码:b26488ce65abc1787202 奖品名称:500 万 U 豆体验卡 卡号:50Dbac638 85c802fd52e 密码:3d1c344384327b85efff 奖品名称:500 万 U 豆体验卡 卡号:50Dd97f0765bdf6998a3 密码:48db1c14e42a2b321fac 奖品名称:500 万 U 豆体 50D61 215eb41ae3cc919 密码:25bffae5346e7b7d2548 奖品名称:100 万 U 豆体验卡 卡号:10D1cab621456ab278ab 密码:709f65f32865af2559c2 奖品名称:100 万 U 豆体验卡 卡号:10D8f1d6a4b953f3474e 密码:6e2e4017cce30dc7e055 奖品名称:100 万 U 豆体验卡 卡号:10Dd1fc6d6dd529b6892 密码:a5dbdd8338f91d2c0701 奖品名称:100 万 U 豆体验卡 技 术 交 底 记 录 表 C2-1 编 号 工 程 名 称 新大地奥林雅园住宅小区 交底日期 2009.7.1 施工单位 包头市第一建筑工程股份有限公司 分项工程名称 地基与基础混凝土工程 交底提要 地基与基础施工准备、质量要求及操作工艺 交底内容:审核人 交底人 接受交底人 1、本表由施工单位填写,交底单位与接受交底单位各存一份。2、当做分项工程施工技术交底时,应填写分项工程名称栏,其他技术交底可不填写。卡号:10D08377b71d4374262b 密码:1d7a7c21ebd99b798a54
展开阅读全文

开通  VIP会员、SVIP会员  优惠大
下载10份以上建议开通VIP会员
下载20份以上建议开通SVIP会员


开通VIP      成为共赢上传

当前位置:首页 > 环境建筑 > 其他

移动网页_全站_页脚广告1

关于我们      便捷服务       自信AI       AI导航        抽奖活动

©2010-2026 宁波自信网络信息技术有限公司  版权所有

客服电话:0574-28810668  投诉电话:18658249818

gongan.png浙公网安备33021202000488号   

icp.png浙ICP备2021020529号-1  |  浙B2-20240490  

关注我们 :微信公众号    抖音    微博    LOFTER 

客服